Colpitts Oscillator Calculate Values . A simple explanation of colpitts oscillators. Colpitts oscillator using transistor and opamp. In this circuit, we calculate a colpitts oscillator frequency based on the formula, frequency= 1/2π√ lct, where l is the value of the inductor. The colpitt’s oscillator is designed for generation of. The feedback ratio is usually 1:10,. This calctown calculator calculates the resonant frequency of a colpitt oscillator circuit. Learn what a colpitts oscillator is, a colpitts oscillator circuit, and how to calculate. Build a simulation schematic of the colpitts oscillator as shown in figure 1. Colpitts oscillator working, circuit diagram and theory. This colpitts calculator will compute the values of c1 and c2, providing you supply the oscillator frequency, inductance value of the coil (l), and beta. Calculate values for bias resistors r 1 and r 2 such that with emitter resistor r 3 set to 1 kω, the collector current in.
from www.bartleby.com
Calculate values for bias resistors r 1 and r 2 such that with emitter resistor r 3 set to 1 kω, the collector current in. A simple explanation of colpitts oscillators. Learn what a colpitts oscillator is, a colpitts oscillator circuit, and how to calculate. This calctown calculator calculates the resonant frequency of a colpitt oscillator circuit. The feedback ratio is usually 1:10,. This colpitts calculator will compute the values of c1 and c2, providing you supply the oscillator frequency, inductance value of the coil (l), and beta. In this circuit, we calculate a colpitts oscillator frequency based on the formula, frequency= 1/2π√ lct, where l is the value of the inductor. Colpitts oscillator working, circuit diagram and theory. The colpitt’s oscillator is designed for generation of. Colpitts oscillator using transistor and opamp.
Answered 2. Use the Colpitts oscillator… bartleby
Colpitts Oscillator Calculate Values A simple explanation of colpitts oscillators. The feedback ratio is usually 1:10,. Colpitts oscillator working, circuit diagram and theory. The colpitt’s oscillator is designed for generation of. This colpitts calculator will compute the values of c1 and c2, providing you supply the oscillator frequency, inductance value of the coil (l), and beta. Colpitts oscillator using transistor and opamp. Calculate values for bias resistors r 1 and r 2 such that with emitter resistor r 3 set to 1 kω, the collector current in. A simple explanation of colpitts oscillators. This calctown calculator calculates the resonant frequency of a colpitt oscillator circuit. In this circuit, we calculate a colpitts oscillator frequency based on the formula, frequency= 1/2π√ lct, where l is the value of the inductor. Build a simulation schematic of the colpitts oscillator as shown in figure 1. Learn what a colpitts oscillator is, a colpitts oscillator circuit, and how to calculate.
From www.chegg.com
Solved For the Colpitts oscillator as shown in figure, (a) Colpitts Oscillator Calculate Values This calctown calculator calculates the resonant frequency of a colpitt oscillator circuit. A simple explanation of colpitts oscillators. The colpitt’s oscillator is designed for generation of. Colpitts oscillator working, circuit diagram and theory. The feedback ratio is usually 1:10,. Build a simulation schematic of the colpitts oscillator as shown in figure 1. In this circuit, we calculate a colpitts oscillator. Colpitts Oscillator Calculate Values.
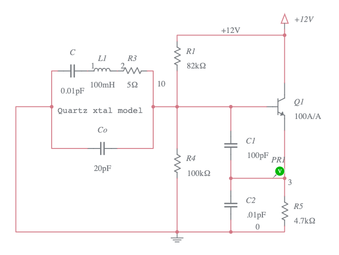
From www.multisim.com
100mh BJT calculated Colpitts Crystal Oscillator Multisim Live Colpitts Oscillator Calculate Values This calctown calculator calculates the resonant frequency of a colpitt oscillator circuit. This colpitts calculator will compute the values of c1 and c2, providing you supply the oscillator frequency, inductance value of the coil (l), and beta. Calculate values for bias resistors r 1 and r 2 such that with emitter resistor r 3 set to 1 kω, the collector. Colpitts Oscillator Calculate Values.
From www.researchgate.net
(a) Simplified diagram of Colpitts oscillator [7] (b) modified version Colpitts Oscillator Calculate Values The colpitt’s oscillator is designed for generation of. In this circuit, we calculate a colpitts oscillator frequency based on the formula, frequency= 1/2π√ lct, where l is the value of the inductor. The feedback ratio is usually 1:10,. Colpitts oscillator working, circuit diagram and theory. This calctown calculator calculates the resonant frequency of a colpitt oscillator circuit. This colpitts calculator. Colpitts Oscillator Calculate Values.
From www.reddit.com
Colpitts Oscillator Capacitor Placement? r/AskElectronics Colpitts Oscillator Calculate Values Build a simulation schematic of the colpitts oscillator as shown in figure 1. Calculate values for bias resistors r 1 and r 2 such that with emitter resistor r 3 set to 1 kω, the collector current in. The colpitt’s oscillator is designed for generation of. The feedback ratio is usually 1:10,. Learn what a colpitts oscillator is, a colpitts. Colpitts Oscillator Calculate Values.
From www.chegg.com
Solved For the transistor Colpitts oscillator of Figure Colpitts Oscillator Calculate Values This calctown calculator calculates the resonant frequency of a colpitt oscillator circuit. This colpitts calculator will compute the values of c1 and c2, providing you supply the oscillator frequency, inductance value of the coil (l), and beta. The feedback ratio is usually 1:10,. The colpitt’s oscillator is designed for generation of. Learn what a colpitts oscillator is, a colpitts oscillator. Colpitts Oscillator Calculate Values.
From www.youtube.com
Colpitts Oscillator Analysis YouTube Colpitts Oscillator Calculate Values This colpitts calculator will compute the values of c1 and c2, providing you supply the oscillator frequency, inductance value of the coil (l), and beta. This calctown calculator calculates the resonant frequency of a colpitt oscillator circuit. The feedback ratio is usually 1:10,. Colpitts oscillator using transistor and opamp. A simple explanation of colpitts oscillators. Build a simulation schematic of. Colpitts Oscillator Calculate Values.
From www.electronics-lab.com
Colpitts Crystal Oscillator Colpitts Oscillator Calculate Values Build a simulation schematic of the colpitts oscillator as shown in figure 1. A simple explanation of colpitts oscillators. Learn what a colpitts oscillator is, a colpitts oscillator circuit, and how to calculate. In this circuit, we calculate a colpitts oscillator frequency based on the formula, frequency= 1/2π√ lct, where l is the value of the inductor. This calctown calculator. Colpitts Oscillator Calculate Values.
From www.chegg.com
Solved Design a Colpitts oscillator for operation at a Colpitts Oscillator Calculate Values Learn what a colpitts oscillator is, a colpitts oscillator circuit, and how to calculate. Calculate values for bias resistors r 1 and r 2 such that with emitter resistor r 3 set to 1 kω, the collector current in. Build a simulation schematic of the colpitts oscillator as shown in figure 1. In this circuit, we calculate a colpitts oscillator. Colpitts Oscillator Calculate Values.
From www.chegg.com
Solved 17. Calculate the frequency of oscillations of a Colpitts Oscillator Calculate Values Colpitts oscillator working, circuit diagram and theory. Colpitts oscillator using transistor and opamp. In this circuit, we calculate a colpitts oscillator frequency based on the formula, frequency= 1/2π√ lct, where l is the value of the inductor. Learn what a colpitts oscillator is, a colpitts oscillator circuit, and how to calculate. Calculate values for bias resistors r 1 and r. Colpitts Oscillator Calculate Values.
From www.circuits-diy.com
Colpitts Oscillator Circuit using BC547 Transistor Colpitts Oscillator Calculate Values Colpitts oscillator working, circuit diagram and theory. The colpitt’s oscillator is designed for generation of. Calculate values for bias resistors r 1 and r 2 such that with emitter resistor r 3 set to 1 kω, the collector current in. Build a simulation schematic of the colpitts oscillator as shown in figure 1. The feedback ratio is usually 1:10,. A. Colpitts Oscillator Calculate Values.
From www.youtube.com
Derivation of Hartley Oscillator and Colpitt's Oscillator Generalized Colpitts Oscillator Calculate Values Colpitts oscillator using transistor and opamp. This colpitts calculator will compute the values of c1 and c2, providing you supply the oscillator frequency, inductance value of the coil (l), and beta. The colpitt’s oscillator is designed for generation of. The feedback ratio is usually 1:10,. This calctown calculator calculates the resonant frequency of a colpitt oscillator circuit. Build a simulation. Colpitts Oscillator Calculate Values.
From www.slideshare.net
Oscillators Colpitts Oscillator Calculate Values Calculate values for bias resistors r 1 and r 2 such that with emitter resistor r 3 set to 1 kω, the collector current in. This colpitts calculator will compute the values of c1 and c2, providing you supply the oscillator frequency, inductance value of the coil (l), and beta. In this circuit, we calculate a colpitts oscillator frequency based. Colpitts Oscillator Calculate Values.
From www.bartleby.com
Answered 2. Use the Colpitts oscillator… bartleby Colpitts Oscillator Calculate Values This colpitts calculator will compute the values of c1 and c2, providing you supply the oscillator frequency, inductance value of the coil (l), and beta. Calculate values for bias resistors r 1 and r 2 such that with emitter resistor r 3 set to 1 kω, the collector current in. Colpitts oscillator working, circuit diagram and theory. A simple explanation. Colpitts Oscillator Calculate Values.
From www.ee-diary.com
Design of Colpitts and Hartley Oscillator with 2SC1815 NPN bipolar Colpitts Oscillator Calculate Values Colpitts oscillator working, circuit diagram and theory. Calculate values for bias resistors r 1 and r 2 such that with emitter resistor r 3 set to 1 kω, the collector current in. This colpitts calculator will compute the values of c1 and c2, providing you supply the oscillator frequency, inductance value of the coil (l), and beta. The colpitt’s oscillator. Colpitts Oscillator Calculate Values.
From www.researchgate.net
A schematic of a single MEMSbased Colpitts oscillator realized with a Colpitts Oscillator Calculate Values Colpitts oscillator working, circuit diagram and theory. Colpitts oscillator using transistor and opamp. Build a simulation schematic of the colpitts oscillator as shown in figure 1. Calculate values for bias resistors r 1 and r 2 such that with emitter resistor r 3 set to 1 kω, the collector current in. This calctown calculator calculates the resonant frequency of a. Colpitts Oscillator Calculate Values.
From www.chegg.com
Solved 13.17 A Colpitts BJT oscillator is shown in Fig. Colpitts Oscillator Calculate Values This calctown calculator calculates the resonant frequency of a colpitt oscillator circuit. The feedback ratio is usually 1:10,. In this circuit, we calculate a colpitts oscillator frequency based on the formula, frequency= 1/2π√ lct, where l is the value of the inductor. Calculate values for bias resistors r 1 and r 2 such that with emitter resistor r 3 set. Colpitts Oscillator Calculate Values.
From www.youtube.com
Colpitts Oscillator Explained YouTube Colpitts Oscillator Calculate Values Colpitts oscillator working, circuit diagram and theory. This colpitts calculator will compute the values of c1 and c2, providing you supply the oscillator frequency, inductance value of the coil (l), and beta. Learn what a colpitts oscillator is, a colpitts oscillator circuit, and how to calculate. Build a simulation schematic of the colpitts oscillator as shown in figure 1. This. Colpitts Oscillator Calculate Values.
From www.circuitdiagram.co
Colpitts Oscillator Circuit Diagram Using Transistor Circuit Diagram Colpitts Oscillator Calculate Values Calculate values for bias resistors r 1 and r 2 such that with emitter resistor r 3 set to 1 kω, the collector current in. The colpitt’s oscillator is designed for generation of. Colpitts oscillator using transistor and opamp. In this circuit, we calculate a colpitts oscillator frequency based on the formula, frequency= 1/2π√ lct, where l is the value. Colpitts Oscillator Calculate Values.
From www.electricity-magnetism.org
Clapp Oscillators How it works, Application & Advantages Colpitts Oscillator Calculate Values In this circuit, we calculate a colpitts oscillator frequency based on the formula, frequency= 1/2π√ lct, where l is the value of the inductor. This colpitts calculator will compute the values of c1 and c2, providing you supply the oscillator frequency, inductance value of the coil (l), and beta. Calculate values for bias resistors r 1 and r 2 such. Colpitts Oscillator Calculate Values.
From ee-diary.blogspot.com
Colpitts Oscillator Simulation in Proteus Colpitts Oscillator Calculate Values The feedback ratio is usually 1:10,. This colpitts calculator will compute the values of c1 and c2, providing you supply the oscillator frequency, inductance value of the coil (l), and beta. In this circuit, we calculate a colpitts oscillator frequency based on the formula, frequency= 1/2π√ lct, where l is the value of the inductor. A simple explanation of colpitts. Colpitts Oscillator Calculate Values.
From www.numerade.com
SOLVED 106. The schematic of yet another Colpitts oscillator is shown Colpitts Oscillator Calculate Values Calculate values for bias resistors r 1 and r 2 such that with emitter resistor r 3 set to 1 kω, the collector current in. This colpitts calculator will compute the values of c1 and c2, providing you supply the oscillator frequency, inductance value of the coil (l), and beta. Build a simulation schematic of the colpitts oscillator as shown. Colpitts Oscillator Calculate Values.
From www.multisim.com
Colpitts Oscillator Opamp Circuit Multisim Live Colpitts Oscillator Calculate Values This colpitts calculator will compute the values of c1 and c2, providing you supply the oscillator frequency, inductance value of the coil (l), and beta. Calculate values for bias resistors r 1 and r 2 such that with emitter resistor r 3 set to 1 kω, the collector current in. The colpitt’s oscillator is designed for generation of. A simple. Colpitts Oscillator Calculate Values.
From www.researchgate.net
(PDF) Output voltage analysis for the MOS Colpitts oscillator Colpitts Oscillator Calculate Values The colpitt’s oscillator is designed for generation of. Learn what a colpitts oscillator is, a colpitts oscillator circuit, and how to calculate. Colpitts oscillator using transistor and opamp. Build a simulation schematic of the colpitts oscillator as shown in figure 1. Colpitts oscillator working, circuit diagram and theory. A simple explanation of colpitts oscillators. Calculate values for bias resistors r. Colpitts Oscillator Calculate Values.
From electronics.stackexchange.com
impedance Colpitts Oscillator Current and Frequency Electrical Colpitts Oscillator Calculate Values This colpitts calculator will compute the values of c1 and c2, providing you supply the oscillator frequency, inductance value of the coil (l), and beta. Build a simulation schematic of the colpitts oscillator as shown in figure 1. The feedback ratio is usually 1:10,. Learn what a colpitts oscillator is, a colpitts oscillator circuit, and how to calculate. The colpitt’s. Colpitts Oscillator Calculate Values.
From www.ee-diary.com
Drain Feedback biased EMOSFET Colpitts Oscillator eediary Colpitts Oscillator Calculate Values A simple explanation of colpitts oscillators. Learn what a colpitts oscillator is, a colpitts oscillator circuit, and how to calculate. The colpitt’s oscillator is designed for generation of. Colpitts oscillator using transistor and opamp. This colpitts calculator will compute the values of c1 and c2, providing you supply the oscillator frequency, inductance value of the coil (l), and beta. Build. Colpitts Oscillator Calculate Values.
From www.myshared.ru
Презентация на тему "Unit8 OSCILLATORS Condition for oscillations Colpitts Oscillator Calculate Values Build a simulation schematic of the colpitts oscillator as shown in figure 1. Calculate values for bias resistors r 1 and r 2 such that with emitter resistor r 3 set to 1 kω, the collector current in. Colpitts oscillator using transistor and opamp. Learn what a colpitts oscillator is, a colpitts oscillator circuit, and how to calculate. This calctown. Colpitts Oscillator Calculate Values.
From www.researchgate.net
Colpitts oscillator. Download Scientific Diagram Colpitts Oscillator Calculate Values The colpitt’s oscillator is designed for generation of. This colpitts calculator will compute the values of c1 and c2, providing you supply the oscillator frequency, inductance value of the coil (l), and beta. The feedback ratio is usually 1:10,. This calctown calculator calculates the resonant frequency of a colpitt oscillator circuit. Colpitts oscillator working, circuit diagram and theory. In this. Colpitts Oscillator Calculate Values.
From www.youtube.com
Calculate the oscillation frequency of a 3 point oscillator, Colpitts Colpitts Oscillator Calculate Values A simple explanation of colpitts oscillators. Build a simulation schematic of the colpitts oscillator as shown in figure 1. Colpitts oscillator using transistor and opamp. Colpitts oscillator working, circuit diagram and theory. This colpitts calculator will compute the values of c1 and c2, providing you supply the oscillator frequency, inductance value of the coil (l), and beta. Learn what a. Colpitts Oscillator Calculate Values.
From www.numerade.com
SOLVEDFor the transistor Colpitts oscillator of Fig. 27 and the Colpitts Oscillator Calculate Values This calctown calculator calculates the resonant frequency of a colpitt oscillator circuit. The colpitt’s oscillator is designed for generation of. This colpitts calculator will compute the values of c1 and c2, providing you supply the oscillator frequency, inductance value of the coil (l), and beta. A simple explanation of colpitts oscillators. Colpitts oscillator working, circuit diagram and theory. Learn what. Colpitts Oscillator Calculate Values.
From electronics.stackexchange.com
transistors How to choose correct resistor values for Colpitts Colpitts Oscillator Calculate Values Calculate values for bias resistors r 1 and r 2 such that with emitter resistor r 3 set to 1 kω, the collector current in. In this circuit, we calculate a colpitts oscillator frequency based on the formula, frequency= 1/2π√ lct, where l is the value of the inductor. This calctown calculator calculates the resonant frequency of a colpitt oscillator. Colpitts Oscillator Calculate Values.
From lectron.info
Colpitts oscillator » The Universe of the Lectron System Colpitts Oscillator Calculate Values Colpitts oscillator using transistor and opamp. Colpitts oscillator working, circuit diagram and theory. In this circuit, we calculate a colpitts oscillator frequency based on the formula, frequency= 1/2π√ lct, where l is the value of the inductor. This calctown calculator calculates the resonant frequency of a colpitt oscillator circuit. The feedback ratio is usually 1:10,. Build a simulation schematic of. Colpitts Oscillator Calculate Values.
From www.multisim.com
Colpitts Crystal Oscillator Multisim Live Colpitts Oscillator Calculate Values Learn what a colpitts oscillator is, a colpitts oscillator circuit, and how to calculate. Build a simulation schematic of the colpitts oscillator as shown in figure 1. In this circuit, we calculate a colpitts oscillator frequency based on the formula, frequency= 1/2π√ lct, where l is the value of the inductor. This colpitts calculator will compute the values of c1. Colpitts Oscillator Calculate Values.
From makerf.com
makeRF Experimenting with Colpitts Oscillators Colpitts Oscillator Calculate Values Calculate values for bias resistors r 1 and r 2 such that with emitter resistor r 3 set to 1 kω, the collector current in. Learn what a colpitts oscillator is, a colpitts oscillator circuit, and how to calculate. A simple explanation of colpitts oscillators. Build a simulation schematic of the colpitts oscillator as shown in figure 1. This calctown. Colpitts Oscillator Calculate Values.
From www.circuits-diy.com
Simple Colpitts Oscillator Circuit Colpitts Oscillator Calculate Values Colpitts oscillator working, circuit diagram and theory. Build a simulation schematic of the colpitts oscillator as shown in figure 1. This calctown calculator calculates the resonant frequency of a colpitt oscillator circuit. Calculate values for bias resistors r 1 and r 2 such that with emitter resistor r 3 set to 1 kω, the collector current in. Learn what a. Colpitts Oscillator Calculate Values.
From schematicenginedrechsler.z19.web.core.windows.net
Colpitts Oscillator Circuit Diagram With Values Colpitts Oscillator Calculate Values A simple explanation of colpitts oscillators. Build a simulation schematic of the colpitts oscillator as shown in figure 1. This calctown calculator calculates the resonant frequency of a colpitt oscillator circuit. Learn what a colpitts oscillator is, a colpitts oscillator circuit, and how to calculate. This colpitts calculator will compute the values of c1 and c2, providing you supply the. Colpitts Oscillator Calculate Values.