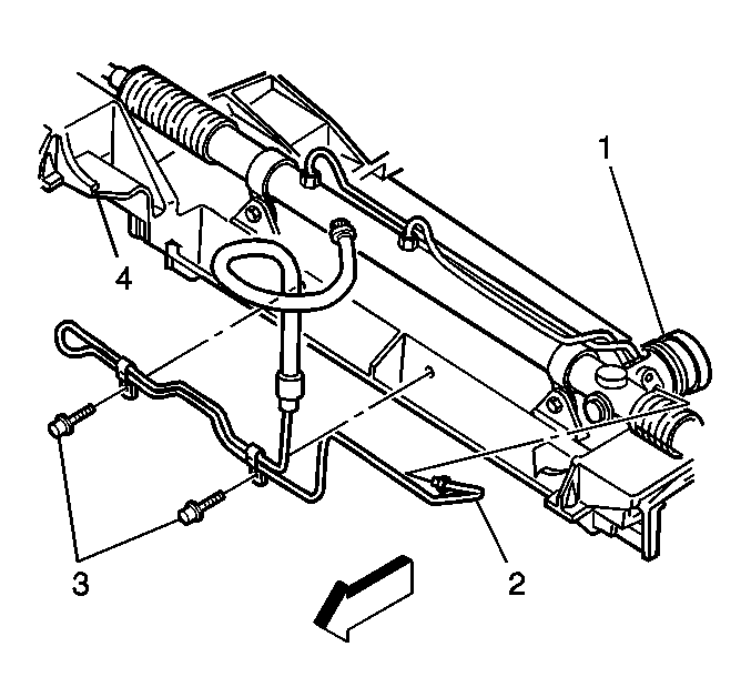
Power Steering Cooler Routing . The oil cooler will flow in either direction, there. Steering plumbing diagram without hydro boost. The oil cooler will flow in either direction, there is. We've put together a steering gear plumbing diagrams that show configurations with and without hydro boost components. I have a power steering cooler on 2 vehicles (one with hydroboost and one without). Luckily, adding a cooler to a power steering system is only a 3 step process and we will explain each one. Properly setting up a power steering system can pay huge dividends in terms of system performance and longevity. Cooler should be mounted at least 1 inch from fans and 6 inches from exhaust manifolds. I have the cooler between the steering gear and. Carefully route the looped hose now attached to the cooler toward the power steering pump. When mounting to ac condenser or radiator, foam. Carefully route the looped hose now attached to the cooler toward the power steering pump.
from www.diyracecar.com
I have the cooler between the steering gear and. Properly setting up a power steering system can pay huge dividends in terms of system performance and longevity. Steering plumbing diagram without hydro boost. Carefully route the looped hose now attached to the cooler toward the power steering pump. Cooler should be mounted at least 1 inch from fans and 6 inches from exhaust manifolds. The oil cooler will flow in either direction, there is. I have a power steering cooler on 2 vehicles (one with hydroboost and one without). Luckily, adding a cooler to a power steering system is only a 3 step process and we will explain each one. Carefully route the looped hose now attached to the cooler toward the power steering pump. The oil cooler will flow in either direction, there.
How to Add & Install a Power Steering Cooler on Any Rack and Pinion
Power Steering Cooler Routing The oil cooler will flow in either direction, there is. Steering plumbing diagram without hydro boost. Cooler should be mounted at least 1 inch from fans and 6 inches from exhaust manifolds. The oil cooler will flow in either direction, there. I have the cooler between the steering gear and. I have a power steering cooler on 2 vehicles (one with hydroboost and one without). Luckily, adding a cooler to a power steering system is only a 3 step process and we will explain each one. We've put together a steering gear plumbing diagrams that show configurations with and without hydro boost components. When mounting to ac condenser or radiator, foam. The oil cooler will flow in either direction, there is. Carefully route the looped hose now attached to the cooler toward the power steering pump. Carefully route the looped hose now attached to the cooler toward the power steering pump. Properly setting up a power steering system can pay huge dividends in terms of system performance and longevity.
From www.2carpros.com
Power Steering Pump Replacement Instructions and Hose Diagram Power Steering Cooler Routing Properly setting up a power steering system can pay huge dividends in terms of system performance and longevity. The oil cooler will flow in either direction, there is. Steering plumbing diagram without hydro boost. Carefully route the looped hose now attached to the cooler toward the power steering pump. When mounting to ac condenser or radiator, foam. I have a. Power Steering Cooler Routing.
From www.corvetteforum.com
Z06 Power steering cooler routing lines CorvetteForum Chevrolet Power Steering Cooler Routing Carefully route the looped hose now attached to the cooler toward the power steering pump. Carefully route the looped hose now attached to the cooler toward the power steering pump. Luckily, adding a cooler to a power steering system is only a 3 step process and we will explain each one. I have the cooler between the steering gear and.. Power Steering Cooler Routing.
From www.corvetteforum.com
Z06 Power steering cooler routing lines CorvetteForum Chevrolet Power Steering Cooler Routing I have a power steering cooler on 2 vehicles (one with hydroboost and one without). I have the cooler between the steering gear and. Steering plumbing diagram without hydro boost. When mounting to ac condenser or radiator, foam. We've put together a steering gear plumbing diagrams that show configurations with and without hydro boost components. Carefully route the looped hose. Power Steering Cooler Routing.
From www.justanswer.com
Q&A Ford Power Steering Hose Diagrams & Solutions Power Steering Cooler Routing I have a power steering cooler on 2 vehicles (one with hydroboost and one without). Steering plumbing diagram without hydro boost. Luckily, adding a cooler to a power steering system is only a 3 step process and we will explain each one. Properly setting up a power steering system can pay huge dividends in terms of system performance and longevity.. Power Steering Cooler Routing.
From grassrootsmotorsports.com
DIY Power Steering Lines Grassroots Motorsports forum Power Steering Cooler Routing Carefully route the looped hose now attached to the cooler toward the power steering pump. The oil cooler will flow in either direction, there. Steering plumbing diagram without hydro boost. We've put together a steering gear plumbing diagrams that show configurations with and without hydro boost components. I have the cooler between the steering gear and. Properly setting up a. Power Steering Cooler Routing.
From www.dieselplace.com
Power Steering Cooler Lines Diesel Place Power Steering Cooler Routing When mounting to ac condenser or radiator, foam. Cooler should be mounted at least 1 inch from fans and 6 inches from exhaust manifolds. The oil cooler will flow in either direction, there. Luckily, adding a cooler to a power steering system is only a 3 step process and we will explain each one. Carefully route the looped hose now. Power Steering Cooler Routing.
From pbhperformance.com
Power Steering Hose Diagrams Power By The Hour Power Steering Cooler Routing The oil cooler will flow in either direction, there is. When mounting to ac condenser or radiator, foam. Properly setting up a power steering system can pay huge dividends in terms of system performance and longevity. Carefully route the looped hose now attached to the cooler toward the power steering pump. Carefully route the looped hose now attached to the. Power Steering Cooler Routing.
From www.corvetteforum.com
Z06 Power steering routing CorvetteForum Chevrolet Corvette Forum Power Steering Cooler Routing Carefully route the looped hose now attached to the cooler toward the power steering pump. Luckily, adding a cooler to a power steering system is only a 3 step process and we will explain each one. I have the cooler between the steering gear and. I have a power steering cooler on 2 vehicles (one with hydroboost and one without).. Power Steering Cooler Routing.
From www.hummerpartsguy.com
Hummer Parts Guy (HPG) STEERING SYSTEM Power Steering Cooler Routing The oil cooler will flow in either direction, there. I have a power steering cooler on 2 vehicles (one with hydroboost and one without). Steering plumbing diagram without hydro boost. The oil cooler will flow in either direction, there is. Luckily, adding a cooler to a power steering system is only a 3 step process and we will explain each. Power Steering Cooler Routing.
From www.justanswer.com
My question is about routing power steering lines in a custom build. I Power Steering Cooler Routing Properly setting up a power steering system can pay huge dividends in terms of system performance and longevity. The oil cooler will flow in either direction, there. Carefully route the looped hose now attached to the cooler toward the power steering pump. I have the cooler between the steering gear and. Steering plumbing diagram without hydro boost. The oil cooler. Power Steering Cooler Routing.
From drivenheisenberg.blogspot.com
2006 Chevy Trailblazer Power Steering Lines Diagram Drivenheisenberg Power Steering Cooler Routing Luckily, adding a cooler to a power steering system is only a 3 step process and we will explain each one. I have the cooler between the steering gear and. Carefully route the looped hose now attached to the cooler toward the power steering pump. I have a power steering cooler on 2 vehicles (one with hydroboost and one without).. Power Steering Cooler Routing.
From www.chevelles.com
Using radiator to cool power steering fluid Team Chevelle Power Steering Cooler Routing I have a power steering cooler on 2 vehicles (one with hydroboost and one without). Steering plumbing diagram without hydro boost. We've put together a steering gear plumbing diagrams that show configurations with and without hydro boost components. Cooler should be mounted at least 1 inch from fans and 6 inches from exhaust manifolds. Properly setting up a power steering. Power Steering Cooler Routing.
From parts.nsford.com
2013 Ford Expedition Power steering return hose. Tube assembly. Cooler Power Steering Cooler Routing We've put together a steering gear plumbing diagrams that show configurations with and without hydro boost components. I have the cooler between the steering gear and. The oil cooler will flow in either direction, there is. Carefully route the looped hose now attached to the cooler toward the power steering pump. Steering plumbing diagram without hydro boost. Properly setting up. Power Steering Cooler Routing.
From forums.justcommodores.com.au
Power steering cooling return line Just Commodores Power Steering Cooler Routing The oil cooler will flow in either direction, there. The oil cooler will flow in either direction, there is. Cooler should be mounted at least 1 inch from fans and 6 inches from exhaust manifolds. Steering plumbing diagram without hydro boost. I have a power steering cooler on 2 vehicles (one with hydroboost and one without). When mounting to ac. Power Steering Cooler Routing.
From www.2carpros.com
Power Steering Cooler What Are the Parts That Hold the Power Power Steering Cooler Routing Carefully route the looped hose now attached to the cooler toward the power steering pump. Properly setting up a power steering system can pay huge dividends in terms of system performance and longevity. Luckily, adding a cooler to a power steering system is only a 3 step process and we will explain each one. Cooler should be mounted at least. Power Steering Cooler Routing.
From www.bimmerworld.com
BMW Power Steering System Power Steering Cooler Routing When mounting to ac condenser or radiator, foam. I have the cooler between the steering gear and. Carefully route the looped hose now attached to the cooler toward the power steering pump. The oil cooler will flow in either direction, there is. The oil cooler will flow in either direction, there. Steering plumbing diagram without hydro boost. Carefully route the. Power Steering Cooler Routing.
From www.youtube.com
How to Replace Power Steering Oil Cooler 20032021 Chevy Express Van Power Steering Cooler Routing The oil cooler will flow in either direction, there is. I have a power steering cooler on 2 vehicles (one with hydroboost and one without). Cooler should be mounted at least 1 inch from fans and 6 inches from exhaust manifolds. The oil cooler will flow in either direction, there. Carefully route the looped hose now attached to the cooler. Power Steering Cooler Routing.
From parts.chryslerjeepdodgecityofmckinney.com
Dodge Charger Cooler. Power steering. [severe duty engine cooling Power Steering Cooler Routing The oil cooler will flow in either direction, there is. Carefully route the looped hose now attached to the cooler toward the power steering pump. When mounting to ac condenser or radiator, foam. Properly setting up a power steering system can pay huge dividends in terms of system performance and longevity. I have a power steering cooler on 2 vehicles. Power Steering Cooler Routing.
From www.tundras.com
Power steering cooler lines? Toyota Tundra Forum Power Steering Cooler Routing I have the cooler between the steering gear and. Properly setting up a power steering system can pay huge dividends in terms of system performance and longevity. The oil cooler will flow in either direction, there. I have a power steering cooler on 2 vehicles (one with hydroboost and one without). Steering plumbing diagram without hydro boost. Luckily, adding a. Power Steering Cooler Routing.
From www.diyracecar.com
How to Add & Install a Power Steering Cooler on Any Rack and Pinion Power Steering Cooler Routing Steering plumbing diagram without hydro boost. We've put together a steering gear plumbing diagrams that show configurations with and without hydro boost components. I have a power steering cooler on 2 vehicles (one with hydroboost and one without). Carefully route the looped hose now attached to the cooler toward the power steering pump. The oil cooler will flow in either. Power Steering Cooler Routing.
From schematron.org
68 Mustang Power Steering Hose Routing Wiring Diagram Pictures Power Steering Cooler Routing Carefully route the looped hose now attached to the cooler toward the power steering pump. I have the cooler between the steering gear and. We've put together a steering gear plumbing diagrams that show configurations with and without hydro boost components. The oil cooler will flow in either direction, there. I have a power steering cooler on 2 vehicles (one. Power Steering Cooler Routing.
From mungfali.com
Ford Power Steering Diagram Power Steering Cooler Routing Luckily, adding a cooler to a power steering system is only a 3 step process and we will explain each one. Carefully route the looped hose now attached to the cooler toward the power steering pump. I have the cooler between the steering gear and. Carefully route the looped hose now attached to the cooler toward the power steering pump.. Power Steering Cooler Routing.
From www.rodauthority.com
Quick Tech Is A PowerSteering Cooler Necessary Power Steering Cooler Routing The oil cooler will flow in either direction, there is. When mounting to ac condenser or radiator, foam. I have a power steering cooler on 2 vehicles (one with hydroboost and one without). Steering plumbing diagram without hydro boost. Luckily, adding a cooler to a power steering system is only a 3 step process and we will explain each one.. Power Steering Cooler Routing.
From www.justanswer.com
Mercruiser Power Steering Cooler Location & Diagram JustAnswer Power Steering Cooler Routing I have a power steering cooler on 2 vehicles (one with hydroboost and one without). Cooler should be mounted at least 1 inch from fans and 6 inches from exhaust manifolds. Carefully route the looped hose now attached to the cooler toward the power steering pump. When mounting to ac condenser or radiator, foam. Luckily, adding a cooler to a. Power Steering Cooler Routing.
From www.2carpros.com
Power Steering Hose Diagrams? My Power Steering Hose on the Power Steering Cooler Routing Carefully route the looped hose now attached to the cooler toward the power steering pump. The oil cooler will flow in either direction, there. Carefully route the looped hose now attached to the cooler toward the power steering pump. When mounting to ac condenser or radiator, foam. Properly setting up a power steering system can pay huge dividends in terms. Power Steering Cooler Routing.
From www.youtube.com
[Rebuilding the Power Steering Pump and Adding a Power Steering Cooler Power Steering Cooler Routing Properly setting up a power steering system can pay huge dividends in terms of system performance and longevity. Carefully route the looped hose now attached to the cooler toward the power steering pump. When mounting to ac condenser or radiator, foam. Cooler should be mounted at least 1 inch from fans and 6 inches from exhaust manifolds. I have a. Power Steering Cooler Routing.
From 4x4labs.myshopify.com
Power Steering Cooler kit 4X4LABS Power Steering Cooler Routing When mounting to ac condenser or radiator, foam. The oil cooler will flow in either direction, there is. The oil cooler will flow in either direction, there. Steering plumbing diagram without hydro boost. Properly setting up a power steering system can pay huge dividends in terms of system performance and longevity. Carefully route the looped hose now attached to the. Power Steering Cooler Routing.
From parts.lakelandford.com
Ford F350 Super Duty Power Steering Pump 7C3Z3A674CBRM Lakeland Power Steering Cooler Routing Carefully route the looped hose now attached to the cooler toward the power steering pump. I have the cooler between the steering gear and. We've put together a steering gear plumbing diagrams that show configurations with and without hydro boost components. Properly setting up a power steering system can pay huge dividends in terms of system performance and longevity. Luckily,. Power Steering Cooler Routing.
From wranglertjforum.com
Anyone have experience with power steering coolers? Page 2 Jeep Power Steering Cooler Routing Cooler should be mounted at least 1 inch from fans and 6 inches from exhaust manifolds. The oil cooler will flow in either direction, there. The oil cooler will flow in either direction, there is. I have a power steering cooler on 2 vehicles (one with hydroboost and one without). Carefully route the looped hose now attached to the cooler. Power Steering Cooler Routing.
From www.diyracecar.com
How to Add & Install a Power Steering Cooler on Any Rack and Pinion Power Steering Cooler Routing Cooler should be mounted at least 1 inch from fans and 6 inches from exhaust manifolds. Carefully route the looped hose now attached to the cooler toward the power steering pump. The oil cooler will flow in either direction, there is. The oil cooler will flow in either direction, there. Luckily, adding a cooler to a power steering system is. Power Steering Cooler Routing.
From www.carid.com
Power Steering Coolers, Cooling Lines & Components — Power Steering Cooler Routing We've put together a steering gear plumbing diagrams that show configurations with and without hydro boost components. The oil cooler will flow in either direction, there is. Properly setting up a power steering system can pay huge dividends in terms of system performance and longevity. I have the cooler between the steering gear and. Steering plumbing diagram without hydro boost.. Power Steering Cooler Routing.
From wiringdiagramkuku.z19.web.core.windows.net
Power Steering Cooler Diagram Power Steering Cooler Routing The oil cooler will flow in either direction, there. Luckily, adding a cooler to a power steering system is only a 3 step process and we will explain each one. Steering plumbing diagram without hydro boost. I have a power steering cooler on 2 vehicles (one with hydroboost and one without). The oil cooler will flow in either direction, there. Power Steering Cooler Routing.
From www.jeepforum.com
Power Steering Cooler Fittings and Hose Routing ?s Jeep Enthusiast Forums Power Steering Cooler Routing Carefully route the looped hose now attached to the cooler toward the power steering pump. Properly setting up a power steering system can pay huge dividends in terms of system performance and longevity. I have a power steering cooler on 2 vehicles (one with hydroboost and one without). The oil cooler will flow in either direction, there is. I have. Power Steering Cooler Routing.
From www.autozone.com
Repair Guides Steering Power Steering Pump Power Steering Cooler Routing Properly setting up a power steering system can pay huge dividends in terms of system performance and longevity. The oil cooler will flow in either direction, there. The oil cooler will flow in either direction, there is. Steering plumbing diagram without hydro boost. When mounting to ac condenser or radiator, foam. Carefully route the looped hose now attached to the. Power Steering Cooler Routing.
From www.moparpartsinc.com
2016 ram 3500 Cooler. Power steering. [front end parts module], [power Power Steering Cooler Routing Carefully route the looped hose now attached to the cooler toward the power steering pump. The oil cooler will flow in either direction, there is. Steering plumbing diagram without hydro boost. When mounting to ac condenser or radiator, foam. We've put together a steering gear plumbing diagrams that show configurations with and without hydro boost components. Luckily, adding a cooler. Power Steering Cooler Routing.