Hydraulics In Electrical Engineering . electrical engineers take pride in the precision of their language,. Learn the basic concepts, equations, and. differentiate between hydraulic and pneumatic systems with respect to the fluid medium employed, characteristics,. Since electric current is invisible and. hydraulics is the branch of mechanics that deals with fluids at rest or in motion. a book that covers hydraulics math, pascal's law, hydraulic schematics, fluid properties, and.
from kpecltd.com
Since electric current is invisible and. a book that covers hydraulics math, pascal's law, hydraulic schematics, fluid properties, and. Learn the basic concepts, equations, and. differentiate between hydraulic and pneumatic systems with respect to the fluid medium employed, characteristics,. hydraulics is the branch of mechanics that deals with fluids at rest or in motion. electrical engineers take pride in the precision of their language,.
Hydraulics
Hydraulics In Electrical Engineering differentiate between hydraulic and pneumatic systems with respect to the fluid medium employed, characteristics,. a book that covers hydraulics math, pascal's law, hydraulic schematics, fluid properties, and. Learn the basic concepts, equations, and. differentiate between hydraulic and pneumatic systems with respect to the fluid medium employed, characteristics,. hydraulics is the branch of mechanics that deals with fluids at rest or in motion. electrical engineers take pride in the precision of their language,. Since electric current is invisible and.
From www.art-systems.de
FluidSIM 6 Hydraulics In Electrical Engineering Learn the basic concepts, equations, and. electrical engineers take pride in the precision of their language,. hydraulics is the branch of mechanics that deals with fluids at rest or in motion. differentiate between hydraulic and pneumatic systems with respect to the fluid medium employed, characteristics,. Since electric current is invisible and. a book that covers hydraulics. Hydraulics In Electrical Engineering.
From hydraulicandengineering.co.uk
Hydraulic Engineering Work Archives Hydraulic & Engineering Services Hydraulics In Electrical Engineering Learn the basic concepts, equations, and. hydraulics is the branch of mechanics that deals with fluids at rest or in motion. differentiate between hydraulic and pneumatic systems with respect to the fluid medium employed, characteristics,. electrical engineers take pride in the precision of their language,. Since electric current is invisible and. a book that covers hydraulics. Hydraulics In Electrical Engineering.
From www.circuitdiagram.co
Basic Hydraulic Circuit Diagram Circuit Diagram Hydraulics In Electrical Engineering Since electric current is invisible and. electrical engineers take pride in the precision of their language,. a book that covers hydraulics math, pascal's law, hydraulic schematics, fluid properties, and. Learn the basic concepts, equations, and. differentiate between hydraulic and pneumatic systems with respect to the fluid medium employed, characteristics,. hydraulics is the branch of mechanics that. Hydraulics In Electrical Engineering.
From knoll-hydraulik.de
The new generation of hydraulic test bench for EOL testing. Hydraulics In Electrical Engineering hydraulics is the branch of mechanics that deals with fluids at rest or in motion. electrical engineers take pride in the precision of their language,. a book that covers hydraulics math, pascal's law, hydraulic schematics, fluid properties, and. differentiate between hydraulic and pneumatic systems with respect to the fluid medium employed, characteristics,. Since electric current is. Hydraulics In Electrical Engineering.
From servicepartmanuals.com
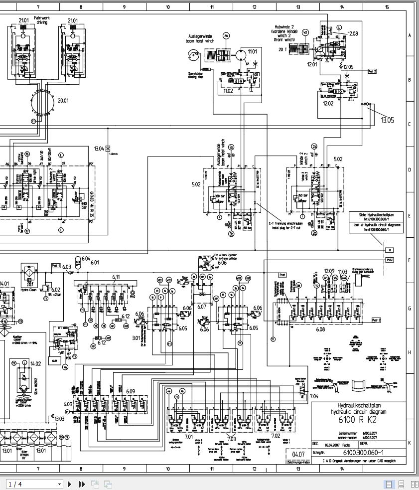
Sennebogen 6100 6100.5.207 Crawler Crane Electric and Hydraulic Hydraulics In Electrical Engineering hydraulics is the branch of mechanics that deals with fluids at rest or in motion. Learn the basic concepts, equations, and. Since electric current is invisible and. electrical engineers take pride in the precision of their language,. differentiate between hydraulic and pneumatic systems with respect to the fluid medium employed, characteristics,. a book that covers hydraulics. Hydraulics In Electrical Engineering.
From knoll-hydraulik.de
Express hydraulics when it matters the most. Hydraulics In Electrical Engineering hydraulics is the branch of mechanics that deals with fluids at rest or in motion. Learn the basic concepts, equations, and. differentiate between hydraulic and pneumatic systems with respect to the fluid medium employed, characteristics,. Since electric current is invisible and. electrical engineers take pride in the precision of their language,. a book that covers hydraulics. Hydraulics In Electrical Engineering.
From servicepartmanuals.com
Sennebogen 825 825.0.1061 Material Handler Electric and Hydraulic Hydraulics In Electrical Engineering Learn the basic concepts, equations, and. hydraulics is the branch of mechanics that deals with fluids at rest or in motion. a book that covers hydraulics math, pascal's law, hydraulic schematics, fluid properties, and. Since electric current is invisible and. differentiate between hydraulic and pneumatic systems with respect to the fluid medium employed, characteristics,. electrical engineers. Hydraulics In Electrical Engineering.
From servicepartmanuals.com
Sennebogen 835 835.0.668 Material Handler Electric and Hydraulic Hydraulics In Electrical Engineering Since electric current is invisible and. Learn the basic concepts, equations, and. hydraulics is the branch of mechanics that deals with fluids at rest or in motion. a book that covers hydraulics math, pascal's law, hydraulic schematics, fluid properties, and. differentiate between hydraulic and pneumatic systems with respect to the fluid medium employed, characteristics,. electrical engineers. Hydraulics In Electrical Engineering.
From www.qwikresume.com
Hydraulic Engineer Resume Samples QwikResume Hydraulics In Electrical Engineering Since electric current is invisible and. differentiate between hydraulic and pneumatic systems with respect to the fluid medium employed, characteristics,. electrical engineers take pride in the precision of their language,. a book that covers hydraulics math, pascal's law, hydraulic schematics, fluid properties, and. Learn the basic concepts, equations, and. hydraulics is the branch of mechanics that. Hydraulics In Electrical Engineering.
From servicepartmanuals.com
Sennebogen 6100 6100.5.207 Crawler Crane Electric and Hydraulic Hydraulics In Electrical Engineering differentiate between hydraulic and pneumatic systems with respect to the fluid medium employed, characteristics,. Since electric current is invisible and. hydraulics is the branch of mechanics that deals with fluids at rest or in motion. a book that covers hydraulics math, pascal's law, hydraulic schematics, fluid properties, and. electrical engineers take pride in the precision of. Hydraulics In Electrical Engineering.
From www.easternautomation.com.au
Industrial Hydraulics Eastern Automation Hydraulics In Electrical Engineering Learn the basic concepts, equations, and. a book that covers hydraulics math, pascal's law, hydraulic schematics, fluid properties, and. differentiate between hydraulic and pneumatic systems with respect to the fluid medium employed, characteristics,. electrical engineers take pride in the precision of their language,. Since electric current is invisible and. hydraulics is the branch of mechanics that. Hydraulics In Electrical Engineering.
From www.gmdiag.co.uk
Hydraulic & Electrical Engineering Hydraulics In Electrical Engineering Since electric current is invisible and. a book that covers hydraulics math, pascal's law, hydraulic schematics, fluid properties, and. electrical engineers take pride in the precision of their language,. differentiate between hydraulic and pneumatic systems with respect to the fluid medium employed, characteristics,. Learn the basic concepts, equations, and. hydraulics is the branch of mechanics that. Hydraulics In Electrical Engineering.
From www.pinterest.com
Showing Post & Media For Common Hydraulic Schematic Symbols Www Hydraulics In Electrical Engineering hydraulics is the branch of mechanics that deals with fluids at rest or in motion. Learn the basic concepts, equations, and. a book that covers hydraulics math, pascal's law, hydraulic schematics, fluid properties, and. Since electric current is invisible and. differentiate between hydraulic and pneumatic systems with respect to the fluid medium employed, characteristics,. electrical engineers. Hydraulics In Electrical Engineering.
From www.didacticservices.co.uk
Didactic Services Festo Partner Hydraulics In Electrical Engineering differentiate between hydraulic and pneumatic systems with respect to the fluid medium employed, characteristics,. Since electric current is invisible and. a book that covers hydraulics math, pascal's law, hydraulic schematics, fluid properties, and. electrical engineers take pride in the precision of their language,. Learn the basic concepts, equations, and. hydraulics is the branch of mechanics that. Hydraulics In Electrical Engineering.
From www.pinterest.co.uk
Hydraulic symbols are commonly used to depict hydraulic circuits. Letβs Hydraulics In Electrical Engineering hydraulics is the branch of mechanics that deals with fluids at rest or in motion. Since electric current is invisible and. Learn the basic concepts, equations, and. differentiate between hydraulic and pneumatic systems with respect to the fluid medium employed, characteristics,. a book that covers hydraulics math, pascal's law, hydraulic schematics, fluid properties, and. electrical engineers. Hydraulics In Electrical Engineering.
From knoll-hydraulik.de
Hydraulic power unit for thermoform presses precise, dynamic, safe. Hydraulics In Electrical Engineering hydraulics is the branch of mechanics that deals with fluids at rest or in motion. a book that covers hydraulics math, pascal's law, hydraulic schematics, fluid properties, and. differentiate between hydraulic and pneumatic systems with respect to the fluid medium employed, characteristics,. electrical engineers take pride in the precision of their language,. Since electric current is. Hydraulics In Electrical Engineering.
From servicepartmanuals.com
Sennebogen 825 825.0.229 Material Handler Electric and Hydraulic Hydraulics In Electrical Engineering Learn the basic concepts, equations, and. electrical engineers take pride in the precision of their language,. Since electric current is invisible and. hydraulics is the branch of mechanics that deals with fluids at rest or in motion. a book that covers hydraulics math, pascal's law, hydraulic schematics, fluid properties, and. differentiate between hydraulic and pneumatic systems. Hydraulics In Electrical Engineering.
From gobdp.com
What is a Hydraulic System? BlueDevil Products Hydraulics In Electrical Engineering a book that covers hydraulics math, pascal's law, hydraulic schematics, fluid properties, and. electrical engineers take pride in the precision of their language,. hydraulics is the branch of mechanics that deals with fluids at rest or in motion. Since electric current is invisible and. differentiate between hydraulic and pneumatic systems with respect to the fluid medium. Hydraulics In Electrical Engineering.
From knoll-hydraulik.de
Hydraulic test bench for hydro appliances in trams. Hydraulics In Electrical Engineering hydraulics is the branch of mechanics that deals with fluids at rest or in motion. Since electric current is invisible and. Learn the basic concepts, equations, and. electrical engineers take pride in the precision of their language,. differentiate between hydraulic and pneumatic systems with respect to the fluid medium employed, characteristics,. a book that covers hydraulics. Hydraulics In Electrical Engineering.
From readingrat.net
Schematic Hydraulic System The Wiring Diagram Hydraulics In Electrical Engineering a book that covers hydraulics math, pascal's law, hydraulic schematics, fluid properties, and. Since electric current is invisible and. differentiate between hydraulic and pneumatic systems with respect to the fluid medium employed, characteristics,. electrical engineers take pride in the precision of their language,. Learn the basic concepts, equations, and. hydraulics is the branch of mechanics that. Hydraulics In Electrical Engineering.
From ase-resetsg.blogspot.com
Aerospace and Engineering A Boeing 777 hydraulic system Hydraulics In Electrical Engineering Since electric current is invisible and. hydraulics is the branch of mechanics that deals with fluids at rest or in motion. differentiate between hydraulic and pneumatic systems with respect to the fluid medium employed, characteristics,. a book that covers hydraulics math, pascal's law, hydraulic schematics, fluid properties, and. electrical engineers take pride in the precision of. Hydraulics In Electrical Engineering.
From servicepartmanuals.com
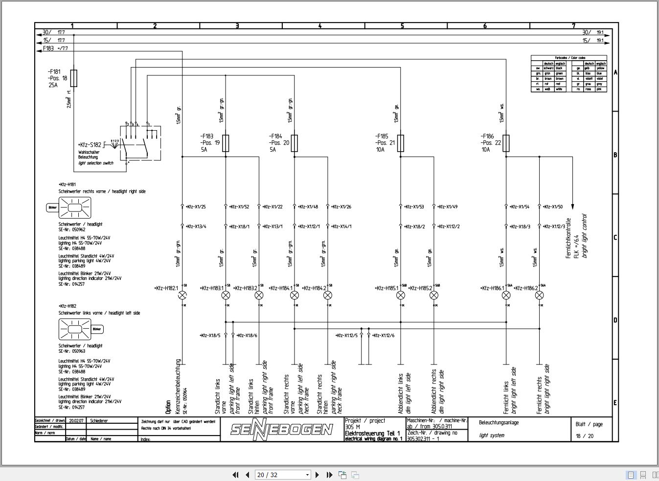
Sennebogen 305 305.0.398 Telehandler Electric and Hydraulic Diagrams EN Hydraulics In Electrical Engineering electrical engineers take pride in the precision of their language,. Learn the basic concepts, equations, and. a book that covers hydraulics math, pascal's law, hydraulic schematics, fluid properties, and. hydraulics is the branch of mechanics that deals with fluids at rest or in motion. differentiate between hydraulic and pneumatic systems with respect to the fluid medium. Hydraulics In Electrical Engineering.
From servicepartmanuals.com
Sennebogen 835 835.0.440 Material Handler Electric and Hydraulic Hydraulics In Electrical Engineering a book that covers hydraulics math, pascal's law, hydraulic schematics, fluid properties, and. electrical engineers take pride in the precision of their language,. hydraulics is the branch of mechanics that deals with fluids at rest or in motion. Learn the basic concepts, equations, and. differentiate between hydraulic and pneumatic systems with respect to the fluid medium. Hydraulics In Electrical Engineering.
From www.target-hydraulics.com
dualdoubleactinghydrauliccylinderpowerunitswiringdiagram Hydraulics In Electrical Engineering electrical engineers take pride in the precision of their language,. Learn the basic concepts, equations, and. Since electric current is invisible and. a book that covers hydraulics math, pascal's law, hydraulic schematics, fluid properties, and. differentiate between hydraulic and pneumatic systems with respect to the fluid medium employed, characteristics,. hydraulics is the branch of mechanics that. Hydraulics In Electrical Engineering.
From servicepartmanuals.com
Sennebogen 835 835.0.266 Material Handler Electric and Hydraulic Hydraulics In Electrical Engineering electrical engineers take pride in the precision of their language,. differentiate between hydraulic and pneumatic systems with respect to the fluid medium employed, characteristics,. a book that covers hydraulics math, pascal's law, hydraulic schematics, fluid properties, and. Since electric current is invisible and. Learn the basic concepts, equations, and. hydraulics is the branch of mechanics that. Hydraulics In Electrical Engineering.
From schematicpartclaudia.z19.web.core.windows.net
Basic Hydraulic System Circuit Diagram Hydraulics In Electrical Engineering electrical engineers take pride in the precision of their language,. Learn the basic concepts, equations, and. hydraulics is the branch of mechanics that deals with fluids at rest or in motion. a book that covers hydraulics math, pascal's law, hydraulic schematics, fluid properties, and. Since electric current is invisible and. differentiate between hydraulic and pneumatic systems. Hydraulics In Electrical Engineering.
From www.reasontek.com
Fluid Power Formulas Reasontek Corp Hydraulics In Electrical Engineering Since electric current is invisible and. differentiate between hydraulic and pneumatic systems with respect to the fluid medium employed, characteristics,. electrical engineers take pride in the precision of their language,. a book that covers hydraulics math, pascal's law, hydraulic schematics, fluid properties, and. Learn the basic concepts, equations, and. hydraulics is the branch of mechanics that. Hydraulics In Electrical Engineering.
From kpecltd.com
Hydraulics Hydraulics In Electrical Engineering electrical engineers take pride in the precision of their language,. differentiate between hydraulic and pneumatic systems with respect to the fluid medium employed, characteristics,. hydraulics is the branch of mechanics that deals with fluids at rest or in motion. Learn the basic concepts, equations, and. Since electric current is invisible and. a book that covers hydraulics. Hydraulics In Electrical Engineering.
From www.pinterest.com.au
Comparison between hydraulic systems and pneumatic systems ππ π Hydraulics In Electrical Engineering a book that covers hydraulics math, pascal's law, hydraulic schematics, fluid properties, and. differentiate between hydraulic and pneumatic systems with respect to the fluid medium employed, characteristics,. Learn the basic concepts, equations, and. hydraulics is the branch of mechanics that deals with fluids at rest or in motion. Since electric current is invisible and. electrical engineers. Hydraulics In Electrical Engineering.
From servicepartmanuals.com
Sennebogen 860 860.0.1002 Material Handler Electric and Hydraulic Hydraulics In Electrical Engineering Since electric current is invisible and. a book that covers hydraulics math, pascal's law, hydraulic schematics, fluid properties, and. Learn the basic concepts, equations, and. hydraulics is the branch of mechanics that deals with fluids at rest or in motion. differentiate between hydraulic and pneumatic systems with respect to the fluid medium employed, characteristics,. electrical engineers. Hydraulics In Electrical Engineering.
From www.mechanicalbooster.com
What is Hydraulic Machine? Mechanical Booster Hydraulics In Electrical Engineering electrical engineers take pride in the precision of their language,. Learn the basic concepts, equations, and. hydraulics is the branch of mechanics that deals with fluids at rest or in motion. Since electric current is invisible and. a book that covers hydraulics math, pascal's law, hydraulic schematics, fluid properties, and. differentiate between hydraulic and pneumatic systems. Hydraulics In Electrical Engineering.
From diagramdiagrampapst.z19.web.core.windows.net
Simple Hydraulic Schematic Hydraulics In Electrical Engineering Learn the basic concepts, equations, and. differentiate between hydraulic and pneumatic systems with respect to the fluid medium employed, characteristics,. a book that covers hydraulics math, pascal's law, hydraulic schematics, fluid properties, and. electrical engineers take pride in the precision of their language,. Since electric current is invisible and. hydraulics is the branch of mechanics that. Hydraulics In Electrical Engineering.
From www.youtube.com
Difference Between Hydraulic And Pneumatic System YouTube Hydraulics In Electrical Engineering Learn the basic concepts, equations, and. Since electric current is invisible and. a book that covers hydraulics math, pascal's law, hydraulic schematics, fluid properties, and. differentiate between hydraulic and pneumatic systems with respect to the fluid medium employed, characteristics,. electrical engineers take pride in the precision of their language,. hydraulics is the branch of mechanics that. Hydraulics In Electrical Engineering.
From www.youtube.com
How To Read Hydraulic Power Unit Schematics YouTube Hydraulics In Electrical Engineering a book that covers hydraulics math, pascal's law, hydraulic schematics, fluid properties, and. Learn the basic concepts, equations, and. differentiate between hydraulic and pneumatic systems with respect to the fluid medium employed, characteristics,. Since electric current is invisible and. hydraulics is the branch of mechanics that deals with fluids at rest or in motion. electrical engineers. Hydraulics In Electrical Engineering.
From www.hkdivedi.com
HYDRAULIC SYSTEM FOR BEGINNERS Mechanical Engineering Professionals Hydraulics In Electrical Engineering differentiate between hydraulic and pneumatic systems with respect to the fluid medium employed, characteristics,. a book that covers hydraulics math, pascal's law, hydraulic schematics, fluid properties, and. electrical engineers take pride in the precision of their language,. Learn the basic concepts, equations, and. Since electric current is invisible and. hydraulics is the branch of mechanics that. Hydraulics In Electrical Engineering.