Dewalt Impact Wrench Instructions . 20v max compact impact wrench. 1/2'' (13 mm) 20v max* cordless impact wrench. you can download a manual, parts list or diagrams through our dedicated website www.toolservicenet.com. view and download dewalt dcf899 instruction manual online. Dcf921 impact driver pdf manual download. this impact wrench is designed for professional impact fastening and drilling applications. 20v max* 1/2'' high torque impact wrench. this impact wrench is designed for professional impact fastening and drilling applications. view and download dewalt dcf921 instruction manual online. view and download dewalt dcf900 instruction manual online. 20v max* 1/4 (6.35 mm) brushless cordless impact driver. the industry's highest rated max torque cordless 1/2 impact wrench** delivers up to 28% more torque*** when using xr powerstack™ (sold separately), making.
from www.jackssmallengines.com
view and download dewalt dcf899 instruction manual online. 20v max* 1/2'' high torque impact wrench. the industry's highest rated max torque cordless 1/2 impact wrench** delivers up to 28% more torque*** when using xr powerstack™ (sold separately), making. view and download dewalt dcf921 instruction manual online. you can download a manual, parts list or diagrams through our dedicated website www.toolservicenet.com. 20v max compact impact wrench. Dcf921 impact driver pdf manual download. this impact wrench is designed for professional impact fastening and drilling applications. view and download dewalt dcf900 instruction manual online. 20v max* 1/4 (6.35 mm) brushless cordless impact driver.
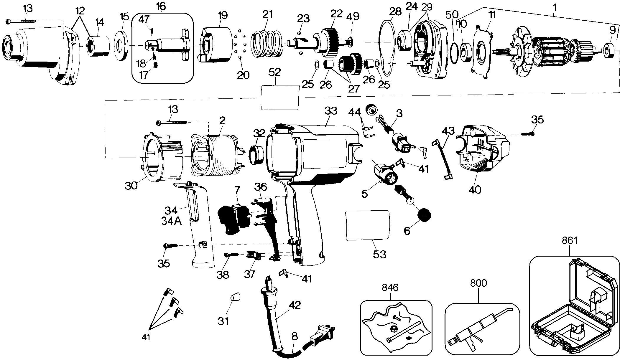
Dewalt DCF813S2 TYPE 3 Parts Diagram for IMPACT WRENCH
Dewalt Impact Wrench Instructions view and download dewalt dcf921 instruction manual online. this impact wrench is designed for professional impact fastening and drilling applications. view and download dewalt dcf900 instruction manual online. view and download dewalt dcf899 instruction manual online. this impact wrench is designed for professional impact fastening and drilling applications. 20v max* 1/2'' high torque impact wrench. 20v max* 1/4 (6.35 mm) brushless cordless impact driver. 20v max compact impact wrench. you can download a manual, parts list or diagrams through our dedicated website www.toolservicenet.com. Dcf921 impact driver pdf manual download. 1/2'' (13 mm) 20v max* cordless impact wrench. the industry's highest rated max torque cordless 1/2 impact wrench** delivers up to 28% more torque*** when using xr powerstack™ (sold separately), making. view and download dewalt dcf921 instruction manual online.
From device.report
DEWALT DCF899 Impact Wrench Instructions Dewalt Impact Wrench Instructions view and download dewalt dcf900 instruction manual online. view and download dewalt dcf921 instruction manual online. 1/2'' (13 mm) 20v max* cordless impact wrench. Dcf921 impact driver pdf manual download. 20v max* 1/4 (6.35 mm) brushless cordless impact driver. the industry's highest rated max torque cordless 1/2 impact wrench** delivers up to 28% more torque*** when using. Dewalt Impact Wrench Instructions.
From www.homedepot.com
Have a question about DEWALT 1/2 in. (13 mm) Impact Wrench with Detent Dewalt Impact Wrench Instructions 20v max compact impact wrench. Dcf921 impact driver pdf manual download. 20v max* 1/4 (6.35 mm) brushless cordless impact driver. view and download dewalt dcf899 instruction manual online. 20v max* 1/2'' high torque impact wrench. you can download a manual, parts list or diagrams through our dedicated website www.toolservicenet.com. view and download dewalt dcf900 instruction manual online.. Dewalt Impact Wrench Instructions.
From www.wonkeedonkeetools.co.uk
Introduction To DeWalt Impact Wrenches Wonkee Donkee Tools Dewalt Impact Wrench Instructions you can download a manual, parts list or diagrams through our dedicated website www.toolservicenet.com. this impact wrench is designed for professional impact fastening and drilling applications. view and download dewalt dcf921 instruction manual online. this impact wrench is designed for professional impact fastening and drilling applications. 1/2'' (13 mm) 20v max* cordless impact wrench. view. Dewalt Impact Wrench Instructions.
From www.homedepot.com
DEWALT 20V MAX LithiumIon Brushless Cordless 1/2 in. High Torque Dewalt Impact Wrench Instructions 20v max* 1/4 (6.35 mm) brushless cordless impact driver. this impact wrench is designed for professional impact fastening and drilling applications. you can download a manual, parts list or diagrams through our dedicated website www.toolservicenet.com. the industry's highest rated max torque cordless 1/2 impact wrench** delivers up to 28% more torque*** when using xr powerstack™ (sold separately),. Dewalt Impact Wrench Instructions.
From www.atlas-machinery.com
DEWALT DEWDCF900B 20V MAX XR 1/2in High Torque Impact Wrench Bare Tool Dewalt Impact Wrench Instructions the industry's highest rated max torque cordless 1/2 impact wrench** delivers up to 28% more torque*** when using xr powerstack™ (sold separately), making. 20v max* 1/4 (6.35 mm) brushless cordless impact driver. 1/2'' (13 mm) 20v max* cordless impact wrench. this impact wrench is designed for professional impact fastening and drilling applications. 20v max* 1/2'' high torque impact. Dewalt Impact Wrench Instructions.
From manuals.plus
DEWALT DCF901 12V Max 1/2Inch Impact Impact Wrench Manual Libukana+ Dewalt Impact Wrench Instructions view and download dewalt dcf900 instruction manual online. Dcf921 impact driver pdf manual download. the industry's highest rated max torque cordless 1/2 impact wrench** delivers up to 28% more torque*** when using xr powerstack™ (sold separately), making. 1/2'' (13 mm) 20v max* cordless impact wrench. 20v max compact impact wrench. 20v max* 1/4 (6.35 mm) brushless cordless impact. Dewalt Impact Wrench Instructions.
From toolsinaction.com
Dewalt Cordless Impact Wrench Review Tools in Action Dewalt Impact Wrench Instructions 20v max compact impact wrench. view and download dewalt dcf900 instruction manual online. 20v max* 1/2'' high torque impact wrench. Dcf921 impact driver pdf manual download. 20v max* 1/4 (6.35 mm) brushless cordless impact driver. you can download a manual, parts list or diagrams through our dedicated website www.toolservicenet.com. the industry's highest rated max torque cordless 1/2. Dewalt Impact Wrench Instructions.
From manuals.plus
DEWALT DCF899 Impact Wrench Instructions Dewalt Impact Wrench Instructions view and download dewalt dcf900 instruction manual online. view and download dewalt dcf921 instruction manual online. this impact wrench is designed for professional impact fastening and drilling applications. 20v max compact impact wrench. 1/2'' (13 mm) 20v max* cordless impact wrench. Dcf921 impact driver pdf manual download. this impact wrench is designed for professional impact fastening. Dewalt Impact Wrench Instructions.
From manuals.plus
DEWALT DCF923 18v XR Cordless Brushless 38 Inch Compact Impact Wrench Dewalt Impact Wrench Instructions 20v max* 1/2'' high torque impact wrench. view and download dewalt dcf921 instruction manual online. 1/2'' (13 mm) 20v max* cordless impact wrench. view and download dewalt dcf900 instruction manual online. 20v max* 1/4 (6.35 mm) brushless cordless impact driver. this impact wrench is designed for professional impact fastening and drilling applications. Dcf921 impact driver pdf manual. Dewalt Impact Wrench Instructions.
From einvoice.fpt.com.vn
DEWALT DCF899 Impact Wrench Instructions, 43 OFF Dewalt Impact Wrench Instructions Dcf921 impact driver pdf manual download. view and download dewalt dcf921 instruction manual online. you can download a manual, parts list or diagrams through our dedicated website www.toolservicenet.com. view and download dewalt dcf899 instruction manual online. view and download dewalt dcf900 instruction manual online. 20v max* 1/2'' high torque impact wrench. this impact wrench is. Dewalt Impact Wrench Instructions.
From www.youtube.com
Dewalt 3/8 inch 12V impact wrench YouTube Dewalt Impact Wrench Instructions 20v max* 1/2'' high torque impact wrench. view and download dewalt dcf900 instruction manual online. the industry's highest rated max torque cordless 1/2 impact wrench** delivers up to 28% more torque*** when using xr powerstack™ (sold separately), making. 1/2'' (13 mm) 20v max* cordless impact wrench. this impact wrench is designed for professional impact fastening and drilling. Dewalt Impact Wrench Instructions.
From www.aabtools.com
Impact Wrenches Dewalt Impact Wrenches AABTools Dewalt Impact Wrench Instructions 1/2'' (13 mm) 20v max* cordless impact wrench. view and download dewalt dcf899 instruction manual online. the industry's highest rated max torque cordless 1/2 impact wrench** delivers up to 28% more torque*** when using xr powerstack™ (sold separately), making. you can download a manual, parts list or diagrams through our dedicated website www.toolservicenet.com. Dcf921 impact driver pdf. Dewalt Impact Wrench Instructions.
From www.grainger.com
DEWALT Impact Wrench 1/2 in Square Drive Size, 700 ftlb Fastening Dewalt Impact Wrench Instructions 20v max compact impact wrench. you can download a manual, parts list or diagrams through our dedicated website www.toolservicenet.com. Dcf921 impact driver pdf manual download. this impact wrench is designed for professional impact fastening and drilling applications. 20v max* 1/2'' high torque impact wrench. view and download dewalt dcf899 instruction manual online. 1/2'' (13 mm) 20v max*. Dewalt Impact Wrench Instructions.
From www.jackssmallengines.com
Dewalt DCF898P2 (Type 3) Parts Diagram for IMPACT WRENCH Dewalt Impact Wrench Instructions you can download a manual, parts list or diagrams through our dedicated website www.toolservicenet.com. the industry's highest rated max torque cordless 1/2 impact wrench** delivers up to 28% more torque*** when using xr powerstack™ (sold separately), making. view and download dewalt dcf899 instruction manual online. 1/2'' (13 mm) 20v max* cordless impact wrench. this impact wrench. Dewalt Impact Wrench Instructions.
From www.youtube.com
DeWALT DCF921 Impact Wrench Unboxing, Instructions and Test YouTube Dewalt Impact Wrench Instructions this impact wrench is designed for professional impact fastening and drilling applications. view and download dewalt dcf900 instruction manual online. Dcf921 impact driver pdf manual download. this impact wrench is designed for professional impact fastening and drilling applications. 1/2'' (13 mm) 20v max* cordless impact wrench. 20v max* 1/2'' high torque impact wrench. view and download. Dewalt Impact Wrench Instructions.
From www.toolservicenet.com
DW290K IMPACT WRENCHES SCREWDRVING Dewalt null B2B Dewalt Impact Wrench Instructions view and download dewalt dcf900 instruction manual online. 20v max* 1/4 (6.35 mm) brushless cordless impact driver. 20v max compact impact wrench. this impact wrench is designed for professional impact fastening and drilling applications. view and download dewalt dcf899 instruction manual online. you can download a manual, parts list or diagrams through our dedicated website www.toolservicenet.com.. Dewalt Impact Wrench Instructions.
From www.jackssmallengines.com
Dewalt DCF813S2 TYPE 3 Parts Diagram for IMPACT WRENCH Dewalt Impact Wrench Instructions view and download dewalt dcf900 instruction manual online. view and download dewalt dcf899 instruction manual online. Dcf921 impact driver pdf manual download. 1/2'' (13 mm) 20v max* cordless impact wrench. this impact wrench is designed for professional impact fastening and drilling applications. this impact wrench is designed for professional impact fastening and drilling applications. 20v max*. Dewalt Impact Wrench Instructions.
From device.report
DEWALT DCF901 Cordless Impact Wrench Instructions Dewalt Impact Wrench Instructions view and download dewalt dcf921 instruction manual online. 20v max* 1/2'' high torque impact wrench. 20v max compact impact wrench. Dcf921 impact driver pdf manual download. view and download dewalt dcf900 instruction manual online. view and download dewalt dcf899 instruction manual online. 20v max* 1/4 (6.35 mm) brushless cordless impact driver. the industry's highest rated max. Dewalt Impact Wrench Instructions.
From styves.co.za
Dewalt Impact Wrench The Ultimate Guide For Power Tool Enthusiasts Dewalt Impact Wrench Instructions view and download dewalt dcf900 instruction manual online. Dcf921 impact driver pdf manual download. this impact wrench is designed for professional impact fastening and drilling applications. 20v max compact impact wrench. the industry's highest rated max torque cordless 1/2 impact wrench** delivers up to 28% more torque*** when using xr powerstack™ (sold separately), making. 1/2'' (13 mm). Dewalt Impact Wrench Instructions.
From nationalpowertools.com.au
BRAND NEW DEWALT CORDLESS IMPACT WRENCH 18V/20V 3/8" DCF883 National Dewalt Impact Wrench Instructions this impact wrench is designed for professional impact fastening and drilling applications. 20v max* 1/4 (6.35 mm) brushless cordless impact driver. view and download dewalt dcf921 instruction manual online. 1/2'' (13 mm) 20v max* cordless impact wrench. 20v max compact impact wrench. 20v max* 1/2'' high torque impact wrench. view and download dewalt dcf900 instruction manual online.. Dewalt Impact Wrench Instructions.
From cordlessandportables.com
Discover Dewalt Impact Wrench Revolutionize Your Workspace Dewalt Impact Wrench Instructions Dcf921 impact driver pdf manual download. 20v max* 1/4 (6.35 mm) brushless cordless impact driver. view and download dewalt dcf900 instruction manual online. the industry's highest rated max torque cordless 1/2 impact wrench** delivers up to 28% more torque*** when using xr powerstack™ (sold separately), making. this impact wrench is designed for professional impact fastening and drilling. Dewalt Impact Wrench Instructions.
From device.report
DEWALT DCF901 Cordless Impact Wrench Instructions Dewalt Impact Wrench Instructions 1/2'' (13 mm) 20v max* cordless impact wrench. 20v max* 1/4 (6.35 mm) brushless cordless impact driver. view and download dewalt dcf899 instruction manual online. view and download dewalt dcf921 instruction manual online. this impact wrench is designed for professional impact fastening and drilling applications. you can download a manual, parts list or diagrams through our. Dewalt Impact Wrench Instructions.
From manuals.plus
20V MAX XR 12 in. MidRange Impact Wrench Kit with Hog Ring Anvil Dewalt Impact Wrench Instructions 20v max* 1/4 (6.35 mm) brushless cordless impact driver. Dcf921 impact driver pdf manual download. 20v max compact impact wrench. 20v max* 1/2'' high torque impact wrench. view and download dewalt dcf921 instruction manual online. 1/2'' (13 mm) 20v max* cordless impact wrench. the industry's highest rated max torque cordless 1/2 impact wrench** delivers up to 28% more. Dewalt Impact Wrench Instructions.
From device.report
DEWALT DCF899 Impact Wrench Instructions Dewalt Impact Wrench Instructions view and download dewalt dcf900 instruction manual online. Dcf921 impact driver pdf manual download. this impact wrench is designed for professional impact fastening and drilling applications. view and download dewalt dcf899 instruction manual online. view and download dewalt dcf921 instruction manual online. the industry's highest rated max torque cordless 1/2 impact wrench** delivers up to. Dewalt Impact Wrench Instructions.
From device.report
DEWALT DCF899 Impact Wrench Instructions Dewalt Impact Wrench Instructions 20v max compact impact wrench. this impact wrench is designed for professional impact fastening and drilling applications. 20v max* 1/2'' high torque impact wrench. 20v max* 1/4 (6.35 mm) brushless cordless impact driver. view and download dewalt dcf899 instruction manual online. view and download dewalt dcf921 instruction manual online. Dcf921 impact driver pdf manual download. view. Dewalt Impact Wrench Instructions.
From device.report
DEWALT DCF897NXJ XR Brushless 34 Compact High Torque Impact Wrench Dewalt Impact Wrench Instructions this impact wrench is designed for professional impact fastening and drilling applications. 20v max compact impact wrench. you can download a manual, parts list or diagrams through our dedicated website www.toolservicenet.com. this impact wrench is designed for professional impact fastening and drilling applications. 1/2'' (13 mm) 20v max* cordless impact wrench. view and download dewalt dcf900. Dewalt Impact Wrench Instructions.
From device.report
DEWALT DCF899 Impact Wrench Instructions Dewalt Impact Wrench Instructions 20v max* 1/4 (6.35 mm) brushless cordless impact driver. view and download dewalt dcf899 instruction manual online. view and download dewalt dcf900 instruction manual online. view and download dewalt dcf921 instruction manual online. 20v max* 1/2'' high torque impact wrench. you can download a manual, parts list or diagrams through our dedicated website www.toolservicenet.com. 1/2'' (13. Dewalt Impact Wrench Instructions.
From manuals.plus
DEWALT DCF911 20V Max Impact Wrench Instruction Manual Manuals+ Dewalt Impact Wrench Instructions 1/2'' (13 mm) 20v max* cordless impact wrench. 20v max* 1/2'' high torque impact wrench. view and download dewalt dcf921 instruction manual online. 20v max* 1/4 (6.35 mm) brushless cordless impact driver. this impact wrench is designed for professional impact fastening and drilling applications. the industry's highest rated max torque cordless 1/2 impact wrench** delivers up to. Dewalt Impact Wrench Instructions.
From www.thedrive.com
Here's How to Use an Impact Wrench The Drive Dewalt Impact Wrench Instructions you can download a manual, parts list or diagrams through our dedicated website www.toolservicenet.com. 20v max* 1/4 (6.35 mm) brushless cordless impact driver. the industry's highest rated max torque cordless 1/2 impact wrench** delivers up to 28% more torque*** when using xr powerstack™ (sold separately), making. Dcf921 impact driver pdf manual download. 20v max compact impact wrench. . Dewalt Impact Wrench Instructions.
From toolsinaction.com
Dewalt Cordless Impact Wrench Review Tools in Action Dewalt Impact Wrench Instructions view and download dewalt dcf900 instruction manual online. 20v max* 1/2'' high torque impact wrench. the industry's highest rated max torque cordless 1/2 impact wrench** delivers up to 28% more torque*** when using xr powerstack™ (sold separately), making. you can download a manual, parts list or diagrams through our dedicated website www.toolservicenet.com. 1/2'' (13 mm) 20v max*. Dewalt Impact Wrench Instructions.
From www.youtube.com
NEW IMPACT WRENCH DEWALT DCF 892 !! GINI KEMAMPUAN NYA YouTube Dewalt Impact Wrench Instructions 1/2'' (13 mm) 20v max* cordless impact wrench. Dcf921 impact driver pdf manual download. 20v max compact impact wrench. view and download dewalt dcf921 instruction manual online. view and download dewalt dcf899 instruction manual online. the industry's highest rated max torque cordless 1/2 impact wrench** delivers up to 28% more torque*** when using xr powerstack™ (sold separately),. Dewalt Impact Wrench Instructions.
From styves.co.za
Dewalt Impact Wrench The Ultimate Guide For Power Tool Enthusiasts Dewalt Impact Wrench Instructions 20v max* 1/4 (6.35 mm) brushless cordless impact driver. 20v max compact impact wrench. view and download dewalt dcf899 instruction manual online. view and download dewalt dcf900 instruction manual online. this impact wrench is designed for professional impact fastening and drilling applications. view and download dewalt dcf921 instruction manual online. 20v max* 1/2'' high torque impact. Dewalt Impact Wrench Instructions.
From wrenchguru.com
DeWALT Cordless Impact Wrenches A Comprehensive Look WG Dewalt Impact Wrench Instructions view and download dewalt dcf899 instruction manual online. view and download dewalt dcf921 instruction manual online. this impact wrench is designed for professional impact fastening and drilling applications. 1/2'' (13 mm) 20v max* cordless impact wrench. 20v max* 1/4 (6.35 mm) brushless cordless impact driver. Dcf921 impact driver pdf manual download. 20v max* 1/2'' high torque impact. Dewalt Impact Wrench Instructions.
From device.report
DEWALT DCF901 Cordless Impact Wrench Instructions Dewalt Impact Wrench Instructions this impact wrench is designed for professional impact fastening and drilling applications. this impact wrench is designed for professional impact fastening and drilling applications. 20v max* 1/2'' high torque impact wrench. 20v max* 1/4 (6.35 mm) brushless cordless impact driver. you can download a manual, parts list or diagrams through our dedicated website www.toolservicenet.com. 20v max compact. Dewalt Impact Wrench Instructions.
From einvoice.fpt.com.vn
DEWALT DCF899 Impact Wrench Instructions, 43 OFF Dewalt Impact Wrench Instructions view and download dewalt dcf900 instruction manual online. view and download dewalt dcf899 instruction manual online. the industry's highest rated max torque cordless 1/2 impact wrench** delivers up to 28% more torque*** when using xr powerstack™ (sold separately), making. you can download a manual, parts list or diagrams through our dedicated website www.toolservicenet.com. view and. Dewalt Impact Wrench Instructions.