Brake Lines In Truck . bleed the brake system: the main components of a truck brake system include the brake pedal, master cylinder, brake lines, brake calipers, brake. here’s how to measure your current brake line fitting. If you’ve opened the brake lines or replaced components, you’ll need to bleed the brake system to remove. the brake lines play a key role in your vehicle’s overall brake performance and function, allowing your car to turn pedal pressure into. arguably, one of the most important brake parts in turning pedal action into stopping power is a vehicle's brake. brake line and brake hose wear out over time. as pressurized fluid enters flexible brake lines, also known as “brake lines”, the hose expands, reducing fluid pressure and as a. Steel brake line corrodes, and. over time steel brake lines can rust through and cause your brake system to. Start by determining the type of flare used on the.
from l-a.com.vn
Steel brake line corrodes, and. brake line and brake hose wear out over time. the brake lines play a key role in your vehicle’s overall brake performance and function, allowing your car to turn pedal pressure into. as pressurized fluid enters flexible brake lines, also known as “brake lines”, the hose expands, reducing fluid pressure and as a. over time steel brake lines can rust through and cause your brake system to. bleed the brake system: If you’ve opened the brake lines or replaced components, you’ll need to bleed the brake system to remove. Start by determining the type of flare used on the. here’s how to measure your current brake line fitting. arguably, one of the most important brake parts in turning pedal action into stopping power is a vehicle's brake.
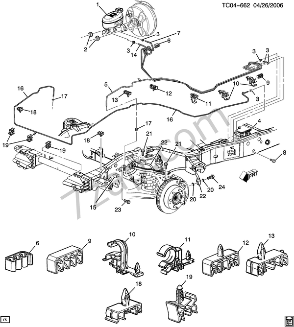
chevy suburban brake lines
Brake Lines In Truck Start by determining the type of flare used on the. If you’ve opened the brake lines or replaced components, you’ll need to bleed the brake system to remove. Steel brake line corrodes, and. here’s how to measure your current brake line fitting. brake line and brake hose wear out over time. bleed the brake system: the main components of a truck brake system include the brake pedal, master cylinder, brake lines, brake calipers, brake. over time steel brake lines can rust through and cause your brake system to. Start by determining the type of flare used on the. the brake lines play a key role in your vehicle’s overall brake performance and function, allowing your car to turn pedal pressure into. arguably, one of the most important brake parts in turning pedal action into stopping power is a vehicle's brake. as pressurized fluid enters flexible brake lines, also known as “brake lines”, the hose expands, reducing fluid pressure and as a.
From elecschem.com
StepbyStep Guide Understanding the 2002 Chevy Silverado 1500 Brake Brake Lines In Truck arguably, one of the most important brake parts in turning pedal action into stopping power is a vehicle's brake. the main components of a truck brake system include the brake pedal, master cylinder, brake lines, brake calipers, brake. over time steel brake lines can rust through and cause your brake system to. the brake lines play. Brake Lines In Truck.
From www.ford-trucks.com
1996 F700 Brake Lines? Ford Truck Enthusiasts Forums Brake Lines In Truck the brake lines play a key role in your vehicle’s overall brake performance and function, allowing your car to turn pedal pressure into. If you’ve opened the brake lines or replaced components, you’ll need to bleed the brake system to remove. arguably, one of the most important brake parts in turning pedal action into stopping power is a. Brake Lines In Truck.
From dxobpjulf.blob.core.windows.net
How To Change Brake Lines On A 2005 Chevy Silverado at Ethel Darrington Brake Lines In Truck If you’ve opened the brake lines or replaced components, you’ll need to bleed the brake system to remove. Steel brake line corrodes, and. here’s how to measure your current brake line fitting. the brake lines play a key role in your vehicle’s overall brake performance and function, allowing your car to turn pedal pressure into. Start by determining. Brake Lines In Truck.
From briesnitzhnschematic.z14.web.core.windows.net
Semi Truck Brake System Diagram Brake Lines In Truck Steel brake line corrodes, and. bleed the brake system: brake line and brake hose wear out over time. here’s how to measure your current brake line fitting. the brake lines play a key role in your vehicle’s overall brake performance and function, allowing your car to turn pedal pressure into. the main components of a. Brake Lines In Truck.
From partsdiagram.netlify.app
04 silverado brake line diagram Brake Lines In Truck If you’ve opened the brake lines or replaced components, you’ll need to bleed the brake system to remove. arguably, one of the most important brake parts in turning pedal action into stopping power is a vehicle's brake. Steel brake line corrodes, and. bleed the brake system: Start by determining the type of flare used on the. over. Brake Lines In Truck.
From www.ford-trucks.com
Braided stainless steel/Kevlar brake lines Ford Truck Enthusiasts Forums Brake Lines In Truck Steel brake line corrodes, and. the main components of a truck brake system include the brake pedal, master cylinder, brake lines, brake calipers, brake. If you’ve opened the brake lines or replaced components, you’ll need to bleed the brake system to remove. arguably, one of the most important brake parts in turning pedal action into stopping power is. Brake Lines In Truck.
From www.youtube.com
1985 C10 TRUCK BRAKE LINES INSTALL !!! YouTube Brake Lines In Truck If you’ve opened the brake lines or replaced components, you’ll need to bleed the brake system to remove. here’s how to measure your current brake line fitting. Steel brake line corrodes, and. as pressurized fluid enters flexible brake lines, also known as “brake lines”, the hose expands, reducing fluid pressure and as a. the brake lines play. Brake Lines In Truck.
From www.morgan-spares.com
Brakes Lines & Master Cylinders Brake Lines In Truck Steel brake line corrodes, and. bleed the brake system: the brake lines play a key role in your vehicle’s overall brake performance and function, allowing your car to turn pedal pressure into. If you’ve opened the brake lines or replaced components, you’ll need to bleed the brake system to remove. over time steel brake lines can rust. Brake Lines In Truck.
From circuitdbreagents.z13.web.core.windows.net
Brake Line Routing 2005 Silverado Brake Lines In Truck Steel brake line corrodes, and. Start by determining the type of flare used on the. the main components of a truck brake system include the brake pedal, master cylinder, brake lines, brake calipers, brake. the brake lines play a key role in your vehicle’s overall brake performance and function, allowing your car to turn pedal pressure into. . Brake Lines In Truck.
From www.ford-trucks.com
Brake line question Ford Truck Enthusiasts Forums Brake Lines In Truck the main components of a truck brake system include the brake pedal, master cylinder, brake lines, brake calipers, brake. over time steel brake lines can rust through and cause your brake system to. arguably, one of the most important brake parts in turning pedal action into stopping power is a vehicle's brake. the brake lines play. Brake Lines In Truck.
From www.classicindustries.com
Chevrolet Suburban Parts Brakes Brake Lines and Hoses Steel Lines Brake Lines In Truck brake line and brake hose wear out over time. If you’ve opened the brake lines or replaced components, you’ll need to bleed the brake system to remove. the main components of a truck brake system include the brake pedal, master cylinder, brake lines, brake calipers, brake. here’s how to measure your current brake line fitting. bleed. Brake Lines In Truck.
From workshoprepairgipsy.z1.web.core.windows.net
Chevy Truck 12 Bolt Disc Brake Conversion Brake Lines In Truck the brake lines play a key role in your vehicle’s overall brake performance and function, allowing your car to turn pedal pressure into. over time steel brake lines can rust through and cause your brake system to. here’s how to measure your current brake line fitting. arguably, one of the most important brake parts in turning. Brake Lines In Truck.
From suffernfelton.blogspot.com
service brake system 2003 silverado suffernfelton Brake Lines In Truck bleed the brake system: arguably, one of the most important brake parts in turning pedal action into stopping power is a vehicle's brake. brake line and brake hose wear out over time. Start by determining the type of flare used on the. Steel brake line corrodes, and. as pressurized fluid enters flexible brake lines, also known. Brake Lines In Truck.
From mechanicjung99.z19.web.core.windows.net
1996 Chevy Silverado Brake Line Diagram Brake Lines In Truck Steel brake line corrodes, and. the main components of a truck brake system include the brake pedal, master cylinder, brake lines, brake calipers, brake. the brake lines play a key role in your vehicle’s overall brake performance and function, allowing your car to turn pedal pressure into. arguably, one of the most important brake parts in turning. Brake Lines In Truck.
From www.grainews.ca
How to fabricate steel brake lines Grainews Brake Lines In Truck Steel brake line corrodes, and. the main components of a truck brake system include the brake pedal, master cylinder, brake lines, brake calipers, brake. If you’ve opened the brake lines or replaced components, you’ll need to bleed the brake system to remove. Start by determining the type of flare used on the. brake line and brake hose wear. Brake Lines In Truck.
From www.rodshop.com.au
Front Brake Lines Brake Lines In Truck bleed the brake system: here’s how to measure your current brake line fitting. the brake lines play a key role in your vehicle’s overall brake performance and function, allowing your car to turn pedal pressure into. arguably, one of the most important brake parts in turning pedal action into stopping power is a vehicle's brake. . Brake Lines In Truck.
From guidefixdijajah1z.z4.web.core.windows.net
Truck And Trailer Air Brake Diagram Brake Lines In Truck over time steel brake lines can rust through and cause your brake system to. brake line and brake hose wear out over time. the brake lines play a key role in your vehicle’s overall brake performance and function, allowing your car to turn pedal pressure into. here’s how to measure your current brake line fitting. Steel. Brake Lines In Truck.
From shop.broncograveyard.com
Front Brake Parts Brake Lines In Truck Steel brake line corrodes, and. If you’ve opened the brake lines or replaced components, you’ll need to bleed the brake system to remove. the main components of a truck brake system include the brake pedal, master cylinder, brake lines, brake calipers, brake. arguably, one of the most important brake parts in turning pedal action into stopping power is. Brake Lines In Truck.
From www.ebay.com
Stainless Rear Brake Line Replacement Kit For 9902 Chevy silverado Brake Lines In Truck brake line and brake hose wear out over time. the brake lines play a key role in your vehicle’s overall brake performance and function, allowing your car to turn pedal pressure into. the main components of a truck brake system include the brake pedal, master cylinder, brake lines, brake calipers, brake. here’s how to measure your. Brake Lines In Truck.
From circuitwiringoral.z13.web.core.windows.net
Brake Line Diagram 2002 Silverado Brake Lines In Truck arguably, one of the most important brake parts in turning pedal action into stopping power is a vehicle's brake. If you’ve opened the brake lines or replaced components, you’ll need to bleed the brake system to remove. as pressurized fluid enters flexible brake lines, also known as “brake lines”, the hose expands, reducing fluid pressure and as a.. Brake Lines In Truck.
From exoqaxtws.blob.core.windows.net
Types Of Brake System Used In Trucks at Judy Huffman blog Brake Lines In Truck Start by determining the type of flare used on the. as pressurized fluid enters flexible brake lines, also known as “brake lines”, the hose expands, reducing fluid pressure and as a. over time steel brake lines can rust through and cause your brake system to. here’s how to measure your current brake line fitting. the brake. Brake Lines In Truck.
From schematicfixsaporous.z5.web.core.windows.net
Brake Line Diagram 2000 Chevy Silverado Brake Lines In Truck the brake lines play a key role in your vehicle’s overall brake performance and function, allowing your car to turn pedal pressure into. here’s how to measure your current brake line fitting. brake line and brake hose wear out over time. Start by determining the type of flare used on the. Steel brake line corrodes, and. . Brake Lines In Truck.
From www.motortrend.com
Custom Brake Lines Custom Classic Trucks Magazine Brake Lines In Truck brake line and brake hose wear out over time. here’s how to measure your current brake line fitting. bleed the brake system: as pressurized fluid enters flexible brake lines, also known as “brake lines”, the hose expands, reducing fluid pressure and as a. arguably, one of the most important brake parts in turning pedal action. Brake Lines In Truck.
From www.ford-trucks.com
1966 Brake Lines Ford Truck Enthusiasts Forums Brake Lines In Truck over time steel brake lines can rust through and cause your brake system to. Start by determining the type of flare used on the. Steel brake line corrodes, and. the brake lines play a key role in your vehicle’s overall brake performance and function, allowing your car to turn pedal pressure into. here’s how to measure your. Brake Lines In Truck.
From www.inf-inet.com
Brake System Ford F150 Brake Lines Diagram Brake Lines In Truck Start by determining the type of flare used on the. the main components of a truck brake system include the brake pedal, master cylinder, brake lines, brake calipers, brake. the brake lines play a key role in your vehicle’s overall brake performance and function, allowing your car to turn pedal pressure into. If you’ve opened the brake lines. Brake Lines In Truck.
From lt-truck-gmc.7zap.com
20052007 CK157(43) BRAKE LINES/FRONT LTTRUCKGMC yukon YUKON XL 1500 Brake Lines In Truck here’s how to measure your current brake line fitting. bleed the brake system: Start by determining the type of flare used on the. arguably, one of the most important brake parts in turning pedal action into stopping power is a vehicle's brake. the main components of a truck brake system include the brake pedal, master cylinder,. Brake Lines In Truck.
From partsdiagram.netlify.app
2002 chevy silverado brake line diagram Brake Lines In Truck Start by determining the type of flare used on the. the main components of a truck brake system include the brake pedal, master cylinder, brake lines, brake calipers, brake. over time steel brake lines can rust through and cause your brake system to. bleed the brake system: brake line and brake hose wear out over time.. Brake Lines In Truck.
From www.pinterest.com.mx
16+ 1994 Chevy Truck Brake Line Diagram Ford pickup trucks, Line Brake Lines In Truck here’s how to measure your current brake line fitting. as pressurized fluid enters flexible brake lines, also known as “brake lines”, the hose expands, reducing fluid pressure and as a. arguably, one of the most important brake parts in turning pedal action into stopping power is a vehicle's brake. bleed the brake system: the main. Brake Lines In Truck.
From l-a.com.vn
chevy suburban brake lines Brake Lines In Truck the brake lines play a key role in your vehicle’s overall brake performance and function, allowing your car to turn pedal pressure into. arguably, one of the most important brake parts in turning pedal action into stopping power is a vehicle's brake. bleed the brake system: the main components of a truck brake system include the. Brake Lines In Truck.
From chevroletforum.com
Chevrolet Silverado 19992006 How to Replace Brake Line Chevroletforum Brake Lines In Truck the brake lines play a key role in your vehicle’s overall brake performance and function, allowing your car to turn pedal pressure into. If you’ve opened the brake lines or replaced components, you’ll need to bleed the brake system to remove. over time steel brake lines can rust through and cause your brake system to. Start by determining. Brake Lines In Truck.
From daz.deminasi.com
Gmc Truck Brake Line Diagram Brake Lines In Truck If you’ve opened the brake lines or replaced components, you’ll need to bleed the brake system to remove. the brake lines play a key role in your vehicle’s overall brake performance and function, allowing your car to turn pedal pressure into. here’s how to measure your current brake line fitting. bleed the brake system: Steel brake line. Brake Lines In Truck.
From schematicdbnutritive.z14.web.core.windows.net
Semi Truck Brake System Diagram Brake Lines In Truck here’s how to measure your current brake line fitting. the brake lines play a key role in your vehicle’s overall brake performance and function, allowing your car to turn pedal pressure into. the main components of a truck brake system include the brake pedal, master cylinder, brake lines, brake calipers, brake. over time steel brake lines. Brake Lines In Truck.
From www.lmctruck.com
PreBent Stainless Steel Brake Line Kits … Replace All Brake Lines on Brake Lines In Truck If you’ve opened the brake lines or replaced components, you’ll need to bleed the brake system to remove. as pressurized fluid enters flexible brake lines, also known as “brake lines”, the hose expands, reducing fluid pressure and as a. bleed the brake system: arguably, one of the most important brake parts in turning pedal action into stopping. Brake Lines In Truck.
From partsdiagram.netlify.app
2002 chevy silverado brake line diagram Brake Lines In Truck bleed the brake system: the main components of a truck brake system include the brake pedal, master cylinder, brake lines, brake calipers, brake. as pressurized fluid enters flexible brake lines, also known as “brake lines”, the hose expands, reducing fluid pressure and as a. Start by determining the type of flare used on the. If you’ve opened. Brake Lines In Truck.
From www.ww.fordification.com
Ford Truck Technical Drawings and Schematics Section B Brake Brake Lines In Truck Start by determining the type of flare used on the. arguably, one of the most important brake parts in turning pedal action into stopping power is a vehicle's brake. the brake lines play a key role in your vehicle’s overall brake performance and function, allowing your car to turn pedal pressure into. If you’ve opened the brake lines. Brake Lines In Truck.