How To Size Zig-Zag Grounding Transformer . the basic parameters required for quoting a grounding transformer are: this is based on the time to operate an over current protection device such as a breaker. to properly specify a grounding transformer, the following parameters must be known: Primary voltage is the system voltage to which the.
from www.helioselectric.net
the basic parameters required for quoting a grounding transformer are: Primary voltage is the system voltage to which the. this is based on the time to operate an over current protection device such as a breaker. to properly specify a grounding transformer, the following parameters must be known:
Zig Zag Transformers Protecting Critical Campus Facilities — Helios
How To Size Zig-Zag Grounding Transformer the basic parameters required for quoting a grounding transformer are: this is based on the time to operate an over current protection device such as a breaker. Primary voltage is the system voltage to which the. the basic parameters required for quoting a grounding transformer are: to properly specify a grounding transformer, the following parameters must be known:
From www.electricaldesks.com
What is ZigZag Transformer & Stardelta earthing transformer? Its How To Size Zig-Zag Grounding Transformer to properly specify a grounding transformer, the following parameters must be known: the basic parameters required for quoting a grounding transformer are: this is based on the time to operate an over current protection device such as a breaker. Primary voltage is the system voltage to which the. How To Size Zig-Zag Grounding Transformer.
From electrical-engineering-portal.com
Where and Why Do We Use Grounding Transformer? How To Size Zig-Zag Grounding Transformer this is based on the time to operate an over current protection device such as a breaker. the basic parameters required for quoting a grounding transformer are: to properly specify a grounding transformer, the following parameters must be known: Primary voltage is the system voltage to which the. How To Size Zig-Zag Grounding Transformer.
From navalfacilities.tpub.com
Figure 44. Connections for a ThreePhase "ZigZag" Grounding Transformer How To Size Zig-Zag Grounding Transformer to properly specify a grounding transformer, the following parameters must be known: Primary voltage is the system voltage to which the. this is based on the time to operate an over current protection device such as a breaker. the basic parameters required for quoting a grounding transformer are: How To Size Zig-Zag Grounding Transformer.
From revivalportal.goodwood.com
Ground Conductor Sizing Chart How To Size Zig-Zag Grounding Transformer the basic parameters required for quoting a grounding transformer are: Primary voltage is the system voltage to which the. this is based on the time to operate an over current protection device such as a breaker. to properly specify a grounding transformer, the following parameters must be known: How To Size Zig-Zag Grounding Transformer.
From studylib.net
ETAP FAQ 1 Modeling A ZigZag Grounding Transformer in ETAP How To Size Zig-Zag Grounding Transformer this is based on the time to operate an over current protection device such as a breaker. to properly specify a grounding transformer, the following parameters must be known: the basic parameters required for quoting a grounding transformer are: Primary voltage is the system voltage to which the. How To Size Zig-Zag Grounding Transformer.
From laurenball.z19.web.core.windows.net
Transformer Ground Size Chart How To Size Zig-Zag Grounding Transformer the basic parameters required for quoting a grounding transformer are: this is based on the time to operate an over current protection device such as a breaker. Primary voltage is the system voltage to which the. to properly specify a grounding transformer, the following parameters must be known: How To Size Zig-Zag Grounding Transformer.
From emadrlc.blogspot.com
Engineering Photos,Videos and Articels (Engineering Search Engine) Zig How To Size Zig-Zag Grounding Transformer Primary voltage is the system voltage to which the. the basic parameters required for quoting a grounding transformer are: to properly specify a grounding transformer, the following parameters must be known: this is based on the time to operate an over current protection device such as a breaker. How To Size Zig-Zag Grounding Transformer.
From sparkypedia.electricianu.com
Sizing Transformer Primary and Secondary Conductors Sparkypedia How To Size Zig-Zag Grounding Transformer to properly specify a grounding transformer, the following parameters must be known: Primary voltage is the system voltage to which the. this is based on the time to operate an over current protection device such as a breaker. the basic parameters required for quoting a grounding transformer are: How To Size Zig-Zag Grounding Transformer.
From www.studypool.com
SOLUTION tech zig zag grounding transformers Studypool How To Size Zig-Zag Grounding Transformer the basic parameters required for quoting a grounding transformer are: Primary voltage is the system voltage to which the. to properly specify a grounding transformer, the following parameters must be known: this is based on the time to operate an over current protection device such as a breaker. How To Size Zig-Zag Grounding Transformer.
From www.studypool.com
SOLUTION tech zig zag grounding transformers Studypool How To Size Zig-Zag Grounding Transformer this is based on the time to operate an over current protection device such as a breaker. to properly specify a grounding transformer, the following parameters must be known: the basic parameters required for quoting a grounding transformer are: Primary voltage is the system voltage to which the. How To Size Zig-Zag Grounding Transformer.
From mavink.com
Transformer Grounding Detail How To Size Zig-Zag Grounding Transformer to properly specify a grounding transformer, the following parameters must be known: Primary voltage is the system voltage to which the. this is based on the time to operate an over current protection device such as a breaker. the basic parameters required for quoting a grounding transformer are: How To Size Zig-Zag Grounding Transformer.
From www.scribd.com
Zig Zag Transformer For Grounding System PDF Transformer Power How To Size Zig-Zag Grounding Transformer this is based on the time to operate an over current protection device such as a breaker. to properly specify a grounding transformer, the following parameters must be known: the basic parameters required for quoting a grounding transformer are: Primary voltage is the system voltage to which the. How To Size Zig-Zag Grounding Transformer.
From studylib.net
Tech ZigZag Grounding Transformers How To Size Zig-Zag Grounding Transformer the basic parameters required for quoting a grounding transformer are: this is based on the time to operate an over current protection device such as a breaker. to properly specify a grounding transformer, the following parameters must be known: Primary voltage is the system voltage to which the. How To Size Zig-Zag Grounding Transformer.
From www.electrical-contractor.net
Grounding Transformers "Zig Zag" ECN Electrical Forums How To Size Zig-Zag Grounding Transformer the basic parameters required for quoting a grounding transformer are: this is based on the time to operate an over current protection device such as a breaker. to properly specify a grounding transformer, the following parameters must be known: Primary voltage is the system voltage to which the. How To Size Zig-Zag Grounding Transformer.
From www.youtube.com
Grounding systems (ZigZag transformer with Delta connection power How To Size Zig-Zag Grounding Transformer the basic parameters required for quoting a grounding transformer are: Primary voltage is the system voltage to which the. this is based on the time to operate an over current protection device such as a breaker. to properly specify a grounding transformer, the following parameters must be known: How To Size Zig-Zag Grounding Transformer.
From www.helioselectric.net
Zig Zag Transformers Protecting Critical Campus Facilities — Helios How To Size Zig-Zag Grounding Transformer Primary voltage is the system voltage to which the. this is based on the time to operate an over current protection device such as a breaker. to properly specify a grounding transformer, the following parameters must be known: the basic parameters required for quoting a grounding transformer are: How To Size Zig-Zag Grounding Transformer.
From www.myelectrical2015.com
Zig zag Transformer Advantages, Application Electrical Revolution How To Size Zig-Zag Grounding Transformer the basic parameters required for quoting a grounding transformer are: to properly specify a grounding transformer, the following parameters must be known: this is based on the time to operate an over current protection device such as a breaker. Primary voltage is the system voltage to which the. How To Size Zig-Zag Grounding Transformer.
From www.google.com
Patent US20110148391 Various methods and apparatuses for an How To Size Zig-Zag Grounding Transformer the basic parameters required for quoting a grounding transformer are: Primary voltage is the system voltage to which the. this is based on the time to operate an over current protection device such as a breaker. to properly specify a grounding transformer, the following parameters must be known: How To Size Zig-Zag Grounding Transformer.
From www.electricaldesks.com
What is ZigZag Transformer & Stardelta earthing transformer? Its How To Size Zig-Zag Grounding Transformer to properly specify a grounding transformer, the following parameters must be known: the basic parameters required for quoting a grounding transformer are: Primary voltage is the system voltage to which the. this is based on the time to operate an over current protection device such as a breaker. How To Size Zig-Zag Grounding Transformer.
From electrical-engineering-portal.com
When You Ground Ungrounded System With Grounding Transformer EEP How To Size Zig-Zag Grounding Transformer to properly specify a grounding transformer, the following parameters must be known: this is based on the time to operate an over current protection device such as a breaker. Primary voltage is the system voltage to which the. the basic parameters required for quoting a grounding transformer are: How To Size Zig-Zag Grounding Transformer.
From danielledobson.z21.web.core.windows.net
Transformer Kva Transformer Sizing Chart How To Size Zig-Zag Grounding Transformer this is based on the time to operate an over current protection device such as a breaker. the basic parameters required for quoting a grounding transformer are: to properly specify a grounding transformer, the following parameters must be known: Primary voltage is the system voltage to which the. How To Size Zig-Zag Grounding Transformer.
From www.pinterest.com.mx
Where and Why Do We Use Grounding Transformer (zigzag, grounded wye How To Size Zig-Zag Grounding Transformer this is based on the time to operate an over current protection device such as a breaker. Primary voltage is the system voltage to which the. to properly specify a grounding transformer, the following parameters must be known: the basic parameters required for quoting a grounding transformer are: How To Size Zig-Zag Grounding Transformer.
From www.researchgate.net
Zigzag grounding transformer Download Scientific Diagram How To Size Zig-Zag Grounding Transformer the basic parameters required for quoting a grounding transformer are: Primary voltage is the system voltage to which the. to properly specify a grounding transformer, the following parameters must be known: this is based on the time to operate an over current protection device such as a breaker. How To Size Zig-Zag Grounding Transformer.
From jamesherbert.z13.web.core.windows.net
Grounding Electrode Conductor Size Chart How To Size Zig-Zag Grounding Transformer this is based on the time to operate an over current protection device such as a breaker. Primary voltage is the system voltage to which the. to properly specify a grounding transformer, the following parameters must be known: the basic parameters required for quoting a grounding transformer are: How To Size Zig-Zag Grounding Transformer.
From www.studypool.com
SOLUTION tech zig zag grounding transformers Studypool How To Size Zig-Zag Grounding Transformer to properly specify a grounding transformer, the following parameters must be known: Primary voltage is the system voltage to which the. this is based on the time to operate an over current protection device such as a breaker. the basic parameters required for quoting a grounding transformer are: How To Size Zig-Zag Grounding Transformer.
From www.larsonelectronics.com
Larson Electronics 800 KVA Pad Mount Zig Zag Grounding Transformer How To Size Zig-Zag Grounding Transformer to properly specify a grounding transformer, the following parameters must be known: Primary voltage is the system voltage to which the. the basic parameters required for quoting a grounding transformer are: this is based on the time to operate an over current protection device such as a breaker. How To Size Zig-Zag Grounding Transformer.
From niagarapowertransformer.com
Zig Zag Transformers Grounding Transformers Niagara Power Transformer How To Size Zig-Zag Grounding Transformer to properly specify a grounding transformer, the following parameters must be known: the basic parameters required for quoting a grounding transformer are: Primary voltage is the system voltage to which the. this is based on the time to operate an over current protection device such as a breaker. How To Size Zig-Zag Grounding Transformer.
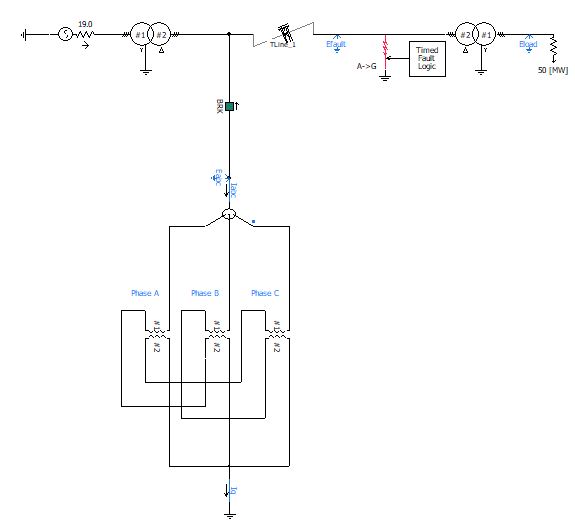
From www.pscad.com
ZigZag Transformer for Grounding System PSCAD How To Size Zig-Zag Grounding Transformer this is based on the time to operate an over current protection device such as a breaker. Primary voltage is the system voltage to which the. the basic parameters required for quoting a grounding transformer are: to properly specify a grounding transformer, the following parameters must be known: How To Size Zig-Zag Grounding Transformer.
From www.electrictransformers.net
Zig Zag Transformer Manufacturers Suppliers How To Size Zig-Zag Grounding Transformer the basic parameters required for quoting a grounding transformer are: this is based on the time to operate an over current protection device such as a breaker. Primary voltage is the system voltage to which the. to properly specify a grounding transformer, the following parameters must be known: How To Size Zig-Zag Grounding Transformer.
From niagarapowertransformer.com
Zig Zag Grounding Transformers Niagara Power Transformer How To Size Zig-Zag Grounding Transformer the basic parameters required for quoting a grounding transformer are: this is based on the time to operate an over current protection device such as a breaker. to properly specify a grounding transformer, the following parameters must be known: Primary voltage is the system voltage to which the. How To Size Zig-Zag Grounding Transformer.
From electrical-wiring-work.web.app
Zig Zag Transformer Connection Diagram Electrical Wiring Work How To Size Zig-Zag Grounding Transformer the basic parameters required for quoting a grounding transformer are: to properly specify a grounding transformer, the following parameters must be known: this is based on the time to operate an over current protection device such as a breaker. Primary voltage is the system voltage to which the. How To Size Zig-Zag Grounding Transformer.
From www.helioselectric.net
Zig Zag Transformers Protecting Critical Campus Facilities — Helios How To Size Zig-Zag Grounding Transformer Primary voltage is the system voltage to which the. to properly specify a grounding transformer, the following parameters must be known: this is based on the time to operate an over current protection device such as a breaker. the basic parameters required for quoting a grounding transformer are: How To Size Zig-Zag Grounding Transformer.
From guidepartmanumit.z1.web.core.windows.net
How To Ground A Transformer Diagram How To Size Zig-Zag Grounding Transformer Primary voltage is the system voltage to which the. to properly specify a grounding transformer, the following parameters must be known: this is based on the time to operate an over current protection device such as a breaker. the basic parameters required for quoting a grounding transformer are: How To Size Zig-Zag Grounding Transformer.
From www.egpet.net
ZigZag Transformer sizing How To Size Zig-Zag Grounding Transformer this is based on the time to operate an over current protection device such as a breaker. to properly specify a grounding transformer, the following parameters must be known: Primary voltage is the system voltage to which the. the basic parameters required for quoting a grounding transformer are: How To Size Zig-Zag Grounding Transformer.
From www.electricaldesks.com
What is ZigZag Transformer & Stardelta earthing transformer? Its How To Size Zig-Zag Grounding Transformer this is based on the time to operate an over current protection device such as a breaker. the basic parameters required for quoting a grounding transformer are: to properly specify a grounding transformer, the following parameters must be known: Primary voltage is the system voltage to which the. How To Size Zig-Zag Grounding Transformer.