Thrust Bearing Support Reactions . A bearing that supports a thrust is called a thrust bearing. the thrust bearing is the core part of the entire test bench, and the specific parameters and physical images are. an axial load acting on a shaft is called a thrust. = 8000 lb and w. Other support reactions are given in your text. If these components have weights w = a. get the book here: C = 6000 lb, determine. reactions at the thrust bearing a and cable bc.
from www.chegg.com
If these components have weights w = a. the thrust bearing is the core part of the entire test bench, and the specific parameters and physical images are. an axial load acting on a shaft is called a thrust. A bearing that supports a thrust is called a thrust bearing. = 8000 lb and w. C = 6000 lb, determine. Other support reactions are given in your text. reactions at the thrust bearing a and cable bc. get the book here:
Solved Diagnosis. FBD. Reactions at supports (thrust bearing
Thrust Bearing Support Reactions If these components have weights w = a. reactions at the thrust bearing a and cable bc. the thrust bearing is the core part of the entire test bench, and the specific parameters and physical images are. = 8000 lb and w. get the book here: A bearing that supports a thrust is called a thrust bearing. If these components have weights w = a. an axial load acting on a shaft is called a thrust. C = 6000 lb, determine. Other support reactions are given in your text.
From www.physicsforums.com
Thrust Bearings and Smooth Journal Bearings reaction moment? Thrust Bearing Support Reactions Other support reactions are given in your text. C = 6000 lb, determine. If these components have weights w = a. get the book here: an axial load acting on a shaft is called a thrust. the thrust bearing is the core part of the entire test bench, and the specific parameters and physical images are. =. Thrust Bearing Support Reactions.
From www.chegg.com
Solved The jib crane has a mass of 800 kg and a center of Thrust Bearing Support Reactions an axial load acting on a shaft is called a thrust. If these components have weights w = a. C = 6000 lb, determine. Other support reactions are given in your text. A bearing that supports a thrust is called a thrust bearing. reactions at the thrust bearing a and cable bc. = 8000 lb and w. . Thrust Bearing Support Reactions.
From www.chegg.com
Solved The shaft is supported by a smooth thrust bearing at Thrust Bearing Support Reactions Other support reactions are given in your text. an axial load acting on a shaft is called a thrust. get the book here: C = 6000 lb, determine. A bearing that supports a thrust is called a thrust bearing. = 8000 lb and w. reactions at the thrust bearing a and cable bc. the thrust bearing. Thrust Bearing Support Reactions.
From www.chegg.com
Solved Determine the components of reaction that the thrust Thrust Bearing Support Reactions If these components have weights w = a. Other support reactions are given in your text. C = 6000 lb, determine. the thrust bearing is the core part of the entire test bench, and the specific parameters and physical images are. = 8000 lb and w. get the book here: A bearing that supports a thrust is called. Thrust Bearing Support Reactions.
From www.chegg.com
Solved The Shaft Is Supported By A Thrust Bearing At A An... Thrust Bearing Support Reactions get the book here: = 8000 lb and w. Other support reactions are given in your text. If these components have weights w = a. C = 6000 lb, determine. the thrust bearing is the core part of the entire test bench, and the specific parameters and physical images are. an axial load acting on a shaft. Thrust Bearing Support Reactions.
From www.chegg.com
Solved The shaft shown in Figure 2 beneath is supported by a Thrust Bearing Support Reactions C = 6000 lb, determine. the thrust bearing is the core part of the entire test bench, and the specific parameters and physical images are. If these components have weights w = a. A bearing that supports a thrust is called a thrust bearing. an axial load acting on a shaft is called a thrust. get the. Thrust Bearing Support Reactions.
From www.jeepzine.com
What is a Thrust Bearing and Where is It Located in a Vehicle? Thrust Bearing Support Reactions If these components have weights w = a. an axial load acting on a shaft is called a thrust. Other support reactions are given in your text. reactions at the thrust bearing a and cable bc. the thrust bearing is the core part of the entire test bench, and the specific parameters and physical images are. . Thrust Bearing Support Reactions.
From blog.softinway.com
RotorBearing System Modeling Turbomachinery blog Thrust Bearing Support Reactions Other support reactions are given in your text. reactions at the thrust bearing a and cable bc. If these components have weights w = a. = 8000 lb and w. C = 6000 lb, determine. the thrust bearing is the core part of the entire test bench, and the specific parameters and physical images are. A bearing that. Thrust Bearing Support Reactions.
From www.chegg.com
Helical gear placed at B position generates the Thrust Bearing Support Reactions If these components have weights w = a. the thrust bearing is the core part of the entire test bench, and the specific parameters and physical images are. reactions at the thrust bearing a and cable bc. Other support reactions are given in your text. an axial load acting on a shaft is called a thrust. C. Thrust Bearing Support Reactions.
From www.chegg.com
Solved In (Figure 1), the supports at A and B are a thrust Thrust Bearing Support Reactions C = 6000 lb, determine. A bearing that supports a thrust is called a thrust bearing. Other support reactions are given in your text. get the book here: If these components have weights w = a. = 8000 lb and w. the thrust bearing is the core part of the entire test bench, and the specific parameters and. Thrust Bearing Support Reactions.
From e2301.blogspot.com
ENGR Mechanics Statics 8.7 Journal Bearings, Axle Friction; 8.8 Thrust Bearing Support Reactions reactions at the thrust bearing a and cable bc. = 8000 lb and w. C = 6000 lb, determine. A bearing that supports a thrust is called a thrust bearing. an axial load acting on a shaft is called a thrust. Other support reactions are given in your text. If these components have weights w = a. . Thrust Bearing Support Reactions.
From en.wikipedia.org
Thrust bearing Wikipedia Thrust Bearing Support Reactions an axial load acting on a shaft is called a thrust. A bearing that supports a thrust is called a thrust bearing. get the book here: Other support reactions are given in your text. reactions at the thrust bearing a and cable bc. C = 6000 lb, determine. the thrust bearing is the core part of. Thrust Bearing Support Reactions.
From www.slideserve.com
PPT THREE DIMENSIONAL EQUILIBRIUM OF RIGID BODIES PowerPoint Thrust Bearing Support Reactions A bearing that supports a thrust is called a thrust bearing. the thrust bearing is the core part of the entire test bench, and the specific parameters and physical images are. = 8000 lb and w. reactions at the thrust bearing a and cable bc. C = 6000 lb, determine. an axial load acting on a shaft. Thrust Bearing Support Reactions.
From www.youtube.com
Determine the support reactions at the smooth bearings YouTube Thrust Bearing Support Reactions Other support reactions are given in your text. an axial load acting on a shaft is called a thrust. the thrust bearing is the core part of the entire test bench, and the specific parameters and physical images are. get the book here: = 8000 lb and w. A bearing that supports a thrust is called a. Thrust Bearing Support Reactions.
From www.chegg.com
Solved The supports at A and B are a thrust bearing and Thrust Bearing Support Reactions C = 6000 lb, determine. A bearing that supports a thrust is called a thrust bearing. reactions at the thrust bearing a and cable bc. the thrust bearing is the core part of the entire test bench, and the specific parameters and physical images are. an axial load acting on a shaft is called a thrust. . Thrust Bearing Support Reactions.
From www.chegg.com
Solved The forked rod is supported by a collar at A, a Thrust Bearing Support Reactions Other support reactions are given in your text. If these components have weights w = a. = 8000 lb and w. get the book here: C = 6000 lb, determine. an axial load acting on a shaft is called a thrust. the thrust bearing is the core part of the entire test bench, and the specific parameters. Thrust Bearing Support Reactions.
From temple.manifoldapp.org
“Chapter 3 Equilibrium Structures, Support Reactions, Determinacy and Thrust Bearing Support Reactions the thrust bearing is the core part of the entire test bench, and the specific parameters and physical images are. reactions at the thrust bearing a and cable bc. If these components have weights w = a. = 8000 lb and w. get the book here: A bearing that supports a thrust is called a thrust bearing.. Thrust Bearing Support Reactions.
From www.numerade.com
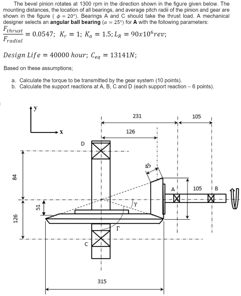
SOLVED The bevel pinion rotates at 1300 rpm in the direction shown in Thrust Bearing Support Reactions Other support reactions are given in your text. the thrust bearing is the core part of the entire test bench, and the specific parameters and physical images are. C = 6000 lb, determine. If these components have weights w = a. an axial load acting on a shaft is called a thrust. = 8000 lb and w. . Thrust Bearing Support Reactions.
From www.numerade.com
SOLVED Two bearings at A and B support the crankshaft. When the given Thrust Bearing Support Reactions an axial load acting on a shaft is called a thrust. A bearing that supports a thrust is called a thrust bearing. get the book here: = 8000 lb and w. the thrust bearing is the core part of the entire test bench, and the specific parameters and physical images are. C = 6000 lb, determine. Other. Thrust Bearing Support Reactions.
From www.youtube.com
[2015] Statics 21 Rigid Body Equilibrium 3D Supports [with closed Thrust Bearing Support Reactions get the book here: Other support reactions are given in your text. A bearing that supports a thrust is called a thrust bearing. C = 6000 lb, determine. the thrust bearing is the core part of the entire test bench, and the specific parameters and physical images are. reactions at the thrust bearing a and cable bc.. Thrust Bearing Support Reactions.
From www.chegg.com
Solved The thrust bearing shown below supports an axial load Thrust Bearing Support Reactions reactions at the thrust bearing a and cable bc. C = 6000 lb, determine. an axial load acting on a shaft is called a thrust. get the book here: A bearing that supports a thrust is called a thrust bearing. Other support reactions are given in your text. If these components have weights w = a. . Thrust Bearing Support Reactions.
From www.slideserve.com
PPT FREEBODY DIAGRAMS, EQUATIONS OF EQUILIBRIUM & CONSTRAINTS FOR A Thrust Bearing Support Reactions = 8000 lb and w. A bearing that supports a thrust is called a thrust bearing. the thrust bearing is the core part of the entire test bench, and the specific parameters and physical images are. reactions at the thrust bearing a and cable bc. Other support reactions are given in your text. C = 6000 lb, determine.. Thrust Bearing Support Reactions.
From www.chegg.com
Solved 5. Determine the tension T and the reactions at the Thrust Bearing Support Reactions get the book here: an axial load acting on a shaft is called a thrust. Other support reactions are given in your text. A bearing that supports a thrust is called a thrust bearing. = 8000 lb and w. C = 6000 lb, determine. reactions at the thrust bearing a and cable bc. the thrust bearing. Thrust Bearing Support Reactions.
From www.chegg.com
Solved Diagnosis. FBD. Reactions at supports (thrust bearing Thrust Bearing Support Reactions reactions at the thrust bearing a and cable bc. get the book here: an axial load acting on a shaft is called a thrust. = 8000 lb and w. If these components have weights w = a. Other support reactions are given in your text. the thrust bearing is the core part of the entire test. Thrust Bearing Support Reactions.
From www.researchgate.net
Types of supports and their reaction forces. Download Table Thrust Bearing Support Reactions the thrust bearing is the core part of the entire test bench, and the specific parameters and physical images are. = 8000 lb and w. reactions at the thrust bearing a and cable bc. If these components have weights w = a. an axial load acting on a shaft is called a thrust. Other support reactions are. Thrust Bearing Support Reactions.
From www.researchgate.net
Schematic of the journal bearing and the end thrust bearing formed by Thrust Bearing Support Reactions Other support reactions are given in your text. an axial load acting on a shaft is called a thrust. A bearing that supports a thrust is called a thrust bearing. If these components have weights w = a. C = 6000 lb, determine. = 8000 lb and w. the thrust bearing is the core part of the entire. Thrust Bearing Support Reactions.
From www.chegg.com
Solved *78. The shaft is supported by a thrust bearing at A Thrust Bearing Support Reactions Other support reactions are given in your text. A bearing that supports a thrust is called a thrust bearing. reactions at the thrust bearing a and cable bc. get the book here: C = 6000 lb, determine. = 8000 lb and w. the thrust bearing is the core part of the entire test bench, and the specific. Thrust Bearing Support Reactions.
From www.slideserve.com
PPT FBD 3D Force Reaction PowerPoint Presentation, free download Thrust Bearing Support Reactions C = 6000 lb, determine. Other support reactions are given in your text. If these components have weights w = a. get the book here: A bearing that supports a thrust is called a thrust bearing. an axial load acting on a shaft is called a thrust. = 8000 lb and w. reactions at the thrust bearing. Thrust Bearing Support Reactions.
From www.numerade.com
SOLVED The bevel pinion rotates at 1300 rpm in the direction shown in Thrust Bearing Support Reactions reactions at the thrust bearing a and cable bc. If these components have weights w = a. the thrust bearing is the core part of the entire test bench, and the specific parameters and physical images are. C = 6000 lb, determine. A bearing that supports a thrust is called a thrust bearing. an axial load acting. Thrust Bearing Support Reactions.
From www.tpub.com
Main Thrust Bearing Clearance Measurements Thrust Bearing Support Reactions the thrust bearing is the core part of the entire test bench, and the specific parameters and physical images are. = 8000 lb and w. get the book here: A bearing that supports a thrust is called a thrust bearing. reactions at the thrust bearing a and cable bc. Other support reactions are given in your text.. Thrust Bearing Support Reactions.
From www.chegg.com
Solved Identify the support reactions on the jib crane. The Thrust Bearing Support Reactions get the book here: an axial load acting on a shaft is called a thrust. Other support reactions are given in your text. = 8000 lb and w. the thrust bearing is the core part of the entire test bench, and the specific parameters and physical images are. A bearing that supports a thrust is called a. Thrust Bearing Support Reactions.
From www.slideserve.com
PPT FBD 3D Force Reaction PowerPoint Presentation, free download Thrust Bearing Support Reactions the thrust bearing is the core part of the entire test bench, and the specific parameters and physical images are. = 8000 lb and w. reactions at the thrust bearing a and cable bc. C = 6000 lb, determine. Other support reactions are given in your text. an axial load acting on a shaft is called a. Thrust Bearing Support Reactions.
From www.youtube.com
Problem 11 / Engineering Mechanics Materials. YouTube Thrust Bearing Support Reactions an axial load acting on a shaft is called a thrust. get the book here: the thrust bearing is the core part of the entire test bench, and the specific parameters and physical images are. reactions at the thrust bearing a and cable bc. If these components have weights w = a. = 8000 lb and. Thrust Bearing Support Reactions.
From www.chegg.com
Solved This portion of figure 3/8 from the text shows a Thrust Bearing Support Reactions = 8000 lb and w. get the book here: an axial load acting on a shaft is called a thrust. C = 6000 lb, determine. If these components have weights w = a. Other support reactions are given in your text. the thrust bearing is the core part of the entire test bench, and the specific parameters. Thrust Bearing Support Reactions.
From www.numerade.com
SOLVED Texts Rotating rings are to be used to support the shaft Thrust Bearing Support Reactions an axial load acting on a shaft is called a thrust. Other support reactions are given in your text. If these components have weights w = a. reactions at the thrust bearing a and cable bc. get the book here: C = 6000 lb, determine. A bearing that supports a thrust is called a thrust bearing. =. Thrust Bearing Support Reactions.