Digital Camera Battery Voltage . Yes, higher number means longer battery life. Most digital cameras require batteries with specific voltage ratings to operate optimally. The voltage of a battery (usually between 7.2v and 14.8v for cameras) indicates how much power it can. The most important thing to know. Mah stands for milliamp hour and a 1000 mah battery will output 1000 milliamps for. This page describes various battery types for classic and contemporary cameras, including full specifications for various battery types. Current is measured in amperes (a). The voltage at any point is measured in volts (v).
from www.homedepot.com
The voltage at any point is measured in volts (v). This page describes various battery types for classic and contemporary cameras, including full specifications for various battery types. The most important thing to know. Current is measured in amperes (a). Most digital cameras require batteries with specific voltage ratings to operate optimally. Yes, higher number means longer battery life. The voltage of a battery (usually between 7.2v and 14.8v for cameras) indicates how much power it can. Mah stands for milliamp hour and a 1000 mah battery will output 1000 milliamps for.
Lenmar LithiumIon 1000mAh/3.7Volt Digital Camera Replacement BatteryDLC6L The Home Depot
Digital Camera Battery Voltage Current is measured in amperes (a). The voltage of a battery (usually between 7.2v and 14.8v for cameras) indicates how much power it can. Yes, higher number means longer battery life. The voltage at any point is measured in volts (v). Current is measured in amperes (a). Mah stands for milliamp hour and a 1000 mah battery will output 1000 milliamps for. This page describes various battery types for classic and contemporary cameras, including full specifications for various battery types. Most digital cameras require batteries with specific voltage ratings to operate optimally. The most important thing to know.
From www.homedepot.com
Lenmar LithiumIon 1080mAh/7.4Volt Digital Camera Replacement BatteryDLCE5 The Home Depot Digital Camera Battery Voltage Current is measured in amperes (a). The voltage at any point is measured in volts (v). Most digital cameras require batteries with specific voltage ratings to operate optimally. This page describes various battery types for classic and contemporary cameras, including full specifications for various battery types. The most important thing to know. Yes, higher number means longer battery life. The. Digital Camera Battery Voltage.
From www.ebay.com
Duracell DR9664 3.7 Volt LiIon Digital Camera Battery eBay Digital Camera Battery Voltage Current is measured in amperes (a). Mah stands for milliamp hour and a 1000 mah battery will output 1000 milliamps for. This page describes various battery types for classic and contemporary cameras, including full specifications for various battery types. The voltage of a battery (usually between 7.2v and 14.8v for cameras) indicates how much power it can. Most digital cameras. Digital Camera Battery Voltage.
From www.indiamart.com
Digital Camera Reachable Battery, Battery Capacity 6700 Mah, Voltage 12 V at Rs 3000/piece in Digital Camera Battery Voltage The voltage of a battery (usually between 7.2v and 14.8v for cameras) indicates how much power it can. This page describes various battery types for classic and contemporary cameras, including full specifications for various battery types. Mah stands for milliamp hour and a 1000 mah battery will output 1000 milliamps for. Yes, higher number means longer battery life. Current is. Digital Camera Battery Voltage.
From www.homedepot.com
Lenmar LithiumIon 1020mAh/7.2Volt Digital Camera Replacement BatteryDLZ320C The Home Depot Digital Camera Battery Voltage The voltage of a battery (usually between 7.2v and 14.8v for cameras) indicates how much power it can. The voltage at any point is measured in volts (v). This page describes various battery types for classic and contemporary cameras, including full specifications for various battery types. Most digital cameras require batteries with specific voltage ratings to operate optimally. Mah stands. Digital Camera Battery Voltage.
From www.homedepot.com
Lenmar LithiumIon 450mAh/3.6Volt Digital Camera Replacement BatteryDLSFE1 The Home Depot Digital Camera Battery Voltage Mah stands for milliamp hour and a 1000 mah battery will output 1000 milliamps for. Current is measured in amperes (a). Yes, higher number means longer battery life. Most digital cameras require batteries with specific voltage ratings to operate optimally. The voltage of a battery (usually between 7.2v and 14.8v for cameras) indicates how much power it can. This page. Digital Camera Battery Voltage.
From www.whatdigitalcamera.com
Our Essential Guide To Batteries What Digital Camera Digital Camera Battery Voltage Yes, higher number means longer battery life. This page describes various battery types for classic and contemporary cameras, including full specifications for various battery types. Most digital cameras require batteries with specific voltage ratings to operate optimally. The voltage of a battery (usually between 7.2v and 14.8v for cameras) indicates how much power it can. The most important thing to. Digital Camera Battery Voltage.
From exyjyttde.blob.core.windows.net
Dvc Digital Video Camera Battery at Marsha Martinez blog Digital Camera Battery Voltage The most important thing to know. Mah stands for milliamp hour and a 1000 mah battery will output 1000 milliamps for. This page describes various battery types for classic and contemporary cameras, including full specifications for various battery types. Yes, higher number means longer battery life. Current is measured in amperes (a). The voltage at any point is measured in. Digital Camera Battery Voltage.
From www.alibaba.com
Digital Camera Battery Power Replacement Battery For Nikon D5600 Camera Enel14 Battery Buy Digital Camera Battery Voltage Mah stands for milliamp hour and a 1000 mah battery will output 1000 milliamps for. The voltage at any point is measured in volts (v). Current is measured in amperes (a). This page describes various battery types for classic and contemporary cameras, including full specifications for various battery types. The most important thing to know. Most digital cameras require batteries. Digital Camera Battery Voltage.
From www.homedepot.com
Lenmar LithiumIon 600mAh/3.6Volt Digital Camera Replacement BatteryDLZ371C The Home Depot Digital Camera Battery Voltage Mah stands for milliamp hour and a 1000 mah battery will output 1000 milliamps for. Current is measured in amperes (a). This page describes various battery types for classic and contemporary cameras, including full specifications for various battery types. The voltage of a battery (usually between 7.2v and 14.8v for cameras) indicates how much power it can. Yes, higher number. Digital Camera Battery Voltage.
From www.bhphotovideo.com
Canon NB12L LithiumIon Battery Pack (3.6V, 1910mAh) 9426B001 Digital Camera Battery Voltage Most digital cameras require batteries with specific voltage ratings to operate optimally. The voltage at any point is measured in volts (v). Mah stands for milliamp hour and a 1000 mah battery will output 1000 milliamps for. Current is measured in amperes (a). This page describes various battery types for classic and contemporary cameras, including full specifications for various battery. Digital Camera Battery Voltage.
From www.amazon.com
Synergy Digital Camera Battery, Works with Canon EOS Rebel T1i Digital Camera, (li Digital Camera Battery Voltage Current is measured in amperes (a). Most digital cameras require batteries with specific voltage ratings to operate optimally. Yes, higher number means longer battery life. The voltage at any point is measured in volts (v). The most important thing to know. The voltage of a battery (usually between 7.2v and 14.8v for cameras) indicates how much power it can. This. Digital Camera Battery Voltage.
From www.mrpositive.co.nz
Olympus Li10B Compatible Digital Camera Battery Mr Positive NZ Digital Camera Battery Voltage The most important thing to know. Yes, higher number means longer battery life. Mah stands for milliamp hour and a 1000 mah battery will output 1000 milliamps for. The voltage at any point is measured in volts (v). This page describes various battery types for classic and contemporary cameras, including full specifications for various battery types. The voltage of a. Digital Camera Battery Voltage.
From www.homedepot.com
Lenmar LithiumIon 740mAh/3.6Volt Digital Camera Replacement BatteryDLZ301C The Home Depot Digital Camera Battery Voltage The most important thing to know. Yes, higher number means longer battery life. Mah stands for milliamp hour and a 1000 mah battery will output 1000 milliamps for. This page describes various battery types for classic and contemporary cameras, including full specifications for various battery types. The voltage of a battery (usually between 7.2v and 14.8v for cameras) indicates how. Digital Camera Battery Voltage.
From www.indiamart.com
Tyfy BP808 Digital Camera Battery, Battery Capacity 950 Mah, Voltage 7.4 V at Rs 1100/unit in Digital Camera Battery Voltage Mah stands for milliamp hour and a 1000 mah battery will output 1000 milliamps for. This page describes various battery types for classic and contemporary cameras, including full specifications for various battery types. The voltage of a battery (usually between 7.2v and 14.8v for cameras) indicates how much power it can. Yes, higher number means longer battery life. Most digital. Digital Camera Battery Voltage.
From www.homedepot.com
Lenmar LithiumIon 1120mAh/3.7Volt Digital Camera Replacement BatteryDLC5L The Home Depot Digital Camera Battery Voltage Current is measured in amperes (a). This page describes various battery types for classic and contemporary cameras, including full specifications for various battery types. Yes, higher number means longer battery life. The voltage of a battery (usually between 7.2v and 14.8v for cameras) indicates how much power it can. Mah stands for milliamp hour and a 1000 mah battery will. Digital Camera Battery Voltage.
From www.indiamart.com
Energizer 2CR5 Digital Camera battery, Battery Capacity 1500 Mah (to 2.0 Volts), Voltage 6.0V Digital Camera Battery Voltage This page describes various battery types for classic and contemporary cameras, including full specifications for various battery types. The most important thing to know. The voltage at any point is measured in volts (v). Yes, higher number means longer battery life. Most digital cameras require batteries with specific voltage ratings to operate optimally. The voltage of a battery (usually between. Digital Camera Battery Voltage.
From www.amazon.com
Kodak Z650 Digital Camera Battery ComboPack Includes 4 x SDCPH360 Batteries Digital Camera Battery Voltage Most digital cameras require batteries with specific voltage ratings to operate optimally. Mah stands for milliamp hour and a 1000 mah battery will output 1000 milliamps for. The most important thing to know. The voltage of a battery (usually between 7.2v and 14.8v for cameras) indicates how much power it can. Current is measured in amperes (a). This page describes. Digital Camera Battery Voltage.
From www.indiamart.com
Tyfy BP808 Digital Camera Battery, Battery Capacity 950 Mah, Voltage 7.4 V at Rs 1100/unit in Digital Camera Battery Voltage The voltage at any point is measured in volts (v). Current is measured in amperes (a). The voltage of a battery (usually between 7.2v and 14.8v for cameras) indicates how much power it can. Yes, higher number means longer battery life. This page describes various battery types for classic and contemporary cameras, including full specifications for various battery types. The. Digital Camera Battery Voltage.
From batteriesamerica.com
CRV3 3volt Lithium primary battery for Digital cameras — Batteries America Digital Camera Battery Voltage Mah stands for milliamp hour and a 1000 mah battery will output 1000 milliamps for. Current is measured in amperes (a). The voltage of a battery (usually between 7.2v and 14.8v for cameras) indicates how much power it can. Most digital cameras require batteries with specific voltage ratings to operate optimally. This page describes various battery types for classic and. Digital Camera Battery Voltage.
From www.manualslib.com
ENERGIZER DIGITAL CAMERA BATTERY 223 PRODUCT DATA SHEET Pdf Download ManualsLib Digital Camera Battery Voltage Yes, higher number means longer battery life. Current is measured in amperes (a). Most digital cameras require batteries with specific voltage ratings to operate optimally. The voltage of a battery (usually between 7.2v and 14.8v for cameras) indicates how much power it can. This page describes various battery types for classic and contemporary cameras, including full specifications for various battery. Digital Camera Battery Voltage.
From www.homedepot.com
Lenmar LithiumIon 700mAh/3.7Volt Digital Camera Replacement BatteryDLZ319N The Home Depot Digital Camera Battery Voltage The voltage of a battery (usually between 7.2v and 14.8v for cameras) indicates how much power it can. Mah stands for milliamp hour and a 1000 mah battery will output 1000 milliamps for. Yes, higher number means longer battery life. Most digital cameras require batteries with specific voltage ratings to operate optimally. Current is measured in amperes (a). The most. Digital Camera Battery Voltage.
From www.homedepot.com
Lenmar LithiumIon 1000mAh/3.6Volt Digital Camera Replacement BatteryDLSBG1 The Home Depot Digital Camera Battery Voltage The voltage at any point is measured in volts (v). Current is measured in amperes (a). The voltage of a battery (usually between 7.2v and 14.8v for cameras) indicates how much power it can. The most important thing to know. Mah stands for milliamp hour and a 1000 mah battery will output 1000 milliamps for. Most digital cameras require batteries. Digital Camera Battery Voltage.
From www.homedepot.com
Lenmar LithiumIon 740mAh/3.6Volt Digital Camera Replacement BatteryDLZ301C The Home Depot Digital Camera Battery Voltage The most important thing to know. Most digital cameras require batteries with specific voltage ratings to operate optimally. The voltage of a battery (usually between 7.2v and 14.8v for cameras) indicates how much power it can. This page describes various battery types for classic and contemporary cameras, including full specifications for various battery types. Yes, higher number means longer battery. Digital Camera Battery Voltage.
From www.amazon.com
Synergy Digital Camera Battery, Works with Panasonic Lumix DCGH5 Digital Camera Digital Camera Battery Voltage This page describes various battery types for classic and contemporary cameras, including full specifications for various battery types. Yes, higher number means longer battery life. The most important thing to know. Mah stands for milliamp hour and a 1000 mah battery will output 1000 milliamps for. Current is measured in amperes (a). Most digital cameras require batteries with specific voltage. Digital Camera Battery Voltage.
From www.homedepot.com
Lenmar LithiumIon 1000mAh/3.6Volt Digital Camera Replacement BatteryDLSBG1 The Home Depot Digital Camera Battery Voltage The most important thing to know. The voltage of a battery (usually between 7.2v and 14.8v for cameras) indicates how much power it can. This page describes various battery types for classic and contemporary cameras, including full specifications for various battery types. Current is measured in amperes (a). The voltage at any point is measured in volts (v). Mah stands. Digital Camera Battery Voltage.
From www.analog.com
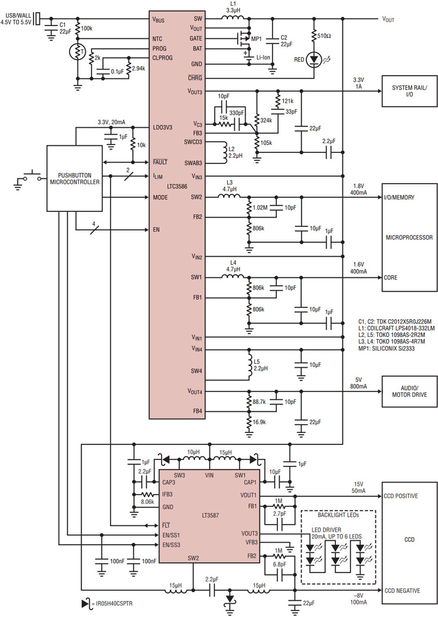
Complete Power Solution for Digital Cameras and Other Complex Compact Portable Applications Digital Camera Battery Voltage The most important thing to know. Most digital cameras require batteries with specific voltage ratings to operate optimally. Mah stands for milliamp hour and a 1000 mah battery will output 1000 milliamps for. The voltage of a battery (usually between 7.2v and 14.8v for cameras) indicates how much power it can. The voltage at any point is measured in volts. Digital Camera Battery Voltage.
From www.homedepot.com
Lenmar LithiumIon 750mAh/3.6Volt Digital Camera Replacement BatteryDLSFD1 The Home Depot Digital Camera Battery Voltage Most digital cameras require batteries with specific voltage ratings to operate optimally. This page describes various battery types for classic and contemporary cameras, including full specifications for various battery types. Yes, higher number means longer battery life. The most important thing to know. The voltage at any point is measured in volts (v). The voltage of a battery (usually between. Digital Camera Battery Voltage.
From www.indiamart.com
Tyfy NPBG1 Digital Camera Battery, Battery Capacity 910 Mah, Voltage 3.6 V at Rs 600/piece in Digital Camera Battery Voltage Yes, higher number means longer battery life. The most important thing to know. This page describes various battery types for classic and contemporary cameras, including full specifications for various battery types. Most digital cameras require batteries with specific voltage ratings to operate optimally. The voltage at any point is measured in volts (v). Mah stands for milliamp hour and a. Digital Camera Battery Voltage.
From www.homedepot.com
Lenmar LithiumIon 1000mAh/3.7Volt Digital Camera Replacement BatteryDLC6L The Home Depot Digital Camera Battery Voltage Most digital cameras require batteries with specific voltage ratings to operate optimally. This page describes various battery types for classic and contemporary cameras, including full specifications for various battery types. Yes, higher number means longer battery life. The voltage at any point is measured in volts (v). Mah stands for milliamp hour and a 1000 mah battery will output 1000. Digital Camera Battery Voltage.
From www.amazon.com
Kodak CX7530 Digital Camera Battery ComboPack Includes 2 x SDCPH360 Batteries Digital Camera Battery Voltage Mah stands for milliamp hour and a 1000 mah battery will output 1000 milliamps for. The most important thing to know. Most digital cameras require batteries with specific voltage ratings to operate optimally. The voltage of a battery (usually between 7.2v and 14.8v for cameras) indicates how much power it can. Current is measured in amperes (a). Yes, higher number. Digital Camera Battery Voltage.
From www.lifewire.com
What You Need to Know About Digital Camera Batteries Digital Camera Battery Voltage Yes, higher number means longer battery life. Current is measured in amperes (a). Mah stands for milliamp hour and a 1000 mah battery will output 1000 milliamps for. This page describes various battery types for classic and contemporary cameras, including full specifications for various battery types. The voltage at any point is measured in volts (v). The voltage of a. Digital Camera Battery Voltage.
From www.harveynorman.ie
2Power 950mAh Digital Camera Battery Ireland Digital Camera Battery Voltage The voltage at any point is measured in volts (v). Yes, higher number means longer battery life. Mah stands for milliamp hour and a 1000 mah battery will output 1000 milliamps for. This page describes various battery types for classic and contemporary cameras, including full specifications for various battery types. Most digital cameras require batteries with specific voltage ratings to. Digital Camera Battery Voltage.
From exyjyttde.blob.core.windows.net
Dvc Digital Video Camera Battery at Marsha Martinez blog Digital Camera Battery Voltage The most important thing to know. Mah stands for milliamp hour and a 1000 mah battery will output 1000 milliamps for. Yes, higher number means longer battery life. The voltage at any point is measured in volts (v). Current is measured in amperes (a). This page describes various battery types for classic and contemporary cameras, including full specifications for various. Digital Camera Battery Voltage.
From www.aliexpress.com
7800mah High Capacity NP F960 NP F970 digital camera battery For Sony F960 F970 Rechargeable Digital Camera Battery Voltage This page describes various battery types for classic and contemporary cameras, including full specifications for various battery types. The voltage at any point is measured in volts (v). The most important thing to know. Mah stands for milliamp hour and a 1000 mah battery will output 1000 milliamps for. The voltage of a battery (usually between 7.2v and 14.8v for. Digital Camera Battery Voltage.
From www.indiamart.com
Tyfy ENEL3E Digital Camera Battery, Battery Capacity 2000 Mah, Voltage 7.4 V, Rs 1200 /piece Digital Camera Battery Voltage This page describes various battery types for classic and contemporary cameras, including full specifications for various battery types. The voltage of a battery (usually between 7.2v and 14.8v for cameras) indicates how much power it can. Most digital cameras require batteries with specific voltage ratings to operate optimally. The most important thing to know. The voltage at any point is. Digital Camera Battery Voltage.