Can A Buck Converter Increase Voltage . Unlike linear regulators that shed their excess voltage as heat, buck converters switch their supply voltage on and off very quickly to adjust their output voltage. A buck/down converter will output a voltage as high as it can, this will then often be the input voltage or a bit lower. How does a buck converter produce more current at the output than is provided at the (higher voltage) input? For a boost converter it. This way of transforming dc voltage level is way long and difficult. The duty cycle of the pwm signal (which controls the switching element) is changed such that. What changes in the buck converter to meet the increase current demand?
from e2e.ti.com
The duty cycle of the pwm signal (which controls the switching element) is changed such that. This way of transforming dc voltage level is way long and difficult. How does a buck converter produce more current at the output than is provided at the (higher voltage) input? What changes in the buck converter to meet the increase current demand? Unlike linear regulators that shed their excess voltage as heat, buck converters switch their supply voltage on and off very quickly to adjust their output voltage. For a boost converter it. A buck/down converter will output a voltage as high as it can, this will then often be the input voltage or a bit lower.
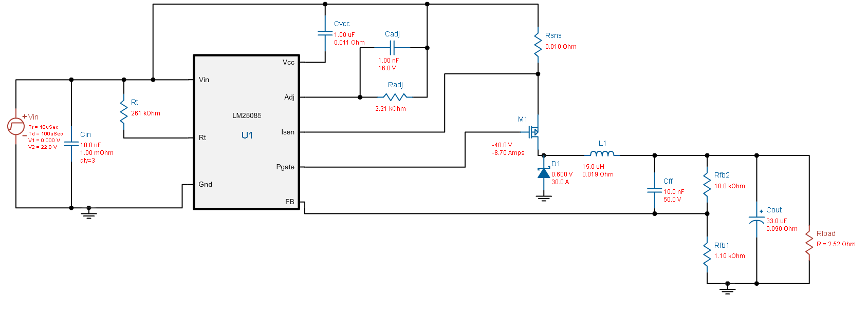
LM25085 Buck converter increase voltage on light load. Power
Can A Buck Converter Increase Voltage A buck/down converter will output a voltage as high as it can, this will then often be the input voltage or a bit lower. This way of transforming dc voltage level is way long and difficult. A buck/down converter will output a voltage as high as it can, this will then often be the input voltage or a bit lower. Unlike linear regulators that shed their excess voltage as heat, buck converters switch their supply voltage on and off very quickly to adjust their output voltage. The duty cycle of the pwm signal (which controls the switching element) is changed such that. How does a buck converter produce more current at the output than is provided at the (higher voltage) input? For a boost converter it. What changes in the buck converter to meet the increase current demand?
From circuitdigest.com
High Power Inverting BuckBoost Converter Circuit Design with TL494 IC Can A Buck Converter Increase Voltage The duty cycle of the pwm signal (which controls the switching element) is changed such that. How does a buck converter produce more current at the output than is provided at the (higher voltage) input? Unlike linear regulators that shed their excess voltage as heat, buck converters switch their supply voltage on and off very quickly to adjust their output. Can A Buck Converter Increase Voltage.
From www.researchgate.net
Buck converter (a) circuit diagram; (b) gate signal and diode voltage Can A Buck Converter Increase Voltage What changes in the buck converter to meet the increase current demand? For a boost converter it. This way of transforming dc voltage level is way long and difficult. Unlike linear regulators that shed their excess voltage as heat, buck converters switch their supply voltage on and off very quickly to adjust their output voltage. How does a buck converter. Can A Buck Converter Increase Voltage.
From www.researchgate.net
Synchronous buck converter topology in its two primary states Can A Buck Converter Increase Voltage For a boost converter it. Unlike linear regulators that shed their excess voltage as heat, buck converters switch their supply voltage on and off very quickly to adjust their output voltage. How does a buck converter produce more current at the output than is provided at the (higher voltage) input? The duty cycle of the pwm signal (which controls the. Can A Buck Converter Increase Voltage.
From www.desertcart.co.ke
Buck Boost Converter, DROK DCDC Buck Boost Converter Voltage Step Up Can A Buck Converter Increase Voltage How does a buck converter produce more current at the output than is provided at the (higher voltage) input? The duty cycle of the pwm signal (which controls the switching element) is changed such that. What changes in the buck converter to meet the increase current demand? For a boost converter it. A buck/down converter will output a voltage as. Can A Buck Converter Increase Voltage.
From www.monolithicpower.com
How to Calculate a Buck Converter's Inductance Article MPS Can A Buck Converter Increase Voltage How does a buck converter produce more current at the output than is provided at the (higher voltage) input? What changes in the buck converter to meet the increase current demand? For a boost converter it. This way of transforming dc voltage level is way long and difficult. The duty cycle of the pwm signal (which controls the switching element). Can A Buck Converter Increase Voltage.
From www.circuits-diy.com
High Current Buck Converter Circuit Dc To Dc Converter Can A Buck Converter Increase Voltage A buck/down converter will output a voltage as high as it can, this will then often be the input voltage or a bit lower. What changes in the buck converter to meet the increase current demand? How does a buck converter produce more current at the output than is provided at the (higher voltage) input? For a boost converter it.. Can A Buck Converter Increase Voltage.
From www.instructables.com
How to Use DC to DC Buck Converter LM2596 8 Steps Instructables Can A Buck Converter Increase Voltage Unlike linear regulators that shed their excess voltage as heat, buck converters switch their supply voltage on and off very quickly to adjust their output voltage. The duty cycle of the pwm signal (which controls the switching element) is changed such that. A buck/down converter will output a voltage as high as it can, this will then often be the. Can A Buck Converter Increase Voltage.
From fixenginestockings.z21.web.core.windows.net
Voltage Conversion Ratio Of Buck Converter Can A Buck Converter Increase Voltage The duty cycle of the pwm signal (which controls the switching element) is changed such that. Unlike linear regulators that shed their excess voltage as heat, buck converters switch their supply voltage on and off very quickly to adjust their output voltage. What changes in the buck converter to meet the increase current demand? How does a buck converter produce. Can A Buck Converter Increase Voltage.
From maker.pro
How to Build an Arduinobased Buck/Boost Converter Arduino Maker Pro Can A Buck Converter Increase Voltage Unlike linear regulators that shed their excess voltage as heat, buck converters switch their supply voltage on and off very quickly to adjust their output voltage. The duty cycle of the pwm signal (which controls the switching element) is changed such that. What changes in the buck converter to meet the increase current demand? How does a buck converter produce. Can A Buck Converter Increase Voltage.
From www.allaboutcircuits.com
LTspice Lab Buck Converter Current and Voltage Dynamics Technical Can A Buck Converter Increase Voltage How does a buck converter produce more current at the output than is provided at the (higher voltage) input? Unlike linear regulators that shed their excess voltage as heat, buck converters switch their supply voltage on and off very quickly to adjust their output voltage. This way of transforming dc voltage level is way long and difficult. What changes in. Can A Buck Converter Increase Voltage.
From www.youtube.com
34 BuckBoost Converter Analysis and Design Power Electronics YouTube Can A Buck Converter Increase Voltage What changes in the buck converter to meet the increase current demand? How does a buck converter produce more current at the output than is provided at the (higher voltage) input? Unlike linear regulators that shed their excess voltage as heat, buck converters switch their supply voltage on and off very quickly to adjust their output voltage. This way of. Can A Buck Converter Increase Voltage.
From www.youtube.com
Power Electronics Buck Converter Design Example Part 1 YouTube Can A Buck Converter Increase Voltage What changes in the buck converter to meet the increase current demand? The duty cycle of the pwm signal (which controls the switching element) is changed such that. How does a buck converter produce more current at the output than is provided at the (higher voltage) input? A buck/down converter will output a voltage as high as it can, this. Can A Buck Converter Increase Voltage.
From www.researchgate.net
Some properties of buck, boost and buckboost converters. Download Can A Buck Converter Increase Voltage This way of transforming dc voltage level is way long and difficult. For a boost converter it. How does a buck converter produce more current at the output than is provided at the (higher voltage) input? The duty cycle of the pwm signal (which controls the switching element) is changed such that. What changes in the buck converter to meet. Can A Buck Converter Increase Voltage.
From e2e.ti.com
Uncover the Bonus Components in Your Buck Converter Schematic Power Can A Buck Converter Increase Voltage How does a buck converter produce more current at the output than is provided at the (higher voltage) input? This way of transforming dc voltage level is way long and difficult. The duty cycle of the pwm signal (which controls the switching element) is changed such that. What changes in the buck converter to meet the increase current demand? For. Can A Buck Converter Increase Voltage.
From userlibdonna.z21.web.core.windows.net
Buck Converter Output Voltage Formula Can A Buck Converter Increase Voltage How does a buck converter produce more current at the output than is provided at the (higher voltage) input? A buck/down converter will output a voltage as high as it can, this will then often be the input voltage or a bit lower. Unlike linear regulators that shed their excess voltage as heat, buck converters switch their supply voltage on. Can A Buck Converter Increase Voltage.
From circuitenginelilium101.z21.web.core.windows.net
Buck Converter Voltage Equation Can A Buck Converter Increase Voltage How does a buck converter produce more current at the output than is provided at the (higher voltage) input? A buck/down converter will output a voltage as high as it can, this will then often be the input voltage or a bit lower. Unlike linear regulators that shed their excess voltage as heat, buck converters switch their supply voltage on. Can A Buck Converter Increase Voltage.
From circuitfixsanchez.z13.web.core.windows.net
Buck Boost Regulator Circuit Diagram Can A Buck Converter Increase Voltage How does a buck converter produce more current at the output than is provided at the (higher voltage) input? This way of transforming dc voltage level is way long and difficult. A buck/down converter will output a voltage as high as it can, this will then often be the input voltage or a bit lower. The duty cycle of the. Can A Buck Converter Increase Voltage.
From e2e.ti.com
LM25085 Buck converter increase voltage on light load. Power Can A Buck Converter Increase Voltage A buck/down converter will output a voltage as high as it can, this will then often be the input voltage or a bit lower. The duty cycle of the pwm signal (which controls the switching element) is changed such that. Unlike linear regulators that shed their excess voltage as heat, buck converters switch their supply voltage on and off very. Can A Buck Converter Increase Voltage.
From www.allaboutcircuits.com
LTspice Lab Buck Converter Current and Voltage Dynamics Technical Can A Buck Converter Increase Voltage The duty cycle of the pwm signal (which controls the switching element) is changed such that. This way of transforming dc voltage level is way long and difficult. Unlike linear regulators that shed their excess voltage as heat, buck converters switch their supply voltage on and off very quickly to adjust their output voltage. For a boost converter it. What. Can A Buck Converter Increase Voltage.
From www.utmel.com
Introduction to buck, boost, and buckboost converters Utmel Can A Buck Converter Increase Voltage How does a buck converter produce more current at the output than is provided at the (higher voltage) input? Unlike linear regulators that shed their excess voltage as heat, buck converters switch their supply voltage on and off very quickly to adjust their output voltage. What changes in the buck converter to meet the increase current demand? For a boost. Can A Buck Converter Increase Voltage.
From qatar.desertcart.com
Buy Buck Boost Converter, DROK DCDC Buck Boost Converter Voltage Step Can A Buck Converter Increase Voltage The duty cycle of the pwm signal (which controls the switching element) is changed such that. For a boost converter it. This way of transforming dc voltage level is way long and difficult. Unlike linear regulators that shed their excess voltage as heat, buck converters switch their supply voltage on and off very quickly to adjust their output voltage. How. Can A Buck Converter Increase Voltage.
From www.electricaltechnology.org
Buck Converter Circuit, Design, Operation and Examples Can A Buck Converter Increase Voltage The duty cycle of the pwm signal (which controls the switching element) is changed such that. How does a buck converter produce more current at the output than is provided at the (higher voltage) input? A buck/down converter will output a voltage as high as it can, this will then often be the input voltage or a bit lower. For. Can A Buck Converter Increase Voltage.
From www.powerctc.com
Negative Voltage Generation in Buck Converter Coil Technology Corporation Can A Buck Converter Increase Voltage For a boost converter it. This way of transforming dc voltage level is way long and difficult. A buck/down converter will output a voltage as high as it can, this will then often be the input voltage or a bit lower. How does a buck converter produce more current at the output than is provided at the (higher voltage) input?. Can A Buck Converter Increase Voltage.
From www.researchgate.net
Buck converter and its inductor current and output voltage. Download Can A Buck Converter Increase Voltage What changes in the buck converter to meet the increase current demand? A buck/down converter will output a voltage as high as it can, this will then often be the input voltage or a bit lower. Unlike linear regulators that shed their excess voltage as heat, buck converters switch their supply voltage on and off very quickly to adjust their. Can A Buck Converter Increase Voltage.
From www.electronicproducts.com
What every engineer should know about buckboost converters Can A Buck Converter Increase Voltage For a boost converter it. This way of transforming dc voltage level is way long and difficult. Unlike linear regulators that shed their excess voltage as heat, buck converters switch their supply voltage on and off very quickly to adjust their output voltage. A buck/down converter will output a voltage as high as it can, this will then often be. Can A Buck Converter Increase Voltage.
From www.youtube.com
Current Mode Control of BuckBoost Converter YouTube Can A Buck Converter Increase Voltage For a boost converter it. Unlike linear regulators that shed their excess voltage as heat, buck converters switch their supply voltage on and off very quickly to adjust their output voltage. How does a buck converter produce more current at the output than is provided at the (higher voltage) input? A buck/down converter will output a voltage as high as. Can A Buck Converter Increase Voltage.
From www.desertcart.com.cy
Buck Boost Converter, DROK DCDC Buck Boost Converter Voltage Step Up Can A Buck Converter Increase Voltage A buck/down converter will output a voltage as high as it can, this will then often be the input voltage or a bit lower. This way of transforming dc voltage level is way long and difficult. Unlike linear regulators that shed their excess voltage as heat, buck converters switch their supply voltage on and off very quickly to adjust their. Can A Buck Converter Increase Voltage.
From www.arrow.com
How Does a BuckBoost Converter Work? Can A Buck Converter Increase Voltage Unlike linear regulators that shed their excess voltage as heat, buck converters switch their supply voltage on and off very quickly to adjust their output voltage. For a boost converter it. A buck/down converter will output a voltage as high as it can, this will then often be the input voltage or a bit lower. How does a buck converter. Can A Buck Converter Increase Voltage.
From maker.pro
Designing an Arduinobased Buckboost Converter With Feedback Arduino Can A Buck Converter Increase Voltage What changes in the buck converter to meet the increase current demand? The duty cycle of the pwm signal (which controls the switching element) is changed such that. For a boost converter it. A buck/down converter will output a voltage as high as it can, this will then often be the input voltage or a bit lower. Unlike linear regulators. Can A Buck Converter Increase Voltage.
From www.researchgate.net
BuckBoost converter, based on halfbridge IGBT modules with drivers Can A Buck Converter Increase Voltage How does a buck converter produce more current at the output than is provided at the (higher voltage) input? What changes in the buck converter to meet the increase current demand? The duty cycle of the pwm signal (which controls the switching element) is changed such that. This way of transforming dc voltage level is way long and difficult. A. Can A Buck Converter Increase Voltage.
From www.researchgate.net
Fig9. Graph of voltage gain versus duty ratio for various buckboost Can A Buck Converter Increase Voltage How does a buck converter produce more current at the output than is provided at the (higher voltage) input? For a boost converter it. This way of transforming dc voltage level is way long and difficult. What changes in the buck converter to meet the increase current demand? Unlike linear regulators that shed their excess voltage as heat, buck converters. Can A Buck Converter Increase Voltage.
From www.allaboutcircuits.com
Buck Converters and Their Cool Applications Technical Articles Can A Buck Converter Increase Voltage The duty cycle of the pwm signal (which controls the switching element) is changed such that. This way of transforming dc voltage level is way long and difficult. For a boost converter it. Unlike linear regulators that shed their excess voltage as heat, buck converters switch their supply voltage on and off very quickly to adjust their output voltage. A. Can A Buck Converter Increase Voltage.
From circuitaryns.z14.web.core.windows.net
Buck Boost Converter Circuit Diagram Pdf Can A Buck Converter Increase Voltage What changes in the buck converter to meet the increase current demand? A buck/down converter will output a voltage as high as it can, this will then often be the input voltage or a bit lower. This way of transforming dc voltage level is way long and difficult. How does a buck converter produce more current at the output than. Can A Buck Converter Increase Voltage.
From engineerfix.com
Buck and BuckBoost Converters What Are They and Their Working Can A Buck Converter Increase Voltage What changes in the buck converter to meet the increase current demand? For a boost converter it. This way of transforming dc voltage level is way long and difficult. Unlike linear regulators that shed their excess voltage as heat, buck converters switch their supply voltage on and off very quickly to adjust their output voltage. How does a buck converter. Can A Buck Converter Increase Voltage.
From www.researchgate.net
(a) Voltageand currentmode control scheme for buck converter; (b) VCO Can A Buck Converter Increase Voltage This way of transforming dc voltage level is way long and difficult. How does a buck converter produce more current at the output than is provided at the (higher voltage) input? A buck/down converter will output a voltage as high as it can, this will then often be the input voltage or a bit lower. For a boost converter it.. Can A Buck Converter Increase Voltage.