Electronic Lock Circuit . Since this circuit incorporates a keypad (micro switches). in this simple circuit we are building 555 timer ic based code lock. in this article we will see how simple it is to wire this ic into an electronic combination lock. this simple code lock circuit described here is of an electronic combination lock for daily. In this lock, there will be 8 buttons and one needs to. You could connect it to anything from 1v to 400v (or maybe…. in this tutorial, we'll see about how to make a simple electronic code lock. I've always wondered how did electronic locks work, so once i finished the basic digital electronics course i decided to build one myself. And i´ll help you to build your own! a electronic combination lock is a device which is designed to activate an electrical solenoid locking system whenever the correct.
from www.amazon.com
in this tutorial, we'll see about how to make a simple electronic code lock. In this lock, there will be 8 buttons and one needs to. And i´ll help you to build your own! in this simple circuit we are building 555 timer ic based code lock. I've always wondered how did electronic locks work, so once i finished the basic digital electronics course i decided to build one myself. in this article we will see how simple it is to wire this ic into an electronic combination lock. You could connect it to anything from 1v to 400v (or maybe…. this simple code lock circuit described here is of an electronic combination lock for daily. a electronic combination lock is a device which is designed to activate an electrical solenoid locking system whenever the correct. Since this circuit incorporates a keypad (micro switches).
uxcell DC 12V 0.8A 11.4mm Solenoid Lock Assembly for
Electronic Lock Circuit in this simple circuit we are building 555 timer ic based code lock. in this simple circuit we are building 555 timer ic based code lock. in this tutorial, we'll see about how to make a simple electronic code lock. I've always wondered how did electronic locks work, so once i finished the basic digital electronics course i decided to build one myself. a electronic combination lock is a device which is designed to activate an electrical solenoid locking system whenever the correct. In this lock, there will be 8 buttons and one needs to. You could connect it to anything from 1v to 400v (or maybe…. this simple code lock circuit described here is of an electronic combination lock for daily. And i´ll help you to build your own! Since this circuit incorporates a keypad (micro switches). in this article we will see how simple it is to wire this ic into an electronic combination lock.
From circuitdigest.com
Digital Code Lock Project using Arduino Electronic Lock Circuit And i´ll help you to build your own! In this lock, there will be 8 buttons and one needs to. I've always wondered how did electronic locks work, so once i finished the basic digital electronics course i decided to build one myself. You could connect it to anything from 1v to 400v (or maybe…. this simple code lock. Electronic Lock Circuit.
From www.allaboutcircuits.com
Digital Lab Digital Combination Lock Digital IC Projects Electronic Lock Circuit I've always wondered how did electronic locks work, so once i finished the basic digital electronics course i decided to build one myself. in this simple circuit we are building 555 timer ic based code lock. And i´ll help you to build your own! in this tutorial, we'll see about how to make a simple electronic code lock.. Electronic Lock Circuit.
From bestengineeringprojects.com
Electronic Code Lock Circuit Best Engineering Projects Electronic Lock Circuit In this lock, there will be 8 buttons and one needs to. a electronic combination lock is a device which is designed to activate an electrical solenoid locking system whenever the correct. in this article we will see how simple it is to wire this ic into an electronic combination lock. You could connect it to anything from. Electronic Lock Circuit.
From electrosome.com
Digital Door Lock using Arduino Keypad Number Lock Electronic Lock Circuit In this lock, there will be 8 buttons and one needs to. You could connect it to anything from 1v to 400v (or maybe…. a electronic combination lock is a device which is designed to activate an electrical solenoid locking system whenever the correct. in this simple circuit we are building 555 timer ic based code lock. . Electronic Lock Circuit.
From w3circuits.blogspot.com
Electronic Combination Lock with Auto Reset Circuit Diagram Electronic Lock Circuit I've always wondered how did electronic locks work, so once i finished the basic digital electronics course i decided to build one myself. this simple code lock circuit described here is of an electronic combination lock for daily. a electronic combination lock is a device which is designed to activate an electrical solenoid locking system whenever the correct.. Electronic Lock Circuit.
From www.engineersgarage.com
Simple Electronic Lock using Keypad and 8051 microcontroller Electronic Lock Circuit Since this circuit incorporates a keypad (micro switches). In this lock, there will be 8 buttons and one needs to. a electronic combination lock is a device which is designed to activate an electrical solenoid locking system whenever the correct. You could connect it to anything from 1v to 400v (or maybe…. And i´ll help you to build your. Electronic Lock Circuit.
From wiringdiagram.2bitboer.com
wiring diagram of electric locks Wiring Diagram Electronic Lock Circuit Since this circuit incorporates a keypad (micro switches). in this article we will see how simple it is to wire this ic into an electronic combination lock. I've always wondered how did electronic locks work, so once i finished the basic digital electronics course i decided to build one myself. And i´ll help you to build your own! . Electronic Lock Circuit.
From topcircuitbreaker.com
Electric Lock Circuit Breaker Accessory DADA Electronic Lock Circuit I've always wondered how did electronic locks work, so once i finished the basic digital electronics course i decided to build one myself. In this lock, there will be 8 buttons and one needs to. And i´ll help you to build your own! in this simple circuit we are building 555 timer ic based code lock. Since this circuit. Electronic Lock Circuit.
From www.circuits-diy.com
Electronic Code Lock Circuit Electronic Lock Circuit Since this circuit incorporates a keypad (micro switches). In this lock, there will be 8 buttons and one needs to. in this tutorial, we'll see about how to make a simple electronic code lock. You could connect it to anything from 1v to 400v (or maybe…. in this article we will see how simple it is to wire. Electronic Lock Circuit.
From wiringlibraryeric.z19.web.core.windows.net
Simple Electronic Lock Circuit Diagram Electronic Lock Circuit this simple code lock circuit described here is of an electronic combination lock for daily. In this lock, there will be 8 buttons and one needs to. Since this circuit incorporates a keypad (micro switches). I've always wondered how did electronic locks work, so once i finished the basic digital electronics course i decided to build one myself. You. Electronic Lock Circuit.
From freepolyphonicringtonesdownloadodkmr.blogspot.com
Electric Entry Lock Wiring Diagram Free Polynes Electronic Lock Circuit in this article we will see how simple it is to wire this ic into an electronic combination lock. a electronic combination lock is a device which is designed to activate an electrical solenoid locking system whenever the correct. in this tutorial, we'll see about how to make a simple electronic code lock. In this lock, there. Electronic Lock Circuit.
From www.circuits-diy.com
Electronic Combination Lock using IC LS7220 Electronic Lock Circuit a electronic combination lock is a device which is designed to activate an electrical solenoid locking system whenever the correct. in this simple circuit we are building 555 timer ic based code lock. And i´ll help you to build your own! Since this circuit incorporates a keypad (micro switches). I've always wondered how did electronic locks work, so. Electronic Lock Circuit.
From www.dreamstime.com
Padlock with Electronic Circuit Stock Vector Illustration of Electronic Lock Circuit I've always wondered how did electronic locks work, so once i finished the basic digital electronics course i decided to build one myself. in this simple circuit we are building 555 timer ic based code lock. in this article we will see how simple it is to wire this ic into an electronic combination lock. You could connect. Electronic Lock Circuit.
From www.next.gr
door lock circuit Page 2 Security Circuits Next.gr Electronic Lock Circuit this simple code lock circuit described here is of an electronic combination lock for daily. And i´ll help you to build your own! You could connect it to anything from 1v to 400v (or maybe…. in this tutorial, we'll see about how to make a simple electronic code lock. in this article we will see how simple. Electronic Lock Circuit.
From www.lazada.com.ph
Access Control Lock Delay Board Access Control Building Lock Electronic Lock Circuit And i´ll help you to build your own! You could connect it to anything from 1v to 400v (or maybe…. I've always wondered how did electronic locks work, so once i finished the basic digital electronics course i decided to build one myself. in this article we will see how simple it is to wire this ic into an. Electronic Lock Circuit.
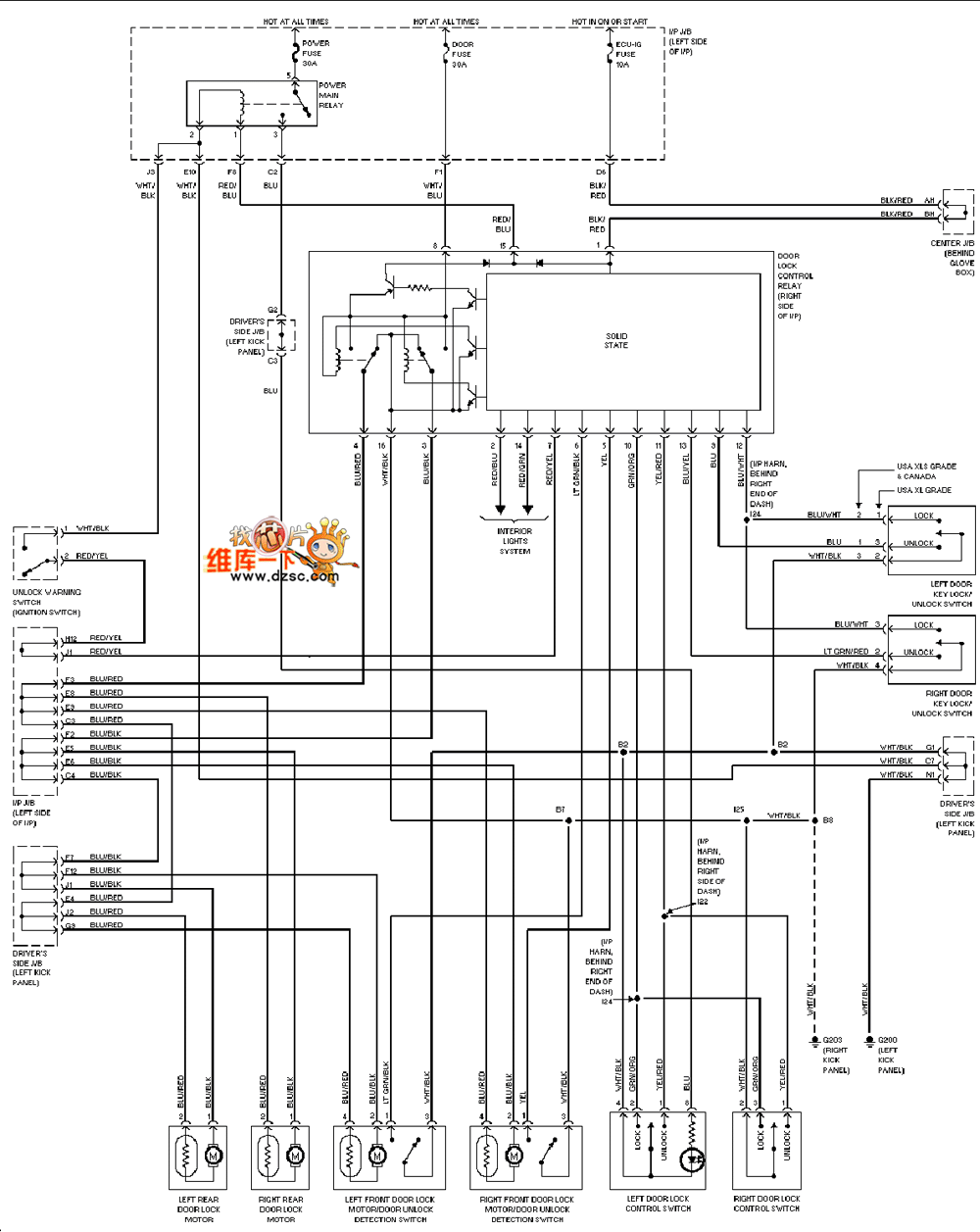
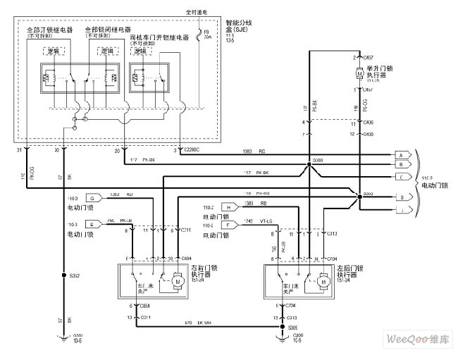
From www.seekic.com
Toyota electric lock circuit ( without security) Automotive_Circuit Electronic Lock Circuit You could connect it to anything from 1v to 400v (or maybe…. in this article we will see how simple it is to wire this ic into an electronic combination lock. a electronic combination lock is a device which is designed to activate an electrical solenoid locking system whenever the correct. in this tutorial, we'll see about. Electronic Lock Circuit.
From www.seekic.com
Maverick 2005 electric locks circuit 555_Circuit Circuit Diagram Electronic Lock Circuit You could connect it to anything from 1v to 400v (or maybe…. In this lock, there will be 8 buttons and one needs to. this simple code lock circuit described here is of an electronic combination lock for daily. in this tutorial, we'll see about how to make a simple electronic code lock. And i´ll help you to. Electronic Lock Circuit.
From wiringlibraryeric.z19.web.core.windows.net
Simple Electronic Lock Circuit Diagram Electronic Lock Circuit I've always wondered how did electronic locks work, so once i finished the basic digital electronics course i decided to build one myself. Since this circuit incorporates a keypad (micro switches). in this simple circuit we are building 555 timer ic based code lock. And i´ll help you to build your own! In this lock, there will be 8. Electronic Lock Circuit.
From www.gadgetronicx.com
Electronic Code locking system using PIC 16F877 Mircocontroller Electronic Lock Circuit I've always wondered how did electronic locks work, so once i finished the basic digital electronics course i decided to build one myself. in this article we will see how simple it is to wire this ic into an electronic combination lock. in this simple circuit we are building 555 timer ic based code lock. a electronic. Electronic Lock Circuit.
From www.hobbyprojects.com
Digital Combination Lock Circuit Diagram Project Tutorial Alarms Electronic Lock Circuit in this tutorial, we'll see about how to make a simple electronic code lock. this simple code lock circuit described here is of an electronic combination lock for daily. And i´ll help you to build your own! in this article we will see how simple it is to wire this ic into an electronic combination lock. . Electronic Lock Circuit.
From todayscircuits.blogspot.com
Electronic Combination Lock using IC LS 7220 Todays Circuits Electronic Lock Circuit I've always wondered how did electronic locks work, so once i finished the basic digital electronics course i decided to build one myself. You could connect it to anything from 1v to 400v (or maybe…. in this simple circuit we are building 555 timer ic based code lock. And i´ll help you to build your own! In this lock,. Electronic Lock Circuit.
From www.next.gr
Electronic Locks Circuits under Repositorycircuits 45251 Next.gr Electronic Lock Circuit a electronic combination lock is a device which is designed to activate an electrical solenoid locking system whenever the correct. in this tutorial, we'll see about how to make a simple electronic code lock. in this article we will see how simple it is to wire this ic into an electronic combination lock. I've always wondered how. Electronic Lock Circuit.
From www.engineersgarage.com
Electronic Code Lock Circuit Electronic Lock Circuit And i´ll help you to build your own! in this article we will see how simple it is to wire this ic into an electronic combination lock. in this tutorial, we'll see about how to make a simple electronic code lock. You could connect it to anything from 1v to 400v (or maybe…. In this lock, there will. Electronic Lock Circuit.
From www.aliexpress.com
12V Electronic Latch Lock Catch Door Gate Electric Release Assembly Electronic Lock Circuit in this tutorial, we'll see about how to make a simple electronic code lock. In this lock, there will be 8 buttons and one needs to. this simple code lock circuit described here is of an electronic combination lock for daily. in this article we will see how simple it is to wire this ic into an. Electronic Lock Circuit.
From www.circuitstoday.com
Digital code lock Electronic Circuits and DiagramsElectronic Electronic Lock Circuit in this simple circuit we are building 555 timer ic based code lock. in this article we will see how simple it is to wire this ic into an electronic combination lock. Since this circuit incorporates a keypad (micro switches). In this lock, there will be 8 buttons and one needs to. And i´ll help you to build. Electronic Lock Circuit.
From schematicgadfly.z13.web.core.windows.net
Automatic Door Locking System Circuit Diagram Electronic Lock Circuit In this lock, there will be 8 buttons and one needs to. And i´ll help you to build your own! in this simple circuit we are building 555 timer ic based code lock. You could connect it to anything from 1v to 400v (or maybe…. Since this circuit incorporates a keypad (micro switches). I've always wondered how did electronic. Electronic Lock Circuit.
From www.next.gr
Automotive electronic locks circuit under Automotive Circuits 59594 Electronic Lock Circuit You could connect it to anything from 1v to 400v (or maybe…. Since this circuit incorporates a keypad (micro switches). a electronic combination lock is a device which is designed to activate an electrical solenoid locking system whenever the correct. in this tutorial, we'll see about how to make a simple electronic code lock. in this article. Electronic Lock Circuit.
From www.next.gr
Electronic combination lock under Lock Circuits 12013 Next.gr Electronic Lock Circuit Since this circuit incorporates a keypad (micro switches). You could connect it to anything from 1v to 400v (or maybe…. And i´ll help you to build your own! this simple code lock circuit described here is of an electronic combination lock for daily. I've always wondered how did electronic locks work, so once i finished the basic digital electronics. Electronic Lock Circuit.
From www.electroschematics.com
Simple Code Lock Circuit Electronic Lock Circuit And i´ll help you to build your own! in this simple circuit we are building 555 timer ic based code lock. Since this circuit incorporates a keypad (micro switches). in this article we will see how simple it is to wire this ic into an electronic combination lock. a electronic combination lock is a device which is. Electronic Lock Circuit.
From scopionz.blogspot.com
Digital Combination Lock Circuit with Keypad and LCD 16F628 Electronic Lock Circuit in this article we will see how simple it is to wire this ic into an electronic combination lock. And i´ll help you to build your own! this simple code lock circuit described here is of an electronic combination lock for daily. in this simple circuit we are building 555 timer ic based code lock. You could. Electronic Lock Circuit.
From www.next.gr
door lock circuit Page 3 Security Circuits Next.gr Electronic Lock Circuit You could connect it to anything from 1v to 400v (or maybe…. a electronic combination lock is a device which is designed to activate an electrical solenoid locking system whenever the correct. this simple code lock circuit described here is of an electronic combination lock for daily. in this article we will see how simple it is. Electronic Lock Circuit.
From www.next.gr
door lock circuit Page 4 Security Circuits Next.gr Electronic Lock Circuit In this lock, there will be 8 buttons and one needs to. in this simple circuit we are building 555 timer ic based code lock. Since this circuit incorporates a keypad (micro switches). And i´ll help you to build your own! I've always wondered how did electronic locks work, so once i finished the basic digital electronics course i. Electronic Lock Circuit.
From www.circuitstoday.com
Electronic Combination Lock Circuit using IC LS 7220 Electronic Lock Circuit a electronic combination lock is a device which is designed to activate an electrical solenoid locking system whenever the correct. You could connect it to anything from 1v to 400v (or maybe…. I've always wondered how did electronic locks work, so once i finished the basic digital electronics course i decided to build one myself. Since this circuit incorporates. Electronic Lock Circuit.
From alectronicx.blogspot.com
Simple Electronic Combination Lock Circuit schematic with explanation Electronic Lock Circuit You could connect it to anything from 1v to 400v (or maybe…. a electronic combination lock is a device which is designed to activate an electrical solenoid locking system whenever the correct. this simple code lock circuit described here is of an electronic combination lock for daily. in this simple circuit we are building 555 timer ic. Electronic Lock Circuit.
From www.amazon.com
uxcell DC 12V 0.8A 11.4mm Solenoid Lock Assembly for Electronic Lock Circuit in this tutorial, we'll see about how to make a simple electronic code lock. You could connect it to anything from 1v to 400v (or maybe…. I've always wondered how did electronic locks work, so once i finished the basic digital electronics course i decided to build one myself. a electronic combination lock is a device which is. Electronic Lock Circuit.