What Is Accessory Power Mean . Full accessory power, also known as “fap,” is among the most perplexing mechanical terms. In a nutshell, “full accessory power active” is a vehicle’s state that permits the operation of all electrical components without starting the engine. It’s a technology that enables your. Yes, if you want to disable it, to. What does full accessory power active mean? In a nutshell, “full accessory power active” means that all the power outlets and accessories in your car are functioning without the engine running. It means something is plugged into one of the power outlets and it could drain the cars battery. The term “full accessory power active” is a modern car’s way of telling you that certain features are available to use, even when the engine isn’t running. It means you have full power for all accessories, the usb and power outlets, without starting the car. It’s an indispensable feature for those. 35 people found this helpful.
from www.cprou.com
The term “full accessory power active” is a modern car’s way of telling you that certain features are available to use, even when the engine isn’t running. It means you have full power for all accessories, the usb and power outlets, without starting the car. In a nutshell, “full accessory power active” is a vehicle’s state that permits the operation of all electrical components without starting the engine. Full accessory power, also known as “fap,” is among the most perplexing mechanical terms. It means something is plugged into one of the power outlets and it could drain the cars battery. 35 people found this helpful. What does full accessory power active mean? It’s an indispensable feature for those. It’s a technology that enables your. In a nutshell, “full accessory power active” means that all the power outlets and accessories in your car are functioning without the engine running.
The Right Power Supply For Your Computer Computer PRO Unltd.
What Is Accessory Power Mean 35 people found this helpful. Yes, if you want to disable it, to. It’s an indispensable feature for those. In a nutshell, “full accessory power active” is a vehicle’s state that permits the operation of all electrical components without starting the engine. It means you have full power for all accessories, the usb and power outlets, without starting the car. 35 people found this helpful. Full accessory power, also known as “fap,” is among the most perplexing mechanical terms. What does full accessory power active mean? In a nutshell, “full accessory power active” means that all the power outlets and accessories in your car are functioning without the engine running. The term “full accessory power active” is a modern car’s way of telling you that certain features are available to use, even when the engine isn’t running. It means something is plugged into one of the power outlets and it could drain the cars battery. It’s a technology that enables your.
From cars-care.net
What is Acc in a Car What Is Accessory Power Mean In a nutshell, “full accessory power active” means that all the power outlets and accessories in your car are functioning without the engine running. The term “full accessory power active” is a modern car’s way of telling you that certain features are available to use, even when the engine isn’t running. It means something is plugged into one of the. What Is Accessory Power Mean.
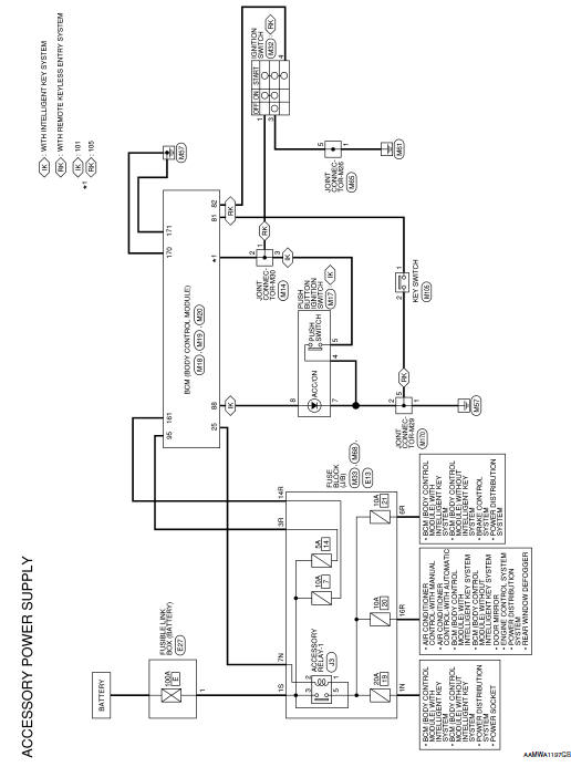
From client.v.just.edu.cn
Accessory Power IC PMIC Samsung Semiconductor USA What Is Accessory Power Mean It means something is plugged into one of the power outlets and it could drain the cars battery. In a nutshell, “full accessory power active” means that all the power outlets and accessories in your car are functioning without the engine running. In a nutshell, “full accessory power active” is a vehicle’s state that permits the operation of all electrical. What Is Accessory Power Mean.
From semiconductor.samsung.com
Accessory Power IC PMIC Samsung Semiconductor Global What Is Accessory Power Mean Full accessory power, also known as “fap,” is among the most perplexing mechanical terms. Yes, if you want to disable it, to. What does full accessory power active mean? In a nutshell, “full accessory power active” is a vehicle’s state that permits the operation of all electrical components without starting the engine. It’s a technology that enables your. 35 people. What Is Accessory Power Mean.
From www.yamunadensons.com
Role of Standard Power Cable Accessories Yamuna Densons What Is Accessory Power Mean It’s a technology that enables your. In a nutshell, “full accessory power active” means that all the power outlets and accessories in your car are functioning without the engine running. It means something is plugged into one of the power outlets and it could drain the cars battery. 35 people found this helpful. In a nutshell, “full accessory power active”. What Is Accessory Power Mean.
From semiconductor.samsung.com
Accessory Power IC PMIC Samsung Semiconductor EMEA What Is Accessory Power Mean The term “full accessory power active” is a modern car’s way of telling you that certain features are available to use, even when the engine isn’t running. Yes, if you want to disable it, to. It means you have full power for all accessories, the usb and power outlets, without starting the car. It means something is plugged into one. What Is Accessory Power Mean.
From www.lsc.com.au
Cable & Power Supplies LSC Complete Security Solutions LSC What Is Accessory Power Mean It’s an indispensable feature for those. Yes, if you want to disable it, to. 35 people found this helpful. In a nutshell, “full accessory power active” means that all the power outlets and accessories in your car are functioning without the engine running. It’s a technology that enables your. It means you have full power for all accessories, the usb. What Is Accessory Power Mean.
From www.youtube.com
How to Find the ACC 12V Power Source in Fuse Box YouTube What Is Accessory Power Mean What does full accessory power active mean? It means you have full power for all accessories, the usb and power outlets, without starting the car. Full accessory power, also known as “fap,” is among the most perplexing mechanical terms. It’s an indispensable feature for those. It’s a technology that enables your. In a nutshell, “full accessory power active” is a. What Is Accessory Power Mean.
From pxhere.com
Free Images notebook, computer, mobile, technology, electricity What Is Accessory Power Mean 35 people found this helpful. It’s an indispensable feature for those. What does full accessory power active mean? The term “full accessory power active” is a modern car’s way of telling you that certain features are available to use, even when the engine isn’t running. It means something is plugged into one of the power outlets and it could drain. What Is Accessory Power Mean.
From 2020cadillac.com
Harley Accessory Plug Wiring Diagram Cadician's Blog What Is Accessory Power Mean In a nutshell, “full accessory power active” is a vehicle’s state that permits the operation of all electrical components without starting the engine. The term “full accessory power active” is a modern car’s way of telling you that certain features are available to use, even when the engine isn’t running. In a nutshell, “full accessory power active” means that all. What Is Accessory Power Mean.
From www.automotiverider.com
What Does Full Accessory Power Active Mean? (100 Fixed!) » AutomotiveRider What Is Accessory Power Mean Yes, if you want to disable it, to. What does full accessory power active mean? In a nutshell, “full accessory power active” is a vehicle’s state that permits the operation of all electrical components without starting the engine. In a nutshell, “full accessory power active” means that all the power outlets and accessories in your car are functioning without the. What Is Accessory Power Mean.
From www.youtube.com
How to wire up accessories Jeep Wrangler (the easy way) YouTube What Is Accessory Power Mean It’s a technology that enables your. It’s an indispensable feature for those. Full accessory power, also known as “fap,” is among the most perplexing mechanical terms. Yes, if you want to disable it, to. It means something is plugged into one of the power outlets and it could drain the cars battery. In a nutshell, “full accessory power active” is. What Is Accessory Power Mean.
From semiconductor.samsung.com
Accessory Power IC PMIC Samsung Semiconductor Global What Is Accessory Power Mean In a nutshell, “full accessory power active” means that all the power outlets and accessories in your car are functioning without the engine running. Yes, if you want to disable it, to. What does full accessory power active mean? 35 people found this helpful. The term “full accessory power active” is a modern car’s way of telling you that certain. What Is Accessory Power Mean.
From fyoprbfhq.blob.core.windows.net
Accessory Power Meaning at Ryan Torbett blog What Is Accessory Power Mean It means you have full power for all accessories, the usb and power outlets, without starting the car. Full accessory power, also known as “fap,” is among the most perplexing mechanical terms. What does full accessory power active mean? The term “full accessory power active” is a modern car’s way of telling you that certain features are available to use,. What Is Accessory Power Mean.
From www.accessorypower.de
Accessory Power What Is Accessory Power Mean It’s an indispensable feature for those. It means something is plugged into one of the power outlets and it could drain the cars battery. In a nutshell, “full accessory power active” means that all the power outlets and accessories in your car are functioning without the engine running. Yes, if you want to disable it, to. It’s a technology that. What Is Accessory Power Mean.
From semiconductor.samsung.com
Accessory Power IC PMIC Samsung Semiconductor Global What Is Accessory Power Mean Full accessory power, also known as “fap,” is among the most perplexing mechanical terms. It means you have full power for all accessories, the usb and power outlets, without starting the car. In a nutshell, “full accessory power active” means that all the power outlets and accessories in your car are functioning without the engine running. It’s a technology that. What Is Accessory Power Mean.
From www.yamunapower.com
Power Cable Accessories Enhancing Efficiency and Safety in Electrical What Is Accessory Power Mean 35 people found this helpful. It’s a technology that enables your. Full accessory power, also known as “fap,” is among the most perplexing mechanical terms. In a nutshell, “full accessory power active” means that all the power outlets and accessories in your car are functioning without the engine running. It means something is plugged into one of the power outlets. What Is Accessory Power Mean.
From gas-turbines.weebly.com
Gear Boxes & Accessory Drives What Is Accessory Power Mean It’s a technology that enables your. In a nutshell, “full accessory power active” means that all the power outlets and accessories in your car are functioning without the engine running. It’s an indispensable feature for those. 35 people found this helpful. It means you have full power for all accessories, the usb and power outlets, without starting the car. What. What Is Accessory Power Mean.
From semiconductor.samsung.com
Accessory Power IC PMIC Samsung Semiconductor Global What Is Accessory Power Mean It’s an indispensable feature for those. 35 people found this helpful. Yes, if you want to disable it, to. It’s a technology that enables your. It means you have full power for all accessories, the usb and power outlets, without starting the car. Full accessory power, also known as “fap,” is among the most perplexing mechanical terms. What does full. What Is Accessory Power Mean.
From semiconductor.samsung.com
Accessory Power IC PMIC Samsung Semiconductor Global What Is Accessory Power Mean It’s a technology that enables your. 35 people found this helpful. In a nutshell, “full accessory power active” is a vehicle’s state that permits the operation of all electrical components without starting the engine. The term “full accessory power active” is a modern car’s way of telling you that certain features are available to use, even when the engine isn’t. What Is Accessory Power Mean.
From www.pinterest.com.mx
Fashion Accessories List of Accessories for Men and Women in English What Is Accessory Power Mean Yes, if you want to disable it, to. In a nutshell, “full accessory power active” is a vehicle’s state that permits the operation of all electrical components without starting the engine. The term “full accessory power active” is a modern car’s way of telling you that certain features are available to use, even when the engine isn’t running. Full accessory. What Is Accessory Power Mean.
From www.brandedbiker.co.uk
O06 Optimate Accessory Power Socket SAE76 What Is Accessory Power Mean It means something is plugged into one of the power outlets and it could drain the cars battery. In a nutshell, “full accessory power active” means that all the power outlets and accessories in your car are functioning without the engine running. What does full accessory power active mean? 35 people found this helpful. In a nutshell, “full accessory power. What Is Accessory Power Mean.
From semiconductor.samsung.com
Accessory Power IC PMIC Samsung Semiconductor Global What Is Accessory Power Mean In a nutshell, “full accessory power active” means that all the power outlets and accessories in your car are functioning without the engine running. It means something is plugged into one of the power outlets and it could drain the cars battery. The term “full accessory power active” is a modern car’s way of telling you that certain features are. What Is Accessory Power Mean.
From blog.interpower.com
Accessory Power Key Systems for Power Integration & Exportation What Is Accessory Power Mean What does full accessory power active mean? It’s a technology that enables your. It means you have full power for all accessories, the usb and power outlets, without starting the car. Yes, if you want to disable it, to. It means something is plugged into one of the power outlets and it could drain the cars battery. It’s an indispensable. What Is Accessory Power Mean.
From semiconductor.samsung.com
Accessory Power IC PMIC Samsung Semiconductor Global What Is Accessory Power Mean What does full accessory power active mean? The term “full accessory power active” is a modern car’s way of telling you that certain features are available to use, even when the engine isn’t running. Full accessory power, also known as “fap,” is among the most perplexing mechanical terms. It’s an indispensable feature for those. It’s a technology that enables your.. What Is Accessory Power Mean.
From semiconductor.samsung.com
Accessory Power IC PMIC Samsung Semiconductor Global What Is Accessory Power Mean In a nutshell, “full accessory power active” is a vehicle’s state that permits the operation of all electrical components without starting the engine. It means something is plugged into one of the power outlets and it could drain the cars battery. 35 people found this helpful. It’s a technology that enables your. In a nutshell, “full accessory power active” means. What Is Accessory Power Mean.
From www.nirogue.com
Nissan Rogue Service Manual Power supply routing circuit DTC/circuit What Is Accessory Power Mean Full accessory power, also known as “fap,” is among the most perplexing mechanical terms. It’s an indispensable feature for those. In a nutshell, “full accessory power active” means that all the power outlets and accessories in your car are functioning without the engine running. The term “full accessory power active” is a modern car’s way of telling you that certain. What Is Accessory Power Mean.
From vehicleschool.com
Full Accessory Power Active Ford F150 What Does It Mean? What Is Accessory Power Mean In a nutshell, “full accessory power active” is a vehicle’s state that permits the operation of all electrical components without starting the engine. What does full accessory power active mean? It means you have full power for all accessories, the usb and power outlets, without starting the car. It’s an indispensable feature for those. Full accessory power, also known as. What Is Accessory Power Mean.
From thehonestmechaniccolorado.com
What Does Full Accessory Power Active Mean? What Is Accessory Power Mean In a nutshell, “full accessory power active” is a vehicle’s state that permits the operation of all electrical components without starting the engine. What does full accessory power active mean? It’s an indispensable feature for those. 35 people found this helpful. It means something is plugged into one of the power outlets and it could drain the cars battery. It. What Is Accessory Power Mean.
From mechanichydeincognitoub.z14.web.core.windows.net
Full Accessory Power Active Ford F150 What Is Accessory Power Mean Yes, if you want to disable it, to. It’s an indispensable feature for those. In a nutshell, “full accessory power active” means that all the power outlets and accessories in your car are functioning without the engine running. 35 people found this helpful. The term “full accessory power active” is a modern car’s way of telling you that certain features. What Is Accessory Power Mean.
From semiconductor.samsung.com
Accessory Power IC PMIC Samsung Semiconductor Global What Is Accessory Power Mean It’s a technology that enables your. It means you have full power for all accessories, the usb and power outlets, without starting the car. 35 people found this helpful. In a nutshell, “full accessory power active” means that all the power outlets and accessories in your car are functioning without the engine running. The term “full accessory power active” is. What Is Accessory Power Mean.
From www.seekic.com
DCC To DC Accessory Power Supplies Power_Supply_Circuit Circuit What Is Accessory Power Mean What does full accessory power active mean? It means something is plugged into one of the power outlets and it could drain the cars battery. It means you have full power for all accessories, the usb and power outlets, without starting the car. Yes, if you want to disable it, to. 35 people found this helpful. In a nutshell, “full. What Is Accessory Power Mean.
From www.nirogue.com
Nissan Rogue Service Manual Power supply routing circuit DTC/circuit What Is Accessory Power Mean It’s an indispensable feature for those. Full accessory power, also known as “fap,” is among the most perplexing mechanical terms. In a nutshell, “full accessory power active” is a vehicle’s state that permits the operation of all electrical components without starting the engine. It’s a technology that enables your. What does full accessory power active mean? 35 people found this. What Is Accessory Power Mean.
From www.cprou.com
The Right Power Supply For Your Computer Computer PRO Unltd. What Is Accessory Power Mean It means something is plugged into one of the power outlets and it could drain the cars battery. It means you have full power for all accessories, the usb and power outlets, without starting the car. It’s a technology that enables your. In a nutshell, “full accessory power active” means that all the power outlets and accessories in your car. What Is Accessory Power Mean.
From classicmotorsports.com
How To Add Accessory Power Outlets To Your Classic Articles Classic What Is Accessory Power Mean 35 people found this helpful. In a nutshell, “full accessory power active” means that all the power outlets and accessories in your car are functioning without the engine running. It means something is plugged into one of the power outlets and it could drain the cars battery. In a nutshell, “full accessory power active” is a vehicle’s state that permits. What Is Accessory Power Mean.
From www.gm-trucks.com
Change accessory power plug to be switched 2014 / 2015 / 2016 / 2017 What Is Accessory Power Mean The term “full accessory power active” is a modern car’s way of telling you that certain features are available to use, even when the engine isn’t running. It means something is plugged into one of the power outlets and it could drain the cars battery. What does full accessory power active mean? It’s a technology that enables your. In a. What Is Accessory Power Mean.