Ram Steering Column Gear Shift . The shift linkage components in your dodge ram play a crucial role in ensuring smooth and precise gear shifting. I picked up my 2019 ram 2500 a few weeks ago and thought the column shifter had excess “play” / wiggle in it from the start. Shifting into reverse to come out of a parking spot, i heard a pop and the column shifter flops around like a fish. When you’re in drive (d8),. Only for ram 1500 models, 2500 and. Gear shift lever boot (column) part # 68400287aa gear shift lever boot (column). Most people convert the other way but i actually prefer having the additional seat and a shifter on the column. The column shifter has gratifying feedback, it requires significant effort and movement which matches the importance of what you're doing. Center console to column shift.
from stewart-switch.com
I picked up my 2019 ram 2500 a few weeks ago and thought the column shifter had excess “play” / wiggle in it from the start. Shifting into reverse to come out of a parking spot, i heard a pop and the column shifter flops around like a fish. When you’re in drive (d8),. Most people convert the other way but i actually prefer having the additional seat and a shifter on the column. Only for ram 1500 models, 2500 and. Gear shift lever boot (column) part # 68400287aa gear shift lever boot (column). Center console to column shift. The shift linkage components in your dodge ram play a crucial role in ensuring smooth and precise gear shifting. The column shifter has gratifying feedback, it requires significant effort and movement which matches the importance of what you're doing.
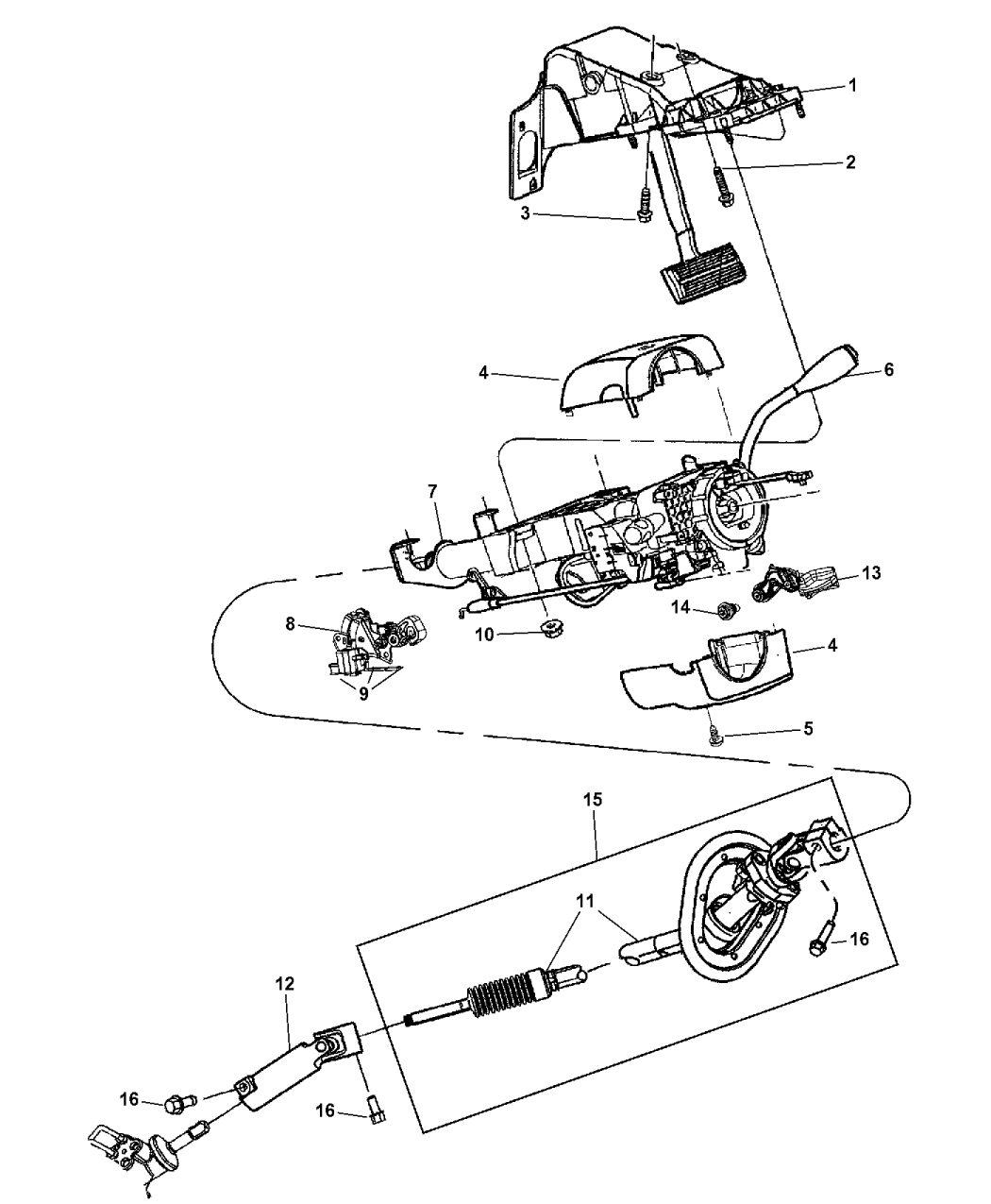
Dodge Ram Steering Column Diagram
Ram Steering Column Gear Shift Most people convert the other way but i actually prefer having the additional seat and a shifter on the column. Most people convert the other way but i actually prefer having the additional seat and a shifter on the column. I picked up my 2019 ram 2500 a few weeks ago and thought the column shifter had excess “play” / wiggle in it from the start. The column shifter has gratifying feedback, it requires significant effort and movement which matches the importance of what you're doing. The shift linkage components in your dodge ram play a crucial role in ensuring smooth and precise gear shifting. Center console to column shift. Only for ram 1500 models, 2500 and. Shifting into reverse to come out of a parking spot, i heard a pop and the column shifter flops around like a fish. Gear shift lever boot (column) part # 68400287aa gear shift lever boot (column). When you’re in drive (d8),.
From diagramwiringschema.blogspot.com
Dodge Ram Steering Parts Diagram diagramwirings Ram Steering Column Gear Shift Only for ram 1500 models, 2500 and. Shifting into reverse to come out of a parking spot, i heard a pop and the column shifter flops around like a fish. I picked up my 2019 ram 2500 a few weeks ago and thought the column shifter had excess “play” / wiggle in it from the start. Gear shift lever boot. Ram Steering Column Gear Shift.
From parts.chryslerjeepdodgecityofmckinney.com
Ram 2500 Column. Steering. [chrome accent shift 6GD81SZ6AC Chrysler Ram Steering Column Gear Shift The shift linkage components in your dodge ram play a crucial role in ensuring smooth and precise gear shifting. The column shifter has gratifying feedback, it requires significant effort and movement which matches the importance of what you're doing. Gear shift lever boot (column) part # 68400287aa gear shift lever boot (column). I picked up my 2019 ram 2500 a. Ram Steering Column Gear Shift.
From www.amazon.ca
55057335AB Steering Column Intermediate Shaft for Ram 1500 20142018 Ram Steering Column Gear Shift Gear shift lever boot (column) part # 68400287aa gear shift lever boot (column). Only for ram 1500 models, 2500 and. Shifting into reverse to come out of a parking spot, i heard a pop and the column shifter flops around like a fish. When you’re in drive (d8),. I picked up my 2019 ram 2500 a few weeks ago and. Ram Steering Column Gear Shift.
From www.youtube.com
Ram Truck Gearshift Bracket Quick Fix YouTube Ram Steering Column Gear Shift Most people convert the other way but i actually prefer having the additional seat and a shifter on the column. Shifting into reverse to come out of a parking spot, i heard a pop and the column shifter flops around like a fish. Only for ram 1500 models, 2500 and. When you’re in drive (d8),. The column shifter has gratifying. Ram Steering Column Gear Shift.
From stewart-switch.com
Dodge Ram Steering Column Diagram Ram Steering Column Gear Shift The column shifter has gratifying feedback, it requires significant effort and movement which matches the importance of what you're doing. Most people convert the other way but i actually prefer having the additional seat and a shifter on the column. When you’re in drive (d8),. Gear shift lever boot (column) part # 68400287aa gear shift lever boot (column). Shifting into. Ram Steering Column Gear Shift.
From www.moparpartsgiant.com
1985 Dodge Ramcharger Controls, Gearshift, Steering Column Shift Ram Steering Column Gear Shift Most people convert the other way but i actually prefer having the additional seat and a shifter on the column. Shifting into reverse to come out of a parking spot, i heard a pop and the column shifter flops around like a fish. Center console to column shift. The shift linkage components in your dodge ram play a crucial role. Ram Steering Column Gear Shift.
From resolutionsforyou.com
Dodge ram steering column diagram Ram Steering Column Gear Shift Gear shift lever boot (column) part # 68400287aa gear shift lever boot (column). Shifting into reverse to come out of a parking spot, i heard a pop and the column shifter flops around like a fish. I picked up my 2019 ram 2500 a few weeks ago and thought the column shifter had excess “play” / wiggle in it from. Ram Steering Column Gear Shift.
From www.autozone.com
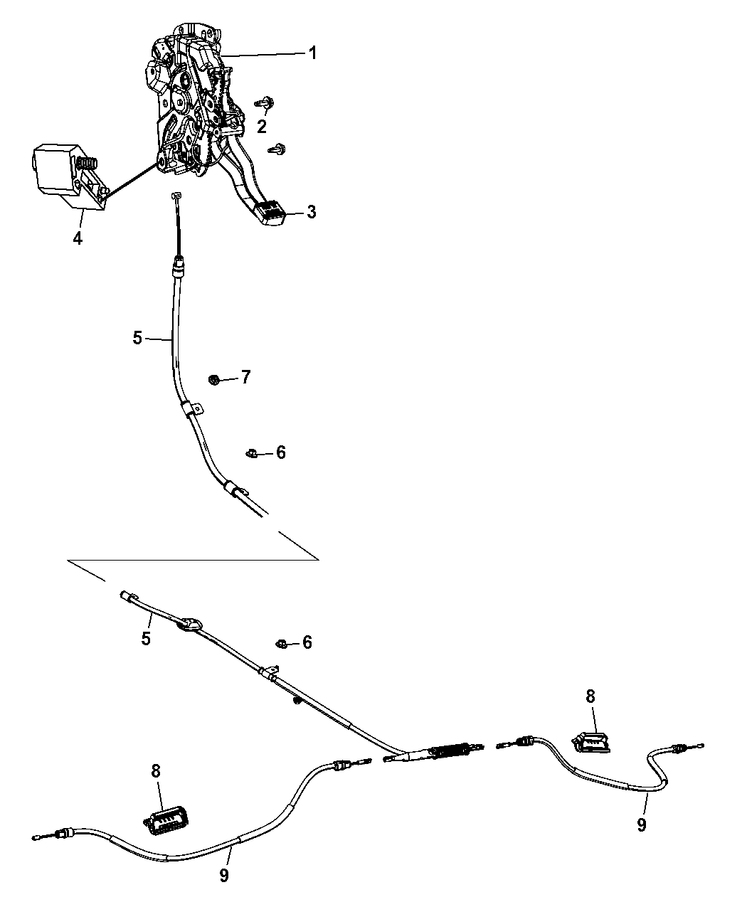
Repair Guides Ram Steering Column Gear Shift The shift linkage components in your dodge ram play a crucial role in ensuring smooth and precise gear shifting. I picked up my 2019 ram 2500 a few weeks ago and thought the column shifter had excess “play” / wiggle in it from the start. Most people convert the other way but i actually prefer having the additional seat and. Ram Steering Column Gear Shift.
From resolutionsforyou.com
Dodge ram steering column diagram Ram Steering Column Gear Shift Center console to column shift. The column shifter has gratifying feedback, it requires significant effort and movement which matches the importance of what you're doing. Most people convert the other way but i actually prefer having the additional seat and a shifter on the column. I picked up my 2019 ram 2500 a few weeks ago and thought the column. Ram Steering Column Gear Shift.
From autoctrls.com
The Ultimate Guide to Understanding the 2 Ram Steering Gear Diagram Ram Steering Column Gear Shift I picked up my 2019 ram 2500 a few weeks ago and thought the column shifter had excess “play” / wiggle in it from the start. The column shifter has gratifying feedback, it requires significant effort and movement which matches the importance of what you're doing. Only for ram 1500 models, 2500 and. The shift linkage components in your dodge. Ram Steering Column Gear Shift.
From www.moparpartsplus.com
Dodge Ram 1500 Steering column. Exc.tilt steering wheel 4746852 Ram Steering Column Gear Shift Shifting into reverse to come out of a parking spot, i heard a pop and the column shifter flops around like a fish. The shift linkage components in your dodge ram play a crucial role in ensuring smooth and precise gear shifting. Most people convert the other way but i actually prefer having the additional seat and a shifter on. Ram Steering Column Gear Shift.
From parts.ramtrucks.com.au
2020 Ram Shaft. Steering column intermediate. Lower 55057335AC RAM Ram Steering Column Gear Shift The column shifter has gratifying feedback, it requires significant effort and movement which matches the importance of what you're doing. Gear shift lever boot (column) part # 68400287aa gear shift lever boot (column). Most people convert the other way but i actually prefer having the additional seat and a shifter on the column. When you’re in drive (d8),. Only for. Ram Steering Column Gear Shift.
From salvagediesel.com
20132018 Ram 2500 3500 Steering Column Salvage Yard Used Auto Ram Steering Column Gear Shift Gear shift lever boot (column) part # 68400287aa gear shift lever boot (column). Only for ram 1500 models, 2500 and. Most people convert the other way but i actually prefer having the additional seat and a shifter on the column. When you’re in drive (d8),. The shift linkage components in your dodge ram play a crucial role in ensuring smooth. Ram Steering Column Gear Shift.
From resolutionsforyou.com
Dodge ram steering column diagram Ram Steering Column Gear Shift Only for ram 1500 models, 2500 and. The shift linkage components in your dodge ram play a crucial role in ensuring smooth and precise gear shifting. I picked up my 2019 ram 2500 a few weeks ago and thought the column shifter had excess “play” / wiggle in it from the start. Gear shift lever boot (column) part # 68400287aa. Ram Steering Column Gear Shift.
From www.youtube.com
2019 and 2020 Ram 2500 or 3500 loose column shifter. YouTube Ram Steering Column Gear Shift Only for ram 1500 models, 2500 and. I picked up my 2019 ram 2500 a few weeks ago and thought the column shifter had excess “play” / wiggle in it from the start. Gear shift lever boot (column) part # 68400287aa gear shift lever boot (column). The column shifter has gratifying feedback, it requires significant effort and movement which matches. Ram Steering Column Gear Shift.
From resolutionsforyou.com
Dodge ram steering column diagram Ram Steering Column Gear Shift The column shifter has gratifying feedback, it requires significant effort and movement which matches the importance of what you're doing. Gear shift lever boot (column) part # 68400287aa gear shift lever boot (column). Center console to column shift. Only for ram 1500 models, 2500 and. I picked up my 2019 ram 2500 a few weeks ago and thought the column. Ram Steering Column Gear Shift.
From mooregoodink.com
How steering columns relate to ergonomics Moore Good Ink Ram Steering Column Gear Shift Shifting into reverse to come out of a parking spot, i heard a pop and the column shifter flops around like a fish. Gear shift lever boot (column) part # 68400287aa gear shift lever boot (column). When you’re in drive (d8),. The shift linkage components in your dodge ram play a crucial role in ensuring smooth and precise gear shifting.. Ram Steering Column Gear Shift.
From stewart-switch.com
Dodge Ram Steering Column Diagram Ram Steering Column Gear Shift Shifting into reverse to come out of a parking spot, i heard a pop and the column shifter flops around like a fish. Most people convert the other way but i actually prefer having the additional seat and a shifter on the column. Only for ram 1500 models, 2500 and. The column shifter has gratifying feedback, it requires significant effort. Ram Steering Column Gear Shift.
From resolutionsforyou.com
Dodge ram steering column diagram Ram Steering Column Gear Shift Most people convert the other way but i actually prefer having the additional seat and a shifter on the column. The column shifter has gratifying feedback, it requires significant effort and movement which matches the importance of what you're doing. Only for ram 1500 models, 2500 and. Center console to column shift. When you’re in drive (d8),. Gear shift lever. Ram Steering Column Gear Shift.
From engineconstalaranceqtt.z21.web.core.windows.net
Ram 1500 Service Shifter Ram Steering Column Gear Shift Most people convert the other way but i actually prefer having the additional seat and a shifter on the column. Center console to column shift. The shift linkage components in your dodge ram play a crucial role in ensuring smooth and precise gear shifting. Only for ram 1500 models, 2500 and. When you’re in drive (d8),. Gear shift lever boot. Ram Steering Column Gear Shift.
From stewart-switch.com
Dodge Ram Steering Column Diagram Ram Steering Column Gear Shift Most people convert the other way but i actually prefer having the additional seat and a shifter on the column. When you’re in drive (d8),. I picked up my 2019 ram 2500 a few weeks ago and thought the column shifter had excess “play” / wiggle in it from the start. The column shifter has gratifying feedback, it requires significant. Ram Steering Column Gear Shift.
From stewart-switch.com
Dodge Ram Steering Column Diagram Ram Steering Column Gear Shift When you’re in drive (d8),. I picked up my 2019 ram 2500 a few weeks ago and thought the column shifter had excess “play” / wiggle in it from the start. Gear shift lever boot (column) part # 68400287aa gear shift lever boot (column). The column shifter has gratifying feedback, it requires significant effort and movement which matches the importance. Ram Steering Column Gear Shift.
From wirelibschweizer.z19.web.core.windows.net
Dodge Ram Steering Column Replacement Ram Steering Column Gear Shift Only for ram 1500 models, 2500 and. I picked up my 2019 ram 2500 a few weeks ago and thought the column shifter had excess “play” / wiggle in it from the start. Shifting into reverse to come out of a parking spot, i heard a pop and the column shifter flops around like a fish. Gear shift lever boot. Ram Steering Column Gear Shift.
From www.moparpartsgiant.com
2012 Ram 3500 Pickup Steering Column Assembly Mopar Parts Giant Ram Steering Column Gear Shift The shift linkage components in your dodge ram play a crucial role in ensuring smooth and precise gear shifting. Shifting into reverse to come out of a parking spot, i heard a pop and the column shifter flops around like a fish. I picked up my 2019 ram 2500 a few weeks ago and thought the column shifter had excess. Ram Steering Column Gear Shift.
From www.moparpartsgiant.com
4897478AC Genuine Dodge COLUMNSTEERING Ram Steering Column Gear Shift I picked up my 2019 ram 2500 a few weeks ago and thought the column shifter had excess “play” / wiggle in it from the start. The column shifter has gratifying feedback, it requires significant effort and movement which matches the importance of what you're doing. When you’re in drive (d8),. Center console to column shift. The shift linkage components. Ram Steering Column Gear Shift.
From mavink.com
Dodge Ram Steering Column Diagram Ram Steering Column Gear Shift The column shifter has gratifying feedback, it requires significant effort and movement which matches the importance of what you're doing. Center console to column shift. Only for ram 1500 models, 2500 and. When you’re in drive (d8),. Most people convert the other way but i actually prefer having the additional seat and a shifter on the column. I picked up. Ram Steering Column Gear Shift.
From resolutionsforyou.com
Dodge ram steering column diagram Ram Steering Column Gear Shift Shifting into reverse to come out of a parking spot, i heard a pop and the column shifter flops around like a fish. The column shifter has gratifying feedback, it requires significant effort and movement which matches the importance of what you're doing. Center console to column shift. Most people convert the other way but i actually prefer having the. Ram Steering Column Gear Shift.
From www.carparts.com
Column Shifters What Are They? A Quick History In The Garage with Ram Steering Column Gear Shift Gear shift lever boot (column) part # 68400287aa gear shift lever boot (column). Center console to column shift. The column shifter has gratifying feedback, it requires significant effort and movement which matches the importance of what you're doing. I picked up my 2019 ram 2500 a few weeks ago and thought the column shifter had excess “play” / wiggle in. Ram Steering Column Gear Shift.
From www.youtube.com
How to SWAP a Ram Center Console & Shifter Part 3 YouTube Ram Steering Column Gear Shift I picked up my 2019 ram 2500 a few weeks ago and thought the column shifter had excess “play” / wiggle in it from the start. The shift linkage components in your dodge ram play a crucial role in ensuring smooth and precise gear shifting. Shifting into reverse to come out of a parking spot, i heard a pop and. Ram Steering Column Gear Shift.
From fixshaw55.z19.web.core.windows.net
Dodge Ram Column Shifter Broke Ram Steering Column Gear Shift When you’re in drive (d8),. The column shifter has gratifying feedback, it requires significant effort and movement which matches the importance of what you're doing. Shifting into reverse to come out of a parking spot, i heard a pop and the column shifter flops around like a fish. The shift linkage components in your dodge ram play a crucial role. Ram Steering Column Gear Shift.
From autoctrls.com
The Ultimate Guide to Understanding the 2 Ram Steering Gear Diagram Ram Steering Column Gear Shift Only for ram 1500 models, 2500 and. When you’re in drive (d8),. The shift linkage components in your dodge ram play a crucial role in ensuring smooth and precise gear shifting. I picked up my 2019 ram 2500 a few weeks ago and thought the column shifter had excess “play” / wiggle in it from the start. The column shifter. Ram Steering Column Gear Shift.
From www.scribd.com
4 RAM Steering Gear PDF Ram Steering Column Gear Shift Gear shift lever boot (column) part # 68400287aa gear shift lever boot (column). I picked up my 2019 ram 2500 a few weeks ago and thought the column shifter had excess “play” / wiggle in it from the start. Most people convert the other way but i actually prefer having the additional seat and a shifter on the column. Center. Ram Steering Column Gear Shift.
From www.walmart.com
Dodge CHRYSLER OEM Ram 1500 Steering ColumnTransmission Shift Lever Ram Steering Column Gear Shift The shift linkage components in your dodge ram play a crucial role in ensuring smooth and precise gear shifting. The column shifter has gratifying feedback, it requires significant effort and movement which matches the importance of what you're doing. Gear shift lever boot (column) part # 68400287aa gear shift lever boot (column). Only for ram 1500 models, 2500 and. Shifting. Ram Steering Column Gear Shift.
From machinepatricia88.z22.web.core.windows.net
Dodge Ram 3.21 Gear Ratio Ram Steering Column Gear Shift Center console to column shift. Most people convert the other way but i actually prefer having the additional seat and a shifter on the column. When you’re in drive (d8),. The column shifter has gratifying feedback, it requires significant effort and movement which matches the importance of what you're doing. I picked up my 2019 ram 2500 a few weeks. Ram Steering Column Gear Shift.
From parts.courtesychrysler.com
Ram 1500 Classic Steering Column Cover. Column shift, all 1GD32TX7AC Ram Steering Column Gear Shift I picked up my 2019 ram 2500 a few weeks ago and thought the column shifter had excess “play” / wiggle in it from the start. The column shifter has gratifying feedback, it requires significant effort and movement which matches the importance of what you're doing. When you’re in drive (d8),. Gear shift lever boot (column) part # 68400287aa gear. Ram Steering Column Gear Shift.