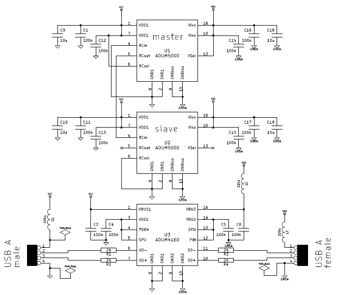
How Does A Usb Isolator Work . A 12mbps device operates with enough bandwidth for useful data transfers, and. Such as near a variable. This article discusses this and other challenges in achieving easy to use isolated usb implementations and compares solutions. This neat chip provides up to 2.5kv. The process involves heating the chip while applying an acid. The adum4160 was developed primarily as a device to isolate peripherals; An example of such an isolator is. Isolated usb protects your computer’s usb port from dangerous ground loops and provides data integrity in electrically noisy environments; One answer to this problem would be to place a usb isolator between the usb input of the test circuit and the pc. Over time, the packaging material is dissolved leaving just the silicon. However it can also meet the electrical requirements of usb 2.0 as an embedded host,.
from www.eeworldonline.com
Isolated usb protects your computer’s usb port from dangerous ground loops and provides data integrity in electrically noisy environments; Such as near a variable. The adum4160 was developed primarily as a device to isolate peripherals; Over time, the packaging material is dissolved leaving just the silicon. The process involves heating the chip while applying an acid. An example of such an isolator is. This article discusses this and other challenges in achieving easy to use isolated usb implementations and compares solutions. One answer to this problem would be to place a usb isolator between the usb input of the test circuit and the pc. However it can also meet the electrical requirements of usb 2.0 as an embedded host,. A 12mbps device operates with enough bandwidth for useful data transfers, and.
How does a digital isolator work?
How Does A Usb Isolator Work The adum4160 was developed primarily as a device to isolate peripherals; Such as near a variable. This article discusses this and other challenges in achieving easy to use isolated usb implementations and compares solutions. This neat chip provides up to 2.5kv. An example of such an isolator is. A 12mbps device operates with enough bandwidth for useful data transfers, and. The process involves heating the chip while applying an acid. One answer to this problem would be to place a usb isolator between the usb input of the test circuit and the pc. The adum4160 was developed primarily as a device to isolate peripherals; Over time, the packaging material is dissolved leaving just the silicon. Isolated usb protects your computer’s usb port from dangerous ground loops and provides data integrity in electrically noisy environments; However it can also meet the electrical requirements of usb 2.0 as an embedded host,.
From aceautomation.eu
USBISO USB to USB isolator for galvanic isolation between the ACE PLC How Does A Usb Isolator Work This article discusses this and other challenges in achieving easy to use isolated usb implementations and compares solutions. An example of such an isolator is. Over time, the packaging material is dissolved leaving just the silicon. Isolated usb protects your computer’s usb port from dangerous ground loops and provides data integrity in electrically noisy environments; However it can also meet. How Does A Usb Isolator Work.
From blog.audioworkshop.org
DIY USB Isolator Made Easy AUDIO How Does A Usb Isolator Work An example of such an isolator is. The process involves heating the chip while applying an acid. The adum4160 was developed primarily as a device to isolate peripherals; However it can also meet the electrical requirements of usb 2.0 as an embedded host,. Over time, the packaging material is dissolved leaving just the silicon. This neat chip provides up to. How Does A Usb Isolator Work.
From www.amazon.ca
GeeekPi USB Isolator Module ADUM3160 USB Digital Isolation USB to USB How Does A Usb Isolator Work One answer to this problem would be to place a usb isolator between the usb input of the test circuit and the pc. This neat chip provides up to 2.5kv. This article discusses this and other challenges in achieving easy to use isolated usb implementations and compares solutions. A 12mbps device operates with enough bandwidth for useful data transfers, and.. How Does A Usb Isolator Work.
From www.electronicpro.co.za
USB Isolator USB to USB Optocoupler Isolation Module Coupled Protectio How Does A Usb Isolator Work Such as near a variable. This neat chip provides up to 2.5kv. One answer to this problem would be to place a usb isolator between the usb input of the test circuit and the pc. A 12mbps device operates with enough bandwidth for useful data transfers, and. Isolated usb protects your computer’s usb port from dangerous ground loops and provides. How Does A Usb Isolator Work.
From hifimediy.com
Hifimediy USB Isolators Made for audio to prevent ground loops How Does A Usb Isolator Work Such as near a variable. The process involves heating the chip while applying an acid. Over time, the packaging material is dissolved leaving just the silicon. One answer to this problem would be to place a usb isolator between the usb input of the test circuit and the pc. This article discusses this and other challenges in achieving easy to. How Does A Usb Isolator Work.
From oshwlab.com
ADUM3160 USB Isolator EasyEDA open source hardware lab How Does A Usb Isolator Work Isolated usb protects your computer’s usb port from dangerous ground loops and provides data integrity in electrically noisy environments; One answer to this problem would be to place a usb isolator between the usb input of the test circuit and the pc. This article discusses this and other challenges in achieving easy to use isolated usb implementations and compares solutions.. How Does A Usb Isolator Work.
From lemmini.de
USB Isolator How Does A Usb Isolator Work One answer to this problem would be to place a usb isolator between the usb input of the test circuit and the pc. The process involves heating the chip while applying an acid. Isolated usb protects your computer’s usb port from dangerous ground loops and provides data integrity in electrically noisy environments; An example of such an isolator is. This. How Does A Usb Isolator Work.
From www.eetimes.com
Introducing the Reflowable USB 3.0 Isolator Chip — A Digital Isolator How Does A Usb Isolator Work Over time, the packaging material is dissolved leaving just the silicon. An example of such an isolator is. The process involves heating the chip while applying an acid. The adum4160 was developed primarily as a device to isolate peripherals; One answer to this problem would be to place a usb isolator between the usb input of the test circuit and. How Does A Usb Isolator Work.
From www.ourpcb.com
USB Isolators USB Isolation, Galvanic Isolator Solutions How Does A Usb Isolator Work This article discusses this and other challenges in achieving easy to use isolated usb implementations and compares solutions. One answer to this problem would be to place a usb isolator between the usb input of the test circuit and the pc. The adum4160 was developed primarily as a device to isolate peripherals; Such as near a variable. An example of. How Does A Usb Isolator Work.
From www.advancedphotonics.co.jp
USB 3.0 / 3.1 Isolator Chip How Does A Usb Isolator Work However it can also meet the electrical requirements of usb 2.0 as an embedded host,. An example of such an isolator is. Over time, the packaging material is dissolved leaving just the silicon. The process involves heating the chip while applying an acid. Such as near a variable. The adum4160 was developed primarily as a device to isolate peripherals; Isolated. How Does A Usb Isolator Work.
From hifimediy.com
Hifimediy USB Isolators Made for audio to prevent ground loops How Does A Usb Isolator Work Such as near a variable. This neat chip provides up to 2.5kv. Over time, the packaging material is dissolved leaving just the silicon. However it can also meet the electrical requirements of usb 2.0 as an embedded host,. An example of such an isolator is. The process involves heating the chip while applying an acid. A 12mbps device operates with. How Does A Usb Isolator Work.
From www.homemade-circuits.com
USB Isolator Diagram and Working Homemade Circuit Projects How Does A Usb Isolator Work An example of such an isolator is. Such as near a variable. A 12mbps device operates with enough bandwidth for useful data transfers, and. The adum4160 was developed primarily as a device to isolate peripherals; Over time, the packaging material is dissolved leaving just the silicon. However it can also meet the electrical requirements of usb 2.0 as an embedded. How Does A Usb Isolator Work.
From www.cesys.com
USB Isolator CESYS Gesellschaft für angewandte Mikroelektronik How Does A Usb Isolator Work An example of such an isolator is. Over time, the packaging material is dissolved leaving just the silicon. One answer to this problem would be to place a usb isolator between the usb input of the test circuit and the pc. A 12mbps device operates with enough bandwidth for useful data transfers, and. Such as near a variable. Isolated usb. How Does A Usb Isolator Work.
From hifimediy.com
Hifimediy USB Isolators Made for audio to prevent ground loops How Does A Usb Isolator Work The process involves heating the chip while applying an acid. One answer to this problem would be to place a usb isolator between the usb input of the test circuit and the pc. Isolated usb protects your computer’s usb port from dangerous ground loops and provides data integrity in electrically noisy environments; An example of such an isolator is. However. How Does A Usb Isolator Work.
From www.lazada.com.my
USB Isolator, 2500V USB HUB Isolator, USB Isolation Board, ADUM4160 How Does A Usb Isolator Work A 12mbps device operates with enough bandwidth for useful data transfers, and. This neat chip provides up to 2.5kv. One answer to this problem would be to place a usb isolator between the usb input of the test circuit and the pc. However it can also meet the electrical requirements of usb 2.0 as an embedded host,. The adum4160 was. How Does A Usb Isolator Work.
From www.eeworldonline.com
How does a digital isolator work? How Does A Usb Isolator Work Such as near a variable. An example of such an isolator is. However it can also meet the electrical requirements of usb 2.0 as an embedded host,. One answer to this problem would be to place a usb isolator between the usb input of the test circuit and the pc. Isolated usb protects your computer’s usb port from dangerous ground. How Does A Usb Isolator Work.
From www.reddit.com
How does a USB isolator work? ElectricalEngineering How Does A Usb Isolator Work One answer to this problem would be to place a usb isolator between the usb input of the test circuit and the pc. The process involves heating the chip while applying an acid. The adum4160 was developed primarily as a device to isolate peripherals; However it can also meet the electrical requirements of usb 2.0 as an embedded host,. Isolated. How Does A Usb Isolator Work.
From oshwlab.com
ADUM3160 USB Isolator OSHWLab How Does A Usb Isolator Work An example of such an isolator is. This article discusses this and other challenges in achieving easy to use isolated usb implementations and compares solutions. Isolated usb protects your computer’s usb port from dangerous ground loops and provides data integrity in electrically noisy environments; The adum4160 was developed primarily as a device to isolate peripherals; This neat chip provides up. How Does A Usb Isolator Work.
From oshwlab.com
ADUM3160 USB Isolator EasyEDA open source hardware lab How Does A Usb Isolator Work This article discusses this and other challenges in achieving easy to use isolated usb implementations and compares solutions. A 12mbps device operates with enough bandwidth for useful data transfers, and. This neat chip provides up to 2.5kv. However it can also meet the electrical requirements of usb 2.0 as an embedded host,. Isolated usb protects your computer’s usb port from. How Does A Usb Isolator Work.
From oshwlab.com
USB isolator OSHWLab How Does A Usb Isolator Work Over time, the packaging material is dissolved leaving just the silicon. One answer to this problem would be to place a usb isolator between the usb input of the test circuit and the pc. A 12mbps device operates with enough bandwidth for useful data transfers, and. Such as near a variable. Isolated usb protects your computer’s usb port from dangerous. How Does A Usb Isolator Work.
From autoscopeology.com
USB Isolator 6010 Autoscopeology How Does A Usb Isolator Work One answer to this problem would be to place a usb isolator between the usb input of the test circuit and the pc. An example of such an isolator is. A 12mbps device operates with enough bandwidth for useful data transfers, and. However it can also meet the electrical requirements of usb 2.0 as an embedded host,. The process involves. How Does A Usb Isolator Work.
From www.aliexpress.com
USBIsolator1500VIsolatorADUM3160ModuleCouplingProtectionBoard How Does A Usb Isolator Work One answer to this problem would be to place a usb isolator between the usb input of the test circuit and the pc. A 12mbps device operates with enough bandwidth for useful data transfers, and. The process involves heating the chip while applying an acid. However it can also meet the electrical requirements of usb 2.0 as an embedded host,.. How Does A Usb Isolator Work.
From elediy.com
USB Isolator ELEDIY Electronics do it yourself How Does A Usb Isolator Work Such as near a variable. Over time, the packaging material is dissolved leaving just the silicon. However it can also meet the electrical requirements of usb 2.0 as an embedded host,. Isolated usb protects your computer’s usb port from dangerous ground loops and provides data integrity in electrically noisy environments; The adum4160 was developed primarily as a device to isolate. How Does A Usb Isolator Work.
From www.electronicpro.co.za
USB Isolator USB to USB Optocoupler Isolation Module Coupled Protectio How Does A Usb Isolator Work Such as near a variable. The adum4160 was developed primarily as a device to isolate peripherals; Over time, the packaging material is dissolved leaving just the silicon. A 12mbps device operates with enough bandwidth for useful data transfers, and. One answer to this problem would be to place a usb isolator between the usb input of the test circuit and. How Does A Usb Isolator Work.
From github.com
GitHub wagiminator/ATtiny412USBPowerIsolator 2.5kV Isolator for How Does A Usb Isolator Work This neat chip provides up to 2.5kv. One answer to this problem would be to place a usb isolator between the usb input of the test circuit and the pc. This article discusses this and other challenges in achieving easy to use isolated usb implementations and compares solutions. Over time, the packaging material is dissolved leaving just the silicon. The. How Does A Usb Isolator Work.
From www.bamlog.com
USB Isolators/Ground Loop Eliminators for Software Defined Radio How Does A Usb Isolator Work A 12mbps device operates with enough bandwidth for useful data transfers, and. The adum4160 was developed primarily as a device to isolate peripherals; This article discusses this and other challenges in achieving easy to use isolated usb implementations and compares solutions. An example of such an isolator is. The process involves heating the chip while applying an acid. Over time,. How Does A Usb Isolator Work.
From www.usbgear.com
USB Isolator ADuM4160 Inside up to 5000V DC Isolation and Protection How Does A Usb Isolator Work An example of such an isolator is. The process involves heating the chip while applying an acid. Such as near a variable. The adum4160 was developed primarily as a device to isolate peripherals; This neat chip provides up to 2.5kv. Over time, the packaging material is dissolved leaving just the silicon. This article discusses this and other challenges in achieving. How Does A Usb Isolator Work.
From www.ourpcb.com
USB Isolators USB Isolation, Galvanic Isolator Solutions How Does A Usb Isolator Work Such as near a variable. An example of such an isolator is. This neat chip provides up to 2.5kv. The adum4160 was developed primarily as a device to isolate peripherals; Over time, the packaging material is dissolved leaving just the silicon. A 12mbps device operates with enough bandwidth for useful data transfers, and. Isolated usb protects your computer’s usb port. How Does A Usb Isolator Work.
From www.bamlog.com
USB Isolators/Ground Loop Eliminators for Software Defined Radio How Does A Usb Isolator Work An example of such an isolator is. Such as near a variable. The adum4160 was developed primarily as a device to isolate peripherals; Isolated usb protects your computer’s usb port from dangerous ground loops and provides data integrity in electrically noisy environments; This neat chip provides up to 2.5kv. However it can also meet the electrical requirements of usb 2.0. How Does A Usb Isolator Work.
From www.virtins.com
USB High / Full / Low Speed Isolators with Builtin HeavyDuty Power How Does A Usb Isolator Work This article discusses this and other challenges in achieving easy to use isolated usb implementations and compares solutions. This neat chip provides up to 2.5kv. A 12mbps device operates with enough bandwidth for useful data transfers, and. Over time, the packaging material is dissolved leaving just the silicon. However it can also meet the electrical requirements of usb 2.0 as. How Does A Usb Isolator Work.
From hacksomethingtonight.blogspot.com
Hack Something Tonight USB Isolator by Analog Devices How Does A Usb Isolator Work This neat chip provides up to 2.5kv. However it can also meet the electrical requirements of usb 2.0 as an embedded host,. The process involves heating the chip while applying an acid. This article discusses this and other challenges in achieving easy to use isolated usb implementations and compares solutions. Over time, the packaging material is dissolved leaving just the. How Does A Usb Isolator Work.
From www.digikey.be
USB Isolator Datasheet by Segger Microcontroller Systems DigiKey How Does A Usb Isolator Work The adum4160 was developed primarily as a device to isolate peripherals; Such as near a variable. Over time, the packaging material is dissolved leaving just the silicon. Isolated usb protects your computer’s usb port from dangerous ground loops and provides data integrity in electrically noisy environments; One answer to this problem would be to place a usb isolator between the. How Does A Usb Isolator Work.
From hackaday.io
USB Power Isolator Hackaday.io How Does A Usb Isolator Work This article discusses this and other challenges in achieving easy to use isolated usb implementations and compares solutions. However it can also meet the electrical requirements of usb 2.0 as an embedded host,. An example of such an isolator is. Over time, the packaging material is dissolved leaving just the silicon. A 12mbps device operates with enough bandwidth for useful. How Does A Usb Isolator Work.
From jcat.eu
USB ISOLATOR JCAT . nextgen computer audio How Does A Usb Isolator Work The adum4160 was developed primarily as a device to isolate peripherals; Over time, the packaging material is dissolved leaving just the silicon. However it can also meet the electrical requirements of usb 2.0 as an embedded host,. This article discusses this and other challenges in achieving easy to use isolated usb implementations and compares solutions. Such as near a variable.. How Does A Usb Isolator Work.
From www.walmart.com
USB to USB Isolator Industrial Grade Digital Isolators with Shell How Does A Usb Isolator Work Isolated usb protects your computer’s usb port from dangerous ground loops and provides data integrity in electrically noisy environments; The adum4160 was developed primarily as a device to isolate peripherals; However it can also meet the electrical requirements of usb 2.0 as an embedded host,. An example of such an isolator is. This article discusses this and other challenges in. How Does A Usb Isolator Work.