Flash Adc Circuit . Also called the parallel a/d converter, this circuit is the simplest to understand. What is a flash adc? The flash adc [a circuit for all seasons] abstract: One of the fastest ways to convert an analog signal to a digital one is to use a flash adc. Reviews basic architecture, sparkle codes, metastability, and clock jitter. It is formed of a series of comparators, each one. Flash adcs (sometimes called parallel adcs) are the fastest type of adc and use large numbers of comparators.
from www.researchgate.net
Flash adcs (sometimes called parallel adcs) are the fastest type of adc and use large numbers of comparators. What is a flash adc? The flash adc [a circuit for all seasons] abstract: Also called the parallel a/d converter, this circuit is the simplest to understand. One of the fastest ways to convert an analog signal to a digital one is to use a flash adc. Reviews basic architecture, sparkle codes, metastability, and clock jitter. It is formed of a series of comparators, each one.
The simulated circuit design of 4bit flash analog to digital converter
Flash Adc Circuit The flash adc [a circuit for all seasons] abstract: Also called the parallel a/d converter, this circuit is the simplest to understand. The flash adc [a circuit for all seasons] abstract: What is a flash adc? One of the fastest ways to convert an analog signal to a digital one is to use a flash adc. Flash adcs (sometimes called parallel adcs) are the fastest type of adc and use large numbers of comparators. Reviews basic architecture, sparkle codes, metastability, and clock jitter. It is formed of a series of comparators, each one.
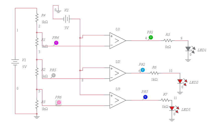
From www.multisim.com
Flash ADC Multisim Live Flash Adc Circuit Reviews basic architecture, sparkle codes, metastability, and clock jitter. Flash adcs (sometimes called parallel adcs) are the fastest type of adc and use large numbers of comparators. The flash adc [a circuit for all seasons] abstract: What is a flash adc? One of the fastest ways to convert an analog signal to a digital one is to use a flash. Flash Adc Circuit.
From es.mathworks.com
Nbit ADC with flash architecture Simulink MathWorks España Flash Adc Circuit It is formed of a series of comparators, each one. Flash adcs (sometimes called parallel adcs) are the fastest type of adc and use large numbers of comparators. Also called the parallel a/d converter, this circuit is the simplest to understand. The flash adc [a circuit for all seasons] abstract: Reviews basic architecture, sparkle codes, metastability, and clock jitter. What. Flash Adc Circuit.
From www.slideserve.com
PPT New Power Saving Design Method for CMOS Flash ADC PowerPoint Flash Adc Circuit It is formed of a series of comparators, each one. Also called the parallel a/d converter, this circuit is the simplest to understand. What is a flash adc? One of the fastest ways to convert an analog signal to a digital one is to use a flash adc. The flash adc [a circuit for all seasons] abstract: Flash adcs (sometimes. Flash Adc Circuit.
From www.multisim.com
2 bit flash type adc Multisim Live Flash Adc Circuit Flash adcs (sometimes called parallel adcs) are the fastest type of adc and use large numbers of comparators. It is formed of a series of comparators, each one. One of the fastest ways to convert an analog signal to a digital one is to use a flash adc. The flash adc [a circuit for all seasons] abstract: Reviews basic architecture,. Flash Adc Circuit.
From www.researchgate.net
Schematic of 4bit Stochastic Flash ADC. Download Scientific Diagram Flash Adc Circuit One of the fastest ways to convert an analog signal to a digital one is to use a flash adc. Also called the parallel a/d converter, this circuit is the simplest to understand. Reviews basic architecture, sparkle codes, metastability, and clock jitter. It is formed of a series of comparators, each one. What is a flash adc? The flash adc. Flash Adc Circuit.
From www.tutorialspoint.com
Direct Type ADCs Tutorialspoint Flash Adc Circuit Flash adcs (sometimes called parallel adcs) are the fastest type of adc and use large numbers of comparators. One of the fastest ways to convert an analog signal to a digital one is to use a flash adc. It is formed of a series of comparators, each one. Also called the parallel a/d converter, this circuit is the simplest to. Flash Adc Circuit.
From nerdsdostuff.com
Flash ADC Working and Circuit Nerds Do Stuff Flash Adc Circuit It is formed of a series of comparators, each one. The flash adc [a circuit for all seasons] abstract: Flash adcs (sometimes called parallel adcs) are the fastest type of adc and use large numbers of comparators. One of the fastest ways to convert an analog signal to a digital one is to use a flash adc. Reviews basic architecture,. Flash Adc Circuit.
From www.researchgate.net
Flash ADC architecture Download Scientific Diagram Flash Adc Circuit Flash adcs (sometimes called parallel adcs) are the fastest type of adc and use large numbers of comparators. The flash adc [a circuit for all seasons] abstract: One of the fastest ways to convert an analog signal to a digital one is to use a flash adc. Reviews basic architecture, sparkle codes, metastability, and clock jitter. It is formed of. Flash Adc Circuit.
From www.researchgate.net
The simulated circuit design of 4bit flash analog to digital converter Flash Adc Circuit Also called the parallel a/d converter, this circuit is the simplest to understand. It is formed of a series of comparators, each one. Flash adcs (sometimes called parallel adcs) are the fastest type of adc and use large numbers of comparators. Reviews basic architecture, sparkle codes, metastability, and clock jitter. One of the fastest ways to convert an analog signal. Flash Adc Circuit.
From www.mdpi.com
Sensors Free FullText Design of a LowPower and LowArea 8Bit Flash Adc Circuit Also called the parallel a/d converter, this circuit is the simplest to understand. Flash adcs (sometimes called parallel adcs) are the fastest type of adc and use large numbers of comparators. Reviews basic architecture, sparkle codes, metastability, and clock jitter. The flash adc [a circuit for all seasons] abstract: What is a flash adc? It is formed of a series. Flash Adc Circuit.
From www.researchgate.net
Block diagram of Flash ADC (Adapted from CMOS circuit design, layout Flash Adc Circuit The flash adc [a circuit for all seasons] abstract: What is a flash adc? Also called the parallel a/d converter, this circuit is the simplest to understand. Flash adcs (sometimes called parallel adcs) are the fastest type of adc and use large numbers of comparators. One of the fastest ways to convert an analog signal to a digital one is. Flash Adc Circuit.
From www.mdpi.com
Sensors Free FullText Design of a LowPower and LowArea 8Bit Flash Adc Circuit Also called the parallel a/d converter, this circuit is the simplest to understand. It is formed of a series of comparators, each one. What is a flash adc? One of the fastest ways to convert an analog signal to a digital one is to use a flash adc. The flash adc [a circuit for all seasons] abstract: Reviews basic architecture,. Flash Adc Circuit.
From www.circuitdiagram.co
8 bit adc circuit diagram Circuit Diagram Flash Adc Circuit It is formed of a series of comparators, each one. The flash adc [a circuit for all seasons] abstract: Reviews basic architecture, sparkle codes, metastability, and clock jitter. What is a flash adc? Also called the parallel a/d converter, this circuit is the simplest to understand. One of the fastest ways to convert an analog signal to a digital one. Flash Adc Circuit.
From www.researchgate.net
Schematic of 4Bit Flash ADC Download Scientific Diagram Flash Adc Circuit Flash adcs (sometimes called parallel adcs) are the fastest type of adc and use large numbers of comparators. It is formed of a series of comparators, each one. Also called the parallel a/d converter, this circuit is the simplest to understand. What is a flash adc? Reviews basic architecture, sparkle codes, metastability, and clock jitter. The flash adc [a circuit. Flash Adc Circuit.
From www.researchgate.net
(a) Schematic of 4 bit flash ADC with resistive averaging. (b Flash Adc Circuit Also called the parallel a/d converter, this circuit is the simplest to understand. The flash adc [a circuit for all seasons] abstract: It is formed of a series of comparators, each one. What is a flash adc? Flash adcs (sometimes called parallel adcs) are the fastest type of adc and use large numbers of comparators. One of the fastest ways. Flash Adc Circuit.
From manualdblewellen.z5.web.core.windows.net
Flash Type Adc Circuit Diagram Flash Adc Circuit What is a flash adc? Flash adcs (sometimes called parallel adcs) are the fastest type of adc and use large numbers of comparators. The flash adc [a circuit for all seasons] abstract: One of the fastest ways to convert an analog signal to a digital one is to use a flash adc. Reviews basic architecture, sparkle codes, metastability, and clock. Flash Adc Circuit.
From www.slideserve.com
PPT Analog to Digital Converters PowerPoint Presentation ID144874 Flash Adc Circuit It is formed of a series of comparators, each one. One of the fastest ways to convert an analog signal to a digital one is to use a flash adc. The flash adc [a circuit for all seasons] abstract: Flash adcs (sometimes called parallel adcs) are the fastest type of adc and use large numbers of comparators. Also called the. Flash Adc Circuit.
From en.wikipedia.org
Flash ADC Wikipedia Flash Adc Circuit The flash adc [a circuit for all seasons] abstract: Flash adcs (sometimes called parallel adcs) are the fastest type of adc and use large numbers of comparators. One of the fastest ways to convert an analog signal to a digital one is to use a flash adc. Also called the parallel a/d converter, this circuit is the simplest to understand.. Flash Adc Circuit.
From www.circuitdiagram.co
2 Bit Flash Adc Circuit Diagram Circuit Diagram Flash Adc Circuit Reviews basic architecture, sparkle codes, metastability, and clock jitter. Also called the parallel a/d converter, this circuit is the simplest to understand. Flash adcs (sometimes called parallel adcs) are the fastest type of adc and use large numbers of comparators. One of the fastest ways to convert an analog signal to a digital one is to use a flash adc.. Flash Adc Circuit.
From manuallibgyppos.z19.web.core.windows.net
4bit Flash Adc Circuit Diagram Flash Adc Circuit Flash adcs (sometimes called parallel adcs) are the fastest type of adc and use large numbers of comparators. One of the fastest ways to convert an analog signal to a digital one is to use a flash adc. Also called the parallel a/d converter, this circuit is the simplest to understand. Reviews basic architecture, sparkle codes, metastability, and clock jitter.. Flash Adc Circuit.
From www.radiolocman.com
Simple analog circuit provides voltage clipping and dc shifting for Flash Adc Circuit One of the fastest ways to convert an analog signal to a digital one is to use a flash adc. What is a flash adc? Flash adcs (sometimes called parallel adcs) are the fastest type of adc and use large numbers of comparators. It is formed of a series of comparators, each one. Reviews basic architecture, sparkle codes, metastability, and. Flash Adc Circuit.
From circuitengineschweizer.z19.web.core.windows.net
Flash Adc Circuit Diagram Flash Adc Circuit It is formed of a series of comparators, each one. The flash adc [a circuit for all seasons] abstract: Flash adcs (sometimes called parallel adcs) are the fastest type of adc and use large numbers of comparators. What is a flash adc? Reviews basic architecture, sparkle codes, metastability, and clock jitter. One of the fastest ways to convert an analog. Flash Adc Circuit.
From guidedbbar.z13.web.core.windows.net
2 Bit Flash Adc Circuit Diagram Flash Adc Circuit One of the fastest ways to convert an analog signal to a digital one is to use a flash adc. What is a flash adc? Flash adcs (sometimes called parallel adcs) are the fastest type of adc and use large numbers of comparators. The flash adc [a circuit for all seasons] abstract: It is formed of a series of comparators,. Flash Adc Circuit.
From www.researchgate.net
Structure diagram of flash ADC. It can be seen from the working process Flash Adc Circuit It is formed of a series of comparators, each one. Reviews basic architecture, sparkle codes, metastability, and clock jitter. What is a flash adc? Flash adcs (sometimes called parallel adcs) are the fastest type of adc and use large numbers of comparators. One of the fastest ways to convert an analog signal to a digital one is to use a. Flash Adc Circuit.
From www.slideserve.com
PPT ADC TYPES PowerPoint Presentation, free download ID6866859 Flash Adc Circuit Also called the parallel a/d converter, this circuit is the simplest to understand. The flash adc [a circuit for all seasons] abstract: What is a flash adc? It is formed of a series of comparators, each one. One of the fastest ways to convert an analog signal to a digital one is to use a flash adc. Reviews basic architecture,. Flash Adc Circuit.
From www.electronoobs.com
DIY 3bit flash ADC Flash Adc Circuit What is a flash adc? Flash adcs (sometimes called parallel adcs) are the fastest type of adc and use large numbers of comparators. Reviews basic architecture, sparkle codes, metastability, and clock jitter. One of the fastest ways to convert an analog signal to a digital one is to use a flash adc. Also called the parallel a/d converter, this circuit. Flash Adc Circuit.
From www.circuitdiagram.co
3 Bit Flash Adc Circuit Diagram Circuit Diagram Flash Adc Circuit One of the fastest ways to convert an analog signal to a digital one is to use a flash adc. Reviews basic architecture, sparkle codes, metastability, and clock jitter. It is formed of a series of comparators, each one. What is a flash adc? The flash adc [a circuit for all seasons] abstract: Also called the parallel a/d converter, this. Flash Adc Circuit.
From www.researchgate.net
14 Flash ADC circuit. Source Panchal et al., (2012). Download Flash Adc Circuit Also called the parallel a/d converter, this circuit is the simplest to understand. It is formed of a series of comparators, each one. One of the fastest ways to convert an analog signal to a digital one is to use a flash adc. Reviews basic architecture, sparkle codes, metastability, and clock jitter. Flash adcs (sometimes called parallel adcs) are the. Flash Adc Circuit.
From www.researchgate.net
Block diagram of nbit Flash ADC architecture Download Scientific Diagram Flash Adc Circuit The flash adc [a circuit for all seasons] abstract: One of the fastest ways to convert an analog signal to a digital one is to use a flash adc. Flash adcs (sometimes called parallel adcs) are the fastest type of adc and use large numbers of comparators. It is formed of a series of comparators, each one. What is a. Flash Adc Circuit.
From electronics.stackexchange.com
voltage divider Flash ADC Why R/2 at the ends of the resistor Flash Adc Circuit Flash adcs (sometimes called parallel adcs) are the fastest type of adc and use large numbers of comparators. What is a flash adc? The flash adc [a circuit for all seasons] abstract: Also called the parallel a/d converter, this circuit is the simplest to understand. One of the fastest ways to convert an analog signal to a digital one is. Flash Adc Circuit.
From www.multisim.com
Flash ADC Multisim Live Flash Adc Circuit Flash adcs (sometimes called parallel adcs) are the fastest type of adc and use large numbers of comparators. One of the fastest ways to convert an analog signal to a digital one is to use a flash adc. It is formed of a series of comparators, each one. What is a flash adc? The flash adc [a circuit for all. Flash Adc Circuit.
From www.researchgate.net
Schematic of 4bit Stochastic Flash ADC. Download Scientific Diagram Flash Adc Circuit One of the fastest ways to convert an analog signal to a digital one is to use a flash adc. Reviews basic architecture, sparkle codes, metastability, and clock jitter. Also called the parallel a/d converter, this circuit is the simplest to understand. What is a flash adc? Flash adcs (sometimes called parallel adcs) are the fastest type of adc and. Flash Adc Circuit.
From www.youtube.com
Flash ADC (Parallel ADC) and HalfFlash ADC Explained YouTube Flash Adc Circuit Reviews basic architecture, sparkle codes, metastability, and clock jitter. Also called the parallel a/d converter, this circuit is the simplest to understand. Flash adcs (sometimes called parallel adcs) are the fastest type of adc and use large numbers of comparators. One of the fastest ways to convert an analog signal to a digital one is to use a flash adc.. Flash Adc Circuit.
From www.researchgate.net
Complete circuit diagram of a 3bit flash ADC. Download Scientific Flash Adc Circuit Reviews basic architecture, sparkle codes, metastability, and clock jitter. It is formed of a series of comparators, each one. The flash adc [a circuit for all seasons] abstract: What is a flash adc? Flash adcs (sometimes called parallel adcs) are the fastest type of adc and use large numbers of comparators. One of the fastest ways to convert an analog. Flash Adc Circuit.
From www.researchgate.net
Conventional 3 bit flash ADC circuit Download Scientific Diagram Flash Adc Circuit Reviews basic architecture, sparkle codes, metastability, and clock jitter. What is a flash adc? It is formed of a series of comparators, each one. Flash adcs (sometimes called parallel adcs) are the fastest type of adc and use large numbers of comparators. Also called the parallel a/d converter, this circuit is the simplest to understand. The flash adc [a circuit. Flash Adc Circuit.