Mikuni Vm24 Carburetor Diagram . Includes rubber cap, locknut, cable adjuster and 90º tube. I purchased the real thing from niche cycle. In this article, we will delve deeper into the mikuni vm carburetor diagram, explaining the function of each component and providing tips for tuning and troubleshooting. Needle jets are available in an assortment of sizes for most of the mikuni. This manual is intended as a guide for users of mikuni carburetors who want to learn the adjusting method to the best performance from our. This page lists our carburetor owner's and tuning manuals. Works on keihin and mikuni carburetor caps. As mentioned above, the needle jet takes over most of the fuel delivery from the pilot circuit as the throttle is opened. Download and read or print these documents by clicking on the titles below. These manual files are adobe pdf.
from ceqyqugf.blob.core.windows.net
Works on keihin and mikuni carburetor caps. This manual is intended as a guide for users of mikuni carburetors who want to learn the adjusting method to the best performance from our. This page lists our carburetor owner's and tuning manuals. Needle jets are available in an assortment of sizes for most of the mikuni. Includes rubber cap, locknut, cable adjuster and 90º tube. I purchased the real thing from niche cycle. As mentioned above, the needle jet takes over most of the fuel delivery from the pilot circuit as the throttle is opened. Download and read or print these documents by clicking on the titles below. These manual files are adobe pdf. In this article, we will delve deeper into the mikuni vm carburetor diagram, explaining the function of each component and providing tips for tuning and troubleshooting.
How To Adjust Mikuni Carb at Joe Rosado blog
Mikuni Vm24 Carburetor Diagram Includes rubber cap, locknut, cable adjuster and 90º tube. I purchased the real thing from niche cycle. Download and read or print these documents by clicking on the titles below. In this article, we will delve deeper into the mikuni vm carburetor diagram, explaining the function of each component and providing tips for tuning and troubleshooting. Needle jets are available in an assortment of sizes for most of the mikuni. These manual files are adobe pdf. Works on keihin and mikuni carburetor caps. As mentioned above, the needle jet takes over most of the fuel delivery from the pilot circuit as the throttle is opened. This manual is intended as a guide for users of mikuni carburetors who want to learn the adjusting method to the best performance from our. Includes rubber cap, locknut, cable adjuster and 90º tube. This page lists our carburetor owner's and tuning manuals.
From autoctrls.com
Demystifying the Mikuni 38mm Flat Slide Carb Diagram Everything You Mikuni Vm24 Carburetor Diagram I purchased the real thing from niche cycle. Needle jets are available in an assortment of sizes for most of the mikuni. Includes rubber cap, locknut, cable adjuster and 90º tube. This page lists our carburetor owner's and tuning manuals. In this article, we will delve deeper into the mikuni vm carburetor diagram, explaining the function of each component and. Mikuni Vm24 Carburetor Diagram.
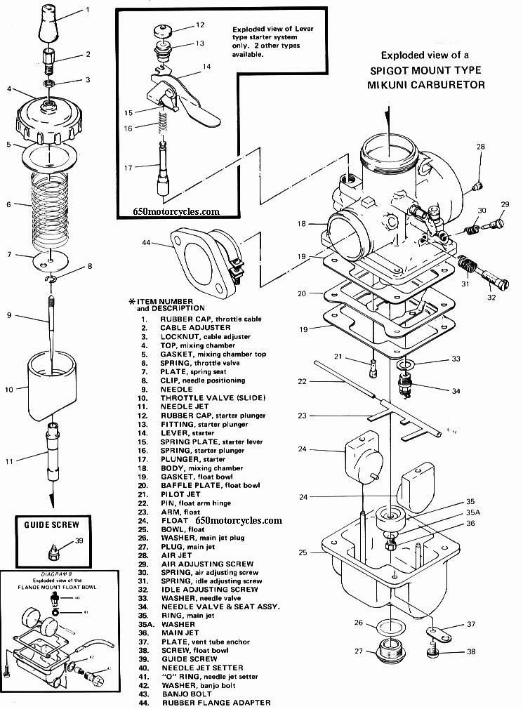
From exoshnceh.blob.core.windows.net
Mikuni Bsr36 Carburetor Diagram at Timothy Marrero blog Mikuni Vm24 Carburetor Diagram This manual is intended as a guide for users of mikuni carburetors who want to learn the adjusting method to the best performance from our. In this article, we will delve deeper into the mikuni vm carburetor diagram, explaining the function of each component and providing tips for tuning and troubleshooting. These manual files are adobe pdf. Download and read. Mikuni Vm24 Carburetor Diagram.
From mikunioz.com
Yamaha TTR125 VM24 Carburetor Kit Mikunioz Mikuni Vm24 Carburetor Diagram These manual files are adobe pdf. This manual is intended as a guide for users of mikuni carburetors who want to learn the adjusting method to the best performance from our. I purchased the real thing from niche cycle. As mentioned above, the needle jet takes over most of the fuel delivery from the pilot circuit as the throttle is. Mikuni Vm24 Carburetor Diagram.
From mikunioz.com
1. VM24512 24mm Mikuni VM Carburetor Mikunioz Mikuni Vm24 Carburetor Diagram Works on keihin and mikuni carburetor caps. This manual is intended as a guide for users of mikuni carburetors who want to learn the adjusting method to the best performance from our. This page lists our carburetor owner's and tuning manuals. Includes rubber cap, locknut, cable adjuster and 90º tube. These manual files are adobe pdf. In this article, we. Mikuni Vm24 Carburetor Diagram.
From www.dirtbikes.com
HowTo Set Up A Mikuni Round Slide Carburetor Dirt Bikes Mikuni Vm24 Carburetor Diagram As mentioned above, the needle jet takes over most of the fuel delivery from the pilot circuit as the throttle is opened. These manual files are adobe pdf. Download and read or print these documents by clicking on the titles below. Works on keihin and mikuni carburetor caps. Needle jets are available in an assortment of sizes for most of. Mikuni Vm24 Carburetor Diagram.
From mikunioz.com
1. VM24512 24mm Mikuni VM Carburetor Mikunioz Mikuni Vm24 Carburetor Diagram As mentioned above, the needle jet takes over most of the fuel delivery from the pilot circuit as the throttle is opened. Needle jets are available in an assortment of sizes for most of the mikuni. Works on keihin and mikuni carburetor caps. This manual is intended as a guide for users of mikuni carburetors who want to learn the. Mikuni Vm24 Carburetor Diagram.
From techdiagrammer.com
All you need to know about Mikuni flat slide carburetor diagrams Mikuni Vm24 Carburetor Diagram As mentioned above, the needle jet takes over most of the fuel delivery from the pilot circuit as the throttle is opened. Needle jets are available in an assortment of sizes for most of the mikuni. Download and read or print these documents by clicking on the titles below. In this article, we will delve deeper into the mikuni vm. Mikuni Vm24 Carburetor Diagram.
From mavink.com
Mikuni Carburetor Exploded View Diagrams Mikuni Vm24 Carburetor Diagram Download and read or print these documents by clicking on the titles below. Needle jets are available in an assortment of sizes for most of the mikuni. These manual files are adobe pdf. As mentioned above, the needle jet takes over most of the fuel delivery from the pilot circuit as the throttle is opened. Works on keihin and mikuni. Mikuni Vm24 Carburetor Diagram.
From www.nichecycle.com
Mikuni VM24 Round Slide 24mm Carburetor Mikuni Vm24 Carburetor Diagram I purchased the real thing from niche cycle. This page lists our carburetor owner's and tuning manuals. Includes rubber cap, locknut, cable adjuster and 90º tube. Needle jets are available in an assortment of sizes for most of the mikuni. In this article, we will delve deeper into the mikuni vm carburetor diagram, explaining the function of each component and. Mikuni Vm24 Carburetor Diagram.
From mavink.com
Mikuni Carburetor Exploded View Diagrams Mikuni Vm24 Carburetor Diagram Works on keihin and mikuni carburetor caps. This page lists our carburetor owner's and tuning manuals. Needle jets are available in an assortment of sizes for most of the mikuni. Download and read or print these documents by clicking on the titles below. I purchased the real thing from niche cycle. This manual is intended as a guide for users. Mikuni Vm24 Carburetor Diagram.
From www.mikunioz.com
1. VM24512 24mm Mikuni VM Carburetor Mikunioz Mikuni Vm24 Carburetor Diagram I purchased the real thing from niche cycle. This manual is intended as a guide for users of mikuni carburetors who want to learn the adjusting method to the best performance from our. Download and read or print these documents by clicking on the titles below. Works on keihin and mikuni carburetor caps. Needle jets are available in an assortment. Mikuni Vm24 Carburetor Diagram.
From www.walmart.com
Mikuni VM24512 Round Slide VM Series Carburetor (VM24512) 24mm Mikuni Vm24 Carburetor Diagram As mentioned above, the needle jet takes over most of the fuel delivery from the pilot circuit as the throttle is opened. In this article, we will delve deeper into the mikuni vm carburetor diagram, explaining the function of each component and providing tips for tuning and troubleshooting. Needle jets are available in an assortment of sizes for most of. Mikuni Vm24 Carburetor Diagram.
From usamotorcycling.com
Identify Mikuni Carburetor Models In A Nutshell Mikuni Vm24 Carburetor Diagram Download and read or print these documents by clicking on the titles below. In this article, we will delve deeper into the mikuni vm carburetor diagram, explaining the function of each component and providing tips for tuning and troubleshooting. I purchased the real thing from niche cycle. Includes rubber cap, locknut, cable adjuster and 90º tube. This page lists our. Mikuni Vm24 Carburetor Diagram.
From exogssmga.blob.core.windows.net
Mikuni Carburetor Hose Diagram at Donald Shaner blog Mikuni Vm24 Carburetor Diagram These manual files are adobe pdf. Works on keihin and mikuni carburetor caps. As mentioned above, the needle jet takes over most of the fuel delivery from the pilot circuit as the throttle is opened. This page lists our carburetor owner's and tuning manuals. In this article, we will delve deeper into the mikuni vm carburetor diagram, explaining the function. Mikuni Vm24 Carburetor Diagram.
From mikunioz.com
1. VM24512 24mm Mikuni VM Carburetor Mikunioz Mikuni Vm24 Carburetor Diagram In this article, we will delve deeper into the mikuni vm carburetor diagram, explaining the function of each component and providing tips for tuning and troubleshooting. This page lists our carburetor owner's and tuning manuals. This manual is intended as a guide for users of mikuni carburetors who want to learn the adjusting method to the best performance from our.. Mikuni Vm24 Carburetor Diagram.
From hannahgallery10.blogspot.com
Mikuni Vm22 Manual / Mikuni Vm Roundslide Parts Diagram Pdf Carburetor Mikuni Vm24 Carburetor Diagram As mentioned above, the needle jet takes over most of the fuel delivery from the pilot circuit as the throttle is opened. Download and read or print these documents by clicking on the titles below. These manual files are adobe pdf. This manual is intended as a guide for users of mikuni carburetors who want to learn the adjusting method. Mikuni Vm24 Carburetor Diagram.
From wiringpictures.net
Understanding the Inner Workings of a Mikuni Solex Carburetor Mikuni Vm24 Carburetor Diagram Download and read or print these documents by clicking on the titles below. Works on keihin and mikuni carburetor caps. Includes rubber cap, locknut, cable adjuster and 90º tube. These manual files are adobe pdf. Needle jets are available in an assortment of sizes for most of the mikuni. As mentioned above, the needle jet takes over most of the. Mikuni Vm24 Carburetor Diagram.
From mungfali.com
Mikuni Carburetor Parts Diagram Mikuni Vm24 Carburetor Diagram Includes rubber cap, locknut, cable adjuster and 90º tube. This manual is intended as a guide for users of mikuni carburetors who want to learn the adjusting method to the best performance from our. This page lists our carburetor owner's and tuning manuals. Needle jets are available in an assortment of sizes for most of the mikuni. Download and read. Mikuni Vm24 Carburetor Diagram.
From www.ebay.com
Mikuni Vm 24 carburettor 125cc 138cc 140cc 200cc 250cc carburettor Mikuni Vm24 Carburetor Diagram These manual files are adobe pdf. Includes rubber cap, locknut, cable adjuster and 90º tube. Needle jets are available in an assortment of sizes for most of the mikuni. Download and read or print these documents by clicking on the titles below. As mentioned above, the needle jet takes over most of the fuel delivery from the pilot circuit as. Mikuni Vm24 Carburetor Diagram.
From tbparts.com
Mikuni Carburetor, VM24 Mikuni Vm24 Carburetor Diagram This manual is intended as a guide for users of mikuni carburetors who want to learn the adjusting method to the best performance from our. I purchased the real thing from niche cycle. Needle jets are available in an assortment of sizes for most of the mikuni. Download and read or print these documents by clicking on the titles below.. Mikuni Vm24 Carburetor Diagram.
From www.nichecycle.com
Mikuni VM24 Round Slide 24mm Carburetor VM24512 Genuine Genuine Mikuni Mikuni Vm24 Carburetor Diagram In this article, we will delve deeper into the mikuni vm carburetor diagram, explaining the function of each component and providing tips for tuning and troubleshooting. Includes rubber cap, locknut, cable adjuster and 90º tube. Download and read or print these documents by clicking on the titles below. This page lists our carburetor owner's and tuning manuals. These manual files. Mikuni Vm24 Carburetor Diagram.
From mavink.com
Mikuni Vm22 Carburetor Diagram Mikuni Vm24 Carburetor Diagram I purchased the real thing from niche cycle. Download and read or print these documents by clicking on the titles below. Works on keihin and mikuni carburetor caps. These manual files are adobe pdf. In this article, we will delve deeper into the mikuni vm carburetor diagram, explaining the function of each component and providing tips for tuning and troubleshooting.. Mikuni Vm24 Carburetor Diagram.
From www.mikunioz.com
1. VM24512 24mm Mikuni VM Carburetor Mikunioz Mikuni Vm24 Carburetor Diagram Download and read or print these documents by clicking on the titles below. Includes rubber cap, locknut, cable adjuster and 90º tube. Needle jets are available in an assortment of sizes for most of the mikuni. In this article, we will delve deeper into the mikuni vm carburetor diagram, explaining the function of each component and providing tips for tuning. Mikuni Vm24 Carburetor Diagram.
From tridentdieidee101.blogspot.com
Mikuni Carb Schematic / Suzuki DR400S 1980 (T) CARBURETOR buy Mikuni Vm24 Carburetor Diagram Works on keihin and mikuni carburetor caps. This manual is intended as a guide for users of mikuni carburetors who want to learn the adjusting method to the best performance from our. Download and read or print these documents by clicking on the titles below. As mentioned above, the needle jet takes over most of the fuel delivery from the. Mikuni Vm24 Carburetor Diagram.
From www.mikesxs.net
Carburetor Mikuni VM24 Standard Jetting Yamaha Motorcycle Parts Mikuni Vm24 Carburetor Diagram In this article, we will delve deeper into the mikuni vm carburetor diagram, explaining the function of each component and providing tips for tuning and troubleshooting. This page lists our carburetor owner's and tuning manuals. Works on keihin and mikuni carburetor caps. I purchased the real thing from niche cycle. This manual is intended as a guide for users of. Mikuni Vm24 Carburetor Diagram.
From www.pjmotorsports.com
Mikuni VM 24512 Series Exploded Views Mikuni Vm24 Carburetor Diagram This page lists our carburetor owner's and tuning manuals. This manual is intended as a guide for users of mikuni carburetors who want to learn the adjusting method to the best performance from our. I purchased the real thing from niche cycle. Needle jets are available in an assortment of sizes for most of the mikuni. As mentioned above, the. Mikuni Vm24 Carburetor Diagram.
From wiringfixbugatti.z19.web.core.windows.net
Mikuni Vm22 Parts Diagram Mikuni Vm24 Carburetor Diagram This page lists our carburetor owner's and tuning manuals. This manual is intended as a guide for users of mikuni carburetors who want to learn the adjusting method to the best performance from our. As mentioned above, the needle jet takes over most of the fuel delivery from the pilot circuit as the throttle is opened. Works on keihin and. Mikuni Vm24 Carburetor Diagram.
From japan.webike.net
MINIMOTO MIKUNI VM24 Carburetor [1610] Mikuni Vm24 Carburetor Diagram As mentioned above, the needle jet takes over most of the fuel delivery from the pilot circuit as the throttle is opened. In this article, we will delve deeper into the mikuni vm carburetor diagram, explaining the function of each component and providing tips for tuning and troubleshooting. Needle jets are available in an assortment of sizes for most of. Mikuni Vm24 Carburetor Diagram.
From techdiagrammer.com
The Complete Mikuni Carb Fuel Line Diagram A Comprehensive Guide Mikuni Vm24 Carburetor Diagram Works on keihin and mikuni carburetor caps. These manual files are adobe pdf. I purchased the real thing from niche cycle. Needle jets are available in an assortment of sizes for most of the mikuni. Includes rubber cap, locknut, cable adjuster and 90º tube. As mentioned above, the needle jet takes over most of the fuel delivery from the pilot. Mikuni Vm24 Carburetor Diagram.
From www.mikunipower.com
Mikuni Power Mikuni Genuine Carburetor & Fuel Pump Rebuild Kits Mikuni Vm24 Carburetor Diagram As mentioned above, the needle jet takes over most of the fuel delivery from the pilot circuit as the throttle is opened. Includes rubber cap, locknut, cable adjuster and 90º tube. These manual files are adobe pdf. This page lists our carburetor owner's and tuning manuals. I purchased the real thing from niche cycle. Works on keihin and mikuni carburetor. Mikuni Vm24 Carburetor Diagram.
From www.sudco.com
Sudco Intl. Corp. Mikuni Diagrams Mikuni Vm24 Carburetor Diagram As mentioned above, the needle jet takes over most of the fuel delivery from the pilot circuit as the throttle is opened. Needle jets are available in an assortment of sizes for most of the mikuni. Download and read or print these documents by clicking on the titles below. These manual files are adobe pdf. In this article, we will. Mikuni Vm24 Carburetor Diagram.
From mikunioz.com
1. VM24512 24mm Mikuni VM Carburetor Mikunioz Mikuni Vm24 Carburetor Diagram This manual is intended as a guide for users of mikuni carburetors who want to learn the adjusting method to the best performance from our. Includes rubber cap, locknut, cable adjuster and 90º tube. As mentioned above, the needle jet takes over most of the fuel delivery from the pilot circuit as the throttle is opened. Works on keihin and. Mikuni Vm24 Carburetor Diagram.
From stewart-switch.com
Polaris Mikuni Carburetor Diagram Mikuni Vm24 Carburetor Diagram In this article, we will delve deeper into the mikuni vm carburetor diagram, explaining the function of each component and providing tips for tuning and troubleshooting. Works on keihin and mikuni carburetor caps. These manual files are adobe pdf. Download and read or print these documents by clicking on the titles below. As mentioned above, the needle jet takes over. Mikuni Vm24 Carburetor Diagram.
From ceqyqugf.blob.core.windows.net
How To Adjust Mikuni Carb at Joe Rosado blog Mikuni Vm24 Carburetor Diagram In this article, we will delve deeper into the mikuni vm carburetor diagram, explaining the function of each component and providing tips for tuning and troubleshooting. Includes rubber cap, locknut, cable adjuster and 90º tube. Works on keihin and mikuni carburetor caps. This page lists our carburetor owner's and tuning manuals. These manual files are adobe pdf. Needle jets are. Mikuni Vm24 Carburetor Diagram.
From guidedehartchoultries.z21.web.core.windows.net
Mikuni Carburetor Parts Diagram Mikuni Vm24 Carburetor Diagram This manual is intended as a guide for users of mikuni carburetors who want to learn the adjusting method to the best performance from our. As mentioned above, the needle jet takes over most of the fuel delivery from the pilot circuit as the throttle is opened. This page lists our carburetor owner's and tuning manuals. I purchased the real. Mikuni Vm24 Carburetor Diagram.