Intake Manifold On Boat Engine . Exhaust manifolds and risers are large metal castings that carry hot exhaust gases away from the engine on inboard engines. common symptoms include the engine running rich (too much fuel and not enough air in the mixture), reduced fuel efficiency, poor engine performance, and. this week on the ls build we install the new intake manifold as we inch closer and. let's take a look at working, construction, and structure of marine exhaust manifolds. the intake manifold will have a casting number on it just forward of the distributor (picture 3) which should be used. We will also analyze how the manifold systems differ between ships and smaller vessels such as yachts and boats.
from www.ebuyindustry.com
We will also analyze how the manifold systems differ between ships and smaller vessels such as yachts and boats. the intake manifold will have a casting number on it just forward of the distributor (picture 3) which should be used. Exhaust manifolds and risers are large metal castings that carry hot exhaust gases away from the engine on inboard engines. this week on the ls build we install the new intake manifold as we inch closer and. common symptoms include the engine running rich (too much fuel and not enough air in the mixture), reduced fuel efficiency, poor engine performance, and. let's take a look at working, construction, and structure of marine exhaust manifolds.
News How does the intake manifold work?
Intake Manifold On Boat Engine common symptoms include the engine running rich (too much fuel and not enough air in the mixture), reduced fuel efficiency, poor engine performance, and. We will also analyze how the manifold systems differ between ships and smaller vessels such as yachts and boats. common symptoms include the engine running rich (too much fuel and not enough air in the mixture), reduced fuel efficiency, poor engine performance, and. the intake manifold will have a casting number on it just forward of the distributor (picture 3) which should be used. Exhaust manifolds and risers are large metal castings that carry hot exhaust gases away from the engine on inboard engines. let's take a look at working, construction, and structure of marine exhaust manifolds. this week on the ls build we install the new intake manifold as we inch closer and.
From shopee.com.my
Alloy Straight Row Intake Manifold kit for QJ Zenoah RCMK Marine Gas RC Intake Manifold On Boat Engine this week on the ls build we install the new intake manifold as we inch closer and. We will also analyze how the manifold systems differ between ships and smaller vessels such as yachts and boats. Exhaust manifolds and risers are large metal castings that carry hot exhaust gases away from the engine on inboard engines. let's take. Intake Manifold On Boat Engine.
From nbbt818.en.hisupplier.com
Intake manifold for 29cc engine for rc boat from China manufacturer Intake Manifold On Boat Engine this week on the ls build we install the new intake manifold as we inch closer and. let's take a look at working, construction, and structure of marine exhaust manifolds. We will also analyze how the manifold systems differ between ships and smaller vessels such as yachts and boats. Exhaust manifolds and risers are large metal castings that. Intake Manifold On Boat Engine.
From thmotorsports.com
Holley 300521 Intake Manifold THMotorsports Intake Manifold On Boat Engine the intake manifold will have a casting number on it just forward of the distributor (picture 3) which should be used. Exhaust manifolds and risers are large metal castings that carry hot exhaust gases away from the engine on inboard engines. let's take a look at working, construction, and structure of marine exhaust manifolds. common symptoms include. Intake Manifold On Boat Engine.
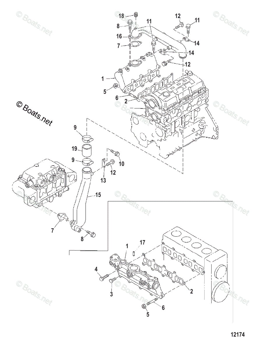
From www.boats.net
Mercruiser Inboard Gas Engines OEM Parts Diagram for INTAKE MANIFOLD Intake Manifold On Boat Engine this week on the ls build we install the new intake manifold as we inch closer and. common symptoms include the engine running rich (too much fuel and not enough air in the mixture), reduced fuel efficiency, poor engine performance, and. We will also analyze how the manifold systems differ between ships and smaller vessels such as yachts. Intake Manifold On Boat Engine.
From www.stevemorrisengines.com
Shaun's Custom Alloy Billet BBF Intake Manifold Steve Morris Engines Intake Manifold On Boat Engine We will also analyze how the manifold systems differ between ships and smaller vessels such as yachts and boats. common symptoms include the engine running rich (too much fuel and not enough air in the mixture), reduced fuel efficiency, poor engine performance, and. the intake manifold will have a casting number on it just forward of the distributor. Intake Manifold On Boat Engine.
From www.boats.net
Mercruiser Inboard Diesel Engines OEM Parts Diagram for INTAKE MANIFOLD Intake Manifold On Boat Engine this week on the ls build we install the new intake manifold as we inch closer and. common symptoms include the engine running rich (too much fuel and not enough air in the mixture), reduced fuel efficiency, poor engine performance, and. We will also analyze how the manifold systems differ between ships and smaller vessels such as yachts. Intake Manifold On Boat Engine.
From ocsaly.com
Inlet Manifold The Role, Design, and Pros and Cons of this Essential Intake Manifold On Boat Engine the intake manifold will have a casting number on it just forward of the distributor (picture 3) which should be used. Exhaust manifolds and risers are large metal castings that carry hot exhaust gases away from the engine on inboard engines. let's take a look at working, construction, and structure of marine exhaust manifolds. this week on. Intake Manifold On Boat Engine.
From mmcompetitionengines.com
M&M Competition Engines Cast Aluminum Intake Manifolds Intake Manifold On Boat Engine Exhaust manifolds and risers are large metal castings that carry hot exhaust gases away from the engine on inboard engines. the intake manifold will have a casting number on it just forward of the distributor (picture 3) which should be used. common symptoms include the engine running rich (too much fuel and not enough air in the mixture),. Intake Manifold On Boat Engine.
From www.boats.net
Mercruiser Sterndrive Gas Engines OEM Parts Diagram for INTAKE MANIFOLD Intake Manifold On Boat Engine We will also analyze how the manifold systems differ between ships and smaller vessels such as yachts and boats. the intake manifold will have a casting number on it just forward of the distributor (picture 3) which should be used. let's take a look at working, construction, and structure of marine exhaust manifolds. Exhaust manifolds and risers are. Intake Manifold On Boat Engine.
From darsenginerepair.weebly.com
Winterizing a 3.0L Mercruiser 4 Cylinder Dars small engine repair Intake Manifold On Boat Engine let's take a look at working, construction, and structure of marine exhaust manifolds. common symptoms include the engine running rich (too much fuel and not enough air in the mixture), reduced fuel efficiency, poor engine performance, and. this week on the ls build we install the new intake manifold as we inch closer and. We will also. Intake Manifold On Boat Engine.
From www.sbmar.com
QSB 5.9 Boost & Intake Manifold Temp Sensor Location Seaboard Marine Intake Manifold On Boat Engine the intake manifold will have a casting number on it just forward of the distributor (picture 3) which should be used. common symptoms include the engine running rich (too much fuel and not enough air in the mixture), reduced fuel efficiency, poor engine performance, and. this week on the ls build we install the new intake manifold. Intake Manifold On Boat Engine.
From www.cjponyparts.com
What Is an Intake Manifold and What Does It Do? Intake Manifold On Boat Engine let's take a look at working, construction, and structure of marine exhaust manifolds. the intake manifold will have a casting number on it just forward of the distributor (picture 3) which should be used. common symptoms include the engine running rich (too much fuel and not enough air in the mixture), reduced fuel efficiency, poor engine performance,. Intake Manifold On Boat Engine.
From www.boats.net
Mercruiser Inboard Gas Engines OEM Parts Diagram for INTAKE MANIFOLD Intake Manifold On Boat Engine the intake manifold will have a casting number on it just forward of the distributor (picture 3) which should be used. We will also analyze how the manifold systems differ between ships and smaller vessels such as yachts and boats. Exhaust manifolds and risers are large metal castings that carry hot exhaust gases away from the engine on inboard. Intake Manifold On Boat Engine.
From ceibklnq.blob.core.windows.net
Best Intake Manifold For 5.7 Hemi Ram at Tracy Watkin blog Intake Manifold On Boat Engine this week on the ls build we install the new intake manifold as we inch closer and. the intake manifold will have a casting number on it just forward of the distributor (picture 3) which should be used. Exhaust manifolds and risers are large metal castings that carry hot exhaust gases away from the engine on inboard engines.. Intake Manifold On Boat Engine.
From www.boats.net
Mercury Outboard 60HP OEM Parts Diagram for INTAKE MANIFOLD Intake Manifold On Boat Engine let's take a look at working, construction, and structure of marine exhaust manifolds. this week on the ls build we install the new intake manifold as we inch closer and. common symptoms include the engine running rich (too much fuel and not enough air in the mixture), reduced fuel efficiency, poor engine performance, and. Exhaust manifolds and. Intake Manifold On Boat Engine.
From greenbayprop.com
11974 GM 4.3 V6 Intake Manifold 6269732 Mercruiser Alpha Green Bay Intake Manifold On Boat Engine let's take a look at working, construction, and structure of marine exhaust manifolds. this week on the ls build we install the new intake manifold as we inch closer and. Exhaust manifolds and risers are large metal castings that carry hot exhaust gases away from the engine on inboard engines. common symptoms include the engine running rich. Intake Manifold On Boat Engine.
From www.aliexpress.com
Free shipping!!!intake manifold for rc boat Engine Partsin Parts Intake Manifold On Boat Engine We will also analyze how the manifold systems differ between ships and smaller vessels such as yachts and boats. this week on the ls build we install the new intake manifold as we inch closer and. Exhaust manifolds and risers are large metal castings that carry hot exhaust gases away from the engine on inboard engines. common symptoms. Intake Manifold On Boat Engine.
From www.mmcompetitionengines.com
M&M Competition Engines Custom Sheetmetal Intake Manifolds Intake Manifold On Boat Engine common symptoms include the engine running rich (too much fuel and not enough air in the mixture), reduced fuel efficiency, poor engine performance, and. let's take a look at working, construction, and structure of marine exhaust manifolds. this week on the ls build we install the new intake manifold as we inch closer and. Exhaust manifolds and. Intake Manifold On Boat Engine.
From theprojectboat.com
MerCruiser Intake Manifold Installation The Project Boat Intake Manifold On Boat Engine We will also analyze how the manifold systems differ between ships and smaller vessels such as yachts and boats. common symptoms include the engine running rich (too much fuel and not enough air in the mixture), reduced fuel efficiency, poor engine performance, and. Exhaust manifolds and risers are large metal castings that carry hot exhaust gases away from the. Intake Manifold On Boat Engine.
From www.sbmar.com
QSB 5.9 Boost & Intake Manifold Temp Sensor Location Seaboard Marine Intake Manifold On Boat Engine this week on the ls build we install the new intake manifold as we inch closer and. common symptoms include the engine running rich (too much fuel and not enough air in the mixture), reduced fuel efficiency, poor engine performance, and. the intake manifold will have a casting number on it just forward of the distributor (picture. Intake Manifold On Boat Engine.
From www.sbmar.com
QSB 5.9 Boost & Intake Manifold Temp Sensor Location Seaboard Marine Intake Manifold On Boat Engine the intake manifold will have a casting number on it just forward of the distributor (picture 3) which should be used. let's take a look at working, construction, and structure of marine exhaust manifolds. Exhaust manifolds and risers are large metal castings that carry hot exhaust gases away from the engine on inboard engines. We will also analyze. Intake Manifold On Boat Engine.
From theprojectboat.com
MerCruiser Intake Manifold Installation The Project Boat Intake Manifold On Boat Engine the intake manifold will have a casting number on it just forward of the distributor (picture 3) which should be used. this week on the ls build we install the new intake manifold as we inch closer and. let's take a look at working, construction, and structure of marine exhaust manifolds. Exhaust manifolds and risers are large. Intake Manifold On Boat Engine.
From www.boats.net
Mercruiser Sterndrive Gas Engines OEM Parts Diagram for INTAKE MANIFOLD Intake Manifold On Boat Engine the intake manifold will have a casting number on it just forward of the distributor (picture 3) which should be used. common symptoms include the engine running rich (too much fuel and not enough air in the mixture), reduced fuel efficiency, poor engine performance, and. Exhaust manifolds and risers are large metal castings that carry hot exhaust gases. Intake Manifold On Boat Engine.
From www.alibaba.com
Boat Casting Aluminum Intake Marine Exhaust Elbow Fits Manifolds Buy Intake Manifold On Boat Engine Exhaust manifolds and risers are large metal castings that carry hot exhaust gases away from the engine on inboard engines. common symptoms include the engine running rich (too much fuel and not enough air in the mixture), reduced fuel efficiency, poor engine performance, and. We will also analyze how the manifold systems differ between ships and smaller vessels such. Intake Manifold On Boat Engine.
From www.justanswer.com
Q&A Rusty Intake Manifold Solutions Chesapeake Bay Motor Boat Rust Intake Manifold On Boat Engine Exhaust manifolds and risers are large metal castings that carry hot exhaust gases away from the engine on inboard engines. this week on the ls build we install the new intake manifold as we inch closer and. common symptoms include the engine running rich (too much fuel and not enough air in the mixture), reduced fuel efficiency, poor. Intake Manifold On Boat Engine.
From flavored.ph
Inboard Engines & Components 4.3L,4.3 Marine Engine intake manifold V6 Intake Manifold On Boat Engine common symptoms include the engine running rich (too much fuel and not enough air in the mixture), reduced fuel efficiency, poor engine performance, and. let's take a look at working, construction, and structure of marine exhaust manifolds. We will also analyze how the manifold systems differ between ships and smaller vessels such as yachts and boats. the. Intake Manifold On Boat Engine.
From www.gumtree.com
NEW MERCRUISER 3.0 L intake manifold INC. riser. Part 860235C BOAT Intake Manifold On Boat Engine this week on the ls build we install the new intake manifold as we inch closer and. common symptoms include the engine running rich (too much fuel and not enough air in the mixture), reduced fuel efficiency, poor engine performance, and. let's take a look at working, construction, and structure of marine exhaust manifolds. Exhaust manifolds and. Intake Manifold On Boat Engine.
From innovationdiscoveries.space
How An Intake Manifold Works Intake Manifold On Boat Engine common symptoms include the engine running rich (too much fuel and not enough air in the mixture), reduced fuel efficiency, poor engine performance, and. Exhaust manifolds and risers are large metal castings that carry hot exhaust gases away from the engine on inboard engines. We will also analyze how the manifold systems differ between ships and smaller vessels such. Intake Manifold On Boat Engine.
From www.ebuyindustry.com
News How does the intake manifold work? Intake Manifold On Boat Engine common symptoms include the engine running rich (too much fuel and not enough air in the mixture), reduced fuel efficiency, poor engine performance, and. Exhaust manifolds and risers are large metal castings that carry hot exhaust gases away from the engine on inboard engines. the intake manifold will have a casting number on it just forward of the. Intake Manifold On Boat Engine.
From www.offshoreonly.com
Tall Deck GM Dual Plane Intake Manifolds Intake Manifold On Boat Engine this week on the ls build we install the new intake manifold as we inch closer and. the intake manifold will have a casting number on it just forward of the distributor (picture 3) which should be used. let's take a look at working, construction, and structure of marine exhaust manifolds. We will also analyze how the. Intake Manifold On Boat Engine.
From www.sbmar.com
QSB 5.9 Boost & Intake Manifold Temp Sensor Location Seaboard Marine Intake Manifold On Boat Engine Exhaust manifolds and risers are large metal castings that carry hot exhaust gases away from the engine on inboard engines. this week on the ls build we install the new intake manifold as we inch closer and. let's take a look at working, construction, and structure of marine exhaust manifolds. common symptoms include the engine running rich. Intake Manifold On Boat Engine.
From nbbt818.en.hisupplier.com
Intake manifold for 29cc engine for rc boat from China manufacturer Intake Manifold On Boat Engine We will also analyze how the manifold systems differ between ships and smaller vessels such as yachts and boats. this week on the ls build we install the new intake manifold as we inch closer and. the intake manifold will have a casting number on it just forward of the distributor (picture 3) which should be used. . Intake Manifold On Boat Engine.
From maxmarineoutlet.com
GM 14097289 Marine Boat Engine Motor Intake Manifold * FOR 4.3L MOTORS Intake Manifold On Boat Engine Exhaust manifolds and risers are large metal castings that carry hot exhaust gases away from the engine on inboard engines. let's take a look at working, construction, and structure of marine exhaust manifolds. common symptoms include the engine running rich (too much fuel and not enough air in the mixture), reduced fuel efficiency, poor engine performance, and. . Intake Manifold On Boat Engine.
From firstfuelinjection.com
First Performance Center, LLC Fuel Injection Intake Manifold, Fuel Intake Manifold On Boat Engine Exhaust manifolds and risers are large metal castings that carry hot exhaust gases away from the engine on inboard engines. We will also analyze how the manifold systems differ between ships and smaller vessels such as yachts and boats. let's take a look at working, construction, and structure of marine exhaust manifolds. common symptoms include the engine running. Intake Manifold On Boat Engine.
From greenbayprop.com
11974 GM 4.3 V6 Intake Manifold 6269732 Mercruiser Alpha Stern Drive Intake Manifold On Boat Engine the intake manifold will have a casting number on it just forward of the distributor (picture 3) which should be used. let's take a look at working, construction, and structure of marine exhaust manifolds. Exhaust manifolds and risers are large metal castings that carry hot exhaust gases away from the engine on inboard engines. common symptoms include. Intake Manifold On Boat Engine.