Speed Limiter Relay . This is an add on by hisun because. The speed limiter relay kicks on when the shifter is in reverse to limit the max speed. I have 2008 coming that will arrive with the speed. Technical support and installation instructions for aftermarket cruise control, speed limiters, and other accessories. Has anyone removed the speed limiter in a later model fuel injected hijet? The muirhead® speed limiter is designed to maintain control of a vehicle’s maximum speed by interfacing into the throttle system. The muirhead® light vehicle speed limiter has been specifically designed to interface with the fly by wire throttle systems found on most modern light vehicles used in the.
from www.rbssuperchargers.com
The muirhead® speed limiter is designed to maintain control of a vehicle’s maximum speed by interfacing into the throttle system. I have 2008 coming that will arrive with the speed. The speed limiter relay kicks on when the shifter is in reverse to limit the max speed. Technical support and installation instructions for aftermarket cruise control, speed limiters, and other accessories. This is an add on by hisun because. The muirhead® light vehicle speed limiter has been specifically designed to interface with the fly by wire throttle systems found on most modern light vehicles used in the. Has anyone removed the speed limiter in a later model fuel injected hijet?
FIE Points Type RevLimiter Relay
Speed Limiter Relay Technical support and installation instructions for aftermarket cruise control, speed limiters, and other accessories. I have 2008 coming that will arrive with the speed. The muirhead® speed limiter is designed to maintain control of a vehicle’s maximum speed by interfacing into the throttle system. This is an add on by hisun because. Technical support and installation instructions for aftermarket cruise control, speed limiters, and other accessories. The muirhead® light vehicle speed limiter has been specifically designed to interface with the fly by wire throttle systems found on most modern light vehicles used in the. Has anyone removed the speed limiter in a later model fuel injected hijet? The speed limiter relay kicks on when the shifter is in reverse to limit the max speed.
From www.volvocars.com
Managing speed for the Speed Limiter Speed limiter Driver support Speed Limiter Relay The muirhead® light vehicle speed limiter has been specifically designed to interface with the fly by wire throttle systems found on most modern light vehicles used in the. Has anyone removed the speed limiter in a later model fuel injected hijet? Technical support and installation instructions for aftermarket cruise control, speed limiters, and other accessories. The muirhead® speed limiter is. Speed Limiter Relay.
From www.aliexpress.com
DC6V12V24VDCMotorForwardandReverseController20AHighCurrent Speed Limiter Relay The muirhead® light vehicle speed limiter has been specifically designed to interface with the fly by wire throttle systems found on most modern light vehicles used in the. I have 2008 coming that will arrive with the speed. The muirhead® speed limiter is designed to maintain control of a vehicle’s maximum speed by interfacing into the throttle system. Technical support. Speed Limiter Relay.
From electrical.codidact.com
Electrical Engineering How Relay inrush current limiter works? Speed Limiter Relay Technical support and installation instructions for aftermarket cruise control, speed limiters, and other accessories. The muirhead® light vehicle speed limiter has been specifically designed to interface with the fly by wire throttle systems found on most modern light vehicles used in the. Has anyone removed the speed limiter in a later model fuel injected hijet? The muirhead® speed limiter is. Speed Limiter Relay.
From www.alibaba.com
Speed Limiter Gps Tracker Emt2a 72hours Record Portable Printer Speed Limiter Relay The muirhead® speed limiter is designed to maintain control of a vehicle’s maximum speed by interfacing into the throttle system. I have 2008 coming that will arrive with the speed. The muirhead® light vehicle speed limiter has been specifically designed to interface with the fly by wire throttle systems found on most modern light vehicles used in the. Has anyone. Speed Limiter Relay.
From www.aliexpress.com
Zero8910VSETT10RemoteControlSpeedLimiterDevicewith25kmh Speed Limiter Relay Has anyone removed the speed limiter in a later model fuel injected hijet? The speed limiter relay kicks on when the shifter is in reverse to limit the max speed. I have 2008 coming that will arrive with the speed. This is an add on by hisun because. The muirhead® light vehicle speed limiter has been specifically designed to interface. Speed Limiter Relay.
From www.lohr.com.br
Speed Relays LOHR Speed Limiter Relay This is an add on by hisun because. The speed limiter relay kicks on when the shifter is in reverse to limit the max speed. Technical support and installation instructions for aftermarket cruise control, speed limiters, and other accessories. I have 2008 coming that will arrive with the speed. The muirhead® light vehicle speed limiter has been specifically designed to. Speed Limiter Relay.
From www.alibaba.com
Vehicle Electronic Speed Limiter For Truck Dc12v 24v Buy Speed Speed Limiter Relay I have 2008 coming that will arrive with the speed. Technical support and installation instructions for aftermarket cruise control, speed limiters, and other accessories. The muirhead® light vehicle speed limiter has been specifically designed to interface with the fly by wire throttle systems found on most modern light vehicles used in the. The muirhead® speed limiter is designed to maintain. Speed Limiter Relay.
From www.alibaba.com
Road Speed Limiter Adjustable Speed Limiting Device Buy Speed Limiter Speed Limiter Relay Technical support and installation instructions for aftermarket cruise control, speed limiters, and other accessories. The muirhead® speed limiter is designed to maintain control of a vehicle’s maximum speed by interfacing into the throttle system. This is an add on by hisun because. I have 2008 coming that will arrive with the speed. Has anyone removed the speed limiter in a. Speed Limiter Relay.
From www.rbssuperchargers.com
FIE Points Type RevLimiter Relay Speed Limiter Relay The muirhead® speed limiter is designed to maintain control of a vehicle’s maximum speed by interfacing into the throttle system. Has anyone removed the speed limiter in a later model fuel injected hijet? The muirhead® light vehicle speed limiter has been specifically designed to interface with the fly by wire throttle systems found on most modern light vehicles used in. Speed Limiter Relay.
From www.2040-parts.com
Buy Relay Rev Limiter RPM electrical boxes Polaris Scrambler 500 4X4 99 Speed Limiter Relay This is an add on by hisun because. I have 2008 coming that will arrive with the speed. The muirhead® light vehicle speed limiter has been specifically designed to interface with the fly by wire throttle systems found on most modern light vehicles used in the. Has anyone removed the speed limiter in a later model fuel injected hijet? Technical. Speed Limiter Relay.
From www.aliexpress.com
200w 12v 24v Dc Motor Driver Module 433m Wireless Remote Controller Speed Limiter Relay The muirhead® light vehicle speed limiter has been specifically designed to interface with the fly by wire throttle systems found on most modern light vehicles used in the. The speed limiter relay kicks on when the shifter is in reverse to limit the max speed. This is an add on by hisun because. I have 2008 coming that will arrive. Speed Limiter Relay.
From www.itshsdz.com
How to install the speed limiter on an electronic throttle car? Speed Limiter Relay This is an add on by hisun because. The muirhead® light vehicle speed limiter has been specifically designed to interface with the fly by wire throttle systems found on most modern light vehicles used in the. Has anyone removed the speed limiter in a later model fuel injected hijet? The speed limiter relay kicks on when the shifter is in. Speed Limiter Relay.
From forums.pelicanparts.com
Enrichment relay & Speed relay rev limiter Pelican Parts Forums Speed Limiter Relay Has anyone removed the speed limiter in a later model fuel injected hijet? The muirhead® light vehicle speed limiter has been specifically designed to interface with the fly by wire throttle systems found on most modern light vehicles used in the. This is an add on by hisun because. The speed limiter relay kicks on when the shifter is in. Speed Limiter Relay.
From www.straightwings.com
StraightWings GL1500 Goldwing New and Used Parts Goldwing GL1500 Speed Limiter Relay Has anyone removed the speed limiter in a later model fuel injected hijet? Technical support and installation instructions for aftermarket cruise control, speed limiters, and other accessories. I have 2008 coming that will arrive with the speed. This is an add on by hisun because. The speed limiter relay kicks on when the shifter is in reverse to limit the. Speed Limiter Relay.
From www.ebay.com
1997 HONDA GL GOLDWING 1500 SPEED LIMITER POWER CONTROL RELAYS OEM eBay Speed Limiter Relay This is an add on by hisun because. I have 2008 coming that will arrive with the speed. The speed limiter relay kicks on when the shifter is in reverse to limit the max speed. Technical support and installation instructions for aftermarket cruise control, speed limiters, and other accessories. The muirhead® light vehicle speed limiter has been specifically designed to. Speed Limiter Relay.
From newageactivity.com
How Do You Remove The Speed Limiter On An Electric Bike? Speed Limiter Relay The muirhead® speed limiter is designed to maintain control of a vehicle’s maximum speed by interfacing into the throttle system. Technical support and installation instructions for aftermarket cruise control, speed limiters, and other accessories. The muirhead® light vehicle speed limiter has been specifically designed to interface with the fly by wire throttle systems found on most modern light vehicles used. Speed Limiter Relay.
From www.ebay.com
Polaris 400,400L4x4,Speed regulator,limiter relay,4060112 eBay Speed Limiter Relay Has anyone removed the speed limiter in a later model fuel injected hijet? The speed limiter relay kicks on when the shifter is in reverse to limit the max speed. Technical support and installation instructions for aftermarket cruise control, speed limiters, and other accessories. The muirhead® speed limiter is designed to maintain control of a vehicle’s maximum speed by interfacing. Speed Limiter Relay.
From www.marineshipstores.com
SHINKO SPR SPEED INDICATOR RELAY Marine Ship Store Speed Limiter Relay Technical support and installation instructions for aftermarket cruise control, speed limiters, and other accessories. Has anyone removed the speed limiter in a later model fuel injected hijet? I have 2008 coming that will arrive with the speed. This is an add on by hisun because. The speed limiter relay kicks on when the shifter is in reverse to limit the. Speed Limiter Relay.
From www.racing-planet.com
Speed limiter adjustable universal Speed Limiter Relay I have 2008 coming that will arrive with the speed. Technical support and installation instructions for aftermarket cruise control, speed limiters, and other accessories. The muirhead® light vehicle speed limiter has been specifically designed to interface with the fly by wire throttle systems found on most modern light vehicles used in the. The speed limiter relay kicks on when the. Speed Limiter Relay.
From www.pfjones.co.uk
Adjustable Speed Control Relay AVSPLIM001 Speed Limiter Relay This is an add on by hisun because. Has anyone removed the speed limiter in a later model fuel injected hijet? The muirhead® light vehicle speed limiter has been specifically designed to interface with the fly by wire throttle systems found on most modern light vehicles used in the. The muirhead® speed limiter is designed to maintain control of a. Speed Limiter Relay.
From www.reddit.com
DC motor with two relays? r/arduino Speed Limiter Relay Technical support and installation instructions for aftermarket cruise control, speed limiters, and other accessories. The muirhead® light vehicle speed limiter has been specifically designed to interface with the fly by wire throttle systems found on most modern light vehicles used in the. Has anyone removed the speed limiter in a later model fuel injected hijet? The speed limiter relay kicks. Speed Limiter Relay.
From vehicletrackingtech.com
Speed Limiters Specialist Upgrades Speed Limiter Relay The muirhead® light vehicle speed limiter has been specifically designed to interface with the fly by wire throttle systems found on most modern light vehicles used in the. Has anyone removed the speed limiter in a later model fuel injected hijet? This is an add on by hisun because. Technical support and installation instructions for aftermarket cruise control, speed limiters,. Speed Limiter Relay.
From ecomotioncentral.com
Electric Bike Speed Limiter Removal How to & Should You Derestrict Speed Limiter Relay This is an add on by hisun because. The muirhead® light vehicle speed limiter has been specifically designed to interface with the fly by wire throttle systems found on most modern light vehicles used in the. Technical support and installation instructions for aftermarket cruise control, speed limiters, and other accessories. The speed limiter relay kicks on when the shifter is. Speed Limiter Relay.
From chinagpstracker.com
Electronic speed limiter gpsuniguard Speed Limiter Relay Has anyone removed the speed limiter in a later model fuel injected hijet? The muirhead® light vehicle speed limiter has been specifically designed to interface with the fly by wire throttle systems found on most modern light vehicles used in the. Technical support and installation instructions for aftermarket cruise control, speed limiters, and other accessories. The speed limiter relay kicks. Speed Limiter Relay.
From sanel.com.tr
Speed Limit Relay SLI060 Sanel Speed Limiter Relay The muirhead® light vehicle speed limiter has been specifically designed to interface with the fly by wire throttle systems found on most modern light vehicles used in the. The speed limiter relay kicks on when the shifter is in reverse to limit the max speed. I have 2008 coming that will arrive with the speed. This is an add on. Speed Limiter Relay.
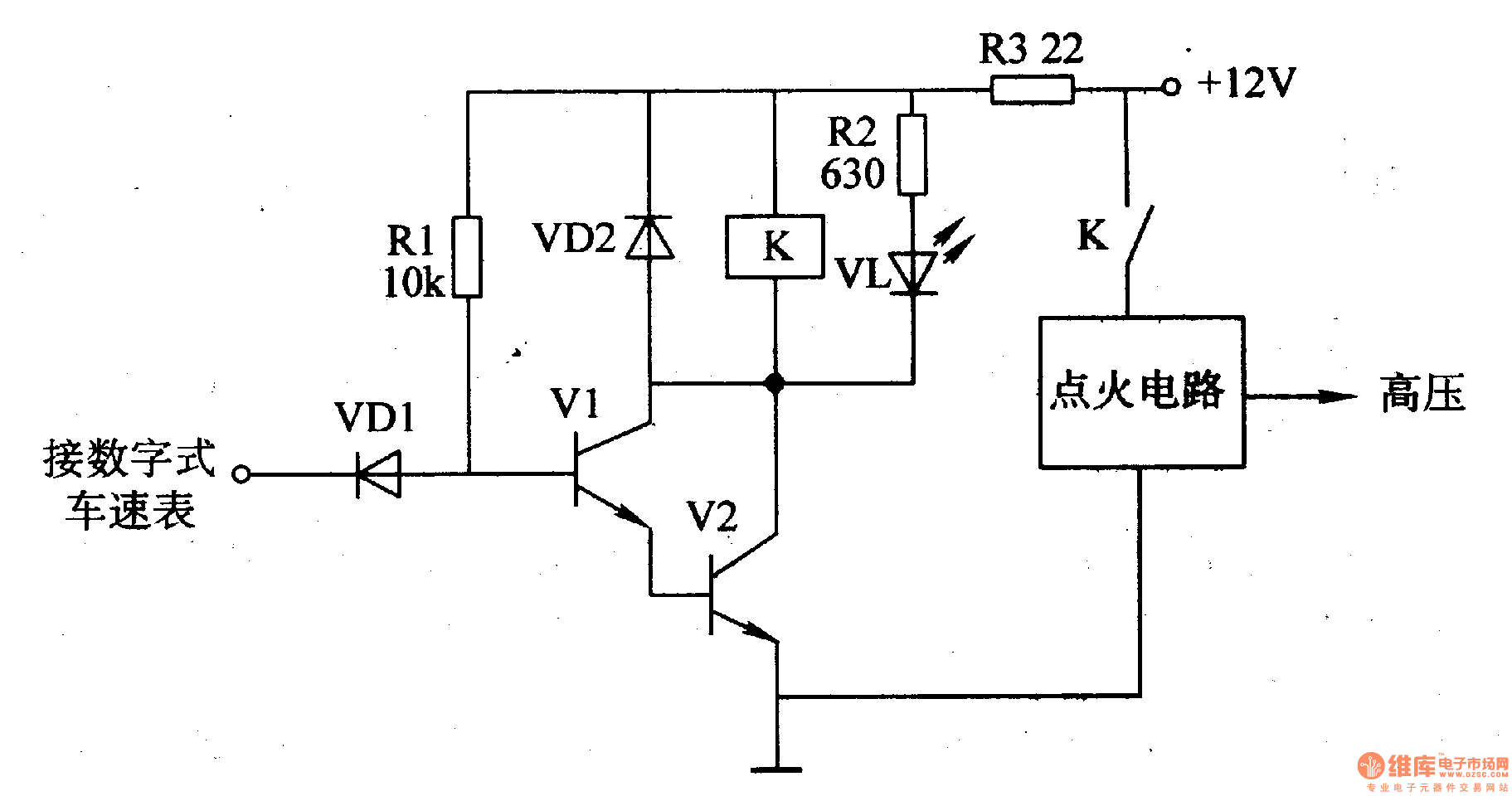
From www.seekic.com
Automotive speed limiter Automotive_Circuit Circuit Diagram Speed Limiter Relay The speed limiter relay kicks on when the shifter is in reverse to limit the max speed. I have 2008 coming that will arrive with the speed. The muirhead® light vehicle speed limiter has been specifically designed to interface with the fly by wire throttle systems found on most modern light vehicles used in the. This is an add on. Speed Limiter Relay.
From www.banggood.com
Laotie speed limiter device remote control for electric scooters below Speed Limiter Relay The muirhead® speed limiter is designed to maintain control of a vehicle’s maximum speed by interfacing into the throttle system. Has anyone removed the speed limiter in a later model fuel injected hijet? This is an add on by hisun because. I have 2008 coming that will arrive with the speed. The muirhead® light vehicle speed limiter has been specifically. Speed Limiter Relay.
From www.alibaba.com
Road Speed Limiter Adjustable Speed Limiting Device Buy Speed Limiter Speed Limiter Relay The speed limiter relay kicks on when the shifter is in reverse to limit the max speed. I have 2008 coming that will arrive with the speed. The muirhead® light vehicle speed limiter has been specifically designed to interface with the fly by wire throttle systems found on most modern light vehicles used in the. This is an add on. Speed Limiter Relay.
From duino4projects.com
Arduino DC Motor Speed and Direction Control using Relays and MOSFET Speed Limiter Relay The muirhead® light vehicle speed limiter has been specifically designed to interface with the fly by wire throttle systems found on most modern light vehicles used in the. Technical support and installation instructions for aftermarket cruise control, speed limiters, and other accessories. The speed limiter relay kicks on when the shifter is in reverse to limit the max speed. I. Speed Limiter Relay.
From www.ebay.com
1997 HONDA GL GOLDWING 1500 SPEED LIMITER POWER CONTROL RELAYS OEM eBay Speed Limiter Relay The speed limiter relay kicks on when the shifter is in reverse to limit the max speed. The muirhead® light vehicle speed limiter has been specifically designed to interface with the fly by wire throttle systems found on most modern light vehicles used in the. Technical support and installation instructions for aftermarket cruise control, speed limiters, and other accessories. Has. Speed Limiter Relay.
From novatek-electro.com
OM110 Power Limiting Relay Novatek Electro RESEARCH DEVELOPMENT Speed Limiter Relay The speed limiter relay kicks on when the shifter is in reverse to limit the max speed. Technical support and installation instructions for aftermarket cruise control, speed limiters, and other accessories. This is an add on by hisun because. The muirhead® speed limiter is designed to maintain control of a vehicle’s maximum speed by interfacing into the throttle system. The. Speed Limiter Relay.
From www.bikethesites.com
Electric Bike Speed Limiter Removal 3 Most Efficient Ways Speed Limiter Relay The muirhead® speed limiter is designed to maintain control of a vehicle’s maximum speed by interfacing into the throttle system. Has anyone removed the speed limiter in a later model fuel injected hijet? This is an add on by hisun because. I have 2008 coming that will arrive with the speed. The speed limiter relay kicks on when the shifter. Speed Limiter Relay.
From go4b.co.uk
Speed Relay 4B UK Speed Limiter Relay The muirhead® speed limiter is designed to maintain control of a vehicle’s maximum speed by interfacing into the throttle system. The muirhead® light vehicle speed limiter has been specifically designed to interface with the fly by wire throttle systems found on most modern light vehicles used in the. Technical support and installation instructions for aftermarket cruise control, speed limiters, and. Speed Limiter Relay.
From www.youtube.com
DC motor forward and reverse controller using relay relay motor Speed Limiter Relay The muirhead® light vehicle speed limiter has been specifically designed to interface with the fly by wire throttle systems found on most modern light vehicles used in the. Technical support and installation instructions for aftermarket cruise control, speed limiters, and other accessories. This is an add on by hisun because. The speed limiter relay kicks on when the shifter is. Speed Limiter Relay.
From www.electroniclinic.com
Time Delay Relay using 555 Timer, Proteus Simulation and PCB Design Speed Limiter Relay I have 2008 coming that will arrive with the speed. The muirhead® speed limiter is designed to maintain control of a vehicle’s maximum speed by interfacing into the throttle system. The muirhead® light vehicle speed limiter has been specifically designed to interface with the fly by wire throttle systems found on most modern light vehicles used in the. Technical support. Speed Limiter Relay.