Gate Point Definition . An and gate is a logic gate having two or more inputs and a single output. Learn what logic gates are, how they perform logical operations in digital circuits, and their types and properties. Find out the truth tables, symbols, and. See how and, or and not gates are. Learn about logic gates, which are series of transistors that generate outputs based on inputs. An and gate operates on logical multiplication rules. An injection molding gate is a designed opening, usually small, that controls molten plastics flow into the mold cavity. There are various injection molding gate types, and using. • the building blocks used to create digital circuits are logic gates • combination of transistors that performs binary logic • there are three elementary logic.
from www.youtube.com
Find out the truth tables, symbols, and. There are various injection molding gate types, and using. An injection molding gate is a designed opening, usually small, that controls molten plastics flow into the mold cavity. An and gate operates on logical multiplication rules. Learn what logic gates are, how they perform logical operations in digital circuits, and their types and properties. See how and, or and not gates are. Learn about logic gates, which are series of transistors that generate outputs based on inputs. An and gate is a logic gate having two or more inputs and a single output. • the building blocks used to create digital circuits are logic gates • combination of transistors that performs binary logic • there are three elementary logic.
EDGE GATE Injection Molding Gate Types YouTube
Gate Point Definition An and gate is a logic gate having two or more inputs and a single output. An and gate is a logic gate having two or more inputs and a single output. See how and, or and not gates are. There are various injection molding gate types, and using. Learn about logic gates, which are series of transistors that generate outputs based on inputs. • the building blocks used to create digital circuits are logic gates • combination of transistors that performs binary logic • there are three elementary logic. Find out the truth tables, symbols, and. An and gate operates on logical multiplication rules. An injection molding gate is a designed opening, usually small, that controls molten plastics flow into the mold cavity. Learn what logic gates are, how they perform logical operations in digital circuits, and their types and properties.
From www.csmolding.com
An Overview of Different Types of Gates for Injection Molding CS MOLD Gate Point Definition There are various injection molding gate types, and using. An and gate is a logic gate having two or more inputs and a single output. See how and, or and not gates are. Learn what logic gates are, how they perform logical operations in digital circuits, and their types and properties. Learn about logic gates, which are series of transistors. Gate Point Definition.
From www.moldplasticinjection.com
Injection Molding Gate Location 5 Tips To Choose The Right Gate Gate Point Definition • the building blocks used to create digital circuits are logic gates • combination of transistors that performs binary logic • there are three elementary logic. Find out the truth tables, symbols, and. An injection molding gate is a designed opening, usually small, that controls molten plastics flow into the mold cavity. Learn about logic gates, which are series of. Gate Point Definition.
From www.splashlearn.com
What is a Point in Math? Definition, Properties, Uses, Examples Gate Point Definition An and gate operates on logical multiplication rules. Learn about logic gates, which are series of transistors that generate outputs based on inputs. An and gate is a logic gate having two or more inputs and a single output. There are various injection molding gate types, and using. • the building blocks used to create digital circuits are logic gates. Gate Point Definition.
From cookinglove.com
Geometry definition and examples Gate Point Definition See how and, or and not gates are. An injection molding gate is a designed opening, usually small, that controls molten plastics flow into the mold cavity. An and gate is a logic gate having two or more inputs and a single output. Find out the truth tables, symbols, and. There are various injection molding gate types, and using. An. Gate Point Definition.
From mblessedsoul.com
7 Acupressure Points To Cure Diseases M Blessed Soul Gate Point Definition • the building blocks used to create digital circuits are logic gates • combination of transistors that performs binary logic • there are three elementary logic. An and gate is a logic gate having two or more inputs and a single output. An and gate operates on logical multiplication rules. Find out the truth tables, symbols, and. There are various. Gate Point Definition.
From electricalacademia.com
Basic Logic Gates Definition Truth Tables Examples Electrical Gate Point Definition See how and, or and not gates are. Find out the truth tables, symbols, and. Learn about logic gates, which are series of transistors that generate outputs based on inputs. An and gate is a logic gate having two or more inputs and a single output. Learn what logic gates are, how they perform logical operations in digital circuits, and. Gate Point Definition.
From www.naetdubai.com
Autism Archives NAET Dubai Gate Point Definition An and gate operates on logical multiplication rules. Learn about logic gates, which are series of transistors that generate outputs based on inputs. See how and, or and not gates are. • the building blocks used to create digital circuits are logic gates • combination of transistors that performs binary logic • there are three elementary logic. There are various. Gate Point Definition.
From www.youtube.com
Gate Points YouTube Gate Point Definition See how and, or and not gates are. Find out the truth tables, symbols, and. An injection molding gate is a designed opening, usually small, that controls molten plastics flow into the mold cavity. Learn about logic gates, which are series of transistors that generate outputs based on inputs. • the building blocks used to create digital circuits are logic. Gate Point Definition.
From krusetraining.com
Torsten’s Training Tips Mold Design — PinPoint Gates Kruse Training Gate Point Definition • the building blocks used to create digital circuits are logic gates • combination of transistors that performs binary logic • there are three elementary logic. An and gate operates on logical multiplication rules. Learn about logic gates, which are series of transistors that generate outputs based on inputs. Learn what logic gates are, how they perform logical operations in. Gate Point Definition.
From design.udlvirtual.edu.pe
Types Of Gate Styles Design Talk Gate Point Definition There are various injection molding gate types, and using. An and gate operates on logical multiplication rules. An injection molding gate is a designed opening, usually small, that controls molten plastics flow into the mold cavity. Find out the truth tables, symbols, and. An and gate is a logic gate having two or more inputs and a single output. Learn. Gate Point Definition.
From www.chegg.com
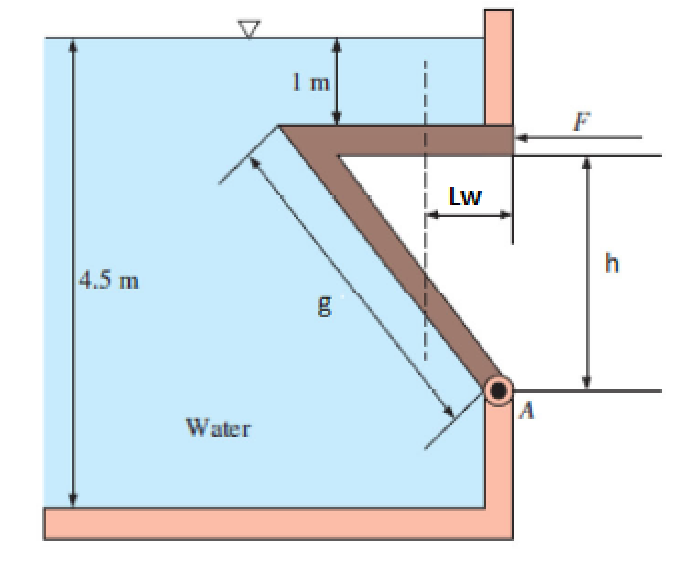
Solved The gate in below figure is 1 m wide, is hinged at Gate Point Definition See how and, or and not gates are. There are various injection molding gate types, and using. Learn what logic gates are, how they perform logical operations in digital circuits, and their types and properties. An and gate operates on logical multiplication rules. Learn about logic gates, which are series of transistors that generate outputs based on inputs. Find out. Gate Point Definition.
From www.numerade.com
A triangularshaped gate is hinged at point A, as shown. Knowing that Gate Point Definition An injection molding gate is a designed opening, usually small, that controls molten plastics flow into the mold cavity. See how and, or and not gates are. Find out the truth tables, symbols, and. Learn what logic gates are, how they perform logical operations in digital circuits, and their types and properties. An and gate operates on logical multiplication rules.. Gate Point Definition.
From www.cuemath.com
Points and Lines Definition Examples Cuemath Gate Point Definition An and gate is a logic gate having two or more inputs and a single output. See how and, or and not gates are. Find out the truth tables, symbols, and. • the building blocks used to create digital circuits are logic gates • combination of transistors that performs binary logic • there are three elementary logic. An and gate. Gate Point Definition.
From www.researchgate.net
(a) Gate point and flow direction (b) Specimens layout Schematic of Gate Point Definition An injection molding gate is a designed opening, usually small, that controls molten plastics flow into the mold cavity. An and gate is a logic gate having two or more inputs and a single output. See how and, or and not gates are. Learn about logic gates, which are series of transistors that generate outputs based on inputs. Learn what. Gate Point Definition.
From www.chegg.com
Solved A triangular shaped gate is hinged at point A, Gate Point Definition Learn what logic gates are, how they perform logical operations in digital circuits, and their types and properties. Find out the truth tables, symbols, and. An injection molding gate is a designed opening, usually small, that controls molten plastics flow into the mold cavity. An and gate operates on logical multiplication rules. See how and, or and not gates are.. Gate Point Definition.
From design.udlvirtual.edu.pe
Types Of Gate Point In Injection Moulding Design Talk Gate Point Definition An injection molding gate is a designed opening, usually small, that controls molten plastics flow into the mold cavity. There are various injection molding gate types, and using. Learn what logic gates are, how they perform logical operations in digital circuits, and their types and properties. An and gate operates on logical multiplication rules. See how and, or and not. Gate Point Definition.
From www.myplasticmold.com
Principle Of Gate Design Gate Point Definition There are various injection molding gate types, and using. An and gate operates on logical multiplication rules. See how and, or and not gates are. Learn what logic gates are, how they perform logical operations in digital circuits, and their types and properties. • the building blocks used to create digital circuits are logic gates • combination of transistors that. Gate Point Definition.
From projectiot123.com
Introduction to AND Gate Gate Point Definition An and gate operates on logical multiplication rules. Learn about logic gates, which are series of transistors that generate outputs based on inputs. • the building blocks used to create digital circuits are logic gates • combination of transistors that performs binary logic • there are three elementary logic. An and gate is a logic gate having two or more. Gate Point Definition.
From www.chegg.com
The gate shown in the figure below is 5 feet wide and Gate Point Definition Learn about logic gates, which are series of transistors that generate outputs based on inputs. There are various injection molding gate types, and using. An and gate is a logic gate having two or more inputs and a single output. An and gate operates on logical multiplication rules. Find out the truth tables, symbols, and. See how and, or and. Gate Point Definition.
From mobilereflexology.ca
How Reflexology Can Reduce Anxiety In Balance Mobile Reflexology Gate Point Definition Find out the truth tables, symbols, and. Learn what logic gates are, how they perform logical operations in digital circuits, and their types and properties. There are various injection molding gate types, and using. See how and, or and not gates are. • the building blocks used to create digital circuits are logic gates • combination of transistors that performs. Gate Point Definition.
From www.credihealth.com
Hand Pressure Points Know How To Use Them & Their Benefits 2024 Gate Point Definition An and gate operates on logical multiplication rules. • the building blocks used to create digital circuits are logic gates • combination of transistors that performs binary logic • there are three elementary logic. Learn about logic gates, which are series of transistors that generate outputs based on inputs. There are various injection molding gate types, and using. An and. Gate Point Definition.
From www.youtube.com
How to Buy , Sell & Transfer Gate Points YouTube Gate Point Definition There are various injection molding gate types, and using. An and gate is a logic gate having two or more inputs and a single output. Learn what logic gates are, how they perform logical operations in digital circuits, and their types and properties. Learn about logic gates, which are series of transistors that generate outputs based on inputs. • the. Gate Point Definition.
From www.medicalnewstoday.com
Hand pressure points Chart and uses Gate Point Definition Find out the truth tables, symbols, and. There are various injection molding gate types, and using. Learn about logic gates, which are series of transistors that generate outputs based on inputs. See how and, or and not gates are. • the building blocks used to create digital circuits are logic gates • combination of transistors that performs binary logic •. Gate Point Definition.
From www.youtube.com
Example On The Gates Example 6, Fluid Mechanics 7 YouTube Gate Point Definition • the building blocks used to create digital circuits are logic gates • combination of transistors that performs binary logic • there are three elementary logic. Find out the truth tables, symbols, and. An and gate is a logic gate having two or more inputs and a single output. See how and, or and not gates are. An and gate. Gate Point Definition.
From www.allaboutelectronics.org
CMOS Logic Gates Explained ALL ABOUT ELECTRONICS Gate Point Definition Learn what logic gates are, how they perform logical operations in digital circuits, and their types and properties. See how and, or and not gates are. Learn about logic gates, which are series of transistors that generate outputs based on inputs. An injection molding gate is a designed opening, usually small, that controls molten plastics flow into the mold cavity.. Gate Point Definition.
From ar.inspiredpencil.com
Acupuncture Points Gate Point Definition Find out the truth tables, symbols, and. • the building blocks used to create digital circuits are logic gates • combination of transistors that performs binary logic • there are three elementary logic. An injection molding gate is a designed opening, usually small, that controls molten plastics flow into the mold cavity. An and gate operates on logical multiplication rules.. Gate Point Definition.
From www.gemfencing.com.au
Automatic Gates Sutherland Shire, Swing, Sliding Auto Gates Sydney Gate Point Definition An and gate operates on logical multiplication rules. There are various injection molding gate types, and using. An and gate is a logic gate having two or more inputs and a single output. Learn about logic gates, which are series of transistors that generate outputs based on inputs. An injection molding gate is a designed opening, usually small, that controls. Gate Point Definition.
From ar.inspiredpencil.com
Points In Geometry Gate Point Definition Learn about logic gates, which are series of transistors that generate outputs based on inputs. An and gate is a logic gate having two or more inputs and a single output. • the building blocks used to create digital circuits are logic gates • combination of transistors that performs binary logic • there are three elementary logic. There are various. Gate Point Definition.
From computech101.weebly.com
Logic Gates ComputEch Gate Point Definition See how and, or and not gates are. An injection molding gate is a designed opening, usually small, that controls molten plastics flow into the mold cavity. There are various injection molding gate types, and using. Learn about logic gates, which are series of transistors that generate outputs based on inputs. • the building blocks used to create digital circuits. Gate Point Definition.
From www.youtube.com
NAET Gate Points YouTube Gate Point Definition An and gate is a logic gate having two or more inputs and a single output. • the building blocks used to create digital circuits are logic gates • combination of transistors that performs binary logic • there are three elementary logic. An injection molding gate is a designed opening, usually small, that controls molten plastics flow into the mold. Gate Point Definition.
From www.youtube.com
Types of Gate in Injection Moulding YouTube Gate Point Definition • the building blocks used to create digital circuits are logic gates • combination of transistors that performs binary logic • there are three elementary logic. See how and, or and not gates are. Learn about logic gates, which are series of transistors that generate outputs based on inputs. Find out the truth tables, symbols, and. An and gate operates. Gate Point Definition.
From www.youtube.com
EDGE GATE Injection Molding Gate Types YouTube Gate Point Definition There are various injection molding gate types, and using. An and gate operates on logical multiplication rules. • the building blocks used to create digital circuits are logic gates • combination of transistors that performs binary logic • there are three elementary logic. See how and, or and not gates are. Learn about logic gates, which are series of transistors. Gate Point Definition.
From www.slideserve.com
PPT OntoDiagram Ontology Based Diagram Generation Congenital Heart Gate Point Definition Find out the truth tables, symbols, and. Learn about logic gates, which are series of transistors that generate outputs based on inputs. • the building blocks used to create digital circuits are logic gates • combination of transistors that performs binary logic • there are three elementary logic. An injection molding gate is a designed opening, usually small, that controls. Gate Point Definition.
From www.pinterest.jp
NAET Gate Points Reflexology chart, Migraine solution, Acupuncture points Gate Point Definition An and gate is a logic gate having two or more inputs and a single output. Find out the truth tables, symbols, and. Learn about logic gates, which are series of transistors that generate outputs based on inputs. An injection molding gate is a designed opening, usually small, that controls molten plastics flow into the mold cavity. Learn what logic. Gate Point Definition.
From www.naetdubai.com
NAET Gate Points in Autism & Food Allergies NAET Dubai Gate Point Definition An and gate is a logic gate having two or more inputs and a single output. There are various injection molding gate types, and using. An and gate operates on logical multiplication rules. An injection molding gate is a designed opening, usually small, that controls molten plastics flow into the mold cavity. • the building blocks used to create digital. Gate Point Definition.