Ignitor Unit Definition . igniters are used to deliver ignition solutions to boilers, furnaces, burners, dryers, and other heat sources. The safe and reliable function of such equipment. the ignition system brings your car's engine and subsystems together. There are several types of igniters. Learn about the parts of your ignition. as its name implies, the furnace ignitor creates a spark, igniting the gas to heat the air circulating through your home.
from www.cmsnl.com
The safe and reliable function of such equipment. igniters are used to deliver ignition solutions to boilers, furnaces, burners, dryers, and other heat sources. Learn about the parts of your ignition. the ignition system brings your car's engine and subsystems together. There are several types of igniters. as its name implies, the furnace ignitor creates a spark, igniting the gas to heat the air circulating through your home.
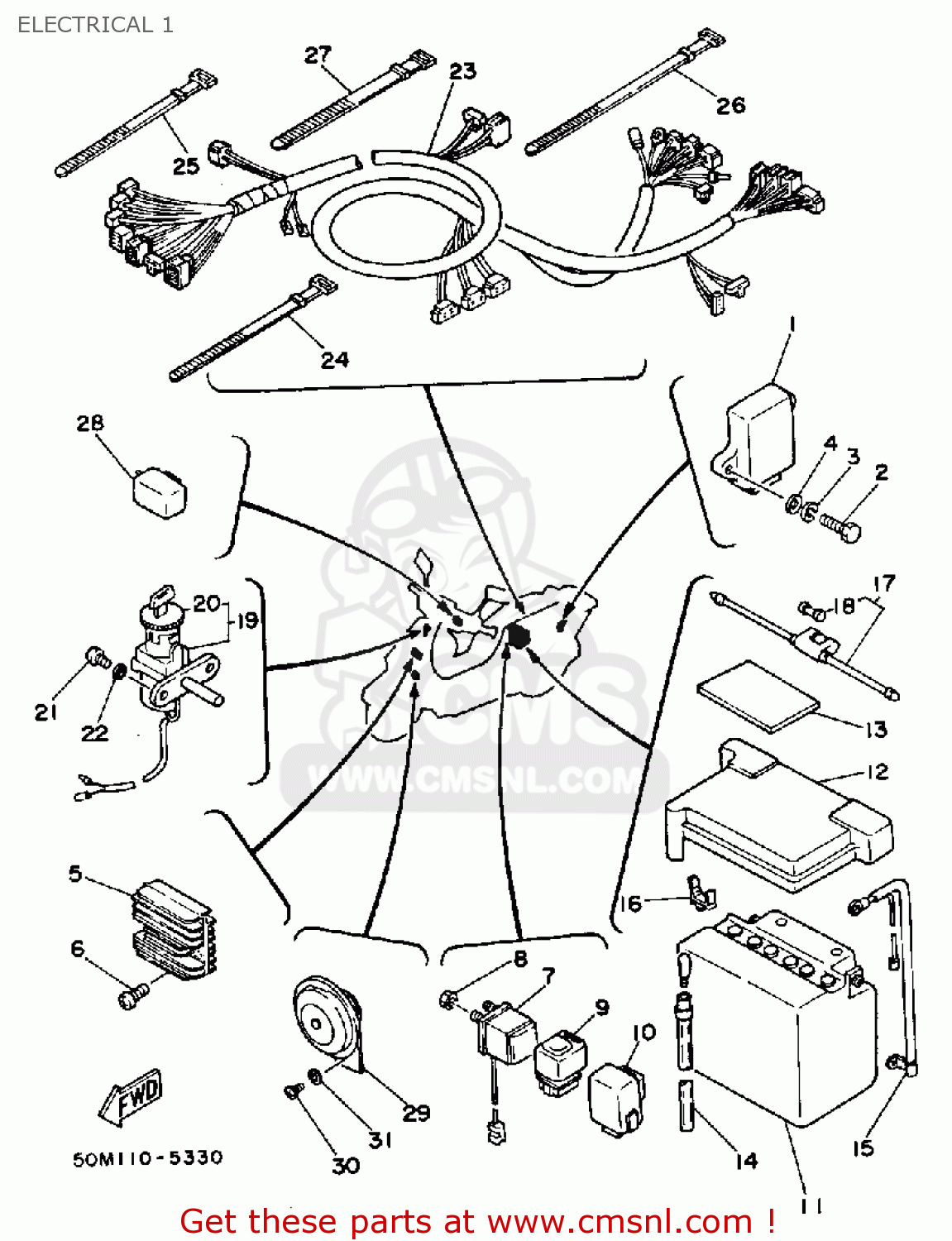
3LF8230510 Ignitor Unit Assy Yamaha buy the 3LF8230510 at CMSNL
Ignitor Unit Definition igniters are used to deliver ignition solutions to boilers, furnaces, burners, dryers, and other heat sources. The safe and reliable function of such equipment. the ignition system brings your car's engine and subsystems together. Learn about the parts of your ignition. There are several types of igniters. as its name implies, the furnace ignitor creates a spark, igniting the gas to heat the air circulating through your home. igniters are used to deliver ignition solutions to boilers, furnaces, burners, dryers, and other heat sources.
From engineeringlearn.com
What is Electronic Ignition System? Engineering Learn Ignitor Unit Definition the ignition system brings your car's engine and subsystems together. igniters are used to deliver ignition solutions to boilers, furnaces, burners, dryers, and other heat sources. There are several types of igniters. The safe and reliable function of such equipment. Learn about the parts of your ignition. as its name implies, the furnace ignitor creates a spark,. Ignitor Unit Definition.
From www.cmsnl.com
3JJ8230500 Ignitor Unit Assy Yamaha buy the 3JJ8230500 at CMSNL Ignitor Unit Definition Learn about the parts of your ignition. igniters are used to deliver ignition solutions to boilers, furnaces, burners, dryers, and other heat sources. the ignition system brings your car's engine and subsystems together. The safe and reliable function of such equipment. There are several types of igniters. as its name implies, the furnace ignitor creates a spark,. Ignitor Unit Definition.
From www.slideserve.com
PPT IGNITION SYSTEM SERVICE PowerPoint Presentation, free download ID1283889 Ignitor Unit Definition There are several types of igniters. the ignition system brings your car's engine and subsystems together. igniters are used to deliver ignition solutions to boilers, furnaces, burners, dryers, and other heat sources. The safe and reliable function of such equipment. Learn about the parts of your ignition. as its name implies, the furnace ignitor creates a spark,. Ignitor Unit Definition.
From www.cmsnl.com
5JJ8230540 Ignitor Unit Assy Yamaha buy the 5JJ8230540 at CMSNL Ignitor Unit Definition Learn about the parts of your ignition. the ignition system brings your car's engine and subsystems together. as its name implies, the furnace ignitor creates a spark, igniting the gas to heat the air circulating through your home. The safe and reliable function of such equipment. There are several types of igniters. igniters are used to deliver. Ignitor Unit Definition.
From www.yourmechanic.com
How to Replace an Ignition Ignitor YourMechanic Advice Ignitor Unit Definition There are several types of igniters. igniters are used to deliver ignition solutions to boilers, furnaces, burners, dryers, and other heat sources. Learn about the parts of your ignition. as its name implies, the furnace ignitor creates a spark, igniting the gas to heat the air circulating through your home. The safe and reliable function of such equipment.. Ignitor Unit Definition.
From www.uk-plumbing.com
Ideal Ignitor Unit UK Plumbing Ignitor Unit Definition There are several types of igniters. Learn about the parts of your ignition. as its name implies, the furnace ignitor creates a spark, igniting the gas to heat the air circulating through your home. igniters are used to deliver ignition solutions to boilers, furnaces, burners, dryers, and other heat sources. the ignition system brings your car's engine. Ignitor Unit Definition.
From www.cmsnl.com
2KT8230510 Ignitor Unit Assy Yamaha buy the 2KT8230510 at CMSNL Ignitor Unit Definition igniters are used to deliver ignition solutions to boilers, furnaces, burners, dryers, and other heat sources. There are several types of igniters. Learn about the parts of your ignition. The safe and reliable function of such equipment. as its name implies, the furnace ignitor creates a spark, igniting the gas to heat the air circulating through your home.. Ignitor Unit Definition.
From www.cmsnl.com
5SC8230500 Ignitor Unit Assy Yamaha buy the 5SC8230500 at CMSNL Ignitor Unit Definition igniters are used to deliver ignition solutions to boilers, furnaces, burners, dryers, and other heat sources. There are several types of igniters. as its name implies, the furnace ignitor creates a spark, igniting the gas to heat the air circulating through your home. Learn about the parts of your ignition. the ignition system brings your car's engine. Ignitor Unit Definition.
From www.hemmings.com
Benefits of a conversion to electronic ignition Hemmings Ignitor Unit Definition the ignition system brings your car's engine and subsystems together. The safe and reliable function of such equipment. There are several types of igniters. as its name implies, the furnace ignitor creates a spark, igniting the gas to heat the air circulating through your home. igniters are used to deliver ignition solutions to boilers, furnaces, burners, dryers,. Ignitor Unit Definition.
From towtruck.ae
Types of Car Ignition Systems And How It Works? Tow Truck Ignitor Unit Definition the ignition system brings your car's engine and subsystems together. Learn about the parts of your ignition. The safe and reliable function of such equipment. igniters are used to deliver ignition solutions to boilers, furnaces, burners, dryers, and other heat sources. as its name implies, the furnace ignitor creates a spark, igniting the gas to heat the. Ignitor Unit Definition.
From www.cmsnl.com
1UJ8230510 Ignitor Unit Assy Yamaha buy the 1UJ8230510 at CMSNL Ignitor Unit Definition the ignition system brings your car's engine and subsystems together. igniters are used to deliver ignition solutions to boilers, furnaces, burners, dryers, and other heat sources. There are several types of igniters. The safe and reliable function of such equipment. as its name implies, the furnace ignitor creates a spark, igniting the gas to heat the air. Ignitor Unit Definition.
From www.cmsnl.com
3FH8230500 Ignitor Unit Assy Yamaha buy the 3FH8230500 at CMSNL Ignitor Unit Definition as its name implies, the furnace ignitor creates a spark, igniting the gas to heat the air circulating through your home. the ignition system brings your car's engine and subsystems together. Learn about the parts of your ignition. igniters are used to deliver ignition solutions to boilers, furnaces, burners, dryers, and other heat sources. There are several. Ignitor Unit Definition.
From www.cmsnl.com
3LF8230510 Ignitor Unit Assy Yamaha buy the 3LF8230510 at CMSNL Ignitor Unit Definition The safe and reliable function of such equipment. Learn about the parts of your ignition. as its name implies, the furnace ignitor creates a spark, igniting the gas to heat the air circulating through your home. igniters are used to deliver ignition solutions to boilers, furnaces, burners, dryers, and other heat sources. the ignition system brings your. Ignitor Unit Definition.
From www.cmsnl.com
4HR8230510 Ignitor Unit Assy Yamaha buy the 4HR8230510 at CMSNL Ignitor Unit Definition igniters are used to deliver ignition solutions to boilers, furnaces, burners, dryers, and other heat sources. as its name implies, the furnace ignitor creates a spark, igniting the gas to heat the air circulating through your home. the ignition system brings your car's engine and subsystems together. The safe and reliable function of such equipment. Learn about. Ignitor Unit Definition.
From www.cmsnl.com
4NK8230520 Ignitor Unit Assembly Yamaha buy the 4NK8230520 at CMSNL Ignitor Unit Definition igniters are used to deliver ignition solutions to boilers, furnaces, burners, dryers, and other heat sources. the ignition system brings your car's engine and subsystems together. The safe and reliable function of such equipment. There are several types of igniters. Learn about the parts of your ignition. as its name implies, the furnace ignitor creates a spark,. Ignitor Unit Definition.
From axleaddict.com
DIY Auto Service Ignition Systems Operation Diagnosis & Repair AxleAddict Ignitor Unit Definition Learn about the parts of your ignition. as its name implies, the furnace ignitor creates a spark, igniting the gas to heat the air circulating through your home. the ignition system brings your car's engine and subsystems together. igniters are used to deliver ignition solutions to boilers, furnaces, burners, dryers, and other heat sources. There are several. Ignitor Unit Definition.
From www.cmsnl.com
4TV8230500 Ignitor Unit Assy Yamaha buy the 4TV8230500 at CMSNL Ignitor Unit Definition as its name implies, the furnace ignitor creates a spark, igniting the gas to heat the air circulating through your home. igniters are used to deliver ignition solutions to boilers, furnaces, burners, dryers, and other heat sources. The safe and reliable function of such equipment. There are several types of igniters. Learn about the parts of your ignition.. Ignitor Unit Definition.
From www.onallcylinders.com
Guide to Automotive Ignition System Designs Ignitor Unit Definition The safe and reliable function of such equipment. as its name implies, the furnace ignitor creates a spark, igniting the gas to heat the air circulating through your home. the ignition system brings your car's engine and subsystems together. igniters are used to deliver ignition solutions to boilers, furnaces, burners, dryers, and other heat sources. Learn about. Ignitor Unit Definition.
From themx5restorer.co.uk
Ignitor unit Mx5 Mk1 1.6 The MX5 Restorer Ignitor Unit Definition Learn about the parts of your ignition. igniters are used to deliver ignition solutions to boilers, furnaces, burners, dryers, and other heat sources. as its name implies, the furnace ignitor creates a spark, igniting the gas to heat the air circulating through your home. The safe and reliable function of such equipment. There are several types of igniters.. Ignitor Unit Definition.
From www.cmsnl.com
IGNITOR UNIT ASSY for G2AD 1989 order at CMSNL Ignitor Unit Definition The safe and reliable function of such equipment. There are several types of igniters. the ignition system brings your car's engine and subsystems together. igniters are used to deliver ignition solutions to boilers, furnaces, burners, dryers, and other heat sources. Learn about the parts of your ignition. as its name implies, the furnace ignitor creates a spark,. Ignitor Unit Definition.
From fyofenhbe.blob.core.windows.net
Basic Ignition System Components at Ralph Hecht blog Ignitor Unit Definition The safe and reliable function of such equipment. as its name implies, the furnace ignitor creates a spark, igniting the gas to heat the air circulating through your home. There are several types of igniters. igniters are used to deliver ignition solutions to boilers, furnaces, burners, dryers, and other heat sources. the ignition system brings your car's. Ignitor Unit Definition.
From www.cmsnl.com
3290038A00 Ignitor Unit Suzuki buy the 3290038A00 at CMSNL Ignitor Unit Definition igniters are used to deliver ignition solutions to boilers, furnaces, burners, dryers, and other heat sources. as its name implies, the furnace ignitor creates a spark, igniting the gas to heat the air circulating through your home. the ignition system brings your car's engine and subsystems together. There are several types of igniters. The safe and reliable. Ignitor Unit Definition.
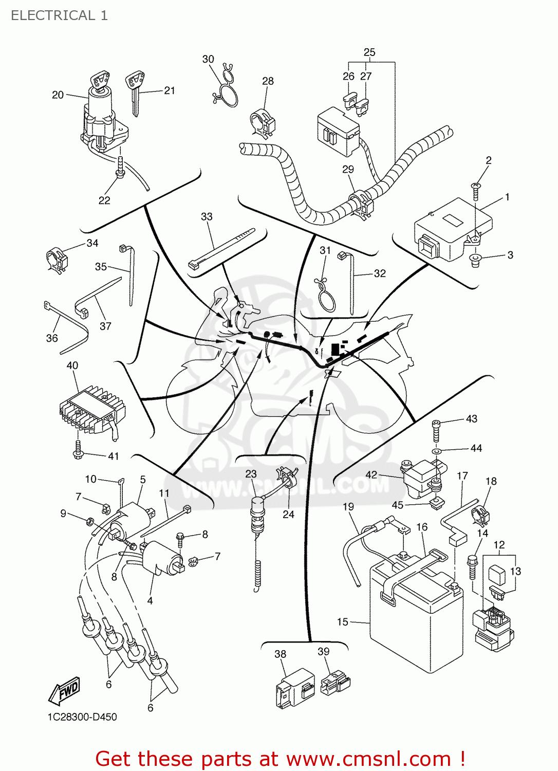
From www.cmsnl.com
1C28230510 Ignitor Unit Assy Yamaha buy the 1C2823051000 at CMSNL Ignitor Unit Definition the ignition system brings your car's engine and subsystems together. igniters are used to deliver ignition solutions to boilers, furnaces, burners, dryers, and other heat sources. There are several types of igniters. Learn about the parts of your ignition. as its name implies, the furnace ignitor creates a spark, igniting the gas to heat the air circulating. Ignitor Unit Definition.
From www.cmsnl.com
26H8230510 Ignitor Unit Assy Yamaha buy the 26H8230510 at CMSNL Ignitor Unit Definition Learn about the parts of your ignition. igniters are used to deliver ignition solutions to boilers, furnaces, burners, dryers, and other heat sources. as its name implies, the furnace ignitor creates a spark, igniting the gas to heat the air circulating through your home. The safe and reliable function of such equipment. the ignition system brings your. Ignitor Unit Definition.
From www.cmsnl.com
IGNITER UNIT for GV1400GD 1986 (G) (E01) order at CMSNL Ignitor Unit Definition There are several types of igniters. the ignition system brings your car's engine and subsystems together. The safe and reliable function of such equipment. igniters are used to deliver ignition solutions to boilers, furnaces, burners, dryers, and other heat sources. Learn about the parts of your ignition. as its name implies, the furnace ignitor creates a spark,. Ignitor Unit Definition.
From engineeringlearn.com
Ignition Coil Definition, Types, Working Principle, Construction & Problems Symptoms Ignitor Unit Definition igniters are used to deliver ignition solutions to boilers, furnaces, burners, dryers, and other heat sources. The safe and reliable function of such equipment. Learn about the parts of your ignition. There are several types of igniters. as its name implies, the furnace ignitor creates a spark, igniting the gas to heat the air circulating through your home.. Ignitor Unit Definition.
From fyojfkvwd.blob.core.windows.net
Breaker Point Ignition Definition at Larry Thompson blog Ignitor Unit Definition igniters are used to deliver ignition solutions to boilers, furnaces, burners, dryers, and other heat sources. as its name implies, the furnace ignitor creates a spark, igniting the gas to heat the air circulating through your home. the ignition system brings your car's engine and subsystems together. Learn about the parts of your ignition. The safe and. Ignitor Unit Definition.
From www.cmsnl.com
50M8230510 Ignitor Unit Assy Yamaha buy the 50M823051000 at CMSNL Ignitor Unit Definition There are several types of igniters. igniters are used to deliver ignition solutions to boilers, furnaces, burners, dryers, and other heat sources. Learn about the parts of your ignition. as its name implies, the furnace ignitor creates a spark, igniting the gas to heat the air circulating through your home. The safe and reliable function of such equipment.. Ignitor Unit Definition.
From www.cmsnl.com
2NK8230510 Ignitor Unit Assy Yamaha buy the 2NK8230510 at CMSNL Ignitor Unit Definition as its name implies, the furnace ignitor creates a spark, igniting the gas to heat the air circulating through your home. There are several types of igniters. Learn about the parts of your ignition. igniters are used to deliver ignition solutions to boilers, furnaces, burners, dryers, and other heat sources. the ignition system brings your car's engine. Ignitor Unit Definition.
From heatingspares247.com
Ideal Ignitor Unit 175593 Ignitor Unit Definition There are several types of igniters. Learn about the parts of your ignition. as its name implies, the furnace ignitor creates a spark, igniting the gas to heat the air circulating through your home. the ignition system brings your car's engine and subsystems together. igniters are used to deliver ignition solutions to boilers, furnaces, burners, dryers, and. Ignitor Unit Definition.
From www.cmsnl.com
4DU8230500 Ignitor Unit Assy Yamaha buy the 4DU823050000 at CMSNL Ignitor Unit Definition the ignition system brings your car's engine and subsystems together. There are several types of igniters. as its name implies, the furnace ignitor creates a spark, igniting the gas to heat the air circulating through your home. Learn about the parts of your ignition. igniters are used to deliver ignition solutions to boilers, furnaces, burners, dryers, and. Ignitor Unit Definition.
From www.cmsnl.com
5EA8230510 Ignitor Unit Assy Yamaha buy the 5EA8230510 at CMSNL Ignitor Unit Definition Learn about the parts of your ignition. the ignition system brings your car's engine and subsystems together. as its name implies, the furnace ignitor creates a spark, igniting the gas to heat the air circulating through your home. There are several types of igniters. igniters are used to deliver ignition solutions to boilers, furnaces, burners, dryers, and. Ignitor Unit Definition.
From www.cmsnl.com
4UC8230500 Ignitor Unit Assy Yamaha buy the 4UC8230500 at CMSNL Ignitor Unit Definition There are several types of igniters. The safe and reliable function of such equipment. the ignition system brings your car's engine and subsystems together. igniters are used to deliver ignition solutions to boilers, furnaces, burners, dryers, and other heat sources. as its name implies, the furnace ignitor creates a spark, igniting the gas to heat the air. Ignitor Unit Definition.
From www.cmsnl.com
5BN8230500 Ignitor Unit Assembly Yamaha buy the 5BN8230500 at CMSNL Ignitor Unit Definition as its name implies, the furnace ignitor creates a spark, igniting the gas to heat the air circulating through your home. There are several types of igniters. Learn about the parts of your ignition. the ignition system brings your car's engine and subsystems together. igniters are used to deliver ignition solutions to boilers, furnaces, burners, dryers, and. Ignitor Unit Definition.
From www.cmsnl.com
3JP8230512 Ignitor Unit Assy Yamaha buy the 3JP8230512 at CMSNL Ignitor Unit Definition the ignition system brings your car's engine and subsystems together. There are several types of igniters. The safe and reliable function of such equipment. as its name implies, the furnace ignitor creates a spark, igniting the gas to heat the air circulating through your home. igniters are used to deliver ignition solutions to boilers, furnaces, burners, dryers,. Ignitor Unit Definition.