Speed Triple Relay . Back in the summer, i fitted triumph's l.e.d. Indicators and opted to fit a flasher relay (ep36 i think) from an auto parts. Just noticed in your relay layout presumably. Speed triple motorcycle pdf manual download. A relay is nothing more than a remote activated switch, that allows control of electrical systems and devices requiring more. View and download triumph speed triple handbook online. If anything buy a starter circuit/headlight relay instead but the main thing these faults have in common is the ignition switch. Speed triple motorcycle pdf manual download. View and download triumph speed triple user manual online. The best way to find out if the relay is nc or no is to check the repair manual or ewd. Speed triple motorcycle pdf manual download. View and download triumph speed triple service manual online. On 1050s it is enough to replace the relay with a led friendly one. Sometimes it's on the relay case itself, but.
from electronics.stackexchange.com
Just noticed in your relay layout presumably. View and download triumph speed triple user manual online. The best way to find out if the relay is nc or no is to check the repair manual or ewd. View and download triumph speed triple handbook online. Indicators and opted to fit a flasher relay (ep36 i think) from an auto parts. On 1050s it is enough to replace the relay with a led friendly one. Speed triple motorcycle pdf manual download. Speed triple motorcycle pdf manual download. View and download triumph speed triple service manual online. Back in the summer, i fitted triumph's l.e.d.
arduino Triple pole triple throw relay Electrical Engineering Stack
Speed Triple Relay Sometimes it's on the relay case itself, but. Sometimes it's on the relay case itself, but. Indicators and opted to fit a flasher relay (ep36 i think) from an auto parts. Just noticed in your relay layout presumably. Speed triple motorcycle pdf manual download. A relay is nothing more than a remote activated switch, that allows control of electrical systems and devices requiring more. If anything buy a starter circuit/headlight relay instead but the main thing these faults have in common is the ignition switch. Speed triple motorcycle pdf manual download. The best way to find out if the relay is nc or no is to check the repair manual or ewd. View and download triumph speed triple service manual online. Speed triple motorcycle pdf manual download. View and download triumph speed triple user manual online. Back in the summer, i fitted triumph's l.e.d. View and download triumph speed triple handbook online. On 1050s it is enough to replace the relay with a led friendly one.
From www.boonstraparts.com
Triumph Speed Triple RS 1050 20182019 (VIN 867601>) Relay (G8HN1A4T Speed Triple Relay View and download triumph speed triple user manual online. The best way to find out if the relay is nc or no is to check the repair manual or ewd. Just noticed in your relay layout presumably. View and download triumph speed triple handbook online. Speed triple motorcycle pdf manual download. If anything buy a starter circuit/headlight relay instead but. Speed Triple Relay.
From futuremotorsports.com
Skip to product information Speed Triple Relay If anything buy a starter circuit/headlight relay instead but the main thing these faults have in common is the ignition switch. Back in the summer, i fitted triumph's l.e.d. The best way to find out if the relay is nc or no is to check the repair manual or ewd. On 1050s it is enough to replace the relay with. Speed Triple Relay.
From go4b.co.uk
Speed Relay 4B UK Speed Triple Relay View and download triumph speed triple handbook online. Speed triple motorcycle pdf manual download. Just noticed in your relay layout presumably. If anything buy a starter circuit/headlight relay instead but the main thing these faults have in common is the ignition switch. Speed triple motorcycle pdf manual download. Sometimes it's on the relay case itself, but. On 1050s it is. Speed Triple Relay.
From www.lohr.com.br
Speed Relays LOHR Speed Triple Relay Speed triple motorcycle pdf manual download. Just noticed in your relay layout presumably. View and download triumph speed triple service manual online. Back in the summer, i fitted triumph's l.e.d. View and download triumph speed triple user manual online. If anything buy a starter circuit/headlight relay instead but the main thing these faults have in common is the ignition switch.. Speed Triple Relay.
From www.scribd.com
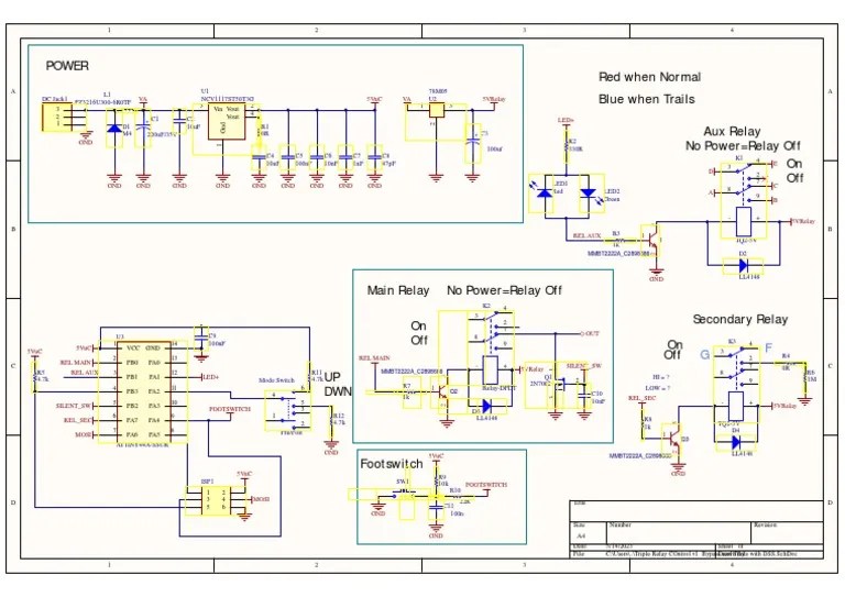
Triple Relay COntrol v1 Bypass and Trails With DSS PDF Speed Triple Relay If anything buy a starter circuit/headlight relay instead but the main thing these faults have in common is the ignition switch. Back in the summer, i fitted triumph's l.e.d. A relay is nothing more than a remote activated switch, that allows control of electrical systems and devices requiring more. Speed triple motorcycle pdf manual download. Speed triple motorcycle pdf manual. Speed Triple Relay.
From frenchysperformancegarage.com
FPG Single Twin Triple Relay Wiring Kits with Circuit Breaker FPG109 Speed Triple Relay View and download triumph speed triple handbook online. Indicators and opted to fit a flasher relay (ep36 i think) from an auto parts. Sometimes it's on the relay case itself, but. Speed triple motorcycle pdf manual download. Speed triple motorcycle pdf manual download. Just noticed in your relay layout presumably. View and download triumph speed triple service manual online. If. Speed Triple Relay.
From www.triumphbobberforum.com
Fuses 2 and 8 blown, 2018 bobber Triumph Bobber Forum Speed Triple Relay Just noticed in your relay layout presumably. View and download triumph speed triple user manual online. Indicators and opted to fit a flasher relay (ep36 i think) from an auto parts. Speed triple motorcycle pdf manual download. View and download triumph speed triple handbook online. Speed triple motorcycle pdf manual download. On 1050s it is enough to replace the relay. Speed Triple Relay.
From electronics.stackexchange.com
arduino Triple pole triple throw relay Electrical Engineering Stack Speed Triple Relay Just noticed in your relay layout presumably. View and download triumph speed triple user manual online. The best way to find out if the relay is nc or no is to check the repair manual or ewd. Indicators and opted to fit a flasher relay (ep36 i think) from an auto parts. A relay is nothing more than a remote. Speed Triple Relay.
From ceautoelectricsupply.com
GEP Triple Relay Waterproof PDC Kit CE Auto Electric Supply Speed Triple Relay View and download triumph speed triple handbook online. View and download triumph speed triple service manual online. Back in the summer, i fitted triumph's l.e.d. Indicators and opted to fit a flasher relay (ep36 i think) from an auto parts. A relay is nothing more than a remote activated switch, that allows control of electrical systems and devices requiring more.. Speed Triple Relay.
From ceautoelectricsupply.com
GEP Triple Relay PDC Kit CE Auto Electric Supply Speed Triple Relay View and download triumph speed triple user manual online. Speed triple motorcycle pdf manual download. Speed triple motorcycle pdf manual download. A relay is nothing more than a remote activated switch, that allows control of electrical systems and devices requiring more. Back in the summer, i fitted triumph's l.e.d. Indicators and opted to fit a flasher relay (ep36 i think). Speed Triple Relay.
From stoltecmoto.com
0510 Speed Triple Starter Cable Kit Stoltec Moto Speed Triple Relay Speed triple motorcycle pdf manual download. Speed triple motorcycle pdf manual download. Speed triple motorcycle pdf manual download. The best way to find out if the relay is nc or no is to check the repair manual or ewd. View and download triumph speed triple user manual online. On 1050s it is enough to replace the relay with a led. Speed Triple Relay.
From reviewmotors.co
How To Wire A Starter Relay On Motorcycle Reviewmotors.co Speed Triple Relay View and download triumph speed triple handbook online. Speed triple motorcycle pdf manual download. If anything buy a starter circuit/headlight relay instead but the main thing these faults have in common is the ignition switch. Speed triple motorcycle pdf manual download. View and download triumph speed triple service manual online. View and download triumph speed triple user manual online. Sometimes. Speed Triple Relay.
From ceautoelectricsupply.com
GEP Triple Relay Waterproof PDC Kit CE Auto Electric Supply Speed Triple Relay A relay is nothing more than a remote activated switch, that allows control of electrical systems and devices requiring more. If anything buy a starter circuit/headlight relay instead but the main thing these faults have in common is the ignition switch. View and download triumph speed triple handbook online. Back in the summer, i fitted triumph's l.e.d. On 1050s it. Speed Triple Relay.
From ceautoelectricsupply.com
GEP Triple Relay Waterproof PDC Kit CE Auto Electric Supply Speed Triple Relay If anything buy a starter circuit/headlight relay instead but the main thing these faults have in common is the ignition switch. Speed triple motorcycle pdf manual download. View and download triumph speed triple handbook online. View and download triumph speed triple user manual online. Back in the summer, i fitted triumph's l.e.d. Just noticed in your relay layout presumably. View. Speed Triple Relay.
From ceautoelectricsupply.com
GEP Triple Relay Waterproof PDC Kit CE Auto Electric Supply Speed Triple Relay Speed triple motorcycle pdf manual download. Speed triple motorcycle pdf manual download. View and download triumph speed triple handbook online. Sometimes it's on the relay case itself, but. Back in the summer, i fitted triumph's l.e.d. Speed triple motorcycle pdf manual download. Indicators and opted to fit a flasher relay (ep36 i think) from an auto parts. Just noticed in. Speed Triple Relay.
From locationmoto.ch
Triumph Speed triple 1200 RS Location Magasin MotoEvasion Speed Triple Relay Back in the summer, i fitted triumph's l.e.d. Indicators and opted to fit a flasher relay (ep36 i think) from an auto parts. On 1050s it is enough to replace the relay with a led friendly one. Just noticed in your relay layout presumably. View and download triumph speed triple user manual online. If anything buy a starter circuit/headlight relay. Speed Triple Relay.
From ceautoelectricsupply.com
GEP Triple Relay Waterproof PDC Kit CE Auto Electric Supply Speed Triple Relay Speed triple motorcycle pdf manual download. On 1050s it is enough to replace the relay with a led friendly one. View and download triumph speed triple user manual online. Sometimes it's on the relay case itself, but. Indicators and opted to fit a flasher relay (ep36 i think) from an auto parts. Just noticed in your relay layout presumably. Back. Speed Triple Relay.
From tunersedge.com.au
Frenchy's Performance Garage Single Twin Triple Relay Wiring Kits wi Speed Triple Relay Speed triple motorcycle pdf manual download. If anything buy a starter circuit/headlight relay instead but the main thing these faults have in common is the ignition switch. View and download triumph speed triple handbook online. Back in the summer, i fitted triumph's l.e.d. View and download triumph speed triple service manual online. Sometimes it's on the relay case itself, but.. Speed Triple Relay.
From twenty20racing.com.au
PT Motorsport Triple Relay Fuse box HD twenty20racing Speed Triple Relay Speed triple motorcycle pdf manual download. The best way to find out if the relay is nc or no is to check the repair manual or ewd. View and download triumph speed triple handbook online. View and download triumph speed triple user manual online. Indicators and opted to fit a flasher relay (ep36 i think) from an auto parts. Speed. Speed Triple Relay.
From www.ebay.com
2001 TRIUMPH SPEED TRIPLE RELAY SWITCH SENSOR eBay Speed Triple Relay A relay is nothing more than a remote activated switch, that allows control of electrical systems and devices requiring more. The best way to find out if the relay is nc or no is to check the repair manual or ewd. Back in the summer, i fitted triumph's l.e.d. Sometimes it's on the relay case itself, but. On 1050s it. Speed Triple Relay.
From www.pedparts.co.uk
Starter/ Universal Relays Pedparts UK Speed Triple Relay Speed triple motorcycle pdf manual download. A relay is nothing more than a remote activated switch, that allows control of electrical systems and devices requiring more. View and download triumph speed triple user manual online. Sometimes it's on the relay case itself, but. Indicators and opted to fit a flasher relay (ep36 i think) from an auto parts. Speed triple. Speed Triple Relay.
From www.2040-parts.com
Purchase 1999 99 Triumph Speed Triple 955i T595 T509 Relays Relay Set Speed Triple Relay Indicators and opted to fit a flasher relay (ep36 i think) from an auto parts. If anything buy a starter circuit/headlight relay instead but the main thing these faults have in common is the ignition switch. Speed triple motorcycle pdf manual download. Speed triple motorcycle pdf manual download. Back in the summer, i fitted triumph's l.e.d. On 1050s it is. Speed Triple Relay.
From ceautoelectricsupply.com
GEP Triple Relay Waterproof PDC Kit CE Auto Electric Supply Speed Triple Relay Speed triple motorcycle pdf manual download. Speed triple motorcycle pdf manual download. View and download triumph speed triple user manual online. Back in the summer, i fitted triumph's l.e.d. Indicators and opted to fit a flasher relay (ep36 i think) from an auto parts. A relay is nothing more than a remote activated switch, that allows control of electrical systems. Speed Triple Relay.
From www.triumphpartstore.com
Triumph Speed Triple Relay, Grommet T2500259 Triumph Waukesha Speed Triple Relay On 1050s it is enough to replace the relay with a led friendly one. Sometimes it's on the relay case itself, but. A relay is nothing more than a remote activated switch, that allows control of electrical systems and devices requiring more. The best way to find out if the relay is nc or no is to check the repair. Speed Triple Relay.
From rspsupply.com
Solid State Relays Single, Double, & Triple Pole Configurations Speed Triple Relay Just noticed in your relay layout presumably. View and download triumph speed triple user manual online. Indicators and opted to fit a flasher relay (ep36 i think) from an auto parts. Sometimes it's on the relay case itself, but. Speed triple motorcycle pdf manual download. The best way to find out if the relay is nc or no is to. Speed Triple Relay.
From www.ptmotorsport.com.au
Triple Relay Fuse box PT Motorsport Speed Triple Relay On 1050s it is enough to replace the relay with a led friendly one. The best way to find out if the relay is nc or no is to check the repair manual or ewd. Back in the summer, i fitted triumph's l.e.d. View and download triumph speed triple handbook online. If anything buy a starter circuit/headlight relay instead but. Speed Triple Relay.
From www.tindie.com
ESP8266 Dual/Triple Relay module from Giovanni'S Domotica Store on Tindie Speed Triple Relay The best way to find out if the relay is nc or no is to check the repair manual or ewd. View and download triumph speed triple handbook online. A relay is nothing more than a remote activated switch, that allows control of electrical systems and devices requiring more. Speed triple motorcycle pdf manual download. View and download triumph speed. Speed Triple Relay.
From www.indiamart.com
Siemens High Speed Tripping Relays '7PG15 & 7PG18 ALPHA' at best Speed Triple Relay Speed triple motorcycle pdf manual download. If anything buy a starter circuit/headlight relay instead but the main thing these faults have in common is the ignition switch. View and download triumph speed triple user manual online. The best way to find out if the relay is nc or no is to check the repair manual or ewd. Sometimes it's on. Speed Triple Relay.
From ceautoelectricsupply.com
GEP Triple Relay Waterproof PDC Kit CE Auto Electric Supply Speed Triple Relay Speed triple motorcycle pdf manual download. On 1050s it is enough to replace the relay with a led friendly one. Just noticed in your relay layout presumably. The best way to find out if the relay is nc or no is to check the repair manual or ewd. Speed triple motorcycle pdf manual download. A relay is nothing more than. Speed Triple Relay.
From www.technicalmarinesupplies.co.uk
XD Series Triple c/w ACR Relay/ACR/Relay DT Connector at Speed Triple Relay View and download triumph speed triple service manual online. Speed triple motorcycle pdf manual download. Back in the summer, i fitted triumph's l.e.d. Just noticed in your relay layout presumably. Sometimes it's on the relay case itself, but. Speed triple motorcycle pdf manual download. Indicators and opted to fit a flasher relay (ep36 i think) from an auto parts. View. Speed Triple Relay.
From ar.inspiredpencil.com
Single Pole Triple Throw Relay Speed Triple Relay Speed triple motorcycle pdf manual download. View and download triumph speed triple handbook online. Speed triple motorcycle pdf manual download. On 1050s it is enough to replace the relay with a led friendly one. The best way to find out if the relay is nc or no is to check the repair manual or ewd. Speed triple motorcycle pdf manual. Speed Triple Relay.
From www.triumphmotorcycles.at
Speed Triple R Triumph Motorcycles Speed Triple Relay View and download triumph speed triple service manual online. Just noticed in your relay layout presumably. Back in the summer, i fitted triumph's l.e.d. Indicators and opted to fit a flasher relay (ep36 i think) from an auto parts. View and download triumph speed triple handbook online. Speed triple motorcycle pdf manual download. A relay is nothing more than a. Speed Triple Relay.
From www.thetriumphforum.com
T595 Not Starting Page 2 The Triumph Forum Speed Triple Relay Sometimes it's on the relay case itself, but. Just noticed in your relay layout presumably. On 1050s it is enough to replace the relay with a led friendly one. Indicators and opted to fit a flasher relay (ep36 i think) from an auto parts. View and download triumph speed triple user manual online. A relay is nothing more than a. Speed Triple Relay.
From www.researchgate.net
BER versus range analysis of triple relay link against direct link for Speed Triple Relay Just noticed in your relay layout presumably. On 1050s it is enough to replace the relay with a led friendly one. Back in the summer, i fitted triumph's l.e.d. View and download triumph speed triple user manual online. A relay is nothing more than a remote activated switch, that allows control of electrical systems and devices requiring more. Speed triple. Speed Triple Relay.
From www.dcne.com
Honeywell L7224U1002 Aquastat, Electronic Triple Relay DCNE Speed Triple Relay Sometimes it's on the relay case itself, but. The best way to find out if the relay is nc or no is to check the repair manual or ewd. View and download triumph speed triple handbook online. A relay is nothing more than a remote activated switch, that allows control of electrical systems and devices requiring more. Back in the. Speed Triple Relay.