Instrument Panel Cluster En Espanol . En la pantalla del cuadro de instrumentos se indica la temperatura exterior. For your convenience, one is mounted in the instrument cluster. Cruze offers a jeweled instrument panel cluster. Español instrument cluster n (set of vehicle gauges) panel de instrumentos, tablero de instrumentos nm + loc adj tablero nm (es) cuadro de instrumentos.
from dxoosxpsz.blob.core.windows.net
Español instrument cluster n (set of vehicle gauges) panel de instrumentos, tablero de instrumentos nm + loc adj tablero nm (es) cuadro de instrumentos. For your convenience, one is mounted in the instrument cluster. En la pantalla del cuadro de instrumentos se indica la temperatura exterior. Cruze offers a jeweled instrument panel cluster.
What Is A Cluster In A Vehicle at Marvin Waldrup blog
Instrument Panel Cluster En Espanol Español instrument cluster n (set of vehicle gauges) panel de instrumentos, tablero de instrumentos nm + loc adj tablero nm (es) cuadro de instrumentos. For your convenience, one is mounted in the instrument cluster. En la pantalla del cuadro de instrumentos se indica la temperatura exterior. Español instrument cluster n (set of vehicle gauges) panel de instrumentos, tablero de instrumentos nm + loc adj tablero nm (es) cuadro de instrumentos. Cruze offers a jeweled instrument panel cluster.
From automotorpad.com
2003 Cluster gmc instrument panel yukon Instrument Panel Cluster En Espanol Español instrument cluster n (set of vehicle gauges) panel de instrumentos, tablero de instrumentos nm + loc adj tablero nm (es) cuadro de instrumentos. For your convenience, one is mounted in the instrument cluster. En la pantalla del cuadro de instrumentos se indica la temperatura exterior. Cruze offers a jeweled instrument panel cluster. Instrument Panel Cluster En Espanol.
From www.caricos.com
2023 BMW M2 Digital Instrument Cluster Caricos Instrument Panel Cluster En Espanol Cruze offers a jeweled instrument panel cluster. For your convenience, one is mounted in the instrument cluster. Español instrument cluster n (set of vehicle gauges) panel de instrumentos, tablero de instrumentos nm + loc adj tablero nm (es) cuadro de instrumentos. En la pantalla del cuadro de instrumentos se indica la temperatura exterior. Instrument Panel Cluster En Espanol.
From www.mylittlesalesman.com
2016 International ProStar Instrument Panel Cluster For Sale Winimac Instrument Panel Cluster En Espanol For your convenience, one is mounted in the instrument cluster. En la pantalla del cuadro de instrumentos se indica la temperatura exterior. Cruze offers a jeweled instrument panel cluster. Español instrument cluster n (set of vehicle gauges) panel de instrumentos, tablero de instrumentos nm + loc adj tablero nm (es) cuadro de instrumentos. Instrument Panel Cluster En Espanol.
From www.youtube.com
Instrument Cluster LCD Display YouTube Instrument Panel Cluster En Espanol Cruze offers a jeweled instrument panel cluster. En la pantalla del cuadro de instrumentos se indica la temperatura exterior. For your convenience, one is mounted in the instrument cluster. Español instrument cluster n (set of vehicle gauges) panel de instrumentos, tablero de instrumentos nm + loc adj tablero nm (es) cuadro de instrumentos. Instrument Panel Cluster En Espanol.
From kiapicanto.info
Instrument Cluster in Kia Picanto KIA PICANTO Instrument Panel Cluster En Espanol Cruze offers a jeweled instrument panel cluster. Español instrument cluster n (set of vehicle gauges) panel de instrumentos, tablero de instrumentos nm + loc adj tablero nm (es) cuadro de instrumentos. En la pantalla del cuadro de instrumentos se indica la temperatura exterior. For your convenience, one is mounted in the instrument cluster. Instrument Panel Cluster En Espanol.
From www.team-bhp.com
Dashboard / Instrument Cluster Warning Lights What Each Symbol Means Instrument Panel Cluster En Espanol Cruze offers a jeweled instrument panel cluster. Español instrument cluster n (set of vehicle gauges) panel de instrumentos, tablero de instrumentos nm + loc adj tablero nm (es) cuadro de instrumentos. For your convenience, one is mounted in the instrument cluster. En la pantalla del cuadro de instrumentos se indica la temperatura exterior. Instrument Panel Cluster En Espanol.
From www.exportersindia.com
instrument cluster by Mini Meters Manufacturing Co. Pvt. Ltd Instrument Panel Cluster En Espanol Español instrument cluster n (set of vehicle gauges) panel de instrumentos, tablero de instrumentos nm + loc adj tablero nm (es) cuadro de instrumentos. For your convenience, one is mounted in the instrument cluster. Cruze offers a jeweled instrument panel cluster. En la pantalla del cuadro de instrumentos se indica la temperatura exterior. Instrument Panel Cluster En Espanol.
From www.upfix.com
Toyota 19982015 Instrument Cluster Panel (ICP) Repair Instrument Panel Cluster En Espanol Español instrument cluster n (set of vehicle gauges) panel de instrumentos, tablero de instrumentos nm + loc adj tablero nm (es) cuadro de instrumentos. Cruze offers a jeweled instrument panel cluster. For your convenience, one is mounted in the instrument cluster. En la pantalla del cuadro de instrumentos se indica la temperatura exterior. Instrument Panel Cluster En Espanol.
From www.carplaynav.com
20142019 GMC Sierra Truck Speedometer Instrument Panel Cluster Instrument Panel Cluster En Espanol En la pantalla del cuadro de instrumentos se indica la temperatura exterior. Español instrument cluster n (set of vehicle gauges) panel de instrumentos, tablero de instrumentos nm + loc adj tablero nm (es) cuadro de instrumentos. Cruze offers a jeweled instrument panel cluster. For your convenience, one is mounted in the instrument cluster. Instrument Panel Cluster En Espanol.
From www.youtube.com
Car instrument cluster for premium dashboard YouTube Instrument Panel Cluster En Espanol Español instrument cluster n (set of vehicle gauges) panel de instrumentos, tablero de instrumentos nm + loc adj tablero nm (es) cuadro de instrumentos. For your convenience, one is mounted in the instrument cluster. En la pantalla del cuadro de instrumentos se indica la temperatura exterior. Cruze offers a jeweled instrument panel cluster. Instrument Panel Cluster En Espanol.
From www.ccjdigital.com
Ametek's introduces its new dashboard display panel Instrument Panel Cluster En Espanol Cruze offers a jeweled instrument panel cluster. For your convenience, one is mounted in the instrument cluster. Español instrument cluster n (set of vehicle gauges) panel de instrumentos, tablero de instrumentos nm + loc adj tablero nm (es) cuadro de instrumentos. En la pantalla del cuadro de instrumentos se indica la temperatura exterior. Instrument Panel Cluster En Espanol.
From dxoosxpsz.blob.core.windows.net
What Is A Cluster In A Vehicle at Marvin Waldrup blog Instrument Panel Cluster En Espanol Español instrument cluster n (set of vehicle gauges) panel de instrumentos, tablero de instrumentos nm + loc adj tablero nm (es) cuadro de instrumentos. Cruze offers a jeweled instrument panel cluster. En la pantalla del cuadro de instrumentos se indica la temperatura exterior. For your convenience, one is mounted in the instrument cluster. Instrument Panel Cluster En Espanol.
From www.youtube.com
EV Instrument Cluster Overview YouTube Instrument Panel Cluster En Espanol Español instrument cluster n (set of vehicle gauges) panel de instrumentos, tablero de instrumentos nm + loc adj tablero nm (es) cuadro de instrumentos. En la pantalla del cuadro de instrumentos se indica la temperatura exterior. Cruze offers a jeweled instrument panel cluster. For your convenience, one is mounted in the instrument cluster. Instrument Panel Cluster En Espanol.
From bbpdiesel.com
GM Duramax 04.505 LLY Duramax Instrument Clusters/Gauges Cluster Instrument Panel Cluster En Espanol For your convenience, one is mounted in the instrument cluster. Cruze offers a jeweled instrument panel cluster. En la pantalla del cuadro de instrumentos se indica la temperatura exterior. Español instrument cluster n (set of vehicle gauges) panel de instrumentos, tablero de instrumentos nm + loc adj tablero nm (es) cuadro de instrumentos. Instrument Panel Cluster En Espanol.
From loeubwzhu.blob.core.windows.net
Instrument Cluster O Que Significa at Jeff Whetzel blog Instrument Panel Cluster En Espanol Español instrument cluster n (set of vehicle gauges) panel de instrumentos, tablero de instrumentos nm + loc adj tablero nm (es) cuadro de instrumentos. For your convenience, one is mounted in the instrument cluster. Cruze offers a jeweled instrument panel cluster. En la pantalla del cuadro de instrumentos se indica la temperatura exterior. Instrument Panel Cluster En Espanol.
From store.mopar.com
20182019 Fiat 500 Instrument Panel Cluster 6RJ74JW4AB Mopar Estores Instrument Panel Cluster En Espanol Cruze offers a jeweled instrument panel cluster. En la pantalla del cuadro de instrumentos se indica la temperatura exterior. Español instrument cluster n (set of vehicle gauges) panel de instrumentos, tablero de instrumentos nm + loc adj tablero nm (es) cuadro de instrumentos. For your convenience, one is mounted in the instrument cluster. Instrument Panel Cluster En Espanol.
From loeubwzhu.blob.core.windows.net
Instrument Cluster O Que Significa at Jeff Whetzel blog Instrument Panel Cluster En Espanol Cruze offers a jeweled instrument panel cluster. For your convenience, one is mounted in the instrument cluster. Español instrument cluster n (set of vehicle gauges) panel de instrumentos, tablero de instrumentos nm + loc adj tablero nm (es) cuadro de instrumentos. En la pantalla del cuadro de instrumentos se indica la temperatura exterior. Instrument Panel Cluster En Espanol.
From www.scribd.com
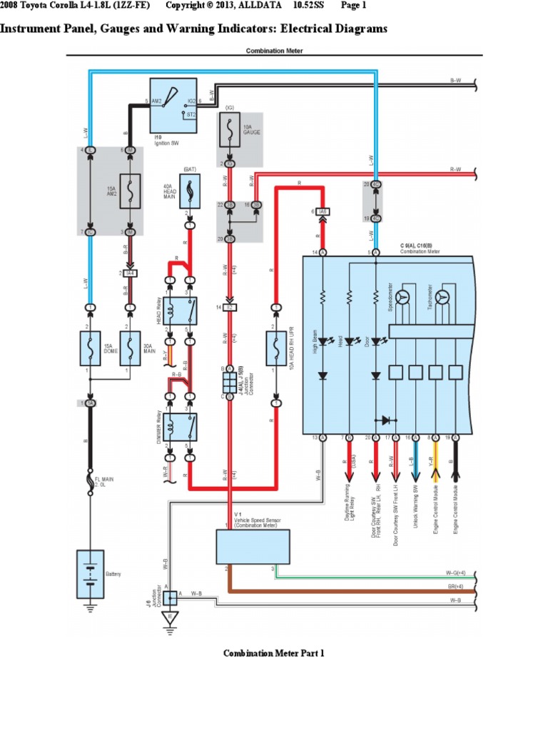
Intrument Panel Cluster Alldata PDF PDF Instrument Panel Cluster En Espanol En la pantalla del cuadro de instrumentos se indica la temperatura exterior. Cruze offers a jeweled instrument panel cluster. Español instrument cluster n (set of vehicle gauges) panel de instrumentos, tablero de instrumentos nm + loc adj tablero nm (es) cuadro de instrumentos. For your convenience, one is mounted in the instrument cluster. Instrument Panel Cluster En Espanol.
From www.mylittlesalesman.com
2018 Peterbilt 579 Instrument Panel Cluster For Sale Jackson, MS Instrument Panel Cluster En Espanol En la pantalla del cuadro de instrumentos se indica la temperatura exterior. Español instrument cluster n (set of vehicle gauges) panel de instrumentos, tablero de instrumentos nm + loc adj tablero nm (es) cuadro de instrumentos. For your convenience, one is mounted in the instrument cluster. Cruze offers a jeweled instrument panel cluster. Instrument Panel Cluster En Espanol.
From real4wd.com
12338467 Panel, Vehicular Instrument Cluster Real4WD Instrument Panel Cluster En Espanol Español instrument cluster n (set of vehicle gauges) panel de instrumentos, tablero de instrumentos nm + loc adj tablero nm (es) cuadro de instrumentos. Cruze offers a jeweled instrument panel cluster. En la pantalla del cuadro de instrumentos se indica la temperatura exterior. For your convenience, one is mounted in the instrument cluster. Instrument Panel Cluster En Espanol.
From loeubwzhu.blob.core.windows.net
Instrument Cluster O Que Significa at Jeff Whetzel blog Instrument Panel Cluster En Espanol Español instrument cluster n (set of vehicle gauges) panel de instrumentos, tablero de instrumentos nm + loc adj tablero nm (es) cuadro de instrumentos. For your convenience, one is mounted in the instrument cluster. En la pantalla del cuadro de instrumentos se indica la temperatura exterior. Cruze offers a jeweled instrument panel cluster. Instrument Panel Cluster En Espanol.
From www.malibumarketingltd.com
INSTRUMENT PANEL CLUSTER NISSAN SENTRA B15 Malibu Marketing Ltd. Instrument Panel Cluster En Espanol En la pantalla del cuadro de instrumentos se indica la temperatura exterior. Español instrument cluster n (set of vehicle gauges) panel de instrumentos, tablero de instrumentos nm + loc adj tablero nm (es) cuadro de instrumentos. For your convenience, one is mounted in the instrument cluster. Cruze offers a jeweled instrument panel cluster. Instrument Panel Cluster En Espanol.
From joixkjngi.blob.core.windows.net
Electronic Instrument Cluster Repair at Jerome Lopez blog Instrument Panel Cluster En Espanol Cruze offers a jeweled instrument panel cluster. Español instrument cluster n (set of vehicle gauges) panel de instrumentos, tablero de instrumentos nm + loc adj tablero nm (es) cuadro de instrumentos. En la pantalla del cuadro de instrumentos se indica la temperatura exterior. For your convenience, one is mounted in the instrument cluster. Instrument Panel Cluster En Espanol.
From store.mopar.com
20212022 Ram 1500 Classic Instrument Panel Cluster 68505997AA Mopar Instrument Panel Cluster En Espanol For your convenience, one is mounted in the instrument cluster. En la pantalla del cuadro de instrumentos se indica la temperatura exterior. Cruze offers a jeweled instrument panel cluster. Español instrument cluster n (set of vehicle gauges) panel de instrumentos, tablero de instrumentos nm + loc adj tablero nm (es) cuadro de instrumentos. Instrument Panel Cluster En Espanol.
From www.mylittlesalesman.com
2011 International 4300 Instrument Panel Cluster For Sale Fitchburg Instrument Panel Cluster En Espanol For your convenience, one is mounted in the instrument cluster. Cruze offers a jeweled instrument panel cluster. En la pantalla del cuadro de instrumentos se indica la temperatura exterior. Español instrument cluster n (set of vehicle gauges) panel de instrumentos, tablero de instrumentos nm + loc adj tablero nm (es) cuadro de instrumentos. Instrument Panel Cluster En Espanol.
From manuals.plus
Ford 41301 Instrument Panel Cluster IPC Installation Guide Manuals+ Instrument Panel Cluster En Espanol Cruze offers a jeweled instrument panel cluster. Español instrument cluster n (set of vehicle gauges) panel de instrumentos, tablero de instrumentos nm + loc adj tablero nm (es) cuadro de instrumentos. For your convenience, one is mounted in the instrument cluster. En la pantalla del cuadro de instrumentos se indica la temperatura exterior. Instrument Panel Cluster En Espanol.
From www.embitel.com
Digital Instrument Cluster Embitel Instrument Panel Cluster En Espanol Cruze offers a jeweled instrument panel cluster. En la pantalla del cuadro de instrumentos se indica la temperatura exterior. Español instrument cluster n (set of vehicle gauges) panel de instrumentos, tablero de instrumentos nm + loc adj tablero nm (es) cuadro de instrumentos. For your convenience, one is mounted in the instrument cluster. Instrument Panel Cluster En Espanol.
From www.youtube.com
Cambio del Clúster o Panel De Instrumentos Con tacómetro YouTube Instrument Panel Cluster En Espanol Español instrument cluster n (set of vehicle gauges) panel de instrumentos, tablero de instrumentos nm + loc adj tablero nm (es) cuadro de instrumentos. En la pantalla del cuadro de instrumentos se indica la temperatura exterior. Cruze offers a jeweled instrument panel cluster. For your convenience, one is mounted in the instrument cluster. Instrument Panel Cluster En Espanol.
From dxoosxpsz.blob.core.windows.net
What Is A Cluster In A Vehicle at Marvin Waldrup blog Instrument Panel Cluster En Espanol Cruze offers a jeweled instrument panel cluster. Español instrument cluster n (set of vehicle gauges) panel de instrumentos, tablero de instrumentos nm + loc adj tablero nm (es) cuadro de instrumentos. For your convenience, one is mounted in the instrument cluster. En la pantalla del cuadro de instrumentos se indica la temperatura exterior. Instrument Panel Cluster En Espanol.
From www.mylittlesalesman.com
2009 International ProStar Instrument Panel Cluster For Sale Winimac Instrument Panel Cluster En Espanol Español instrument cluster n (set of vehicle gauges) panel de instrumentos, tablero de instrumentos nm + loc adj tablero nm (es) cuadro de instrumentos. Cruze offers a jeweled instrument panel cluster. En la pantalla del cuadro de instrumentos se indica la temperatura exterior. For your convenience, one is mounted in the instrument cluster. Instrument Panel Cluster En Espanol.
From infotainment.com
2019+ New Body Ram 1500 DT Speedometer EVIC Instrument Panel Cluster Instrument Panel Cluster En Espanol Español instrument cluster n (set of vehicle gauges) panel de instrumentos, tablero de instrumentos nm + loc adj tablero nm (es) cuadro de instrumentos. En la pantalla del cuadro de instrumentos se indica la temperatura exterior. Cruze offers a jeweled instrument panel cluster. For your convenience, one is mounted in the instrument cluster. Instrument Panel Cluster En Espanol.
From www.roverparts.com
Dashboard Instrument Panel Cluster for LR Defender MTC5459 Instrument Panel Cluster En Espanol Español instrument cluster n (set of vehicle gauges) panel de instrumentos, tablero de instrumentos nm + loc adj tablero nm (es) cuadro de instrumentos. En la pantalla del cuadro de instrumentos se indica la temperatura exterior. Cruze offers a jeweled instrument panel cluster. For your convenience, one is mounted in the instrument cluster. Instrument Panel Cluster En Espanol.
From klailcszp.blob.core.windows.net
What Is Instrument Panel Cluster at Rodney Ward blog Instrument Panel Cluster En Espanol Español instrument cluster n (set of vehicle gauges) panel de instrumentos, tablero de instrumentos nm + loc adj tablero nm (es) cuadro de instrumentos. For your convenience, one is mounted in the instrument cluster. Cruze offers a jeweled instrument panel cluster. En la pantalla del cuadro de instrumentos se indica la temperatura exterior. Instrument Panel Cluster En Espanol.
From conti-engineering.com
Instrument Cluster Continental Engineering Services Instrument Panel Cluster En Espanol For your convenience, one is mounted in the instrument cluster. Cruze offers a jeweled instrument panel cluster. Español instrument cluster n (set of vehicle gauges) panel de instrumentos, tablero de instrumentos nm + loc adj tablero nm (es) cuadro de instrumentos. En la pantalla del cuadro de instrumentos se indica la temperatura exterior. Instrument Panel Cluster En Espanol.
From www.engineerlive.com
Why is a digital instrument cluster better? Engineer Live Instrument Panel Cluster En Espanol Cruze offers a jeweled instrument panel cluster. En la pantalla del cuadro de instrumentos se indica la temperatura exterior. Español instrument cluster n (set of vehicle gauges) panel de instrumentos, tablero de instrumentos nm + loc adj tablero nm (es) cuadro de instrumentos. For your convenience, one is mounted in the instrument cluster. Instrument Panel Cluster En Espanol.