What Is Equalization Voltage Of Battery . Your battery manufacturer has a recommended voltage for equalization (conditioning) that you can find on the spec. Sheet for your battery, but it’s going. Battery equalization is the process of balancing the charge levels across individual cells or battery packs to ensure optimal. The equalization process for a flooded battery is a crucial maintenance step to balance the cell voltages and specific gravity,. An equalizing charge is nothing more than a deliberate overcharge to remove sulfate crystals that build up on the plates over.
from circuitdataeugene.z21.web.core.windows.net
Your battery manufacturer has a recommended voltage for equalization (conditioning) that you can find on the spec. The equalization process for a flooded battery is a crucial maintenance step to balance the cell voltages and specific gravity,. Battery equalization is the process of balancing the charge levels across individual cells or battery packs to ensure optimal. Sheet for your battery, but it’s going. An equalizing charge is nothing more than a deliberate overcharge to remove sulfate crystals that build up on the plates over.
What Is Battery Equalization
What Is Equalization Voltage Of Battery The equalization process for a flooded battery is a crucial maintenance step to balance the cell voltages and specific gravity,. Sheet for your battery, but it’s going. Battery equalization is the process of balancing the charge levels across individual cells or battery packs to ensure optimal. Your battery manufacturer has a recommended voltage for equalization (conditioning) that you can find on the spec. An equalizing charge is nothing more than a deliberate overcharge to remove sulfate crystals that build up on the plates over. The equalization process for a flooded battery is a crucial maintenance step to balance the cell voltages and specific gravity,.
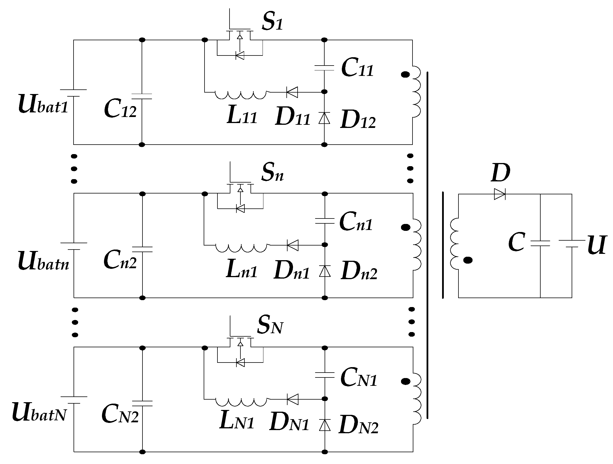
From www.mdpi.com
Energies Free FullText Control Strategy for Active Hierarchical What Is Equalization Voltage Of Battery An equalizing charge is nothing more than a deliberate overcharge to remove sulfate crystals that build up on the plates over. Battery equalization is the process of balancing the charge levels across individual cells or battery packs to ensure optimal. Sheet for your battery, but it’s going. The equalization process for a flooded battery is a crucial maintenance step to. What Is Equalization Voltage Of Battery.
From www.youtube.com
Ultimate Guide Equalizing Charge for Lead Acid Batteries Importance What Is Equalization Voltage Of Battery Sheet for your battery, but it’s going. The equalization process for a flooded battery is a crucial maintenance step to balance the cell voltages and specific gravity,. An equalizing charge is nothing more than a deliberate overcharge to remove sulfate crystals that build up on the plates over. Battery equalization is the process of balancing the charge levels across individual. What Is Equalization Voltage Of Battery.
From electronics.stackexchange.com
batteries Inverter charger doesn't have EQUALIZATION feature for What Is Equalization Voltage Of Battery An equalizing charge is nothing more than a deliberate overcharge to remove sulfate crystals that build up on the plates over. The equalization process for a flooded battery is a crucial maintenance step to balance the cell voltages and specific gravity,. Sheet for your battery, but it’s going. Your battery manufacturer has a recommended voltage for equalization (conditioning) that you. What Is Equalization Voltage Of Battery.
From www.researchgate.net
Experimental circuit and battery voltage waveform. (a) Equalization What Is Equalization Voltage Of Battery Battery equalization is the process of balancing the charge levels across individual cells or battery packs to ensure optimal. The equalization process for a flooded battery is a crucial maintenance step to balance the cell voltages and specific gravity,. Your battery manufacturer has a recommended voltage for equalization (conditioning) that you can find on the spec. An equalizing charge is. What Is Equalization Voltage Of Battery.
From energytheory.com
What is Equalization Charge? Energy Theory What Is Equalization Voltage Of Battery An equalizing charge is nothing more than a deliberate overcharge to remove sulfate crystals that build up on the plates over. Sheet for your battery, but it’s going. The equalization process for a flooded battery is a crucial maintenance step to balance the cell voltages and specific gravity,. Battery equalization is the process of balancing the charge levels across individual. What Is Equalization Voltage Of Battery.
From www.youtube.com
Battery Charge Voltages Explained // Equalization // Bulk // Absorption What Is Equalization Voltage Of Battery Your battery manufacturer has a recommended voltage for equalization (conditioning) that you can find on the spec. Battery equalization is the process of balancing the charge levels across individual cells or battery packs to ensure optimal. The equalization process for a flooded battery is a crucial maintenance step to balance the cell voltages and specific gravity,. An equalizing charge is. What Is Equalization Voltage Of Battery.
From www.researchgate.net
Charge equalization of nbattery cells. Download Scientific Diagram What Is Equalization Voltage Of Battery Your battery manufacturer has a recommended voltage for equalization (conditioning) that you can find on the spec. An equalizing charge is nothing more than a deliberate overcharge to remove sulfate crystals that build up on the plates over. Sheet for your battery, but it’s going. The equalization process for a flooded battery is a crucial maintenance step to balance the. What Is Equalization Voltage Of Battery.
From www.researchgate.net
Equalization process of battery pack. Download Scientific Diagram What Is Equalization Voltage Of Battery An equalizing charge is nothing more than a deliberate overcharge to remove sulfate crystals that build up on the plates over. Battery equalization is the process of balancing the charge levels across individual cells or battery packs to ensure optimal. Your battery manufacturer has a recommended voltage for equalization (conditioning) that you can find on the spec. Sheet for your. What Is Equalization Voltage Of Battery.
From www.semanticscholar.org
Figure 1 from Consideration about novel cell voltage equalization What Is Equalization Voltage Of Battery Your battery manufacturer has a recommended voltage for equalization (conditioning) that you can find on the spec. Sheet for your battery, but it’s going. Battery equalization is the process of balancing the charge levels across individual cells or battery packs to ensure optimal. The equalization process for a flooded battery is a crucial maintenance step to balance the cell voltages. What Is Equalization Voltage Of Battery.
From npplithium.com
How to equalization charge Lithium ion battery pack(Cell Balancing What Is Equalization Voltage Of Battery Battery equalization is the process of balancing the charge levels across individual cells or battery packs to ensure optimal. Your battery manufacturer has a recommended voltage for equalization (conditioning) that you can find on the spec. The equalization process for a flooded battery is a crucial maintenance step to balance the cell voltages and specific gravity,. An equalizing charge is. What Is Equalization Voltage Of Battery.
From poweringsolution.com
How Often Should Batteries Go Through an Equalization Cycle? Powering What Is Equalization Voltage Of Battery The equalization process for a flooded battery is a crucial maintenance step to balance the cell voltages and specific gravity,. Sheet for your battery, but it’s going. Battery equalization is the process of balancing the charge levels across individual cells or battery packs to ensure optimal. An equalizing charge is nothing more than a deliberate overcharge to remove sulfate crystals. What Is Equalization Voltage Of Battery.
From www.researchgate.net
Proposed QRZCS battery equalization schemes. (a) Buckboost QRZCS What Is Equalization Voltage Of Battery Sheet for your battery, but it’s going. The equalization process for a flooded battery is a crucial maintenance step to balance the cell voltages and specific gravity,. Battery equalization is the process of balancing the charge levels across individual cells or battery packs to ensure optimal. An equalizing charge is nothing more than a deliberate overcharge to remove sulfate crystals. What Is Equalization Voltage Of Battery.
From circuitdataeugene.z21.web.core.windows.net
What Is Battery Equalization What Is Equalization Voltage Of Battery The equalization process for a flooded battery is a crucial maintenance step to balance the cell voltages and specific gravity,. An equalizing charge is nothing more than a deliberate overcharge to remove sulfate crystals that build up on the plates over. Your battery manufacturer has a recommended voltage for equalization (conditioning) that you can find on the spec. Sheet for. What Is Equalization Voltage Of Battery.
From npplithium.com
How to equalization charge Lithium ion battery pack(Cell Balancing What Is Equalization Voltage Of Battery The equalization process for a flooded battery is a crucial maintenance step to balance the cell voltages and specific gravity,. Battery equalization is the process of balancing the charge levels across individual cells or battery packs to ensure optimal. An equalizing charge is nothing more than a deliberate overcharge to remove sulfate crystals that build up on the plates over.. What Is Equalization Voltage Of Battery.
From partdiagramviowbrooniav6.z13.web.core.windows.net
What Is Battery Equalization In Inverter What Is Equalization Voltage Of Battery Your battery manufacturer has a recommended voltage for equalization (conditioning) that you can find on the spec. An equalizing charge is nothing more than a deliberate overcharge to remove sulfate crystals that build up on the plates over. The equalization process for a flooded battery is a crucial maintenance step to balance the cell voltages and specific gravity,. Battery equalization. What Is Equalization Voltage Of Battery.
From dannymeta.com
Car batteries what is equalization voltage What Is Equalization Voltage Of Battery An equalizing charge is nothing more than a deliberate overcharge to remove sulfate crystals that build up on the plates over. Battery equalization is the process of balancing the charge levels across individual cells or battery packs to ensure optimal. Your battery manufacturer has a recommended voltage for equalization (conditioning) that you can find on the spec. Sheet for your. What Is Equalization Voltage Of Battery.
From diagrampartunimparted.z21.web.core.windows.net
Lithium Battery Equalization Voltage What Is Equalization Voltage Of Battery Battery equalization is the process of balancing the charge levels across individual cells or battery packs to ensure optimal. The equalization process for a flooded battery is a crucial maintenance step to balance the cell voltages and specific gravity,. Sheet for your battery, but it’s going. Your battery manufacturer has a recommended voltage for equalization (conditioning) that you can find. What Is Equalization Voltage Of Battery.
From community.victronenergy.com
How do I know when my battery is fully charged? How does the MPPT know What Is Equalization Voltage Of Battery An equalizing charge is nothing more than a deliberate overcharge to remove sulfate crystals that build up on the plates over. Battery equalization is the process of balancing the charge levels across individual cells or battery packs to ensure optimal. Sheet for your battery, but it’s going. The equalization process for a flooded battery is a crucial maintenance step to. What Is Equalization Voltage Of Battery.
From schematicconfortemfp7rn.z22.web.core.windows.net
What Is Equalization Charging In Batteries What Is Equalization Voltage Of Battery Sheet for your battery, but it’s going. An equalizing charge is nothing more than a deliberate overcharge to remove sulfate crystals that build up on the plates over. Battery equalization is the process of balancing the charge levels across individual cells or battery packs to ensure optimal. The equalization process for a flooded battery is a crucial maintenance step to. What Is Equalization Voltage Of Battery.
From npplithium.com
How to equalization charge Lithium ion battery pack(Cell Balancing What Is Equalization Voltage Of Battery Sheet for your battery, but it’s going. The equalization process for a flooded battery is a crucial maintenance step to balance the cell voltages and specific gravity,. An equalizing charge is nothing more than a deliberate overcharge to remove sulfate crystals that build up on the plates over. Battery equalization is the process of balancing the charge levels across individual. What Is Equalization Voltage Of Battery.
From www.mdpi.com
Energies Free FullText Battery Equalization by FlyBack What Is Equalization Voltage Of Battery Sheet for your battery, but it’s going. Your battery manufacturer has a recommended voltage for equalization (conditioning) that you can find on the spec. The equalization process for a flooded battery is a crucial maintenance step to balance the cell voltages and specific gravity,. An equalizing charge is nothing more than a deliberate overcharge to remove sulfate crystals that build. What Is Equalization Voltage Of Battery.
From www.researchgate.net
Voltage curve during equalization process. Download Scientific Diagram What Is Equalization Voltage Of Battery An equalizing charge is nothing more than a deliberate overcharge to remove sulfate crystals that build up on the plates over. Sheet for your battery, but it’s going. The equalization process for a flooded battery is a crucial maintenance step to balance the cell voltages and specific gravity,. Battery equalization is the process of balancing the charge levels across individual. What Is Equalization Voltage Of Battery.
From www.researchgate.net
Equalization system and battery. Download Scientific Diagram What Is Equalization Voltage Of Battery An equalizing charge is nothing more than a deliberate overcharge to remove sulfate crystals that build up on the plates over. Battery equalization is the process of balancing the charge levels across individual cells or battery packs to ensure optimal. Your battery manufacturer has a recommended voltage for equalization (conditioning) that you can find on the spec. The equalization process. What Is Equalization Voltage Of Battery.
From manuallibcorals.z13.web.core.windows.net
What Is Battery Equalization Voltage What Is Equalization Voltage Of Battery The equalization process for a flooded battery is a crucial maintenance step to balance the cell voltages and specific gravity,. An equalizing charge is nothing more than a deliberate overcharge to remove sulfate crystals that build up on the plates over. Sheet for your battery, but it’s going. Your battery manufacturer has a recommended voltage for equalization (conditioning) that you. What Is Equalization Voltage Of Battery.
From electronics.stackexchange.com
batteries What is the mathematical equation/function for lithium ion What Is Equalization Voltage Of Battery Sheet for your battery, but it’s going. An equalizing charge is nothing more than a deliberate overcharge to remove sulfate crystals that build up on the plates over. Your battery manufacturer has a recommended voltage for equalization (conditioning) that you can find on the spec. Battery equalization is the process of balancing the charge levels across individual cells or battery. What Is Equalization Voltage Of Battery.
From www.researchgate.net
Equalization process of battery pack. Download Scientific Diagram What Is Equalization Voltage Of Battery An equalizing charge is nothing more than a deliberate overcharge to remove sulfate crystals that build up on the plates over. The equalization process for a flooded battery is a crucial maintenance step to balance the cell voltages and specific gravity,. Battery equalization is the process of balancing the charge levels across individual cells or battery packs to ensure optimal.. What Is Equalization Voltage Of Battery.
From www.youtube.com
Equalizing Batteries YouTube What Is Equalization Voltage Of Battery The equalization process for a flooded battery is a crucial maintenance step to balance the cell voltages and specific gravity,. Your battery manufacturer has a recommended voltage for equalization (conditioning) that you can find on the spec. Sheet for your battery, but it’s going. An equalizing charge is nothing more than a deliberate overcharge to remove sulfate crystals that build. What Is Equalization Voltage Of Battery.
From www.researchgate.net
Proposed battery equalization schemes (a) Equivalent circuit of the What Is Equalization Voltage Of Battery The equalization process for a flooded battery is a crucial maintenance step to balance the cell voltages and specific gravity,. Sheet for your battery, but it’s going. Your battery manufacturer has a recommended voltage for equalization (conditioning) that you can find on the spec. An equalizing charge is nothing more than a deliberate overcharge to remove sulfate crystals that build. What Is Equalization Voltage Of Battery.
From www.google.com
Patent US6222344 coupled autonomous battery equalization What Is Equalization Voltage Of Battery Battery equalization is the process of balancing the charge levels across individual cells or battery packs to ensure optimal. The equalization process for a flooded battery is a crucial maintenance step to balance the cell voltages and specific gravity,. Sheet for your battery, but it’s going. Your battery manufacturer has a recommended voltage for equalization (conditioning) that you can find. What Is Equalization Voltage Of Battery.
From www.researchgate.net
Equalization process of battery group 1. Download Scientific Diagram What Is Equalization Voltage Of Battery Sheet for your battery, but it’s going. Your battery manufacturer has a recommended voltage for equalization (conditioning) that you can find on the spec. The equalization process for a flooded battery is a crucial maintenance step to balance the cell voltages and specific gravity,. Battery equalization is the process of balancing the charge levels across individual cells or battery packs. What Is Equalization Voltage Of Battery.
From npplithium.com
How to make battery equalization charge? NPP POWER What Is Equalization Voltage Of Battery The equalization process for a flooded battery is a crucial maintenance step to balance the cell voltages and specific gravity,. Sheet for your battery, but it’s going. An equalizing charge is nothing more than a deliberate overcharge to remove sulfate crystals that build up on the plates over. Battery equalization is the process of balancing the charge levels across individual. What Is Equalization Voltage Of Battery.
From circuitdataeugene.z21.web.core.windows.net
What Is Battery Equalization Voltage What Is Equalization Voltage Of Battery Sheet for your battery, but it’s going. Battery equalization is the process of balancing the charge levels across individual cells or battery packs to ensure optimal. An equalizing charge is nothing more than a deliberate overcharge to remove sulfate crystals that build up on the plates over. Your battery manufacturer has a recommended voltage for equalization (conditioning) that you can. What Is Equalization Voltage Of Battery.
From www.youtube.com
Why Is An Equalization Charge Needed? Recondition 12v Battery YouTube What Is Equalization Voltage Of Battery An equalizing charge is nothing more than a deliberate overcharge to remove sulfate crystals that build up on the plates over. The equalization process for a flooded battery is a crucial maintenance step to balance the cell voltages and specific gravity,. Your battery manufacturer has a recommended voltage for equalization (conditioning) that you can find on the spec. Sheet for. What Is Equalization Voltage Of Battery.
From solarshouse.com
LiFePo4 Voltage Chart [12V, 24V, 48V & 1 Cell (3.2V)] Pro Tips What Is Equalization Voltage Of Battery The equalization process for a flooded battery is a crucial maintenance step to balance the cell voltages and specific gravity,. Your battery manufacturer has a recommended voltage for equalization (conditioning) that you can find on the spec. An equalizing charge is nothing more than a deliberate overcharge to remove sulfate crystals that build up on the plates over. Battery equalization. What Is Equalization Voltage Of Battery.
From www.researchgate.net
Battery 3stage charging (bulk charge, absorb charge, and float charge What Is Equalization Voltage Of Battery Battery equalization is the process of balancing the charge levels across individual cells or battery packs to ensure optimal. Your battery manufacturer has a recommended voltage for equalization (conditioning) that you can find on the spec. Sheet for your battery, but it’s going. An equalizing charge is nothing more than a deliberate overcharge to remove sulfate crystals that build up. What Is Equalization Voltage Of Battery.