Wiring Kit For Pulsar 180 . Bajaj genuine wiring harness for bajaj pulsar 180 ug4 bs3 (production year: Find the original parts and lubricants for your bajaj motorcycle from the official website. Bajaj genuine wiring harness for bajaj pulsar 180f bs6 (production year: Learn about the benefits, hazards and features of using bajaj.
from www.youtube.com
Bajaj genuine wiring harness for bajaj pulsar 180 ug4 bs3 (production year: Learn about the benefits, hazards and features of using bajaj. Find the original parts and lubricants for your bajaj motorcycle from the official website. Bajaj genuine wiring harness for bajaj pulsar 180f bs6 (production year:
Pulsar 150 /180 digital meter wiring problem solved! YouTube
Wiring Kit For Pulsar 180 Bajaj genuine wiring harness for bajaj pulsar 180 ug4 bs3 (production year: Learn about the benefits, hazards and features of using bajaj. Find the original parts and lubricants for your bajaj motorcycle from the official website. Bajaj genuine wiring harness for bajaj pulsar 180f bs6 (production year: Bajaj genuine wiring harness for bajaj pulsar 180 ug4 bs3 (production year:
From eauto.co.in
Handle Bar Switch for Bajaj Pulsar 135 Pulsar 150 Pulsar 180 Pul Wiring Kit For Pulsar 180 Bajaj genuine wiring harness for bajaj pulsar 180 ug4 bs3 (production year: Bajaj genuine wiring harness for bajaj pulsar 180f bs6 (production year: Find the original parts and lubricants for your bajaj motorcycle from the official website. Learn about the benefits, hazards and features of using bajaj. Wiring Kit For Pulsar 180.
From tauroparts.com
Kit Pulsar 180 (6 piezas) Accesorios en acero para tu moto Wiring Kit For Pulsar 180 Find the original parts and lubricants for your bajaj motorcycle from the official website. Bajaj genuine wiring harness for bajaj pulsar 180f bs6 (production year: Learn about the benefits, hazards and features of using bajaj. Bajaj genuine wiring harness for bajaj pulsar 180 ug4 bs3 (production year: Wiring Kit For Pulsar 180.
From wiringdiagram.2bitboer.com
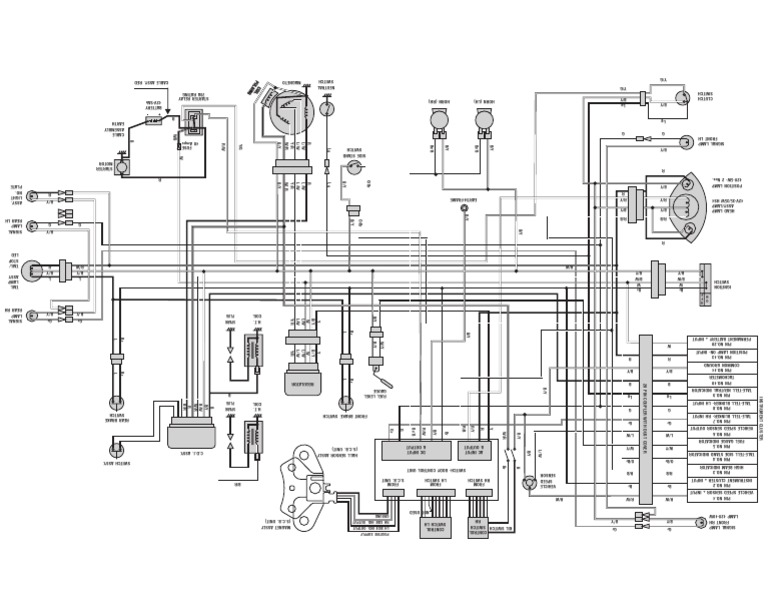
Bajaj Pulsar 180 Dtsi Wiring Diagram Wiring Diagram Wiring Kit For Pulsar 180 Learn about the benefits, hazards and features of using bajaj. Find the original parts and lubricants for your bajaj motorcycle from the official website. Bajaj genuine wiring harness for bajaj pulsar 180f bs6 (production year: Bajaj genuine wiring harness for bajaj pulsar 180 ug4 bs3 (production year: Wiring Kit For Pulsar 180.
From www.luegopago.com
Sistema Eléctrico Pulsar 180 BlackTec Revo Und Luegopago Wiring Kit For Pulsar 180 Find the original parts and lubricants for your bajaj motorcycle from the official website. Bajaj genuine wiring harness for bajaj pulsar 180 ug4 bs3 (production year: Bajaj genuine wiring harness for bajaj pulsar 180f bs6 (production year: Learn about the benefits, hazards and features of using bajaj. Wiring Kit For Pulsar 180.
From www.indiamart.com
PVC and Copper Bajaj Pulsar 180 Wiring Harness at Rs 600 in New Delhi Wiring Kit For Pulsar 180 Bajaj genuine wiring harness for bajaj pulsar 180 ug4 bs3 (production year: Find the original parts and lubricants for your bajaj motorcycle from the official website. Learn about the benefits, hazards and features of using bajaj. Bajaj genuine wiring harness for bajaj pulsar 180f bs6 (production year: Wiring Kit For Pulsar 180.
From wiringdiagram.2bitboer.com
pulsar 150 dtsi wiring diagram Wiring Diagram Wiring Kit For Pulsar 180 Bajaj genuine wiring harness for bajaj pulsar 180 ug4 bs3 (production year: Learn about the benefits, hazards and features of using bajaj. Bajaj genuine wiring harness for bajaj pulsar 180f bs6 (production year: Find the original parts and lubricants for your bajaj motorcycle from the official website. Wiring Kit For Pulsar 180.
From wiringdiagram.2bitboer.com
Bajaj Pulsar 200 Wiring Diagram Wiring Diagram Wiring Kit For Pulsar 180 Find the original parts and lubricants for your bajaj motorcycle from the official website. Bajaj genuine wiring harness for bajaj pulsar 180 ug4 bs3 (production year: Learn about the benefits, hazards and features of using bajaj. Bajaj genuine wiring harness for bajaj pulsar 180f bs6 (production year: Wiring Kit For Pulsar 180.
From laboratoriomaradona.com.ar
Pulsar 180 Wiring Diagram Wiring Kit For Pulsar 180 Find the original parts and lubricants for your bajaj motorcycle from the official website. Learn about the benefits, hazards and features of using bajaj. Bajaj genuine wiring harness for bajaj pulsar 180 ug4 bs3 (production year: Bajaj genuine wiring harness for bajaj pulsar 180f bs6 (production year: Wiring Kit For Pulsar 180.
From www.youtube.com
Pulsar 150 ,180 ,220 digital speedometer wiring Pulsar digital Wiring Kit For Pulsar 180 Bajaj genuine wiring harness for bajaj pulsar 180f bs6 (production year: Learn about the benefits, hazards and features of using bajaj. Find the original parts and lubricants for your bajaj motorcycle from the official website. Bajaj genuine wiring harness for bajaj pulsar 180 ug4 bs3 (production year: Wiring Kit For Pulsar 180.
From gosustainable75.blogspot.com
Pulsar 180 Dtsi Wiring Diagram Gosustainable Wiring Kit For Pulsar 180 Bajaj genuine wiring harness for bajaj pulsar 180 ug4 bs3 (production year: Learn about the benefits, hazards and features of using bajaj. Find the original parts and lubricants for your bajaj motorcycle from the official website. Bajaj genuine wiring harness for bajaj pulsar 180f bs6 (production year: Wiring Kit For Pulsar 180.
From www.indiamart.com
Black wiring harness for Bajaj Pulsar 150 /180 DTSI ES at best price Wiring Kit For Pulsar 180 Find the original parts and lubricants for your bajaj motorcycle from the official website. Bajaj genuine wiring harness for bajaj pulsar 180f bs6 (production year: Learn about the benefits, hazards and features of using bajaj. Bajaj genuine wiring harness for bajaj pulsar 180 ug4 bs3 (production year: Wiring Kit For Pulsar 180.
From fixengineburger.z19.web.core.windows.net
Wiring Diagram Beat Pop Wiring Kit For Pulsar 180 Learn about the benefits, hazards and features of using bajaj. Bajaj genuine wiring harness for bajaj pulsar 180 ug4 bs3 (production year: Bajaj genuine wiring harness for bajaj pulsar 180f bs6 (production year: Find the original parts and lubricants for your bajaj motorcycle from the official website. Wiring Kit For Pulsar 180.
From wiringdiagram.2bitboer.com
Pulsar 180 Dtsi Wiring Diagram Wiring Diagram Wiring Kit For Pulsar 180 Bajaj genuine wiring harness for bajaj pulsar 180 ug4 bs3 (production year: Find the original parts and lubricants for your bajaj motorcycle from the official website. Bajaj genuine wiring harness for bajaj pulsar 180f bs6 (production year: Learn about the benefits, hazards and features of using bajaj. Wiring Kit For Pulsar 180.
From diary-hub.blogspot.com
Bajaj Pulsar 180 Wiring Diagram Pdf Diary Hub Wiring Kit For Pulsar 180 Find the original parts and lubricants for your bajaj motorcycle from the official website. Bajaj genuine wiring harness for bajaj pulsar 180f bs6 (production year: Bajaj genuine wiring harness for bajaj pulsar 180 ug4 bs3 (production year: Learn about the benefits, hazards and features of using bajaj. Wiring Kit For Pulsar 180.
From www.youtube.com
Pulsar 150 /180 digital meter wiring problem solved! YouTube Wiring Kit For Pulsar 180 Learn about the benefits, hazards and features of using bajaj. Bajaj genuine wiring harness for bajaj pulsar 180 ug4 bs3 (production year: Bajaj genuine wiring harness for bajaj pulsar 180f bs6 (production year: Find the original parts and lubricants for your bajaj motorcycle from the official website. Wiring Kit For Pulsar 180.
From es.scribd.com
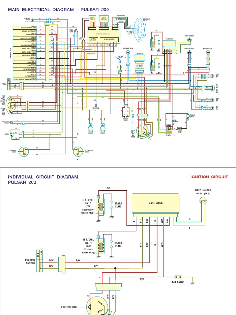
PULSAR.200 Electricos Diagramas Sistema de encendido Cambiar Wiring Kit For Pulsar 180 Bajaj genuine wiring harness for bajaj pulsar 180f bs6 (production year: Learn about the benefits, hazards and features of using bajaj. Bajaj genuine wiring harness for bajaj pulsar 180 ug4 bs3 (production year: Find the original parts and lubricants for your bajaj motorcycle from the official website. Wiring Kit For Pulsar 180.
From es.scribd.com
Pulsar 180 Wiring Diagram Wiring Kit For Pulsar 180 Find the original parts and lubricants for your bajaj motorcycle from the official website. Learn about the benefits, hazards and features of using bajaj. Bajaj genuine wiring harness for bajaj pulsar 180f bs6 (production year: Bajaj genuine wiring harness for bajaj pulsar 180 ug4 bs3 (production year: Wiring Kit For Pulsar 180.
From www.indiamart.com
Black wiring harness for Bajaj Pulsar 150 /180 DTSI ES at best price Wiring Kit For Pulsar 180 Learn about the benefits, hazards and features of using bajaj. Bajaj genuine wiring harness for bajaj pulsar 180 ug4 bs3 (production year: Find the original parts and lubricants for your bajaj motorcycle from the official website. Bajaj genuine wiring harness for bajaj pulsar 180f bs6 (production year: Wiring Kit For Pulsar 180.
From www.indiamart.com
wiring harness for Bajaj Pulsar 150 DTSI ES/ Bajaj Pulsar 180 DTSI ES Wiring Kit For Pulsar 180 Find the original parts and lubricants for your bajaj motorcycle from the official website. Bajaj genuine wiring harness for bajaj pulsar 180 ug4 bs3 (production year: Bajaj genuine wiring harness for bajaj pulsar 180f bs6 (production year: Learn about the benefits, hazards and features of using bajaj. Wiring Kit For Pulsar 180.
From wiringdiagram.2bitboer.com
Bajaj Pulsar 220 F Wiring Diagram Wiring Diagram Wiring Kit For Pulsar 180 Learn about the benefits, hazards and features of using bajaj. Bajaj genuine wiring harness for bajaj pulsar 180 ug4 bs3 (production year: Find the original parts and lubricants for your bajaj motorcycle from the official website. Bajaj genuine wiring harness for bajaj pulsar 180f bs6 (production year: Wiring Kit For Pulsar 180.
From ar.inspiredpencil.com
Full Fare Pulsar 180 Wiring Kit For Pulsar 180 Bajaj genuine wiring harness for bajaj pulsar 180 ug4 bs3 (production year: Learn about the benefits, hazards and features of using bajaj. Bajaj genuine wiring harness for bajaj pulsar 180f bs6 (production year: Find the original parts and lubricants for your bajaj motorcycle from the official website. Wiring Kit For Pulsar 180.
From reviewmotors.co
Pulsar 220 Spare Parts Catalogue Pdf Reviewmotors.co Wiring Kit For Pulsar 180 Learn about the benefits, hazards and features of using bajaj. Bajaj genuine wiring harness for bajaj pulsar 180f bs6 (production year: Bajaj genuine wiring harness for bajaj pulsar 180 ug4 bs3 (production year: Find the original parts and lubricants for your bajaj motorcycle from the official website. Wiring Kit For Pulsar 180.
From www.indiamart.com
Black wiring harness for Bajaj Pulsar 150 /180 DTSI ES UG2 at best Wiring Kit For Pulsar 180 Find the original parts and lubricants for your bajaj motorcycle from the official website. Learn about the benefits, hazards and features of using bajaj. Bajaj genuine wiring harness for bajaj pulsar 180 ug4 bs3 (production year: Bajaj genuine wiring harness for bajaj pulsar 180f bs6 (production year: Wiring Kit For Pulsar 180.
From www.indiamart.com
Black wiring harness for Bajaj Pulsar 150 /180 ES UG3 at best price in Wiring Kit For Pulsar 180 Bajaj genuine wiring harness for bajaj pulsar 180 ug4 bs3 (production year: Find the original parts and lubricants for your bajaj motorcycle from the official website. Bajaj genuine wiring harness for bajaj pulsar 180f bs6 (production year: Learn about the benefits, hazards and features of using bajaj. Wiring Kit For Pulsar 180.
From www.youtube.com
Pulsar N160 Full Wiring DetailsPulsar N160 Wiring Review? YouTube Wiring Kit For Pulsar 180 Learn about the benefits, hazards and features of using bajaj. Find the original parts and lubricants for your bajaj motorcycle from the official website. Bajaj genuine wiring harness for bajaj pulsar 180 ug4 bs3 (production year: Bajaj genuine wiring harness for bajaj pulsar 180f bs6 (production year: Wiring Kit For Pulsar 180.
From tauroparts.com
Kit Pulsar 180 (6 piezas) Accesorios en acero para tu moto Wiring Kit For Pulsar 180 Bajaj genuine wiring harness for bajaj pulsar 180 ug4 bs3 (production year: Bajaj genuine wiring harness for bajaj pulsar 180f bs6 (production year: Find the original parts and lubricants for your bajaj motorcycle from the official website. Learn about the benefits, hazards and features of using bajaj. Wiring Kit For Pulsar 180.
From mundimotosllanos.com
KIT CILINDRO PULSAR 180 UG PULSAR 180 V2009 ORG • Mundimotos Llanos Wiring Kit For Pulsar 180 Bajaj genuine wiring harness for bajaj pulsar 180f bs6 (production year: Bajaj genuine wiring harness for bajaj pulsar 180 ug4 bs3 (production year: Learn about the benefits, hazards and features of using bajaj. Find the original parts and lubricants for your bajaj motorcycle from the official website. Wiring Kit For Pulsar 180.
From www.indiamart.com
Black wiring harness for Bajaj Pulsar 150 /180 ES UG3 at best price in Wiring Kit For Pulsar 180 Find the original parts and lubricants for your bajaj motorcycle from the official website. Bajaj genuine wiring harness for bajaj pulsar 180 ug4 bs3 (production year: Learn about the benefits, hazards and features of using bajaj. Bajaj genuine wiring harness for bajaj pulsar 180f bs6 (production year: Wiring Kit For Pulsar 180.
From www.indiamart.com
Black wiring harness for Bajaj Pulsar 150 /180 DTSI ES at best price Wiring Kit For Pulsar 180 Find the original parts and lubricants for your bajaj motorcycle from the official website. Bajaj genuine wiring harness for bajaj pulsar 180f bs6 (production year: Learn about the benefits, hazards and features of using bajaj. Bajaj genuine wiring harness for bajaj pulsar 180 ug4 bs3 (production year: Wiring Kit For Pulsar 180.
From eauto.co.in
Wiring Harness for Bajaj Pulsar 150 180 DTSi Electric Start Wiring Kit For Pulsar 180 Find the original parts and lubricants for your bajaj motorcycle from the official website. Bajaj genuine wiring harness for bajaj pulsar 180 ug4 bs3 (production year: Learn about the benefits, hazards and features of using bajaj. Bajaj genuine wiring harness for bajaj pulsar 180f bs6 (production year: Wiring Kit For Pulsar 180.
From laboratoriomaradona.com.ar
Pulsar 180 Wiring Diagram Wiring Kit For Pulsar 180 Find the original parts and lubricants for your bajaj motorcycle from the official website. Learn about the benefits, hazards and features of using bajaj. Bajaj genuine wiring harness for bajaj pulsar 180f bs6 (production year: Bajaj genuine wiring harness for bajaj pulsar 180 ug4 bs3 (production year: Wiring Kit For Pulsar 180.
From www.99rpm.com
Bajaj Pulsar 180 BS4 UG5 Carburettor Components Wiring Kit For Pulsar 180 Bajaj genuine wiring harness for bajaj pulsar 180f bs6 (production year: Bajaj genuine wiring harness for bajaj pulsar 180 ug4 bs3 (production year: Learn about the benefits, hazards and features of using bajaj. Find the original parts and lubricants for your bajaj motorcycle from the official website. Wiring Kit For Pulsar 180.
From www.indiamart.com
Black wiring harness for Bajaj Pulsar 150 /180 DTSI ES UG2 at best Wiring Kit For Pulsar 180 Bajaj genuine wiring harness for bajaj pulsar 180f bs6 (production year: Bajaj genuine wiring harness for bajaj pulsar 180 ug4 bs3 (production year: Learn about the benefits, hazards and features of using bajaj. Find the original parts and lubricants for your bajaj motorcycle from the official website. Wiring Kit For Pulsar 180.
From tomdaley-divingsuperstar.blogspot.com
⭐ Bajaj Pulsar Wiring Diagram ⭐ Tomdaley diving superstar Wiring Kit For Pulsar 180 Bajaj genuine wiring harness for bajaj pulsar 180f bs6 (production year: Learn about the benefits, hazards and features of using bajaj. Find the original parts and lubricants for your bajaj motorcycle from the official website. Bajaj genuine wiring harness for bajaj pulsar 180 ug4 bs3 (production year: Wiring Kit For Pulsar 180.
From diary-hub.blogspot.com
Bajaj Pulsar 180 Wiring Diagram Pdf Diary Hub Wiring Kit For Pulsar 180 Bajaj genuine wiring harness for bajaj pulsar 180 ug4 bs3 (production year: Learn about the benefits, hazards and features of using bajaj. Bajaj genuine wiring harness for bajaj pulsar 180f bs6 (production year: Find the original parts and lubricants for your bajaj motorcycle from the official website. Wiring Kit For Pulsar 180.