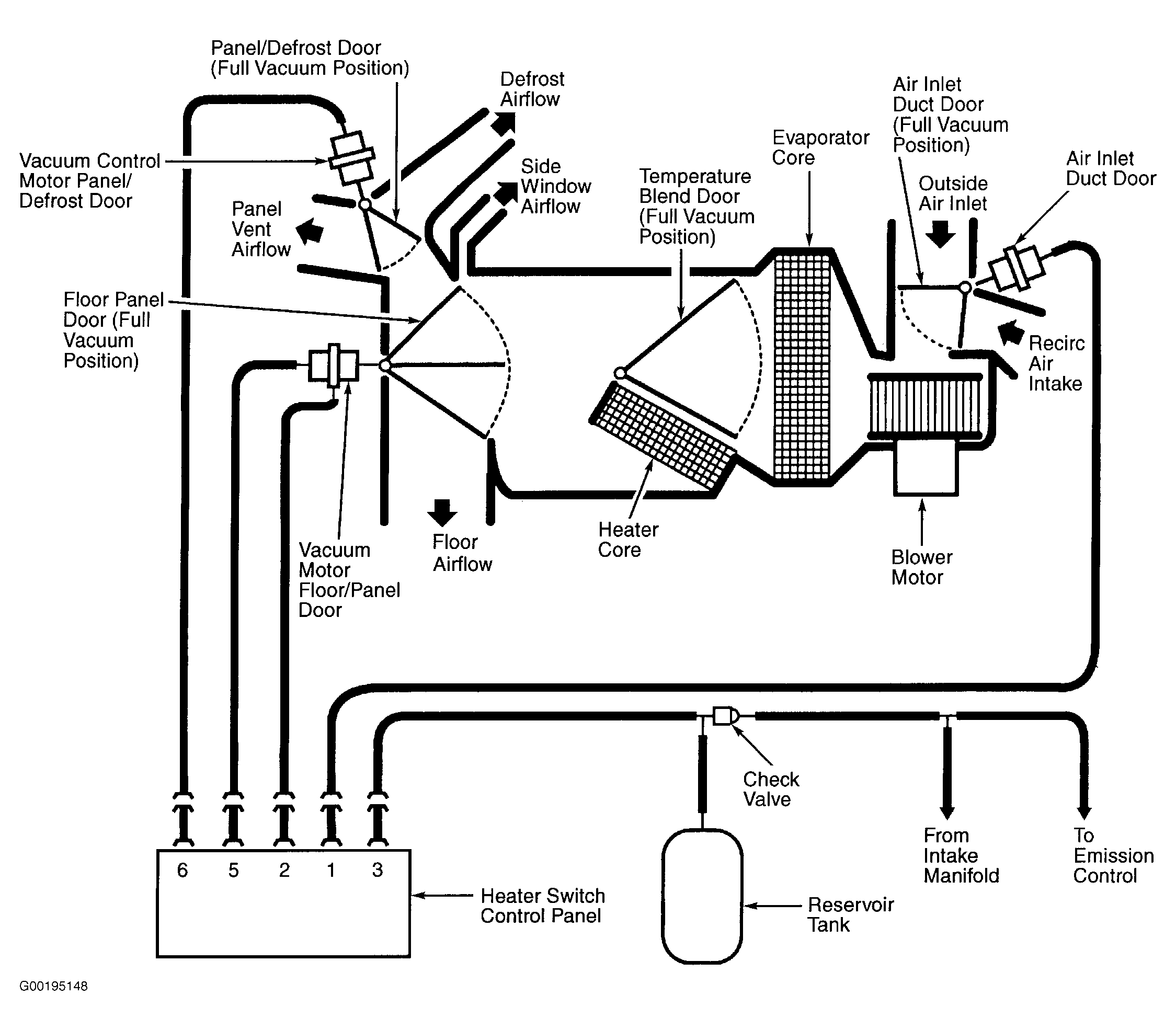
Why Is My Car Heater Luke Warm . If the heater control valve is the culprit, the air coming into your vehicle won’t. Wondering how you can identify the problematic component? We’ll also check out some ways to fix the issue. Let’s understand the common causes in detail and explore the steps to diagnose a faulty heater. Your car heater not working could likely be due to a broken thermostat or a clogged heater core. This valve opens to allow the water to flow into the heater core. The heater control value isn’t working. If your car heater isn’t blowing hot air, an important step in troubleshooting is checking the coolant levels when the engine is cool to prevent burns. There are several reasons why your car heater is not blowing hot air or why your car heater blows cold air when idle and warm air when moving. The most common reasons for a car heater blowing cold air include: And that’s why we have come up with this.
from www.carparts.com
This valve opens to allow the water to flow into the heater core. Your car heater not working could likely be due to a broken thermostat or a clogged heater core. The heater control value isn’t working. The most common reasons for a car heater blowing cold air include: There are several reasons why your car heater is not blowing hot air or why your car heater blows cold air when idle and warm air when moving. We’ll also check out some ways to fix the issue. And that’s why we have come up with this. Wondering how you can identify the problematic component? If the heater control valve is the culprit, the air coming into your vehicle won’t. If your car heater isn’t blowing hot air, an important step in troubleshooting is checking the coolant levels when the engine is cool to prevent burns.
What Causes the Burning Smell From the Heater in Your Car? In The
Why Is My Car Heater Luke Warm Let’s understand the common causes in detail and explore the steps to diagnose a faulty heater. The most common reasons for a car heater blowing cold air include: This valve opens to allow the water to flow into the heater core. The heater control value isn’t working. If the heater control valve is the culprit, the air coming into your vehicle won’t. Your car heater not working could likely be due to a broken thermostat or a clogged heater core. Wondering how you can identify the problematic component? Let’s understand the common causes in detail and explore the steps to diagnose a faulty heater. And that’s why we have come up with this. There are several reasons why your car heater is not blowing hot air or why your car heater blows cold air when idle and warm air when moving. If your car heater isn’t blowing hot air, an important step in troubleshooting is checking the coolant levels when the engine is cool to prevent burns. We’ll also check out some ways to fix the issue.
From axleaddict.com
Why Is My Car Heater Not Blowing Air? AxleAddict Why Is My Car Heater Luke Warm We’ll also check out some ways to fix the issue. The most common reasons for a car heater blowing cold air include: Let’s understand the common causes in detail and explore the steps to diagnose a faulty heater. If your car heater isn’t blowing hot air, an important step in troubleshooting is checking the coolant levels when the engine is. Why Is My Car Heater Luke Warm.
From www.youtube.com
Why is my heater blowing cold air, AND How to fix car heater blowing Why Is My Car Heater Luke Warm We’ll also check out some ways to fix the issue. This valve opens to allow the water to flow into the heater core. The heater control value isn’t working. Wondering how you can identify the problematic component? There are several reasons why your car heater is not blowing hot air or why your car heater blows cold air when idle. Why Is My Car Heater Luke Warm.
From www.youtube.com
TOP 5 REASONS why your car heater is not working. Cheap and easy fix Why Is My Car Heater Luke Warm This valve opens to allow the water to flow into the heater core. The most common reasons for a car heater blowing cold air include: If the heater control valve is the culprit, the air coming into your vehicle won’t. We’ll also check out some ways to fix the issue. There are several reasons why your car heater is not. Why Is My Car Heater Luke Warm.
From www.youtube.com
Flushing A Heater Core YouTube Why Is My Car Heater Luke Warm The heater control value isn’t working. And that’s why we have come up with this. We’ll also check out some ways to fix the issue. There are several reasons why your car heater is not blowing hot air or why your car heater blows cold air when idle and warm air when moving. Your car heater not working could likely. Why Is My Car Heater Luke Warm.
From exopvhszs.blob.core.windows.net
Why Is My Car Heater Only Blowing Warm Air at Robert Pressman blog Why Is My Car Heater Luke Warm We’ll also check out some ways to fix the issue. This valve opens to allow the water to flow into the heater core. The most common reasons for a car heater blowing cold air include: If your car heater isn’t blowing hot air, an important step in troubleshooting is checking the coolant levels when the engine is cool to prevent. Why Is My Car Heater Luke Warm.
From www.testingautos.com
Why does the car heater take so long to get warm? Why Is My Car Heater Luke Warm The heater control value isn’t working. Wondering how you can identify the problematic component? Let’s understand the common causes in detail and explore the steps to diagnose a faulty heater. We’ll also check out some ways to fix the issue. And that’s why we have come up with this. If your car heater isn’t blowing hot air, an important step. Why Is My Car Heater Luke Warm.
From exopvhszs.blob.core.windows.net
Why Is My Car Heater Only Blowing Warm Air at Robert Pressman blog Why Is My Car Heater Luke Warm This valve opens to allow the water to flow into the heater core. Wondering how you can identify the problematic component? Let’s understand the common causes in detail and explore the steps to diagnose a faulty heater. The heater control value isn’t working. The most common reasons for a car heater blowing cold air include: There are several reasons why. Why Is My Car Heater Luke Warm.
From www.youtube.com
Car Heater Not Blowing Warm Air Quick Fix!! YouTube Why Is My Car Heater Luke Warm Wondering how you can identify the problematic component? The heater control value isn’t working. The most common reasons for a car heater blowing cold air include: Your car heater not working could likely be due to a broken thermostat or a clogged heater core. There are several reasons why your car heater is not blowing hot air or why your. Why Is My Car Heater Luke Warm.
From www.benzworld.org
Heater lukewarm, Hi and Bilevel Identical MercedesBenz Forum Why Is My Car Heater Luke Warm Wondering how you can identify the problematic component? If your car heater isn’t blowing hot air, an important step in troubleshooting is checking the coolant levels when the engine is cool to prevent burns. The heater control value isn’t working. And that’s why we have come up with this. If the heater control valve is the culprit, the air coming. Why Is My Car Heater Luke Warm.
From mechanichydeincognitoub.z14.web.core.windows.net
Why Is My Car Heater Only Blowing Cold Air Why Is My Car Heater Luke Warm There are several reasons why your car heater is not blowing hot air or why your car heater blows cold air when idle and warm air when moving. The most common reasons for a car heater blowing cold air include: This valve opens to allow the water to flow into the heater core. If your car heater isn’t blowing hot. Why Is My Car Heater Luke Warm.
From enginedesmacarwph.z21.web.core.windows.net
Why Is My Heater Blowing Cold Air In My Car Why Is My Car Heater Luke Warm Your car heater not working could likely be due to a broken thermostat or a clogged heater core. If your car heater isn’t blowing hot air, an important step in troubleshooting is checking the coolant levels when the engine is cool to prevent burns. The most common reasons for a car heater blowing cold air include: This valve opens to. Why Is My Car Heater Luke Warm.
From www.carparts.com
What Causes the Burning Smell From the Heater in Your Car? In The Why Is My Car Heater Luke Warm If the heater control valve is the culprit, the air coming into your vehicle won’t. If your car heater isn’t blowing hot air, an important step in troubleshooting is checking the coolant levels when the engine is cool to prevent burns. There are several reasons why your car heater is not blowing hot air or why your car heater blows. Why Is My Car Heater Luke Warm.
From enginediagramlast.z21.web.core.windows.net
Why Does My Car Heater Blow Cold Air Why Is My Car Heater Luke Warm There are several reasons why your car heater is not blowing hot air or why your car heater blows cold air when idle and warm air when moving. Wondering how you can identify the problematic component? The heater control value isn’t working. The most common reasons for a car heater blowing cold air include: Let’s understand the common causes in. Why Is My Car Heater Luke Warm.
From okgo.net
Why is My Car Heater Blowing Cold Air IN, car heater Why Is My Car Heater Luke Warm Wondering how you can identify the problematic component? The most common reasons for a car heater blowing cold air include: If your car heater isn’t blowing hot air, an important step in troubleshooting is checking the coolant levels when the engine is cool to prevent burns. There are several reasons why your car heater is not blowing hot air or. Why Is My Car Heater Luke Warm.
From fixengineeff8e624r.z13.web.core.windows.net
Why Is The Heater Blowing Cold Air In My Car Why Is My Car Heater Luke Warm There are several reasons why your car heater is not blowing hot air or why your car heater blows cold air when idle and warm air when moving. This valve opens to allow the water to flow into the heater core. Let’s understand the common causes in detail and explore the steps to diagnose a faulty heater. We’ll also check. Why Is My Car Heater Luke Warm.
From www.2carpros.com
Heater Blowing Lukewarm Air on Lower Settings Why Is My Car Heater Luke Warm Your car heater not working could likely be due to a broken thermostat or a clogged heater core. If your car heater isn’t blowing hot air, an important step in troubleshooting is checking the coolant levels when the engine is cool to prevent burns. Wondering how you can identify the problematic component? We’ll also check out some ways to fix. Why Is My Car Heater Luke Warm.
From www.rvingbeginner.com
Reasons Why Your Car Heater is Blowing Cool Air RVing Beginner Why Is My Car Heater Luke Warm If the heater control valve is the culprit, the air coming into your vehicle won’t. Wondering how you can identify the problematic component? Your car heater not working could likely be due to a broken thermostat or a clogged heater core. If your car heater isn’t blowing hot air, an important step in troubleshooting is checking the coolant levels when. Why Is My Car Heater Luke Warm.
From dabianpo.blogspot.com
my heater is not working in my car what could it be Yanira Christman Why Is My Car Heater Luke Warm If the heater control valve is the culprit, the air coming into your vehicle won’t. Your car heater not working could likely be due to a broken thermostat or a clogged heater core. The heater control value isn’t working. Wondering how you can identify the problematic component? We’ll also check out some ways to fix the issue. There are several. Why Is My Car Heater Luke Warm.
From www.youtube.com
WHY MY CAR HEATER DOES NOT BLOW HOT WARM AIR. HEATER BLOW COLD YouTube Why Is My Car Heater Luke Warm Wondering how you can identify the problematic component? The most common reasons for a car heater blowing cold air include: There are several reasons why your car heater is not blowing hot air or why your car heater blows cold air when idle and warm air when moving. If your car heater isn’t blowing hot air, an important step in. Why Is My Car Heater Luke Warm.
From blog.1aauto.com
Car AC Blows Cold on One Side and Hot on the Other Diagnose and Fix Why Is My Car Heater Luke Warm The most common reasons for a car heater blowing cold air include: Let’s understand the common causes in detail and explore the steps to diagnose a faulty heater. The heater control value isn’t working. We’ll also check out some ways to fix the issue. If the heater control valve is the culprit, the air coming into your vehicle won’t. If. Why Is My Car Heater Luke Warm.
From www.mcdonaldhyundai.com
Why Is My Car Heater Blowing Cold Air? McDonald Hyundai Why Is My Car Heater Luke Warm The heater control value isn’t working. We’ll also check out some ways to fix the issue. The most common reasons for a car heater blowing cold air include: This valve opens to allow the water to flow into the heater core. If the heater control valve is the culprit, the air coming into your vehicle won’t. Let’s understand the common. Why Is My Car Heater Luke Warm.
From garagejaiden55.z19.web.core.windows.net
2011 Honda Crv Heater Blowing Cold Air Why Is My Car Heater Luke Warm There are several reasons why your car heater is not blowing hot air or why your car heater blows cold air when idle and warm air when moving. And that’s why we have come up with this. Let’s understand the common causes in detail and explore the steps to diagnose a faulty heater. This valve opens to allow the water. Why Is My Car Heater Luke Warm.
From themotorguy.com
When Your Car Runs Hot But the Heater Blows Cold Understanding the Why Is My Car Heater Luke Warm The heater control value isn’t working. Your car heater not working could likely be due to a broken thermostat or a clogged heater core. If your car heater isn’t blowing hot air, an important step in troubleshooting is checking the coolant levels when the engine is cool to prevent burns. There are several reasons why your car heater is not. Why Is My Car Heater Luke Warm.
From www.ford-trucks.com
Heater box/luke warm heat issue Ford Truck Enthusiasts Forums Why Is My Car Heater Luke Warm There are several reasons why your car heater is not blowing hot air or why your car heater blows cold air when idle and warm air when moving. And that’s why we have come up with this. Your car heater not working could likely be due to a broken thermostat or a clogged heater core. We’ll also check out some. Why Is My Car Heater Luke Warm.
From www.youtube.com
Diagnostic Why Is the Heater In My Car Not Working? YouTube Why Is My Car Heater Luke Warm The heater control value isn’t working. Let’s understand the common causes in detail and explore the steps to diagnose a faulty heater. Your car heater not working could likely be due to a broken thermostat or a clogged heater core. If your car heater isn’t blowing hot air, an important step in troubleshooting is checking the coolant levels when the. Why Is My Car Heater Luke Warm.
From mechanichydeincognitoub.z14.web.core.windows.net
Why Does My Car Heater Not Blow Hot Air Why Is My Car Heater Luke Warm The most common reasons for a car heater blowing cold air include: If your car heater isn’t blowing hot air, an important step in troubleshooting is checking the coolant levels when the engine is cool to prevent burns. There are several reasons why your car heater is not blowing hot air or why your car heater blows cold air when. Why Is My Car Heater Luke Warm.
From www.jeepzine.com
Troubleshooting Your Car's Heater Problem Jeepzine Why Is My Car Heater Luke Warm If the heater control valve is the culprit, the air coming into your vehicle won’t. This valve opens to allow the water to flow into the heater core. The most common reasons for a car heater blowing cold air include: The heater control value isn’t working. There are several reasons why your car heater is not blowing hot air or. Why Is My Car Heater Luke Warm.
From vehicleunleashed.com
Why Is My Car Heater Blowing Cold Air? What's Wrong and How to Diagnose Why Is My Car Heater Luke Warm Wondering how you can identify the problematic component? This valve opens to allow the water to flow into the heater core. We’ll also check out some ways to fix the issue. There are several reasons why your car heater is not blowing hot air or why your car heater blows cold air when idle and warm air when moving. Let’s. Why Is My Car Heater Luke Warm.
From blog.nationwide.com
Why Is My Car Heater Blowing Cold Air? — Now from Nationwide Why Is My Car Heater Luke Warm If your car heater isn’t blowing hot air, an important step in troubleshooting is checking the coolant levels when the engine is cool to prevent burns. The most common reasons for a car heater blowing cold air include: Your car heater not working could likely be due to a broken thermostat or a clogged heater core. There are several reasons. Why Is My Car Heater Luke Warm.
From www.toledoautocare.com
Why is My Car Heater Not Working? Toledo Tire and Auto Care Why Is My Car Heater Luke Warm There are several reasons why your car heater is not blowing hot air or why your car heater blows cold air when idle and warm air when moving. The heater control value isn’t working. If the heater control valve is the culprit, the air coming into your vehicle won’t. Let’s understand the common causes in detail and explore the steps. Why Is My Car Heater Luke Warm.
From www.2carpros.com
Heater Only Blows Luke Warm Air Greetings, Owner, Page 2 Why Is My Car Heater Luke Warm Wondering how you can identify the problematic component? Let’s understand the common causes in detail and explore the steps to diagnose a faulty heater. We’ll also check out some ways to fix the issue. The most common reasons for a car heater blowing cold air include: There are several reasons why your car heater is not blowing hot air or. Why Is My Car Heater Luke Warm.
From exopvhszs.blob.core.windows.net
Why Is My Car Heater Only Blowing Warm Air at Robert Pressman blog Why Is My Car Heater Luke Warm There are several reasons why your car heater is not blowing hot air or why your car heater blows cold air when idle and warm air when moving. Your car heater not working could likely be due to a broken thermostat or a clogged heater core. We’ll also check out some ways to fix the issue. The heater control value. Why Is My Car Heater Luke Warm.
From smartvehiclecare.com
Why does my car heater take ages to warm up? Smart Vehicle Care Why Is My Car Heater Luke Warm If the heater control valve is the culprit, the air coming into your vehicle won’t. Let’s understand the common causes in detail and explore the steps to diagnose a faulty heater. Wondering how you can identify the problematic component? If your car heater isn’t blowing hot air, an important step in troubleshooting is checking the coolant levels when the engine. Why Is My Car Heater Luke Warm.
From blog.1aauto.com
Car Heater Not Blowing Air? How to Fix No Heat in the Car 1A Auto Why Is My Car Heater Luke Warm The most common reasons for a car heater blowing cold air include: If your car heater isn’t blowing hot air, an important step in troubleshooting is checking the coolant levels when the engine is cool to prevent burns. We’ll also check out some ways to fix the issue. The heater control value isn’t working. And that’s why we have come. Why Is My Car Heater Luke Warm.
From tricktrucks.com
5 Reasons Your Car Heater is Blowing Cold Air Trick Trucks Why Is My Car Heater Luke Warm Wondering how you can identify the problematic component? If the heater control valve is the culprit, the air coming into your vehicle won’t. And that’s why we have come up with this. Your car heater not working could likely be due to a broken thermostat or a clogged heater core. The heater control value isn’t working. The most common reasons. Why Is My Car Heater Luke Warm.