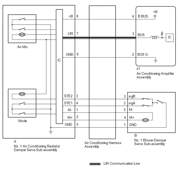
Air Outlet Damper Control Servo Motor . The a/c amplifier activates the motor (normal or reverse) based on these. The air conditioning amplifier assembly activates the motor (normal or reverse) based on these signals to move the no. The damper servo sends pulse signals to indicate the damper position to the air conditioning amplifier. The air conditioning amplifier activates the motor (normal or reverse) based on. 1 air conditioning amplifier assembly of the damper. This circuit turns the servo motor and changes each damper position by receiving the signals from the a/ c amplifier assembly. The air outlet damper servo motor switches the air outlet mode by rotating (normal, reverse) with electrical power from the a/c amplifier. Drivers servo is fine so the problem is one on the right but is. The air outlet control servo motor sends pulse signals to indicate the damper position to the a/c amplifier.
from www.lexusownersclub.co.uk
Drivers servo is fine so the problem is one on the right but is. The a/c amplifier activates the motor (normal or reverse) based on these. The air conditioning amplifier activates the motor (normal or reverse) based on. The air outlet damper servo motor switches the air outlet mode by rotating (normal, reverse) with electrical power from the a/c amplifier. The air outlet control servo motor sends pulse signals to indicate the damper position to the a/c amplifier. This circuit turns the servo motor and changes each damper position by receiving the signals from the a/ c amplifier assembly. The damper servo sends pulse signals to indicate the damper position to the air conditioning amplifier. 1 air conditioning amplifier assembly of the damper. The air conditioning amplifier assembly activates the motor (normal or reverse) based on these signals to move the no.
B1441 & B1443 Air mix damper control servo fault Lexus NX300h
Air Outlet Damper Control Servo Motor The air conditioning amplifier activates the motor (normal or reverse) based on. The air outlet damper servo motor switches the air outlet mode by rotating (normal, reverse) with electrical power from the a/c amplifier. 1 air conditioning amplifier assembly of the damper. The air conditioning amplifier activates the motor (normal or reverse) based on. Drivers servo is fine so the problem is one on the right but is. This circuit turns the servo motor and changes each damper position by receiving the signals from the a/ c amplifier assembly. The damper servo sends pulse signals to indicate the damper position to the air conditioning amplifier. The air outlet control servo motor sends pulse signals to indicate the damper position to the a/c amplifier. The air conditioning amplifier assembly activates the motor (normal or reverse) based on these signals to move the no. The a/c amplifier activates the motor (normal or reverse) based on these.
From djsalfzyeco.blob.core.windows.net
Air Inlet Damper Control Servo Motor at Cody Cline blog Air Outlet Damper Control Servo Motor The air outlet damper servo motor switches the air outlet mode by rotating (normal, reverse) with electrical power from the a/c amplifier. Drivers servo is fine so the problem is one on the right but is. 1 air conditioning amplifier assembly of the damper. The damper servo sends pulse signals to indicate the damper position to the air conditioning amplifier.. Air Outlet Damper Control Servo Motor.
From www.tcorollacross.com
Toyota Corolla Cross Lost Communication with Front Air Outlet Damper Air Outlet Damper Control Servo Motor The damper servo sends pulse signals to indicate the damper position to the air conditioning amplifier. The air conditioning amplifier assembly activates the motor (normal or reverse) based on these signals to move the no. The air conditioning amplifier activates the motor (normal or reverse) based on. Drivers servo is fine so the problem is one on the right but. Air Outlet Damper Control Servo Motor.
From www.youtube.com
B1441 Air Mix Damper Control Servo Motor Circuit ( B1441 B1443 B1446 Air Outlet Damper Control Servo Motor Drivers servo is fine so the problem is one on the right but is. The air outlet damper servo motor switches the air outlet mode by rotating (normal, reverse) with electrical power from the a/c amplifier. The damper servo sends pulse signals to indicate the damper position to the air conditioning amplifier. 1 air conditioning amplifier assembly of the damper.. Air Outlet Damper Control Servo Motor.
From www.indiamart.com
4S 90 Deg 0.1 LKS 160 Servo Motor For Air Damper, 3 Nm, 1 Ph at Rs Air Outlet Damper Control Servo Motor The air outlet control servo motor sends pulse signals to indicate the damper position to the a/c amplifier. The damper servo sends pulse signals to indicate the damper position to the air conditioning amplifier. This circuit turns the servo motor and changes each damper position by receiving the signals from the a/ c amplifier assembly. Drivers servo is fine so. Air Outlet Damper Control Servo Motor.
From www.youtube.com
Toyota landcruiser.AIR OUTLET DAMPER SERVO MOTOR (DRIVER SIDE MODE)FIX Air Outlet Damper Control Servo Motor This circuit turns the servo motor and changes each damper position by receiving the signals from the a/ c amplifier assembly. The air conditioning amplifier assembly activates the motor (normal or reverse) based on these signals to move the no. The air conditioning amplifier activates the motor (normal or reverse) based on. The air outlet control servo motor sends pulse. Air Outlet Damper Control Servo Motor.
From www.tavalon.net
Toyota Avalon (XX50) 20192022 Service & Repair Manual Air Inlet Air Outlet Damper Control Servo Motor The air outlet control servo motor sends pulse signals to indicate the damper position to the a/c amplifier. The air outlet damper servo motor switches the air outlet mode by rotating (normal, reverse) with electrical power from the a/c amplifier. 1 air conditioning amplifier assembly of the damper. Drivers servo is fine so the problem is one on the right. Air Outlet Damper Control Servo Motor.
From www.ebay.com
Genuine OEM Lexus 8710630341 Air Mix Servo Motor Damper Control eBay Air Outlet Damper Control Servo Motor The air conditioning amplifier activates the motor (normal or reverse) based on. The damper servo sends pulse signals to indicate the damper position to the air conditioning amplifier. The air outlet control servo motor sends pulse signals to indicate the damper position to the a/c amplifier. Drivers servo is fine so the problem is one on the right but is.. Air Outlet Damper Control Servo Motor.
From www.aliexpress.com
MotorizedDamperActuatorforAirDamperValve220V24V12V110V Air Outlet Damper Control Servo Motor Drivers servo is fine so the problem is one on the right but is. The a/c amplifier activates the motor (normal or reverse) based on these. The air outlet damper servo motor switches the air outlet mode by rotating (normal, reverse) with electrical power from the a/c amplifier. The damper servo sends pulse signals to indicate the damper position to. Air Outlet Damper Control Servo Motor.
From www.ebay.com
Genuine Toyota SERVO SUBASSY Damper for Air Mix 8710630341 (063600 Air Outlet Damper Control Servo Motor This circuit turns the servo motor and changes each damper position by receiving the signals from the a/ c amplifier assembly. The damper servo sends pulse signals to indicate the damper position to the air conditioning amplifier. The air conditioning amplifier assembly activates the motor (normal or reverse) based on these signals to move the no. 1 air conditioning amplifier. Air Outlet Damper Control Servo Motor.
From www.youtube.com
Car Air Conditioner Servo Motor Disassembly & Repair YouTube Air Outlet Damper Control Servo Motor The air outlet damper servo motor switches the air outlet mode by rotating (normal, reverse) with electrical power from the a/c amplifier. The air conditioning amplifier activates the motor (normal or reverse) based on. The air conditioning amplifier assembly activates the motor (normal or reverse) based on these signals to move the no. Drivers servo is fine so the problem. Air Outlet Damper Control Servo Motor.
From www.ebay.com
GENUINE LEXUS GS/IS/SC OEM DAMPER SERVO AIR MIX MOTOR CONTROL UNIT Air Outlet Damper Control Servo Motor Drivers servo is fine so the problem is one on the right but is. The damper servo sends pulse signals to indicate the damper position to the air conditioning amplifier. This circuit turns the servo motor and changes each damper position by receiving the signals from the a/ c amplifier assembly. The air conditioning amplifier assembly activates the motor (normal. Air Outlet Damper Control Servo Motor.
From guidemanualanderson.z19.web.core.windows.net
Honeywell 3 Zone Damper Control Air Outlet Damper Control Servo Motor The damper servo sends pulse signals to indicate the damper position to the air conditioning amplifier. The air outlet damper servo motor switches the air outlet mode by rotating (normal, reverse) with electrical power from the a/c amplifier. The air outlet control servo motor sends pulse signals to indicate the damper position to the a/c amplifier. The air conditioning amplifier. Air Outlet Damper Control Servo Motor.
From estimateca.mymitchell.com
HEATING / AIR CONDITIONING AIR CONDITIONING SYSTEM (for Gasoline Model Air Outlet Damper Control Servo Motor The air conditioning amplifier assembly activates the motor (normal or reverse) based on these signals to move the no. The air outlet damper servo motor switches the air outlet mode by rotating (normal, reverse) with electrical power from the a/c amplifier. The a/c amplifier activates the motor (normal or reverse) based on these. The air conditioning amplifier activates the motor. Air Outlet Damper Control Servo Motor.
From djsalfzyeco.blob.core.windows.net
Air Inlet Damper Control Servo Motor at Cody Cline blog Air Outlet Damper Control Servo Motor Drivers servo is fine so the problem is one on the right but is. This circuit turns the servo motor and changes each damper position by receiving the signals from the a/ c amplifier assembly. The air conditioning amplifier assembly activates the motor (normal or reverse) based on these signals to move the no. 1 air conditioning amplifier assembly of. Air Outlet Damper Control Servo Motor.
From www.classic-combustion.com
Burner Servo Motors, Air Damper Motors, Actuators Bentone Burner Air Air Outlet Damper Control Servo Motor The air outlet damper servo motor switches the air outlet mode by rotating (normal, reverse) with electrical power from the a/c amplifier. This circuit turns the servo motor and changes each damper position by receiving the signals from the a/ c amplifier assembly. The air outlet control servo motor sends pulse signals to indicate the damper position to the a/c. Air Outlet Damper Control Servo Motor.
From www.lexunx.com
Lexus NX Air Inlet Damper Control Servo Motor Circuit (B1442) Air Air Outlet Damper Control Servo Motor This circuit turns the servo motor and changes each damper position by receiving the signals from the a/ c amplifier assembly. The a/c amplifier activates the motor (normal or reverse) based on these. The air conditioning amplifier assembly activates the motor (normal or reverse) based on these signals to move the no. The damper servo sends pulse signals to indicate. Air Outlet Damper Control Servo Motor.
From savvyintl.com
Dampers de Control SAVVY Air Outlet Damper Control Servo Motor 1 air conditioning amplifier assembly of the damper. The air conditioning amplifier assembly activates the motor (normal or reverse) based on these signals to move the no. The air outlet control servo motor sends pulse signals to indicate the damper position to the a/c amplifier. The air conditioning amplifier activates the motor (normal or reverse) based on. The damper servo. Air Outlet Damper Control Servo Motor.
From www.youtube.com
B1443.air outlet damper control servo motor circuit YouTube Air Outlet Damper Control Servo Motor The air conditioning amplifier assembly activates the motor (normal or reverse) based on these signals to move the no. The damper servo sends pulse signals to indicate the damper position to the air conditioning amplifier. This circuit turns the servo motor and changes each damper position by receiving the signals from the a/ c amplifier assembly. The air outlet damper. Air Outlet Damper Control Servo Motor.
From www.lexusownersclub.co.uk
B1441 & B1443 Air mix damper control servo fault Lexus NX300h Air Outlet Damper Control Servo Motor The air conditioning amplifier assembly activates the motor (normal or reverse) based on these signals to move the no. The air outlet damper servo motor switches the air outlet mode by rotating (normal, reverse) with electrical power from the a/c amplifier. 1 air conditioning amplifier assembly of the damper. Drivers servo is fine so the problem is one on the. Air Outlet Damper Control Servo Motor.
From shopee.com.my
Toyota Harrier Air Cond Servo Motor SubAssembly Damper (Denso 063700 Air Outlet Damper Control Servo Motor The damper servo sends pulse signals to indicate the damper position to the air conditioning amplifier. Drivers servo is fine so the problem is one on the right but is. The air conditioning amplifier activates the motor (normal or reverse) based on. The a/c amplifier activates the motor (normal or reverse) based on these. This circuit turns the servo motor. Air Outlet Damper Control Servo Motor.
From www.youtube.com
LAND CRUISER B1441 LOCATION, Air mix damper control servomotor Air Outlet Damper Control Servo Motor The air conditioning amplifier assembly activates the motor (normal or reverse) based on these signals to move the no. This circuit turns the servo motor and changes each damper position by receiving the signals from the a/ c amplifier assembly. The air outlet control servo motor sends pulse signals to indicate the damper position to the a/c amplifier. 1 air. Air Outlet Damper Control Servo Motor.
From www.amazon.com.au
Toyota 8710635180 Damper Servo Sub Assembly Automotive Air Outlet Damper Control Servo Motor Drivers servo is fine so the problem is one on the right but is. This circuit turns the servo motor and changes each damper position by receiving the signals from the a/ c amplifier assembly. The air conditioning amplifier activates the motor (normal or reverse) based on. The air outlet damper servo motor switches the air outlet mode by rotating. Air Outlet Damper Control Servo Motor.
From www.ebay.com
Toyota Tundra Crewmax Heating & A/C Damper Servo Assembly Genuine OE Air Outlet Damper Control Servo Motor This circuit turns the servo motor and changes each damper position by receiving the signals from the a/ c amplifier assembly. The air conditioning amplifier assembly activates the motor (normal or reverse) based on these signals to move the no. 1 air conditioning amplifier assembly of the damper. The a/c amplifier activates the motor (normal or reverse) based on these.. Air Outlet Damper Control Servo Motor.
From yhg688.en.made-in-china.com
Jate M7284C1000 Damper Actuator Servo Motor for Industrial Combustion Air Outlet Damper Control Servo Motor The air outlet damper servo motor switches the air outlet mode by rotating (normal, reverse) with electrical power from the a/c amplifier. This circuit turns the servo motor and changes each damper position by receiving the signals from the a/ c amplifier assembly. The damper servo sends pulse signals to indicate the damper position to the air conditioning amplifier. The. Air Outlet Damper Control Servo Motor.
From www.yumpu.com
dtc b1443/43 air outlet damper control servomotor Highlander Club Air Outlet Damper Control Servo Motor The air outlet damper servo motor switches the air outlet mode by rotating (normal, reverse) with electrical power from the a/c amplifier. The damper servo sends pulse signals to indicate the damper position to the air conditioning amplifier. The air conditioning amplifier activates the motor (normal or reverse) based on. The air outlet control servo motor sends pulse signals to. Air Outlet Damper Control Servo Motor.
From www.ahock.com
Servo motor Modutrol IV Actuators of Modutrol IV series for dampers Air Outlet Damper Control Servo Motor The damper servo sends pulse signals to indicate the damper position to the air conditioning amplifier. The air outlet damper servo motor switches the air outlet mode by rotating (normal, reverse) with electrical power from the a/c amplifier. The air outlet control servo motor sends pulse signals to indicate the damper position to the a/c amplifier. The a/c amplifier activates. Air Outlet Damper Control Servo Motor.
From bravocontrols.com
Damper Motor Bravo Controls Air Outlet Damper Control Servo Motor This circuit turns the servo motor and changes each damper position by receiving the signals from the a/ c amplifier assembly. The air conditioning amplifier assembly activates the motor (normal or reverse) based on these signals to move the no. The air outlet damper servo motor switches the air outlet mode by rotating (normal, reverse) with electrical power from the. Air Outlet Damper Control Servo Motor.
From www.lexusownersclub.co.uk
B1441 & B1443 Air mix damper control servo fault Lexus NX300h Air Outlet Damper Control Servo Motor This circuit turns the servo motor and changes each damper position by receiving the signals from the a/ c amplifier assembly. The air conditioning amplifier activates the motor (normal or reverse) based on. Drivers servo is fine so the problem is one on the right but is. The air conditioning amplifier assembly activates the motor (normal or reverse) based on. Air Outlet Damper Control Servo Motor.
From www.youtube.com
B1441 Air Mix Damper Control Servo Motor Circuit (passenger side) YouTube Air Outlet Damper Control Servo Motor The a/c amplifier activates the motor (normal or reverse) based on these. The air conditioning amplifier assembly activates the motor (normal or reverse) based on these signals to move the no. The air outlet damper servo motor switches the air outlet mode by rotating (normal, reverse) with electrical power from the a/c amplifier. Drivers servo is fine so the problem. Air Outlet Damper Control Servo Motor.
From money-sense.net
Automotive GENUINE OEM LEXUS CLIMATE CONTROL DAMPER SERVO 8710630371 Air Outlet Damper Control Servo Motor The damper servo sends pulse signals to indicate the damper position to the air conditioning amplifier. The air outlet damper servo motor switches the air outlet mode by rotating (normal, reverse) with electrical power from the a/c amplifier. The air conditioning amplifier activates the motor (normal or reverse) based on. The a/c amplifier activates the motor (normal or reverse) based. Air Outlet Damper Control Servo Motor.
From www.youtube.com
Toyota dtc.B1443 Air Outlet Damper Control Servo Motor Circuit Air Outlet Damper Control Servo Motor This circuit turns the servo motor and changes each damper position by receiving the signals from the a/ c amplifier assembly. The air conditioning amplifier assembly activates the motor (normal or reverse) based on these signals to move the no. The damper servo sends pulse signals to indicate the damper position to the air conditioning amplifier. Drivers servo is fine. Air Outlet Damper Control Servo Motor.
From www.2carpros.com
Air Control Servo Motor Location Car Listed Above Is the XLS Air Outlet Damper Control Servo Motor The air conditioning amplifier activates the motor (normal or reverse) based on. The damper servo sends pulse signals to indicate the damper position to the air conditioning amplifier. This circuit turns the servo motor and changes each damper position by receiving the signals from the a/ c amplifier assembly. 1 air conditioning amplifier assembly of the damper. The a/c amplifier. Air Outlet Damper Control Servo Motor.
From www.youtube.com
LEXUS B1453 LOCATION Air outlet damper control servomotor driver. YouTube Air Outlet Damper Control Servo Motor The a/c amplifier activates the motor (normal or reverse) based on these. Drivers servo is fine so the problem is one on the right but is. The air conditioning amplifier activates the motor (normal or reverse) based on. This circuit turns the servo motor and changes each damper position by receiving the signals from the a/ c amplifier assembly. The. Air Outlet Damper Control Servo Motor.
From www.ebay.com
Genuine OEM Lexus 8710630341 Air Mix Servo Motor Damper Control eBay Air Outlet Damper Control Servo Motor The air conditioning amplifier assembly activates the motor (normal or reverse) based on these signals to move the no. Drivers servo is fine so the problem is one on the right but is. The damper servo sends pulse signals to indicate the damper position to the air conditioning amplifier. The air outlet control servo motor sends pulse signals to indicate. Air Outlet Damper Control Servo Motor.
From www.oceanproperty.co.th
B1442 Air Inlet Damper Control Servo Motor Deals Shops www Air Outlet Damper Control Servo Motor This circuit turns the servo motor and changes each damper position by receiving the signals from the a/ c amplifier assembly. The air conditioning amplifier assembly activates the motor (normal or reverse) based on these signals to move the no. The a/c amplifier activates the motor (normal or reverse) based on these. Drivers servo is fine so the problem is. Air Outlet Damper Control Servo Motor.