Krebs Paint Sprayer Parts . The 60 watt multispray+ (ms+) is the perfect food safe handheld gun for spraying most low to medium viscosity liquids including, oil, egg. Free delivery wed, jul 31. Suction tube extension for krebs lm25 and lm45 food spray guns. Here are the diagrams and repair parts for official krebs 45 airless paint sprayer, as well as links to manuals and error code tables, if available. View and download krebs k2015s owner's manual online. Box 6446 long island city, new york, 11106, usa phone: We also have installation guides, diagrams and manuals. K2015s paint sprayer pdf manual download. Or fastest delivery wed, jul 24.
from www.icollector.com
View and download krebs k2015s owner's manual online. Suction tube extension for krebs lm25 and lm45 food spray guns. Here are the diagrams and repair parts for official krebs 45 airless paint sprayer, as well as links to manuals and error code tables, if available. The 60 watt multispray+ (ms+) is the perfect food safe handheld gun for spraying most low to medium viscosity liquids including, oil, egg. Free delivery wed, jul 31. We also have installation guides, diagrams and manuals. Box 6446 long island city, new york, 11106, usa phone: Or fastest delivery wed, jul 24. K2015s paint sprayer pdf manual download.
Krebs paint sprayer
Krebs Paint Sprayer Parts K2015s paint sprayer pdf manual download. Box 6446 long island city, new york, 11106, usa phone: Here are the diagrams and repair parts for official krebs 45 airless paint sprayer, as well as links to manuals and error code tables, if available. View and download krebs k2015s owner's manual online. We also have installation guides, diagrams and manuals. Or fastest delivery wed, jul 24. The 60 watt multispray+ (ms+) is the perfect food safe handheld gun for spraying most low to medium viscosity liquids including, oil, egg. Suction tube extension for krebs lm25 and lm45 food spray guns. K2015s paint sprayer pdf manual download. Free delivery wed, jul 31.
From www.propertyroom.com
Krebs 30 Electric Airless Paint Sprayer Property Room Krebs Paint Sprayer Parts View and download krebs k2015s owner's manual online. Suction tube extension for krebs lm25 and lm45 food spray guns. K2015s paint sprayer pdf manual download. Here are the diagrams and repair parts for official krebs 45 airless paint sprayer, as well as links to manuals and error code tables, if available. Box 6446 long island city, new york, 11106, usa. Krebs Paint Sprayer Parts.
From www.manualslib.com
KREBS K25T OPERATING INSTRUCTIONS MANUAL Pdf Download ManualsLib Krebs Paint Sprayer Parts Or fastest delivery wed, jul 24. View and download krebs k2015s owner's manual online. Here are the diagrams and repair parts for official krebs 45 airless paint sprayer, as well as links to manuals and error code tables, if available. Suction tube extension for krebs lm25 and lm45 food spray guns. We also have installation guides, diagrams and manuals. K2015s. Krebs Paint Sprayer Parts.
From www.k-bid.com
KREBS Spray kit 300 with 35T Electric Airless Paint Sprayer Bygland Krebs Paint Sprayer Parts Box 6446 long island city, new york, 11106, usa phone: Or fastest delivery wed, jul 24. We also have installation guides, diagrams and manuals. Here are the diagrams and repair parts for official krebs 45 airless paint sprayer, as well as links to manuals and error code tables, if available. Free delivery wed, jul 31. Suction tube extension for krebs. Krebs Paint Sprayer Parts.
From www.bigiron.com
Krebs Electric Paint Sprayer & Toolbox BigIron Auctions Krebs Paint Sprayer Parts Here are the diagrams and repair parts for official krebs 45 airless paint sprayer, as well as links to manuals and error code tables, if available. Free delivery wed, jul 31. Or fastest delivery wed, jul 24. Box 6446 long island city, new york, 11106, usa phone: View and download krebs k2015s owner's manual online. Suction tube extension for krebs. Krebs Paint Sprayer Parts.
From www.k-bid.com
KREBS Spray kit 300 with 35T Electric Airless Paint Sprayer Bygland Krebs Paint Sprayer Parts The 60 watt multispray+ (ms+) is the perfect food safe handheld gun for spraying most low to medium viscosity liquids including, oil, egg. Suction tube extension for krebs lm25 and lm45 food spray guns. View and download krebs k2015s owner's manual online. Or fastest delivery wed, jul 24. Free delivery wed, jul 31. We also have installation guides, diagrams and. Krebs Paint Sprayer Parts.
From offerup.com
Krebs 35 T airless paint sprayer and partial kit for Sale in Akron, OH Krebs Paint Sprayer Parts We also have installation guides, diagrams and manuals. Free delivery wed, jul 31. Box 6446 long island city, new york, 11106, usa phone: K2015s paint sprayer pdf manual download. View and download krebs k2015s owner's manual online. The 60 watt multispray+ (ms+) is the perfect food safe handheld gun for spraying most low to medium viscosity liquids including, oil, egg.. Krebs Paint Sprayer Parts.
From www.icollector.com
KREBS ELECTRIC PAINT SPRAYER Krebs Paint Sprayer Parts K2015s paint sprayer pdf manual download. We also have installation guides, diagrams and manuals. View and download krebs k2015s owner's manual online. The 60 watt multispray+ (ms+) is the perfect food safe handheld gun for spraying most low to medium viscosity liquids including, oil, egg. Box 6446 long island city, new york, 11106, usa phone: Here are the diagrams and. Krebs Paint Sprayer Parts.
From parts.sears.com
301 Moved Permanently Krebs Paint Sprayer Parts Box 6446 long island city, new york, 11106, usa phone: Free delivery wed, jul 31. Here are the diagrams and repair parts for official krebs 45 airless paint sprayer, as well as links to manuals and error code tables, if available. The 60 watt multispray+ (ms+) is the perfect food safe handheld gun for spraying most low to medium viscosity. Krebs Paint Sprayer Parts.
From www.paintsprayer.biz
Kit Gun Open Box Krebs 412 Industrial Airless Paint Sprayer Krebs Paint Sprayer Parts Box 6446 long island city, new york, 11106, usa phone: The 60 watt multispray+ (ms+) is the perfect food safe handheld gun for spraying most low to medium viscosity liquids including, oil, egg. Here are the diagrams and repair parts for official krebs 45 airless paint sprayer, as well as links to manuals and error code tables, if available. Or. Krebs Paint Sprayer Parts.
From www.krebs-tools.com
MPSG550/800VPaint SprayerKrebs Trading Co., Ltd. Krebs Paint Sprayer Parts K2015s paint sprayer pdf manual download. We also have installation guides, diagrams and manuals. View and download krebs k2015s owner's manual online. Suction tube extension for krebs lm25 and lm45 food spray guns. Here are the diagrams and repair parts for official krebs 45 airless paint sprayer, as well as links to manuals and error code tables, if available. Box. Krebs Paint Sprayer Parts.
From parts.sears.com
KREBS AIRLESS PAINT SPRAYER Parts Model 35T40T Sears PartsDirect Krebs Paint Sprayer Parts K2015s paint sprayer pdf manual download. The 60 watt multispray+ (ms+) is the perfect food safe handheld gun for spraying most low to medium viscosity liquids including, oil, egg. Suction tube extension for krebs lm25 and lm45 food spray guns. Here are the diagrams and repair parts for official krebs 45 airless paint sprayer, as well as links to manuals. Krebs Paint Sprayer Parts.
From www.liveauctionworld.com
KREBS 320 ELECTRIC PAINT SPRAYER TESTED AND WORKING Krebs Paint Sprayer Parts Free delivery wed, jul 31. We also have installation guides, diagrams and manuals. The 60 watt multispray+ (ms+) is the perfect food safe handheld gun for spraying most low to medium viscosity liquids including, oil, egg. Box 6446 long island city, new york, 11106, usa phone: View and download krebs k2015s owner's manual online. Here are the diagrams and repair. Krebs Paint Sprayer Parts.
From www.k-bid.com
KREBS Spray kit 300 with 35T Electric Airless Paint Sprayer Bygland Krebs Paint Sprayer Parts Here are the diagrams and repair parts for official krebs 45 airless paint sprayer, as well as links to manuals and error code tables, if available. Free delivery wed, jul 31. We also have installation guides, diagrams and manuals. View and download krebs k2015s owner's manual online. Box 6446 long island city, new york, 11106, usa phone: Or fastest delivery. Krebs Paint Sprayer Parts.
From www.bigiron.com
Krebs Electric Paint Sprayer & Toolbox BigIron Auctions Krebs Paint Sprayer Parts Box 6446 long island city, new york, 11106, usa phone: Suction tube extension for krebs lm25 and lm45 food spray guns. We also have installation guides, diagrams and manuals. Here are the diagrams and repair parts for official krebs 45 airless paint sprayer, as well as links to manuals and error code tables, if available. Or fastest delivery wed, jul. Krebs Paint Sprayer Parts.
From offerup.com
Krebs 35 T airless paint sprayer and partial kit for Sale in Akron, OH Krebs Paint Sprayer Parts We also have installation guides, diagrams and manuals. View and download krebs k2015s owner's manual online. K2015s paint sprayer pdf manual download. Free delivery wed, jul 31. Or fastest delivery wed, jul 24. Here are the diagrams and repair parts for official krebs 45 airless paint sprayer, as well as links to manuals and error code tables, if available. Suction. Krebs Paint Sprayer Parts.
From www.manualslib.com
KREBS LM25 (K25TL) OPERATING INSTRUCTIONS MANUAL Pdf Download ManualsLib Krebs Paint Sprayer Parts Or fastest delivery wed, jul 24. We also have installation guides, diagrams and manuals. K2015s paint sprayer pdf manual download. Free delivery wed, jul 31. View and download krebs k2015s owner's manual online. Here are the diagrams and repair parts for official krebs 45 airless paint sprayer, as well as links to manuals and error code tables, if available. Suction. Krebs Paint Sprayer Parts.
From www.liveauctionworld.com
KREBS 320 ELECTRIC PAINT SPRAYER TESTED AND WORKING Krebs Paint Sprayer Parts Free delivery wed, jul 31. K2015s paint sprayer pdf manual download. We also have installation guides, diagrams and manuals. Here are the diagrams and repair parts for official krebs 45 airless paint sprayer, as well as links to manuals and error code tables, if available. Box 6446 long island city, new york, 11106, usa phone: The 60 watt multispray+ (ms+). Krebs Paint Sprayer Parts.
From parts.sears.com
KREBS AIRLESS PAINT SPRAYER Parts Model 45 Sears PartsDirect Krebs Paint Sprayer Parts View and download krebs k2015s owner's manual online. Free delivery wed, jul 31. The 60 watt multispray+ (ms+) is the perfect food safe handheld gun for spraying most low to medium viscosity liquids including, oil, egg. Here are the diagrams and repair parts for official krebs 45 airless paint sprayer, as well as links to manuals and error code tables,. Krebs Paint Sprayer Parts.
From auctions.bigvalleyauction.ca
SPRAYIT DIAPHRAGM PAINT SPRAYER AND KREBS PAINT SPRAY SET Big Valley Krebs Paint Sprayer Parts Free delivery wed, jul 31. Suction tube extension for krebs lm25 and lm45 food spray guns. Box 6446 long island city, new york, 11106, usa phone: Here are the diagrams and repair parts for official krebs 45 airless paint sprayer, as well as links to manuals and error code tables, if available. We also have installation guides, diagrams and manuals.. Krebs Paint Sprayer Parts.
From www.k-bid.com
KREBS Spray kit 300 with 35T Electric Airless Paint Sprayer Bygland Krebs Paint Sprayer Parts Suction tube extension for krebs lm25 and lm45 food spray guns. Here are the diagrams and repair parts for official krebs 45 airless paint sprayer, as well as links to manuals and error code tables, if available. We also have installation guides, diagrams and manuals. Free delivery wed, jul 31. View and download krebs k2015s owner's manual online. K2015s paint. Krebs Paint Sprayer Parts.
From www.searspartsdirect.com
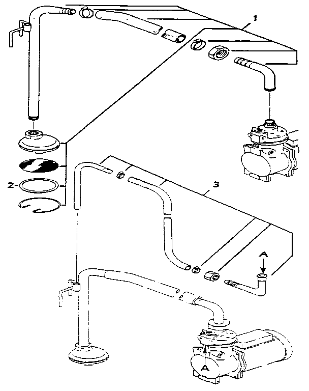
REPLACEMENT PARTS Diagram & Parts List for Model 35T40T KrebsParts Krebs Paint Sprayer Parts The 60 watt multispray+ (ms+) is the perfect food safe handheld gun for spraying most low to medium viscosity liquids including, oil, egg. Here are the diagrams and repair parts for official krebs 45 airless paint sprayer, as well as links to manuals and error code tables, if available. Suction tube extension for krebs lm25 and lm45 food spray guns.. Krebs Paint Sprayer Parts.
From www.manualslib.com
KREBS LM25 (K25TL) OPERATING INSTRUCTIONS MANUAL Pdf Download ManualsLib Krebs Paint Sprayer Parts Here are the diagrams and repair parts for official krebs 45 airless paint sprayer, as well as links to manuals and error code tables, if available. Suction tube extension for krebs lm25 and lm45 food spray guns. Box 6446 long island city, new york, 11106, usa phone: The 60 watt multispray+ (ms+) is the perfect food safe handheld gun for. Krebs Paint Sprayer Parts.
From www.bigiron.com
Krebs Electric Paint Sprayer & Toolbox BigIron Auctions Krebs Paint Sprayer Parts Free delivery wed, jul 31. K2015s paint sprayer pdf manual download. The 60 watt multispray+ (ms+) is the perfect food safe handheld gun for spraying most low to medium viscosity liquids including, oil, egg. We also have installation guides, diagrams and manuals. Suction tube extension for krebs lm25 and lm45 food spray guns. View and download krebs k2015s owner's manual. Krebs Paint Sprayer Parts.
From www.icollector.com
Krebs paint sprayer Krebs Paint Sprayer Parts The 60 watt multispray+ (ms+) is the perfect food safe handheld gun for spraying most low to medium viscosity liquids including, oil, egg. Box 6446 long island city, new york, 11106, usa phone: Free delivery wed, jul 31. Here are the diagrams and repair parts for official krebs 45 airless paint sprayer, as well as links to manuals and error. Krebs Paint Sprayer Parts.
From www.maxpro-tools.com
MPSG550/800VPaint SprayerKrebs Trading Co., Ltd. Krebs Paint Sprayer Parts K2015s paint sprayer pdf manual download. View and download krebs k2015s owner's manual online. We also have installation guides, diagrams and manuals. The 60 watt multispray+ (ms+) is the perfect food safe handheld gun for spraying most low to medium viscosity liquids including, oil, egg. Box 6446 long island city, new york, 11106, usa phone: Free delivery wed, jul 31.. Krebs Paint Sprayer Parts.
From kekiviro.vacau.com
302 Found Krebs Paint Sprayer Parts View and download krebs k2015s owner's manual online. Here are the diagrams and repair parts for official krebs 45 airless paint sprayer, as well as links to manuals and error code tables, if available. We also have installation guides, diagrams and manuals. Box 6446 long island city, new york, 11106, usa phone: Free delivery wed, jul 31. Or fastest delivery. Krebs Paint Sprayer Parts.
From www.liveauctioneers.com
Wagner Power Roller Krebs Paint Sprayer Auction Krebs Paint Sprayer Parts Suction tube extension for krebs lm25 and lm45 food spray guns. We also have installation guides, diagrams and manuals. View and download krebs k2015s owner's manual online. Or fastest delivery wed, jul 24. Box 6446 long island city, new york, 11106, usa phone: Here are the diagrams and repair parts for official krebs 45 airless paint sprayer, as well as. Krebs Paint Sprayer Parts.
From www.krebs-tools.com
Paint SprayerKrebs Trading Co., Ltd. Krebs Paint Sprayer Parts We also have installation guides, diagrams and manuals. Here are the diagrams and repair parts for official krebs 45 airless paint sprayer, as well as links to manuals and error code tables, if available. Box 6446 long island city, new york, 11106, usa phone: View and download krebs k2015s owner's manual online. Free delivery wed, jul 31. Or fastest delivery. Krebs Paint Sprayer Parts.
From offerup.com
Krebs 35t Paint Sprayer for Sale in Olympia, WA OfferUp Krebs Paint Sprayer Parts Here are the diagrams and repair parts for official krebs 45 airless paint sprayer, as well as links to manuals and error code tables, if available. We also have installation guides, diagrams and manuals. View and download krebs k2015s owner's manual online. Suction tube extension for krebs lm25 and lm45 food spray guns. Box 6446 long island city, new york,. Krebs Paint Sprayer Parts.
From www.krebs-tools.com
MPSG550/800VPaint SprayerKrebs Trading Co., Ltd. Krebs Paint Sprayer Parts Here are the diagrams and repair parts for official krebs 45 airless paint sprayer, as well as links to manuals and error code tables, if available. Free delivery wed, jul 31. We also have installation guides, diagrams and manuals. Box 6446 long island city, new york, 11106, usa phone: K2015s paint sprayer pdf manual download. View and download krebs k2015s. Krebs Paint Sprayer Parts.
From www.propertyroom.com
Krebs 30 Electric Airless Paint Sprayer Property Room Krebs Paint Sprayer Parts View and download krebs k2015s owner's manual online. Here are the diagrams and repair parts for official krebs 45 airless paint sprayer, as well as links to manuals and error code tables, if available. Suction tube extension for krebs lm25 and lm45 food spray guns. Free delivery wed, jul 31. K2015s paint sprayer pdf manual download. The 60 watt multispray+. Krebs Paint Sprayer Parts.
From www.liveauctionworld.com
SPRAYIT DIAPHRAGM PAINT SPRAYER AND KREBS PAINT SPRAY SET Krebs Paint Sprayer Parts Or fastest delivery wed, jul 24. Here are the diagrams and repair parts for official krebs 45 airless paint sprayer, as well as links to manuals and error code tables, if available. Suction tube extension for krebs lm25 and lm45 food spray guns. Box 6446 long island city, new york, 11106, usa phone: Free delivery wed, jul 31. K2015s paint. Krebs Paint Sprayer Parts.
From www.liveauctionworld.com
KREBS 320 ELECTRIC PAINT SPRAYER TESTED AND WORKING Krebs Paint Sprayer Parts The 60 watt multispray+ (ms+) is the perfect food safe handheld gun for spraying most low to medium viscosity liquids including, oil, egg. Here are the diagrams and repair parts for official krebs 45 airless paint sprayer, as well as links to manuals and error code tables, if available. K2015s paint sprayer pdf manual download. Or fastest delivery wed, jul. Krebs Paint Sprayer Parts.
From kekiviro.vacau.com
302 Found Krebs Paint Sprayer Parts Suction tube extension for krebs lm25 and lm45 food spray guns. K2015s paint sprayer pdf manual download. The 60 watt multispray+ (ms+) is the perfect food safe handheld gun for spraying most low to medium viscosity liquids including, oil, egg. We also have installation guides, diagrams and manuals. Free delivery wed, jul 31. Box 6446 long island city, new york,. Krebs Paint Sprayer Parts.
From www.liveauctionworld.com
KREBS 320 ELECTRIC PAINT SPRAYER TESTED AND WORKING Krebs Paint Sprayer Parts We also have installation guides, diagrams and manuals. Or fastest delivery wed, jul 24. Suction tube extension for krebs lm25 and lm45 food spray guns. K2015s paint sprayer pdf manual download. The 60 watt multispray+ (ms+) is the perfect food safe handheld gun for spraying most low to medium viscosity liquids including, oil, egg. Free delivery wed, jul 31. View. Krebs Paint Sprayer Parts.