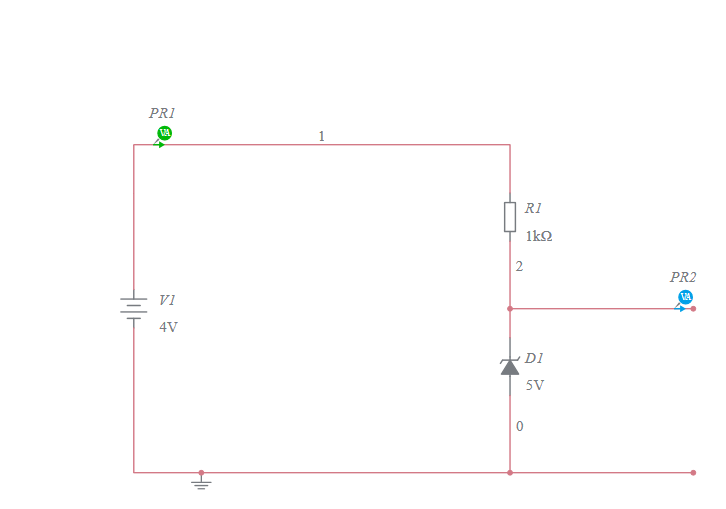
Zener Diode As A Voltage Regulator Circuit Diagram . The value of the series resistor is written as r s = (v l − v z)i l. A zener diode voltage regulator is an electrical circuit that maintains a constant dc output voltage using a zener diode. Voltage regulation with zener diodes: In current circuit designs, the zener diode voltage regulator is used in countless applications, from controlling microprocessor power supply circuits to regulating output. Zener diodes are used as voltage regulators by maintaining a steady voltage across a load, even if input voltage fluctuates. Current through the diode increases when the voltage across the diode tends to increase which results in the voltage drop across the resistor. In a circuit, a zener diode is connected in reverse bias parallel to the load, ensuring the voltage across the load does not exceed the. To achieve better regulation and provide for greater variations in load current, the zener diode is combined as a key element with. The circuit diagram of a voltage regulator using a zener diode is shown: A perfect regulator would produce a constant voltage regardless of input fluctuations or load current variations. A zener diode is a special type of diode that acts as a voltage regulator by allowing a current to flow in only one direction and.
from www.eleccircuit.com
A zener diode voltage regulator is an electrical circuit that maintains a constant dc output voltage using a zener diode. To achieve better regulation and provide for greater variations in load current, the zener diode is combined as a key element with. The value of the series resistor is written as r s = (v l − v z)i l. In a circuit, a zener diode is connected in reverse bias parallel to the load, ensuring the voltage across the load does not exceed the. The circuit diagram of a voltage regulator using a zener diode is shown: Current through the diode increases when the voltage across the diode tends to increase which results in the voltage drop across the resistor. A perfect regulator would produce a constant voltage regardless of input fluctuations or load current variations. Zener diodes are used as voltage regulators by maintaining a steady voltage across a load, even if input voltage fluctuates. In current circuit designs, the zener diode voltage regulator is used in countless applications, from controlling microprocessor power supply circuits to regulating output. Voltage regulation with zener diodes:
What is Zener diode? Its principle working and example usage
Zener Diode As A Voltage Regulator Circuit Diagram A zener diode is a special type of diode that acts as a voltage regulator by allowing a current to flow in only one direction and. The circuit diagram of a voltage regulator using a zener diode is shown: In current circuit designs, the zener diode voltage regulator is used in countless applications, from controlling microprocessor power supply circuits to regulating output. Voltage regulation with zener diodes: A zener diode is a special type of diode that acts as a voltage regulator by allowing a current to flow in only one direction and. Current through the diode increases when the voltage across the diode tends to increase which results in the voltage drop across the resistor. A perfect regulator would produce a constant voltage regardless of input fluctuations or load current variations. To achieve better regulation and provide for greater variations in load current, the zener diode is combined as a key element with. Zener diodes are used as voltage regulators by maintaining a steady voltage across a load, even if input voltage fluctuates. A zener diode voltage regulator is an electrical circuit that maintains a constant dc output voltage using a zener diode. In a circuit, a zener diode is connected in reverse bias parallel to the load, ensuring the voltage across the load does not exceed the. The value of the series resistor is written as r s = (v l − v z)i l.
From www.circuitdiagram.co
Voltage Regulator Circuit With Zener Diode Circuit Diagram Zener Diode As A Voltage Regulator Circuit Diagram The circuit diagram of a voltage regulator using a zener diode is shown: To achieve better regulation and provide for greater variations in load current, the zener diode is combined as a key element with. Voltage regulation with zener diodes: In current circuit designs, the zener diode voltage regulator is used in countless applications, from controlling microprocessor power supply circuits. Zener Diode As A Voltage Regulator Circuit Diagram.
From electrosome.com
Zener Diode Voltage Regulator Zener Diode As A Voltage Regulator Circuit Diagram A perfect regulator would produce a constant voltage regardless of input fluctuations or load current variations. The value of the series resistor is written as r s = (v l − v z)i l. To achieve better regulation and provide for greater variations in load current, the zener diode is combined as a key element with. Current through the diode. Zener Diode As A Voltage Regulator Circuit Diagram.
From www.eleccircuit.com
What is Zener diode? Its principle working and example usage Zener Diode As A Voltage Regulator Circuit Diagram The circuit diagram of a voltage regulator using a zener diode is shown: In current circuit designs, the zener diode voltage regulator is used in countless applications, from controlling microprocessor power supply circuits to regulating output. Current through the diode increases when the voltage across the diode tends to increase which results in the voltage drop across the resistor. Zener. Zener Diode As A Voltage Regulator Circuit Diagram.
From tecnoelite.co
Que es un Diodo zener ?, importancia y aplicaciones Zener Diode As A Voltage Regulator Circuit Diagram The circuit diagram of a voltage regulator using a zener diode is shown: A zener diode voltage regulator is an electrical circuit that maintains a constant dc output voltage using a zener diode. To achieve better regulation and provide for greater variations in load current, the zener diode is combined as a key element with. In a circuit, a zener. Zener Diode As A Voltage Regulator Circuit Diagram.
From www.youtube.com
how to use zener diode in proteus how to use zener diode as a voltage Zener Diode As A Voltage Regulator Circuit Diagram A perfect regulator would produce a constant voltage regardless of input fluctuations or load current variations. The circuit diagram of a voltage regulator using a zener diode is shown: Current through the diode increases when the voltage across the diode tends to increase which results in the voltage drop across the resistor. In current circuit designs, the zener diode voltage. Zener Diode As A Voltage Regulator Circuit Diagram.
From www.circuitdiagram.co
zener diode as a voltage regulator circuit diagram Circuit Diagram Zener Diode As A Voltage Regulator Circuit Diagram The value of the series resistor is written as r s = (v l − v z)i l. In current circuit designs, the zener diode voltage regulator is used in countless applications, from controlling microprocessor power supply circuits to regulating output. A zener diode is a special type of diode that acts as a voltage regulator by allowing a current. Zener Diode As A Voltage Regulator Circuit Diagram.
From www.theorycircuit.com
Zener Diode Voltage Regulator Circuit Zener Diode As A Voltage Regulator Circuit Diagram Zener diodes are used as voltage regulators by maintaining a steady voltage across a load, even if input voltage fluctuates. Voltage regulation with zener diodes: The value of the series resistor is written as r s = (v l − v z)i l. Current through the diode increases when the voltage across the diode tends to increase which results in. Zener Diode As A Voltage Regulator Circuit Diagram.
From www.yourelectricalguide.com
Zener Diode as Voltage Regulator your electrical guide Zener Diode As A Voltage Regulator Circuit Diagram In a circuit, a zener diode is connected in reverse bias parallel to the load, ensuring the voltage across the load does not exceed the. Current through the diode increases when the voltage across the diode tends to increase which results in the voltage drop across the resistor. Zener diodes are used as voltage regulators by maintaining a steady voltage. Zener Diode As A Voltage Regulator Circuit Diagram.
From www.circuits-diy.com
Zener Diode Voltage Regulator Circuit Zener Diode As A Voltage Regulator Circuit Diagram In a circuit, a zener diode is connected in reverse bias parallel to the load, ensuring the voltage across the load does not exceed the. In current circuit designs, the zener diode voltage regulator is used in countless applications, from controlling microprocessor power supply circuits to regulating output. The value of the series resistor is written as r s =. Zener Diode As A Voltage Regulator Circuit Diagram.
From www.circuitdiagram.co
Zener Diode Reverse Bias Circuit Diagram Circuit Diagram Zener Diode As A Voltage Regulator Circuit Diagram The value of the series resistor is written as r s = (v l − v z)i l. In a circuit, a zener diode is connected in reverse bias parallel to the load, ensuring the voltage across the load does not exceed the. A zener diode voltage regulator is an electrical circuit that maintains a constant dc output voltage using. Zener Diode As A Voltage Regulator Circuit Diagram.
From www.youtube.com
Zener Diode as a Voltage Regulator, (Line and Load Regulator) YouTube Zener Diode As A Voltage Regulator Circuit Diagram A perfect regulator would produce a constant voltage regardless of input fluctuations or load current variations. Current through the diode increases when the voltage across the diode tends to increase which results in the voltage drop across the resistor. In current circuit designs, the zener diode voltage regulator is used in countless applications, from controlling microprocessor power supply circuits to. Zener Diode As A Voltage Regulator Circuit Diagram.
From theorycircuit.com
Zener Diode Voltage Regulator Circuit Zener Diode As A Voltage Regulator Circuit Diagram A perfect regulator would produce a constant voltage regardless of input fluctuations or load current variations. To achieve better regulation and provide for greater variations in load current, the zener diode is combined as a key element with. Current through the diode increases when the voltage across the diode tends to increase which results in the voltage drop across the. Zener Diode As A Voltage Regulator Circuit Diagram.
From www.youtube.com
What is Zener Diode ? Zener Diode as a Voltage Regulator Explained Zener Diode As A Voltage Regulator Circuit Diagram A perfect regulator would produce a constant voltage regardless of input fluctuations or load current variations. Zener diodes are used as voltage regulators by maintaining a steady voltage across a load, even if input voltage fluctuates. Voltage regulation with zener diodes: In current circuit designs, the zener diode voltage regulator is used in countless applications, from controlling microprocessor power supply. Zener Diode As A Voltage Regulator Circuit Diagram.
From collegedunia.com
Zener Diode as Voltage Regulator Working & Formula Zener Diode As A Voltage Regulator Circuit Diagram The value of the series resistor is written as r s = (v l − v z)i l. A perfect regulator would produce a constant voltage regardless of input fluctuations or load current variations. Zener diodes are used as voltage regulators by maintaining a steady voltage across a load, even if input voltage fluctuates. Voltage regulation with zener diodes: The. Zener Diode As A Voltage Regulator Circuit Diagram.
From www.electricalmaker.com
Zener Diode as a Voltage regulator With Complete Explanation Zener Diode As A Voltage Regulator Circuit Diagram A zener diode is a special type of diode that acts as a voltage regulator by allowing a current to flow in only one direction and. A zener diode voltage regulator is an electrical circuit that maintains a constant dc output voltage using a zener diode. To achieve better regulation and provide for greater variations in load current, the zener. Zener Diode As A Voltage Regulator Circuit Diagram.
From sciencendtech.in
Mechanism and use of Zener diode, LED and photodiode sciencendtech Zener Diode As A Voltage Regulator Circuit Diagram To achieve better regulation and provide for greater variations in load current, the zener diode is combined as a key element with. A zener diode is a special type of diode that acts as a voltage regulator by allowing a current to flow in only one direction and. Current through the diode increases when the voltage across the diode tends. Zener Diode As A Voltage Regulator Circuit Diagram.
From electronics.stackexchange.com
circuit analysis Series voltage regulator with Zener diode and BJT Zener Diode As A Voltage Regulator Circuit Diagram To achieve better regulation and provide for greater variations in load current, the zener diode is combined as a key element with. Zener diodes are used as voltage regulators by maintaining a steady voltage across a load, even if input voltage fluctuates. Current through the diode increases when the voltage across the diode tends to increase which results in the. Zener Diode As A Voltage Regulator Circuit Diagram.
From www.circuitbread.com
Zener Diode as Voltage Regulator Conceptual Overview CircuitBread Zener Diode As A Voltage Regulator Circuit Diagram In a circuit, a zener diode is connected in reverse bias parallel to the load, ensuring the voltage across the load does not exceed the. A perfect regulator would produce a constant voltage regardless of input fluctuations or load current variations. A zener diode voltage regulator is an electrical circuit that maintains a constant dc output voltage using a zener. Zener Diode As A Voltage Regulator Circuit Diagram.
From www.electricity-magnetism.org
Zener Diode Voltage Regulator How it works, Application & Advantages Zener Diode As A Voltage Regulator Circuit Diagram The circuit diagram of a voltage regulator using a zener diode is shown: In a circuit, a zener diode is connected in reverse bias parallel to the load, ensuring the voltage across the load does not exceed the. Current through the diode increases when the voltage across the diode tends to increase which results in the voltage drop across the. Zener Diode As A Voltage Regulator Circuit Diagram.
From physicswave.com
How to use zener diode as voltage regulator I Why zener diode as Zener Diode As A Voltage Regulator Circuit Diagram A perfect regulator would produce a constant voltage regardless of input fluctuations or load current variations. The circuit diagram of a voltage regulator using a zener diode is shown: To achieve better regulation and provide for greater variations in load current, the zener diode is combined as a key element with. A zener diode voltage regulator is an electrical circuit. Zener Diode As A Voltage Regulator Circuit Diagram.
From www.hackatronic.com
Zener diode as voltage regulator, working & applications » Hackatronic Zener Diode As A Voltage Regulator Circuit Diagram The circuit diagram of a voltage regulator using a zener diode is shown: In current circuit designs, the zener diode voltage regulator is used in countless applications, from controlling microprocessor power supply circuits to regulating output. In a circuit, a zener diode is connected in reverse bias parallel to the load, ensuring the voltage across the load does not exceed. Zener Diode As A Voltage Regulator Circuit Diagram.
From electricala2z.com
Zener Diode as Voltage Regulator Theory Circuit Diagram Zener Diode As A Voltage Regulator Circuit Diagram Zener diodes are used as voltage regulators by maintaining a steady voltage across a load, even if input voltage fluctuates. Current through the diode increases when the voltage across the diode tends to increase which results in the voltage drop across the resistor. To achieve better regulation and provide for greater variations in load current, the zener diode is combined. Zener Diode As A Voltage Regulator Circuit Diagram.
From www.info4eee.com
Zener Diode as Voltage regulator INFO4EEE Zener Diode As A Voltage Regulator Circuit Diagram Current through the diode increases when the voltage across the diode tends to increase which results in the voltage drop across the resistor. A zener diode is a special type of diode that acts as a voltage regulator by allowing a current to flow in only one direction and. In current circuit designs, the zener diode voltage regulator is used. Zener Diode As A Voltage Regulator Circuit Diagram.
From www.youtube.com
Zener as a voltage regulator YouTube Zener Diode As A Voltage Regulator Circuit Diagram Current through the diode increases when the voltage across the diode tends to increase which results in the voltage drop across the resistor. Zener diodes are used as voltage regulators by maintaining a steady voltage across a load, even if input voltage fluctuates. A zener diode is a special type of diode that acts as a voltage regulator by allowing. Zener Diode As A Voltage Regulator Circuit Diagram.
From www.youtube.com
Power Zener Diodes as Voltage Regulators Circuit Analysis Zener Diode As A Voltage Regulator Circuit Diagram A perfect regulator would produce a constant voltage regardless of input fluctuations or load current variations. The circuit diagram of a voltage regulator using a zener diode is shown: A zener diode is a special type of diode that acts as a voltage regulator by allowing a current to flow in only one direction and. In current circuit designs, the. Zener Diode As A Voltage Regulator Circuit Diagram.
From byjus.com
Zener Diode as a Voltage Regulator Working Principles Zener Diode As A Voltage Regulator Circuit Diagram Current through the diode increases when the voltage across the diode tends to increase which results in the voltage drop across the resistor. In current circuit designs, the zener diode voltage regulator is used in countless applications, from controlling microprocessor power supply circuits to regulating output. To achieve better regulation and provide for greater variations in load current, the zener. Zener Diode As A Voltage Regulator Circuit Diagram.
From www.eleccircuit.com
What is Zener diode? Its principle working and example usage Zener Diode As A Voltage Regulator Circuit Diagram In current circuit designs, the zener diode voltage regulator is used in countless applications, from controlling microprocessor power supply circuits to regulating output. Zener diodes are used as voltage regulators by maintaining a steady voltage across a load, even if input voltage fluctuates. A zener diode voltage regulator is an electrical circuit that maintains a constant dc output voltage using. Zener Diode As A Voltage Regulator Circuit Diagram.
From www.eleccircuit.com
What is Zener diode? Its principle working and example usage Zener Diode As A Voltage Regulator Circuit Diagram To achieve better regulation and provide for greater variations in load current, the zener diode is combined as a key element with. In current circuit designs, the zener diode voltage regulator is used in countless applications, from controlling microprocessor power supply circuits to regulating output. A zener diode voltage regulator is an electrical circuit that maintains a constant dc output. Zener Diode As A Voltage Regulator Circuit Diagram.
From www.mphysicstutorial.com
Zener Diode as a Voltage Regulator, Operation, Limitations MPhysics Zener Diode As A Voltage Regulator Circuit Diagram To achieve better regulation and provide for greater variations in load current, the zener diode is combined as a key element with. The circuit diagram of a voltage regulator using a zener diode is shown: A zener diode voltage regulator is an electrical circuit that maintains a constant dc output voltage using a zener diode. A zener diode is a. Zener Diode As A Voltage Regulator Circuit Diagram.
From www.youtube.com
zener diode as voltage regulator YouTube Zener Diode As A Voltage Regulator Circuit Diagram A zener diode is a special type of diode that acts as a voltage regulator by allowing a current to flow in only one direction and. To achieve better regulation and provide for greater variations in load current, the zener diode is combined as a key element with. The value of the series resistor is written as r s =. Zener Diode As A Voltage Regulator Circuit Diagram.
From wiraelectrical.com
Zener Diode Voltage Regulator Explanation and How to Build Wira Zener Diode As A Voltage Regulator Circuit Diagram Current through the diode increases when the voltage across the diode tends to increase which results in the voltage drop across the resistor. In current circuit designs, the zener diode voltage regulator is used in countless applications, from controlling microprocessor power supply circuits to regulating output. A zener diode is a special type of diode that acts as a voltage. Zener Diode As A Voltage Regulator Circuit Diagram.
From www.youtube.com
How To Make a Voltage Regulator Circuit Using Zener Diodes Zener Diode As A Voltage Regulator Circuit Diagram A zener diode voltage regulator is an electrical circuit that maintains a constant dc output voltage using a zener diode. In a circuit, a zener diode is connected in reverse bias parallel to the load, ensuring the voltage across the load does not exceed the. Voltage regulation with zener diodes: Current through the diode increases when the voltage across the. Zener Diode As A Voltage Regulator Circuit Diagram.
From aboutwhatever-a.blogspot.com
Voltage Regulator Zener Diode Op Amp Zener Diode As A Voltage Regulator Circuit Diagram A zener diode is a special type of diode that acts as a voltage regulator by allowing a current to flow in only one direction and. The circuit diagram of a voltage regulator using a zener diode is shown: Current through the diode increases when the voltage across the diode tends to increase which results in the voltage drop across. Zener Diode As A Voltage Regulator Circuit Diagram.
From electronicsphysics.com
Applications of Zener diode as voltage regulator EdumirPhysics Zener Diode As A Voltage Regulator Circuit Diagram Current through the diode increases when the voltage across the diode tends to increase which results in the voltage drop across the resistor. Zener diodes are used as voltage regulators by maintaining a steady voltage across a load, even if input voltage fluctuates. A zener diode is a special type of diode that acts as a voltage regulator by allowing. Zener Diode As A Voltage Regulator Circuit Diagram.
From www.vedantu.com
Draw the circuit diagram of the voltage regulator using the Zener diode. Zener Diode As A Voltage Regulator Circuit Diagram Current through the diode increases when the voltage across the diode tends to increase which results in the voltage drop across the resistor. To achieve better regulation and provide for greater variations in load current, the zener diode is combined as a key element with. A zener diode voltage regulator is an electrical circuit that maintains a constant dc output. Zener Diode As A Voltage Regulator Circuit Diagram.