How To Replace Heater Core 2007 Dodge Grand Caravan . 1 turn the steering wheel so that the wheels point straight forward. The threads on this forum for replacing the front heater core make it seem easy but i am having nothing but problems. Your heater’s failure to generate hot air and leaking coolant are the biggest signs that you need to replace the heater core. They were not 8mm screws on the cover. Drain the engine cooling system. Replacing my #heatercore because i smell coolant in my car when i’m running my heat #mechanic shop will charge you 1000+ to replace. If your dodge caravan has a leaking heater core, it is not a breakdown risk. 2 disconnect the negative (black) battery cable. Although, it is necessary to make sure that the lost coolant is.
from klawyntdf.blob.core.windows.net
2 disconnect the negative (black) battery cable. The threads on this forum for replacing the front heater core make it seem easy but i am having nothing but problems. Drain the engine cooling system. If your dodge caravan has a leaking heater core, it is not a breakdown risk. 1 turn the steering wheel so that the wheels point straight forward. They were not 8mm screws on the cover. Replacing my #heatercore because i smell coolant in my car when i’m running my heat #mechanic shop will charge you 1000+ to replace. Although, it is necessary to make sure that the lost coolant is. Your heater’s failure to generate hot air and leaking coolant are the biggest signs that you need to replace the heater core.
How To Change A Heater Core In A 1994 Ford F150 at Donna blog
How To Replace Heater Core 2007 Dodge Grand Caravan Although, it is necessary to make sure that the lost coolant is. Although, it is necessary to make sure that the lost coolant is. The threads on this forum for replacing the front heater core make it seem easy but i am having nothing but problems. Drain the engine cooling system. If your dodge caravan has a leaking heater core, it is not a breakdown risk. 1 turn the steering wheel so that the wheels point straight forward. 2 disconnect the negative (black) battery cable. Replacing my #heatercore because i smell coolant in my car when i’m running my heat #mechanic shop will charge you 1000+ to replace. Your heater’s failure to generate hot air and leaking coolant are the biggest signs that you need to replace the heater core. They were not 8mm screws on the cover.
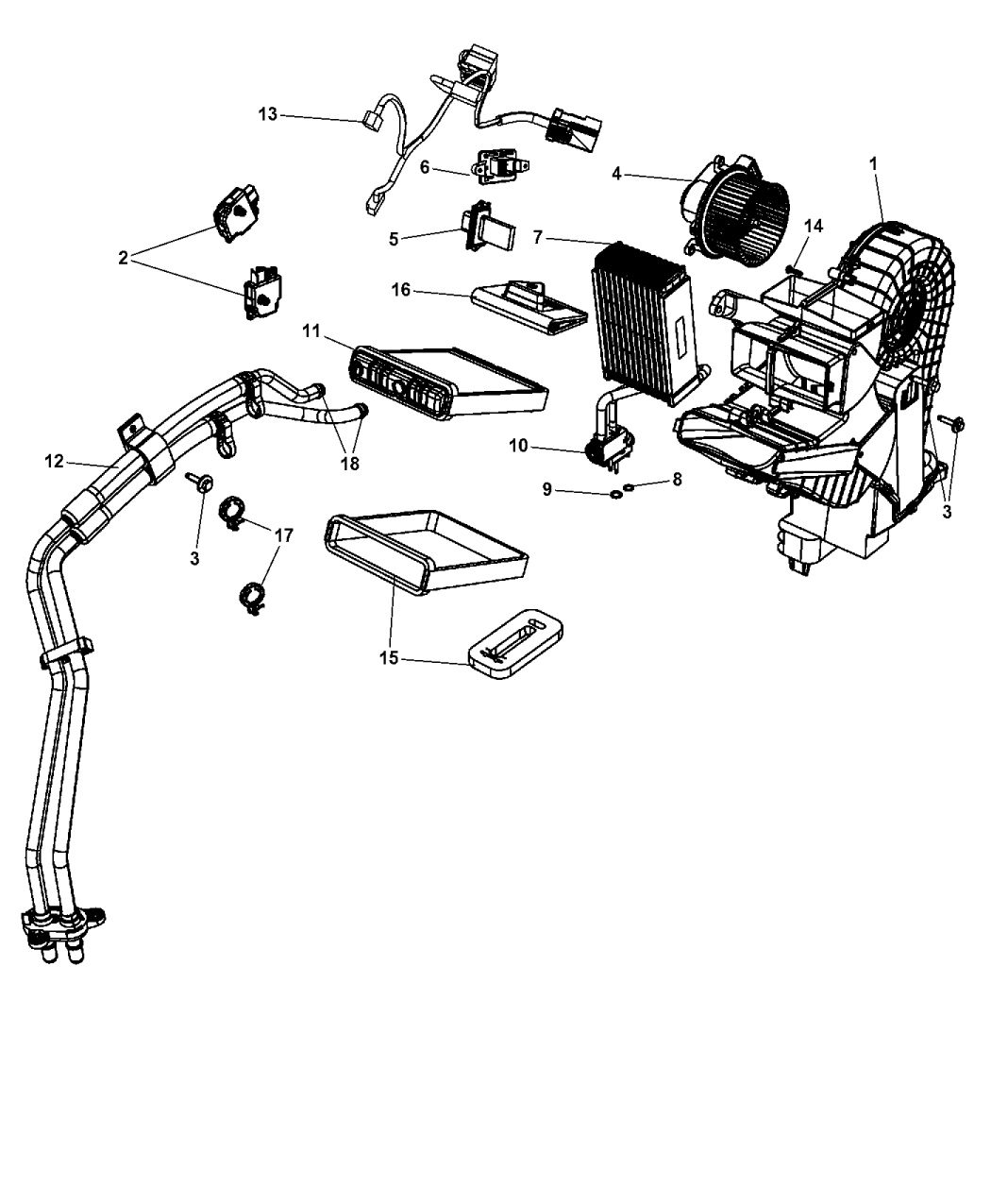
From www.moparpartsgiant.com
2017 Dodge Grand Caravan A/C & Heater Unit Rear How To Replace Heater Core 2007 Dodge Grand Caravan Your heater’s failure to generate hot air and leaking coolant are the biggest signs that you need to replace the heater core. 2 disconnect the negative (black) battery cable. Although, it is necessary to make sure that the lost coolant is. Drain the engine cooling system. They were not 8mm screws on the cover. Replacing my #heatercore because i smell. How To Replace Heater Core 2007 Dodge Grand Caravan.
From repairenginebohm77.z19.web.core.windows.net
2001 Dodge Ram 1500 Heater Core Replacement How To Replace Heater Core 2007 Dodge Grand Caravan Drain the engine cooling system. Replacing my #heatercore because i smell coolant in my car when i’m running my heat #mechanic shop will charge you 1000+ to replace. Although, it is necessary to make sure that the lost coolant is. 2 disconnect the negative (black) battery cable. If your dodge caravan has a leaking heater core, it is not a. How To Replace Heater Core 2007 Dodge Grand Caravan.
From parts.chryslerjeepdodgecityofmckinney.com
Dodge Grand Caravan Core. Heater. Export. [atc w/3 zone temp How To Replace Heater Core 2007 Dodge Grand Caravan 2 disconnect the negative (black) battery cable. If your dodge caravan has a leaking heater core, it is not a breakdown risk. Replacing my #heatercore because i smell coolant in my car when i’m running my heat #mechanic shop will charge you 1000+ to replace. Although, it is necessary to make sure that the lost coolant is. They were not. How To Replace Heater Core 2007 Dodge Grand Caravan.
From garagemarmarosis.z14.web.core.windows.net
2005 Dodge Grand Caravan Air Conditioner Compressor How To Replace Heater Core 2007 Dodge Grand Caravan They were not 8mm screws on the cover. 2 disconnect the negative (black) battery cable. If your dodge caravan has a leaking heater core, it is not a breakdown risk. Replacing my #heatercore because i smell coolant in my car when i’m running my heat #mechanic shop will charge you 1000+ to replace. 1 turn the steering wheel so that. How To Replace Heater Core 2007 Dodge Grand Caravan.
From joiqwsjff.blob.core.windows.net
Dodge Caravan Rear Heater Core Location at Staley blog How To Replace Heater Core 2007 Dodge Grand Caravan Replacing my #heatercore because i smell coolant in my car when i’m running my heat #mechanic shop will charge you 1000+ to replace. 2 disconnect the negative (black) battery cable. If your dodge caravan has a leaking heater core, it is not a breakdown risk. Drain the engine cooling system. The threads on this forum for replacing the front heater. How To Replace Heater Core 2007 Dodge Grand Caravan.
From garagerepairmagian.z21.web.core.windows.net
2010 Dodge Ram 1500 Heater Core How To Replace Heater Core 2007 Dodge Grand Caravan The threads on this forum for replacing the front heater core make it seem easy but i am having nothing but problems. If your dodge caravan has a leaking heater core, it is not a breakdown risk. Drain the engine cooling system. 1 turn the steering wheel so that the wheels point straight forward. Your heater’s failure to generate hot. How To Replace Heater Core 2007 Dodge Grand Caravan.
From repairmachinedunston99.z19.web.core.windows.net
Heater Core Replacement 2003 Dodge Ram How To Replace Heater Core 2007 Dodge Grand Caravan The threads on this forum for replacing the front heater core make it seem easy but i am having nothing but problems. Drain the engine cooling system. They were not 8mm screws on the cover. Replacing my #heatercore because i smell coolant in my car when i’m running my heat #mechanic shop will charge you 1000+ to replace. If your. How To Replace Heater Core 2007 Dodge Grand Caravan.
From manualfixjon.z19.web.core.windows.net
Heater Hose Car Dodge Caravan 2010 How To Replace Heater Core 2007 Dodge Grand Caravan Your heater’s failure to generate hot air and leaking coolant are the biggest signs that you need to replace the heater core. The threads on this forum for replacing the front heater core make it seem easy but i am having nothing but problems. Although, it is necessary to make sure that the lost coolant is. Drain the engine cooling. How To Replace Heater Core 2007 Dodge Grand Caravan.
From www.moparpartsoverstock.com
Dodge Grand Caravan Hose. Heater. Engine to heater core 04677172 How To Replace Heater Core 2007 Dodge Grand Caravan Replacing my #heatercore because i smell coolant in my car when i’m running my heat #mechanic shop will charge you 1000+ to replace. Drain the engine cooling system. The threads on this forum for replacing the front heater core make it seem easy but i am having nothing but problems. They were not 8mm screws on the cover. If your. How To Replace Heater Core 2007 Dodge Grand Caravan.
From klarvnlqk.blob.core.windows.net
How To Replace Heater Core 2003 Dodge Ram 2500 at Lela Moore blog How To Replace Heater Core 2007 Dodge Grand Caravan Your heater’s failure to generate hot air and leaking coolant are the biggest signs that you need to replace the heater core. Drain the engine cooling system. 1 turn the steering wheel so that the wheels point straight forward. Although, it is necessary to make sure that the lost coolant is. If your dodge caravan has a leaking heater core,. How To Replace Heater Core 2007 Dodge Grand Caravan.
From www.moparpartsgiant.com
2010 Dodge Journey A/C & Heater Unit Mopar Parts Giant How To Replace Heater Core 2007 Dodge Grand Caravan If your dodge caravan has a leaking heater core, it is not a breakdown risk. They were not 8mm screws on the cover. 1 turn the steering wheel so that the wheels point straight forward. Although, it is necessary to make sure that the lost coolant is. Your heater’s failure to generate hot air and leaking coolant are the biggest. How To Replace Heater Core 2007 Dodge Grand Caravan.
From www.youtube.com
Dodge Ram Heater Core Replacement. YouTube How To Replace Heater Core 2007 Dodge Grand Caravan If your dodge caravan has a leaking heater core, it is not a breakdown risk. The threads on this forum for replacing the front heater core make it seem easy but i am having nothing but problems. Your heater’s failure to generate hot air and leaking coolant are the biggest signs that you need to replace the heater core. 1. How To Replace Heater Core 2007 Dodge Grand Caravan.
From www.youtube.com
Heater Core Replacement 19992007 GM Truck (GMT800 HVAC) AnthonyJ350 How To Replace Heater Core 2007 Dodge Grand Caravan Your heater’s failure to generate hot air and leaking coolant are the biggest signs that you need to replace the heater core. The threads on this forum for replacing the front heater core make it seem easy but i am having nothing but problems. They were not 8mm screws on the cover. 1 turn the steering wheel so that the. How To Replace Heater Core 2007 Dodge Grand Caravan.
From exoihdgns.blob.core.windows.net
How To Replace Heater Hose Connector at Bradley Clary blog How To Replace Heater Core 2007 Dodge Grand Caravan Replacing my #heatercore because i smell coolant in my car when i’m running my heat #mechanic shop will charge you 1000+ to replace. 2 disconnect the negative (black) battery cable. If your dodge caravan has a leaking heater core, it is not a breakdown risk. 1 turn the steering wheel so that the wheels point straight forward. Drain the engine. How To Replace Heater Core 2007 Dodge Grand Caravan.
From www.chryslerminivan.net
Bypass front and rear heater cores? The Chrysler Minivan Fan Club Forums How To Replace Heater Core 2007 Dodge Grand Caravan Replacing my #heatercore because i smell coolant in my car when i’m running my heat #mechanic shop will charge you 1000+ to replace. Although, it is necessary to make sure that the lost coolant is. Your heater’s failure to generate hot air and leaking coolant are the biggest signs that you need to replace the heater core. 1 turn the. How To Replace Heater Core 2007 Dodge Grand Caravan.
From klawyntdf.blob.core.windows.net
How To Change A Heater Core In A 1994 Ford F150 at Donna blog How To Replace Heater Core 2007 Dodge Grand Caravan Although, it is necessary to make sure that the lost coolant is. They were not 8mm screws on the cover. Drain the engine cooling system. 1 turn the steering wheel so that the wheels point straight forward. If your dodge caravan has a leaking heater core, it is not a breakdown risk. The threads on this forum for replacing the. How To Replace Heater Core 2007 Dodge Grand Caravan.
From www.youtube.com
How to Replace Heater Core Hoses 200816 Chrysler Town & Country YouTube How To Replace Heater Core 2007 Dodge Grand Caravan Replacing my #heatercore because i smell coolant in my car when i’m running my heat #mechanic shop will charge you 1000+ to replace. Drain the engine cooling system. They were not 8mm screws on the cover. 1 turn the steering wheel so that the wheels point straight forward. If your dodge caravan has a leaking heater core, it is not. How To Replace Heater Core 2007 Dodge Grand Caravan.
From www.carid.com
APDI® Dodge Grand Caravan 1993 HVAC Heater Core How To Replace Heater Core 2007 Dodge Grand Caravan 1 turn the steering wheel so that the wheels point straight forward. The threads on this forum for replacing the front heater core make it seem easy but i am having nothing but problems. If your dodge caravan has a leaking heater core, it is not a breakdown risk. Although, it is necessary to make sure that the lost coolant. How To Replace Heater Core 2007 Dodge Grand Caravan.
From www.chryslerpartsoverstock.com
2003 Chrysler Town & Country Hose. Heater return. With tube, with oil How To Replace Heater Core 2007 Dodge Grand Caravan 2 disconnect the negative (black) battery cable. Your heater’s failure to generate hot air and leaking coolant are the biggest signs that you need to replace the heater core. Replacing my #heatercore because i smell coolant in my car when i’m running my heat #mechanic shop will charge you 1000+ to replace. 1 turn the steering wheel so that the. How To Replace Heater Core 2007 Dodge Grand Caravan.
From garagerepairwained.z22.web.core.windows.net
2001 Dodge Caravan O2 Sensor Location How To Replace Heater Core 2007 Dodge Grand Caravan 1 turn the steering wheel so that the wheels point straight forward. If your dodge caravan has a leaking heater core, it is not a breakdown risk. They were not 8mm screws on the cover. Drain the engine cooling system. Although, it is necessary to make sure that the lost coolant is. Your heater’s failure to generate hot air and. How To Replace Heater Core 2007 Dodge Grand Caravan.
From www.youtube.com
2010 Dodge Grand Caravan EGR valve replacement/ PO404 Engine fault How To Replace Heater Core 2007 Dodge Grand Caravan 1 turn the steering wheel so that the wheels point straight forward. They were not 8mm screws on the cover. 2 disconnect the negative (black) battery cable. Drain the engine cooling system. The threads on this forum for replacing the front heater core make it seem easy but i am having nothing but problems. Replacing my #heatercore because i smell. How To Replace Heater Core 2007 Dodge Grand Caravan.
From www.moparpartsinc.com
2014 Dodge Grand Caravan Core. Heater 68059166AA Myrtle Beach SC How To Replace Heater Core 2007 Dodge Grand Caravan The threads on this forum for replacing the front heater core make it seem easy but i am having nothing but problems. Drain the engine cooling system. 2 disconnect the negative (black) battery cable. Although, it is necessary to make sure that the lost coolant is. Replacing my #heatercore because i smell coolant in my car when i’m running my. How To Replace Heater Core 2007 Dodge Grand Caravan.
From garagetelecamera.z21.web.core.windows.net
2008 Dodge Ram 1500 Heater Core How To Replace Heater Core 2007 Dodge Grand Caravan 2 disconnect the negative (black) battery cable. Drain the engine cooling system. Your heater’s failure to generate hot air and leaking coolant are the biggest signs that you need to replace the heater core. The threads on this forum for replacing the front heater core make it seem easy but i am having nothing but problems. They were not 8mm. How To Replace Heater Core 2007 Dodge Grand Caravan.
From www.carid.com
Replace® Dodge Grand Caravan 20062007 Heater Core How To Replace Heater Core 2007 Dodge Grand Caravan They were not 8mm screws on the cover. Although, it is necessary to make sure that the lost coolant is. Drain the engine cooling system. Replacing my #heatercore because i smell coolant in my car when i’m running my heat #mechanic shop will charge you 1000+ to replace. Your heater’s failure to generate hot air and leaking coolant are the. How To Replace Heater Core 2007 Dodge Grand Caravan.
From www.moparpartsinc.com
Dodge Grand Caravan Hose. Heater. Rear. Includes quick connects and How To Replace Heater Core 2007 Dodge Grand Caravan Drain the engine cooling system. Although, it is necessary to make sure that the lost coolant is. Your heater’s failure to generate hot air and leaking coolant are the biggest signs that you need to replace the heater core. The threads on this forum for replacing the front heater core make it seem easy but i am having nothing but. How To Replace Heater Core 2007 Dodge Grand Caravan.
From engineexpanders.z13.web.core.windows.net
Dodge Ram 1500 Heater Core How To Replace Heater Core 2007 Dodge Grand Caravan If your dodge caravan has a leaking heater core, it is not a breakdown risk. Drain the engine cooling system. Although, it is necessary to make sure that the lost coolant is. 1 turn the steering wheel so that the wheels point straight forward. They were not 8mm screws on the cover. The threads on this forum for replacing the. How To Replace Heater Core 2007 Dodge Grand Caravan.
From www.youtube.com
Dodge Grand Caravan Air conditioner and heating controls YouTube How To Replace Heater Core 2007 Dodge Grand Caravan Drain the engine cooling system. The threads on this forum for replacing the front heater core make it seem easy but i am having nothing but problems. 2 disconnect the negative (black) battery cable. If your dodge caravan has a leaking heater core, it is not a breakdown risk. 1 turn the steering wheel so that the wheels point straight. How To Replace Heater Core 2007 Dodge Grand Caravan.
From www.bonanza.com
20082010 Dodge Grand Caravan Ac Heater Climate Control Pnp55111805ai How To Replace Heater Core 2007 Dodge Grand Caravan Your heater’s failure to generate hot air and leaking coolant are the biggest signs that you need to replace the heater core. Replacing my #heatercore because i smell coolant in my car when i’m running my heat #mechanic shop will charge you 1000+ to replace. The threads on this forum for replacing the front heater core make it seem easy. How To Replace Heater Core 2007 Dodge Grand Caravan.
From www.chryslerminivan.net
2001 Dodge Grand Caravan Heater Core Leak (Outlet Pipe) The Chrysler How To Replace Heater Core 2007 Dodge Grand Caravan The threads on this forum for replacing the front heater core make it seem easy but i am having nothing but problems. Your heater’s failure to generate hot air and leaking coolant are the biggest signs that you need to replace the heater core. 1 turn the steering wheel so that the wheels point straight forward. Drain the engine cooling. How To Replace Heater Core 2007 Dodge Grand Caravan.
From elecschem.com
Understanding the 2008 Dodge Ram 1500 Heater Hose Diagram A How To Replace Heater Core 2007 Dodge Grand Caravan Drain the engine cooling system. Although, it is necessary to make sure that the lost coolant is. Replacing my #heatercore because i smell coolant in my car when i’m running my heat #mechanic shop will charge you 1000+ to replace. 1 turn the steering wheel so that the wheels point straight forward. Your heater’s failure to generate hot air and. How To Replace Heater Core 2007 Dodge Grand Caravan.
From www.carid.com
Replace® Dodge Grand Caravan 2005 Heater Core How To Replace Heater Core 2007 Dodge Grand Caravan If your dodge caravan has a leaking heater core, it is not a breakdown risk. They were not 8mm screws on the cover. 2 disconnect the negative (black) battery cable. Replacing my #heatercore because i smell coolant in my car when i’m running my heat #mechanic shop will charge you 1000+ to replace. Although, it is necessary to make sure. How To Replace Heater Core 2007 Dodge Grand Caravan.
From userdiagramdonn.z21.web.core.windows.net
Heater Core Replacement 2007 Equinox How To Replace Heater Core 2007 Dodge Grand Caravan Your heater’s failure to generate hot air and leaking coolant are the biggest signs that you need to replace the heater core. Although, it is necessary to make sure that the lost coolant is. If your dodge caravan has a leaking heater core, it is not a breakdown risk. 1 turn the steering wheel so that the wheels point straight. How To Replace Heater Core 2007 Dodge Grand Caravan.
From garagerepairwained.z22.web.core.windows.net
2001 Dodge Caravan O2 Sensor Location How To Replace Heater Core 2007 Dodge Grand Caravan If your dodge caravan has a leaking heater core, it is not a breakdown risk. Drain the engine cooling system. 1 turn the steering wheel so that the wheels point straight forward. They were not 8mm screws on the cover. Replacing my #heatercore because i smell coolant in my car when i’m running my heat #mechanic shop will charge you. How To Replace Heater Core 2007 Dodge Grand Caravan.
From specsdodgenew.blogspot.com
2010 Dodge Caravan Heater Hose Diagram Specs Dodge New How To Replace Heater Core 2007 Dodge Grand Caravan 2 disconnect the negative (black) battery cable. If your dodge caravan has a leaking heater core, it is not a breakdown risk. They were not 8mm screws on the cover. Replacing my #heatercore because i smell coolant in my car when i’m running my heat #mechanic shop will charge you 1000+ to replace. Although, it is necessary to make sure. How To Replace Heater Core 2007 Dodge Grand Caravan.
From www.moparpartsgiant.com
2011 Dodge Grand Caravan A/C & Heater Unit Rear How To Replace Heater Core 2007 Dodge Grand Caravan Although, it is necessary to make sure that the lost coolant is. Your heater’s failure to generate hot air and leaking coolant are the biggest signs that you need to replace the heater core. If your dodge caravan has a leaking heater core, it is not a breakdown risk. Drain the engine cooling system. The threads on this forum for. How To Replace Heater Core 2007 Dodge Grand Caravan.