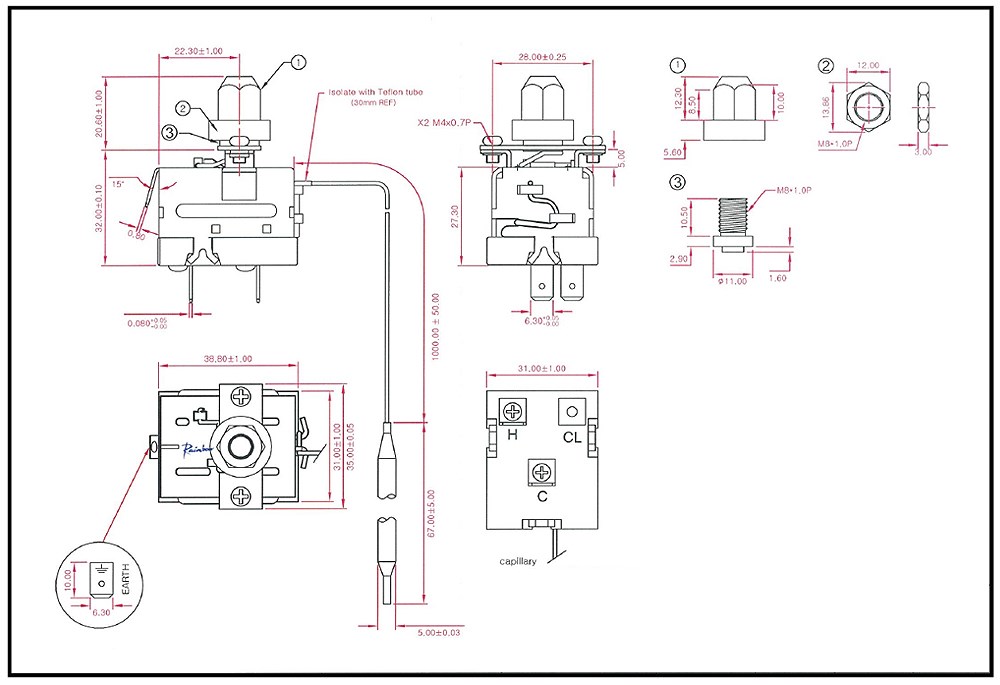
Capillary Thermostat Wiring Diagram . To illustrate, consider a capillary thermostat used in a household oven: +46 451 661 00 · www.backer.eu Then, extend the capillary tube from the bulb to the control mechanism outside the oven. Thermostats must not be taken into operation and need to be exchanged check of the thermostat cover and installation materials (cable entries) for tight. Refer to specific wiring diagram figure number (from table 1, page 2) for electrical connections of the thermostat leads and follow directions under corresponding figure number. As the oven heats up, the fluid in the bulb expands, causing the capillary tube to elongate.
from www.slideshare.net
Then, extend the capillary tube from the bulb to the control mechanism outside the oven. Thermostats must not be taken into operation and need to be exchanged check of the thermostat cover and installation materials (cable entries) for tight. To illustrate, consider a capillary thermostat used in a household oven: +46 451 661 00 · www.backer.eu Refer to specific wiring diagram figure number (from table 1, page 2) for electrical connections of the thermostat leads and follow directions under corresponding figure number. As the oven heats up, the fluid in the bulb expands, causing the capillary tube to elongate.
Capillary Thermostats
Capillary Thermostat Wiring Diagram Thermostats must not be taken into operation and need to be exchanged check of the thermostat cover and installation materials (cable entries) for tight. Then, extend the capillary tube from the bulb to the control mechanism outside the oven. +46 451 661 00 · www.backer.eu Thermostats must not be taken into operation and need to be exchanged check of the thermostat cover and installation materials (cable entries) for tight. Refer to specific wiring diagram figure number (from table 1, page 2) for electrical connections of the thermostat leads and follow directions under corresponding figure number. To illustrate, consider a capillary thermostat used in a household oven: As the oven heats up, the fluid in the bulb expands, causing the capillary tube to elongate.
From circuitlibfarmers.z21.web.core.windows.net
How To Wire A Thermostat Diagram Capillary Thermostat Wiring Diagram +46 451 661 00 · www.backer.eu As the oven heats up, the fluid in the bulb expands, causing the capillary tube to elongate. Then, extend the capillary tube from the bulb to the control mechanism outside the oven. Thermostats must not be taken into operation and need to be exchanged check of the thermostat cover and installation materials (cable entries). Capillary Thermostat Wiring Diagram.
From electraschematics.com
Honeywell T3R Wiring Diagram A StepbyStep Guide to Installing Your Capillary Thermostat Wiring Diagram As the oven heats up, the fluid in the bulb expands, causing the capillary tube to elongate. +46 451 661 00 · www.backer.eu To illustrate, consider a capillary thermostat used in a household oven: Thermostats must not be taken into operation and need to be exchanged check of the thermostat cover and installation materials (cable entries) for tight. Then, extend. Capillary Thermostat Wiring Diagram.
From alre.de
Universal capillary thermostat, 30…110…°C, hysteresis 10…15K, TB Capillary Thermostat Wiring Diagram As the oven heats up, the fluid in the bulb expands, causing the capillary tube to elongate. Thermostats must not be taken into operation and need to be exchanged check of the thermostat cover and installation materials (cable entries) for tight. +46 451 661 00 · www.backer.eu Then, extend the capillary tube from the bulb to the control mechanism outside. Capillary Thermostat Wiring Diagram.
From schematron.org
Capillary Thermostat Wiring Diagram Wiring Diagram Pictures Capillary Thermostat Wiring Diagram Refer to specific wiring diagram figure number (from table 1, page 2) for electrical connections of the thermostat leads and follow directions under corresponding figure number. +46 451 661 00 · www.backer.eu To illustrate, consider a capillary thermostat used in a household oven: Thermostats must not be taken into operation and need to be exchanged check of the thermostat cover. Capillary Thermostat Wiring Diagram.
From cielowigle.com
Thermostat Wiring Explained! How To, Color Coding, Types & More Capillary Thermostat Wiring Diagram As the oven heats up, the fluid in the bulb expands, causing the capillary tube to elongate. Then, extend the capillary tube from the bulb to the control mechanism outside the oven. Thermostats must not be taken into operation and need to be exchanged check of the thermostat cover and installation materials (cable entries) for tight. To illustrate, consider a. Capillary Thermostat Wiring Diagram.
From www.webstaurantstore.com
All Points 461345 Thermostat; Type D1; Temperature 200 550 Degrees Capillary Thermostat Wiring Diagram Thermostats must not be taken into operation and need to be exchanged check of the thermostat cover and installation materials (cable entries) for tight. Then, extend the capillary tube from the bulb to the control mechanism outside the oven. To illustrate, consider a capillary thermostat used in a household oven: +46 451 661 00 · www.backer.eu As the oven heats. Capillary Thermostat Wiring Diagram.
From schematron.org
Capillary Thermostat Wiring Diagram Capillary Thermostat Wiring Diagram To illustrate, consider a capillary thermostat used in a household oven: Then, extend the capillary tube from the bulb to the control mechanism outside the oven. Thermostats must not be taken into operation and need to be exchanged check of the thermostat cover and installation materials (cable entries) for tight. Refer to specific wiring diagram figure number (from table 1,. Capillary Thermostat Wiring Diagram.
From techschematic.com
How to Wire a Heat Pump Thermostat StepbyStep Guide Capillary Thermostat Wiring Diagram Thermostats must not be taken into operation and need to be exchanged check of the thermostat cover and installation materials (cable entries) for tight. Then, extend the capillary tube from the bulb to the control mechanism outside the oven. Refer to specific wiring diagram figure number (from table 1, page 2) for electrical connections of the thermostat leads and follow. Capillary Thermostat Wiring Diagram.
From enginelibgibbs123.z19.web.core.windows.net
Honeywell Ct30 Thermostat Wiring Diagram Capillary Thermostat Wiring Diagram As the oven heats up, the fluid in the bulb expands, causing the capillary tube to elongate. To illustrate, consider a capillary thermostat used in a household oven: +46 451 661 00 · www.backer.eu Then, extend the capillary tube from the bulb to the control mechanism outside the oven. Thermostats must not be taken into operation and need to be. Capillary Thermostat Wiring Diagram.
From enginewiringeggers.z13.web.core.windows.net
Typical Thermostat Wiring Diagram Capillary Thermostat Wiring Diagram Then, extend the capillary tube from the bulb to the control mechanism outside the oven. +46 451 661 00 · www.backer.eu Refer to specific wiring diagram figure number (from table 1, page 2) for electrical connections of the thermostat leads and follow directions under corresponding figure number. Thermostats must not be taken into operation and need to be exchanged check. Capillary Thermostat Wiring Diagram.
From capillaryswitch.com
358E138 Capillary Thermostat Single Stage, Adjustable Open on Temp Capillary Thermostat Wiring Diagram +46 451 661 00 · www.backer.eu Then, extend the capillary tube from the bulb to the control mechanism outside the oven. Refer to specific wiring diagram figure number (from table 1, page 2) for electrical connections of the thermostat leads and follow directions under corresponding figure number. Thermostats must not be taken into operation and need to be exchanged check. Capillary Thermostat Wiring Diagram.
From wiringall.com
The Ultimate Guide to York Thermostat Wiring Diagrams Everything You Capillary Thermostat Wiring Diagram Refer to specific wiring diagram figure number (from table 1, page 2) for electrical connections of the thermostat leads and follow directions under corresponding figure number. Then, extend the capillary tube from the bulb to the control mechanism outside the oven. To illustrate, consider a capillary thermostat used in a household oven: As the oven heats up, the fluid in. Capillary Thermostat Wiring Diagram.
From autoctrls.com
How to Properly Wire a Honeywell Thermostat RTH221B StepbyStep Guide Capillary Thermostat Wiring Diagram As the oven heats up, the fluid in the bulb expands, causing the capillary tube to elongate. To illustrate, consider a capillary thermostat used in a household oven: +46 451 661 00 · www.backer.eu Thermostats must not be taken into operation and need to be exchanged check of the thermostat cover and installation materials (cable entries) for tight. Then, extend. Capillary Thermostat Wiring Diagram.
From schematicpartbowline.z14.web.core.windows.net
Wire Diagram For A Thermostat Capillary Thermostat Wiring Diagram Refer to specific wiring diagram figure number (from table 1, page 2) for electrical connections of the thermostat leads and follow directions under corresponding figure number. +46 451 661 00 · www.backer.eu As the oven heats up, the fluid in the bulb expands, causing the capillary tube to elongate. To illustrate, consider a capillary thermostat used in a household oven:. Capillary Thermostat Wiring Diagram.
From schematicpartguff.z13.web.core.windows.net
Heating Thermostat Wiring Diagram Capillary Thermostat Wiring Diagram Then, extend the capillary tube from the bulb to the control mechanism outside the oven. +46 451 661 00 · www.backer.eu Thermostats must not be taken into operation and need to be exchanged check of the thermostat cover and installation materials (cable entries) for tight. Refer to specific wiring diagram figure number (from table 1, page 2) for electrical connections. Capillary Thermostat Wiring Diagram.
From wiringall.com
Capillary Thermostat Wiring Diagram Capillary Thermostat Wiring Diagram To illustrate, consider a capillary thermostat used in a household oven: Refer to specific wiring diagram figure number (from table 1, page 2) for electrical connections of the thermostat leads and follow directions under corresponding figure number. Then, extend the capillary tube from the bulb to the control mechanism outside the oven. Thermostats must not be taken into operation and. Capillary Thermostat Wiring Diagram.
From alre.de
Capillary thermostat, wall mounting, 20…80…°C, 2stage, adjustable Capillary Thermostat Wiring Diagram Refer to specific wiring diagram figure number (from table 1, page 2) for electrical connections of the thermostat leads and follow directions under corresponding figure number. Then, extend the capillary tube from the bulb to the control mechanism outside the oven. As the oven heats up, the fluid in the bulb expands, causing the capillary tube to elongate. To illustrate,. Capillary Thermostat Wiring Diagram.
From guidemanuallubricated.z21.web.core.windows.net
Thermostat Heat Pump Wiring Capillary Thermostat Wiring Diagram As the oven heats up, the fluid in the bulb expands, causing the capillary tube to elongate. Refer to specific wiring diagram figure number (from table 1, page 2) for electrical connections of the thermostat leads and follow directions under corresponding figure number. +46 451 661 00 · www.backer.eu To illustrate, consider a capillary thermostat used in a household oven:. Capillary Thermostat Wiring Diagram.
From wiringall.com
Capillary Thermostat Wiring Diagram Capillary Thermostat Wiring Diagram As the oven heats up, the fluid in the bulb expands, causing the capillary tube to elongate. Thermostats must not be taken into operation and need to be exchanged check of the thermostat cover and installation materials (cable entries) for tight. To illustrate, consider a capillary thermostat used in a household oven: +46 451 661 00 · www.backer.eu Refer to. Capillary Thermostat Wiring Diagram.
From schematicpartdig.z19.web.core.windows.net
Thermostat Internal Wiring Diagram Capillary Thermostat Wiring Diagram Thermostats must not be taken into operation and need to be exchanged check of the thermostat cover and installation materials (cable entries) for tight. Refer to specific wiring diagram figure number (from table 1, page 2) for electrical connections of the thermostat leads and follow directions under corresponding figure number. Then, extend the capillary tube from the bulb to the. Capillary Thermostat Wiring Diagram.
From www.thermowatt.com
Capillary thermostats Products Thermowatt EN Capillary Thermostat Wiring Diagram To illustrate, consider a capillary thermostat used in a household oven: Then, extend the capillary tube from the bulb to the control mechanism outside the oven. +46 451 661 00 · www.backer.eu As the oven heats up, the fluid in the bulb expands, causing the capillary tube to elongate. Refer to specific wiring diagram figure number (from table 1, page. Capillary Thermostat Wiring Diagram.
From www.sktech.ru
Capillary thermostat WKB60D2 adjustable range 0...+60°C Capillary Thermostat Wiring Diagram Thermostats must not be taken into operation and need to be exchanged check of the thermostat cover and installation materials (cable entries) for tight. +46 451 661 00 · www.backer.eu As the oven heats up, the fluid in the bulb expands, causing the capillary tube to elongate. Then, extend the capillary tube from the bulb to the control mechanism outside. Capillary Thermostat Wiring Diagram.
From schematicbronzify.z21.web.core.windows.net
Basic Thermostat Wiring Diagrams Hvac Capillary Thermostat Wiring Diagram Thermostats must not be taken into operation and need to be exchanged check of the thermostat cover and installation materials (cable entries) for tight. +46 451 661 00 · www.backer.eu As the oven heats up, the fluid in the bulb expands, causing the capillary tube to elongate. To illustrate, consider a capillary thermostat used in a household oven: Then, extend. Capillary Thermostat Wiring Diagram.
From schematron.org
Capillary Thermostat Wiring Diagram Capillary Thermostat Wiring Diagram Then, extend the capillary tube from the bulb to the control mechanism outside the oven. To illustrate, consider a capillary thermostat used in a household oven: +46 451 661 00 · www.backer.eu Thermostats must not be taken into operation and need to be exchanged check of the thermostat cover and installation materials (cable entries) for tight. As the oven heats. Capillary Thermostat Wiring Diagram.
From www.sktech.ru
Capillary controls WY4065311Y 0...40°C Capillary Thermostat Wiring Diagram Then, extend the capillary tube from the bulb to the control mechanism outside the oven. +46 451 661 00 · www.backer.eu To illustrate, consider a capillary thermostat used in a household oven: As the oven heats up, the fluid in the bulb expands, causing the capillary tube to elongate. Thermostats must not be taken into operation and need to be. Capillary Thermostat Wiring Diagram.
From dxodlbsuv.blob.core.windows.net
How Do You Know If Your Thermostat Is Working Properly at Anthony Capillary Thermostat Wiring Diagram +46 451 661 00 · www.backer.eu To illustrate, consider a capillary thermostat used in a household oven: Then, extend the capillary tube from the bulb to the control mechanism outside the oven. Refer to specific wiring diagram figure number (from table 1, page 2) for electrical connections of the thermostat leads and follow directions under corresponding figure number. As the. Capillary Thermostat Wiring Diagram.
From wiringmanuallithoclast.z21.web.core.windows.net
Honeywell Thermostat Wiring 4 Wires Capillary Thermostat Wiring Diagram As the oven heats up, the fluid in the bulb expands, causing the capillary tube to elongate. To illustrate, consider a capillary thermostat used in a household oven: +46 451 661 00 · www.backer.eu Then, extend the capillary tube from the bulb to the control mechanism outside the oven. Thermostats must not be taken into operation and need to be. Capillary Thermostat Wiring Diagram.
From circuitdbkaren.z21.web.core.windows.net
Wiring Diagram For A Thermostat Capillary Thermostat Wiring Diagram Then, extend the capillary tube from the bulb to the control mechanism outside the oven. Refer to specific wiring diagram figure number (from table 1, page 2) for electrical connections of the thermostat leads and follow directions under corresponding figure number. As the oven heats up, the fluid in the bulb expands, causing the capillary tube to elongate. To illustrate,. Capillary Thermostat Wiring Diagram.
From exodsdbmo.blob.core.windows.net
Wiring A New Thermostat at Gregory Suazo blog Capillary Thermostat Wiring Diagram As the oven heats up, the fluid in the bulb expands, causing the capillary tube to elongate. To illustrate, consider a capillary thermostat used in a household oven: +46 451 661 00 · www.backer.eu Refer to specific wiring diagram figure number (from table 1, page 2) for electrical connections of the thermostat leads and follow directions under corresponding figure number.. Capillary Thermostat Wiring Diagram.
From www.guilcor.fr
Thermostat capillaire à bulbe Non Réglable Réarmable Type RMT Capillary Thermostat Wiring Diagram To illustrate, consider a capillary thermostat used in a household oven: +46 451 661 00 · www.backer.eu Then, extend the capillary tube from the bulb to the control mechanism outside the oven. Thermostats must not be taken into operation and need to be exchanged check of the thermostat cover and installation materials (cable entries) for tight. As the oven heats. Capillary Thermostat Wiring Diagram.
From www.slideshare.net
Capillary Thermostats Capillary Thermostat Wiring Diagram As the oven heats up, the fluid in the bulb expands, causing the capillary tube to elongate. To illustrate, consider a capillary thermostat used in a household oven: Thermostats must not be taken into operation and need to be exchanged check of the thermostat cover and installation materials (cable entries) for tight. Then, extend the capillary tube from the bulb. Capillary Thermostat Wiring Diagram.
From exovouukk.blob.core.windows.net
Capillary Tube Thermostat How It Works at Timothy Kincaid blog Capillary Thermostat Wiring Diagram +46 451 661 00 · www.backer.eu Thermostats must not be taken into operation and need to be exchanged check of the thermostat cover and installation materials (cable entries) for tight. To illustrate, consider a capillary thermostat used in a household oven: Then, extend the capillary tube from the bulb to the control mechanism outside the oven. Refer to specific wiring. Capillary Thermostat Wiring Diagram.
From www.thermis.cz
Threephase capillary thermostat series MMG Thermis, spol. s r.o. Capillary Thermostat Wiring Diagram +46 451 661 00 · www.backer.eu As the oven heats up, the fluid in the bulb expands, causing the capillary tube to elongate. Refer to specific wiring diagram figure number (from table 1, page 2) for electrical connections of the thermostat leads and follow directions under corresponding figure number. Thermostats must not be taken into operation and need to be. Capillary Thermostat Wiring Diagram.
From guidemanualergot.z21.web.core.windows.net
Basic T Stat Wiring Diagram Capillary Thermostat Wiring Diagram To illustrate, consider a capillary thermostat used in a household oven: +46 451 661 00 · www.backer.eu Thermostats must not be taken into operation and need to be exchanged check of the thermostat cover and installation materials (cable entries) for tight. Then, extend the capillary tube from the bulb to the control mechanism outside the oven. As the oven heats. Capillary Thermostat Wiring Diagram.
From www.thermtrol.com
Bulb and Capillary Thermostat Manufacturer Thermtrol Corporation Capillary Thermostat Wiring Diagram Then, extend the capillary tube from the bulb to the control mechanism outside the oven. To illustrate, consider a capillary thermostat used in a household oven: As the oven heats up, the fluid in the bulb expands, causing the capillary tube to elongate. Refer to specific wiring diagram figure number (from table 1, page 2) for electrical connections of the. Capillary Thermostat Wiring Diagram.