Yamaha Xs1100 Spark Plug Wires . The normal wire has 9 or 11 wires in the bundle for a single wire. The only solution is to replace the entire coil set with a new one from yamaha or. Universal magnetic spark plug socket by bikemaster®. The difference might be in the wire lead or sparkplug itself. Shop for ngk electrical & lighting for your 1979 yamaha xs1100 at dennis kirk. Premium powersport spark plug by e3®. For a more efficient and complete burn, go with the super sturdy plugs by e3. The spark plug wires on the xs 1100 coils are not replaceable. There are spark plugs that have a resistor built into them and some that do. Makes removal and installation of spark plugs easy. Yamaha xs1100 1980, standard nickel spark plug by ngk®. The wires at the pickup coils have about 21 to 30 wires, much.
from www.youtube.com
Yamaha xs1100 1980, standard nickel spark plug by ngk®. The normal wire has 9 or 11 wires in the bundle for a single wire. Premium powersport spark plug by e3®. There are spark plugs that have a resistor built into them and some that do. The wires at the pickup coils have about 21 to 30 wires, much. The spark plug wires on the xs 1100 coils are not replaceable. Shop for ngk electrical & lighting for your 1979 yamaha xs1100 at dennis kirk. For a more efficient and complete burn, go with the super sturdy plugs by e3. The difference might be in the wire lead or sparkplug itself. Universal magnetic spark plug socket by bikemaster®.
1980 yamaha xs1100 special finding boot issues spark plug wires YouTube
Yamaha Xs1100 Spark Plug Wires The difference might be in the wire lead or sparkplug itself. The only solution is to replace the entire coil set with a new one from yamaha or. For a more efficient and complete burn, go with the super sturdy plugs by e3. The difference might be in the wire lead or sparkplug itself. The wires at the pickup coils have about 21 to 30 wires, much. The spark plug wires on the xs 1100 coils are not replaceable. The normal wire has 9 or 11 wires in the bundle for a single wire. Premium powersport spark plug by e3®. Universal magnetic spark plug socket by bikemaster®. Shop for ngk electrical & lighting for your 1979 yamaha xs1100 at dennis kirk. Yamaha xs1100 1980, standard nickel spark plug by ngk®. There are spark plugs that have a resistor built into them and some that do. Makes removal and installation of spark plugs easy.
From www.ebay.com
Yamaha XS1100 XS 1100 Eleven Wire Wiring Harness Loom eBay Yamaha Xs1100 Spark Plug Wires Premium powersport spark plug by e3®. For a more efficient and complete burn, go with the super sturdy plugs by e3. Universal magnetic spark plug socket by bikemaster®. Shop for ngk electrical & lighting for your 1979 yamaha xs1100 at dennis kirk. The spark plug wires on the xs 1100 coils are not replaceable. The difference might be in the. Yamaha Xs1100 Spark Plug Wires.
From schematron.org
Xs1100 Wiring Diagram Wiring Diagram Pictures Yamaha Xs1100 Spark Plug Wires There are spark plugs that have a resistor built into them and some that do. The spark plug wires on the xs 1100 coils are not replaceable. The only solution is to replace the entire coil set with a new one from yamaha or. Premium powersport spark plug by e3®. The normal wire has 9 or 11 wires in the. Yamaha Xs1100 Spark Plug Wires.
From www.japbikespares.com
YAMAHA XS1100 1981 FORSETI IGNITION COIL SPARK PLUG CAP ASSEMBLY SET OF 2 Forseti Yamaha Xs1100 Spark Plug Wires Shop for ngk electrical & lighting for your 1979 yamaha xs1100 at dennis kirk. Makes removal and installation of spark plugs easy. Premium powersport spark plug by e3®. Universal magnetic spark plug socket by bikemaster®. The wires at the pickup coils have about 21 to 30 wires, much. For a more efficient and complete burn, go with the super sturdy. Yamaha Xs1100 Spark Plug Wires.
From www.motorcyclespecs.co.za
1978 Yamaha XS 1100E Yamaha Xs1100 Spark Plug Wires Yamaha xs1100 1980, standard nickel spark plug by ngk®. Universal magnetic spark plug socket by bikemaster®. The difference might be in the wire lead or sparkplug itself. Shop for ngk electrical & lighting for your 1979 yamaha xs1100 at dennis kirk. Makes removal and installation of spark plugs easy. Premium powersport spark plug by e3®. For a more efficient and. Yamaha Xs1100 Spark Plug Wires.
From www.emanualonline.com
YAMAHA XS1100 Parts Manual Catalog Manuals Online Yamaha Xs1100 Spark Plug Wires There are spark plugs that have a resistor built into them and some that do. The spark plug wires on the xs 1100 coils are not replaceable. Yamaha xs1100 1980, standard nickel spark plug by ngk®. Makes removal and installation of spark plugs easy. The only solution is to replace the entire coil set with a new one from yamaha. Yamaha Xs1100 Spark Plug Wires.
From www.ebay.com
Yamaha XS1100 XS 1100 Eleven Wire Wiring Harness Loom eBay Yamaha Xs1100 Spark Plug Wires Universal magnetic spark plug socket by bikemaster®. Makes removal and installation of spark plugs easy. The difference might be in the wire lead or sparkplug itself. For a more efficient and complete burn, go with the super sturdy plugs by e3. Yamaha xs1100 1980, standard nickel spark plug by ngk®. Premium powersport spark plug by e3®. The only solution is. Yamaha Xs1100 Spark Plug Wires.
From www.ebay.com
Yamaha XS1100 XS 1100 Eleven Wire Wiring Harness Loom eBay Yamaha Xs1100 Spark Plug Wires Makes removal and installation of spark plugs easy. The wires at the pickup coils have about 21 to 30 wires, much. The normal wire has 9 or 11 wires in the bundle for a single wire. Premium powersport spark plug by e3®. The difference might be in the wire lead or sparkplug itself. Yamaha xs1100 1980, standard nickel spark plug. Yamaha Xs1100 Spark Plug Wires.
From www.wiringstech.com
Xs1100 Wiring Diagram Wiring Technology Yamaha Xs1100 Spark Plug Wires The normal wire has 9 or 11 wires in the bundle for a single wire. For a more efficient and complete burn, go with the super sturdy plugs by e3. Universal magnetic spark plug socket by bikemaster®. The spark plug wires on the xs 1100 coils are not replaceable. Shop for ngk electrical & lighting for your 1979 yamaha xs1100. Yamaha Xs1100 Spark Plug Wires.
From www.japbikespares.com
YAMAHA XS1100 1981 FORSETI SPARK PLUG CAP ASSEMBLY SET OF 4 Forseti Yamaha Xs1100 Spark Plug Wires Universal magnetic spark plug socket by bikemaster®. The wires at the pickup coils have about 21 to 30 wires, much. Shop for ngk electrical & lighting for your 1979 yamaha xs1100 at dennis kirk. The normal wire has 9 or 11 wires in the bundle for a single wire. The spark plug wires on the xs 1100 coils are not. Yamaha Xs1100 Spark Plug Wires.
From www.ebay.com
Yamaha XS1100 XS 1100 Eleven Wire Wiring Harness Loom eBay Yamaha Xs1100 Spark Plug Wires The only solution is to replace the entire coil set with a new one from yamaha or. Shop for ngk electrical & lighting for your 1979 yamaha xs1100 at dennis kirk. The difference might be in the wire lead or sparkplug itself. The spark plug wires on the xs 1100 coils are not replaceable. Yamaha xs1100 1980, standard nickel spark. Yamaha Xs1100 Spark Plug Wires.
From www.2040-parts.com
Sell 79 Yamaha XS750 XS 750 Engine Spark Plug Wires Ignition coil wires in Hollandale, Minnesota Yamaha Xs1100 Spark Plug Wires There are spark plugs that have a resistor built into them and some that do. For a more efficient and complete burn, go with the super sturdy plugs by e3. Yamaha xs1100 1980, standard nickel spark plug by ngk®. The normal wire has 9 or 11 wires in the bundle for a single wire. Premium powersport spark plug by e3®.. Yamaha Xs1100 Spark Plug Wires.
From circuitdammaalolevaxdr.z19.web.core.windows.net
1981 Yamaha Y Wiring Diagrams Yamaha Xs1100 Spark Plug Wires Yamaha xs1100 1980, standard nickel spark plug by ngk®. The normal wire has 9 or 11 wires in the bundle for a single wire. Shop for ngk electrical & lighting for your 1979 yamaha xs1100 at dennis kirk. The wires at the pickup coils have about 21 to 30 wires, much. Makes removal and installation of spark plugs easy. Universal. Yamaha Xs1100 Spark Plug Wires.
From wiremystique.com
Wiring diagram for Yamaha xs1100 the essential guide WireMystique Yamaha Xs1100 Spark Plug Wires Premium powersport spark plug by e3®. The normal wire has 9 or 11 wires in the bundle for a single wire. Yamaha xs1100 1980, standard nickel spark plug by ngk®. The spark plug wires on the xs 1100 coils are not replaceable. The only solution is to replace the entire coil set with a new one from yamaha or. For. Yamaha Xs1100 Spark Plug Wires.
From www.2040-parts.com
Sell 79 Yamaha XS750 XS 750 Engine Spark Plug Wires Ignition coil wires in Hollandale, Minnesota Yamaha Xs1100 Spark Plug Wires The spark plug wires on the xs 1100 coils are not replaceable. Premium powersport spark plug by e3®. Yamaha xs1100 1980, standard nickel spark plug by ngk®. Universal magnetic spark plug socket by bikemaster®. The normal wire has 9 or 11 wires in the bundle for a single wire. The only solution is to replace the entire coil set with. Yamaha Xs1100 Spark Plug Wires.
From wiring.hpricorpcom.com
Yamaha Xs1100 Special Wiring Diagram Wiring Diagram and Schematic Yamaha Xs1100 Spark Plug Wires The normal wire has 9 or 11 wires in the bundle for a single wire. Makes removal and installation of spark plugs easy. Yamaha xs1100 1980, standard nickel spark plug by ngk®. Universal magnetic spark plug socket by bikemaster®. Premium powersport spark plug by e3®. Shop for ngk electrical & lighting for your 1979 yamaha xs1100 at dennis kirk. The. Yamaha Xs1100 Spark Plug Wires.
From www.ebay.com
Yamaha XS1100 XS 1100 Eleven Wire Wiring Harness Loom eBay Yamaha Xs1100 Spark Plug Wires The normal wire has 9 or 11 wires in the bundle for a single wire. Premium powersport spark plug by e3®. The wires at the pickup coils have about 21 to 30 wires, much. Makes removal and installation of spark plugs easy. There are spark plugs that have a resistor built into them and some that do. The only solution. Yamaha Xs1100 Spark Plug Wires.
From www.ricepaddy.com
Yamaha XS1100 Timing Pickups Pulser Coils 78 81 Yamaha Xs1100 Spark Plug Wires The wires at the pickup coils have about 21 to 30 wires, much. Premium powersport spark plug by e3®. There are spark plugs that have a resistor built into them and some that do. For a more efficient and complete burn, go with the super sturdy plugs by e3. The spark plug wires on the xs 1100 coils are not. Yamaha Xs1100 Spark Plug Wires.
From www.japbikespares.com
YAMAHA XS1100 1981 FORSETI IGNITION COIL SPARK PLUG CAP ASSEMBLY SET OF 2 Forseti Yamaha Xs1100 Spark Plug Wires For a more efficient and complete burn, go with the super sturdy plugs by e3. The spark plug wires on the xs 1100 coils are not replaceable. The normal wire has 9 or 11 wires in the bundle for a single wire. The difference might be in the wire lead or sparkplug itself. There are spark plugs that have a. Yamaha Xs1100 Spark Plug Wires.
From www.ebay.com
Yamaha XS1100 XS 1100 Eleven Wire Wiring Harness Loom eBay Yamaha Xs1100 Spark Plug Wires The only solution is to replace the entire coil set with a new one from yamaha or. The difference might be in the wire lead or sparkplug itself. There are spark plugs that have a resistor built into them and some that do. The spark plug wires on the xs 1100 coils are not replaceable. Universal magnetic spark plug socket. Yamaha Xs1100 Spark Plug Wires.
From karmakaze.co
NGK Spark Plug for Yamaha XV1100 8690 ⋆ SPARK PLUG FINDER Yamaha Xs1100 Spark Plug Wires Premium powersport spark plug by e3®. Shop for ngk electrical & lighting for your 1979 yamaha xs1100 at dennis kirk. The difference might be in the wire lead or sparkplug itself. The wires at the pickup coils have about 21 to 30 wires, much. There are spark plugs that have a resistor built into them and some that do. The. Yamaha Xs1100 Spark Plug Wires.
From www.youtube.com
Spark Plug Change Yamaha V Star 1100 YouTube Yamaha Xs1100 Spark Plug Wires Premium powersport spark plug by e3®. The normal wire has 9 or 11 wires in the bundle for a single wire. The difference might be in the wire lead or sparkplug itself. Makes removal and installation of spark plugs easy. There are spark plugs that have a resistor built into them and some that do. Yamaha xs1100 1980, standard nickel. Yamaha Xs1100 Spark Plug Wires.
From wiring.hpricorpcom.com
Yamaha Xs1100 Special Wiring Diagram Wiring Diagram and Schematic Yamaha Xs1100 Spark Plug Wires The wires at the pickup coils have about 21 to 30 wires, much. The difference might be in the wire lead or sparkplug itself. The spark plug wires on the xs 1100 coils are not replaceable. Shop for ngk electrical & lighting for your 1979 yamaha xs1100 at dennis kirk. There are spark plugs that have a resistor built into. Yamaha Xs1100 Spark Plug Wires.
From www.ebay.com
Yamaha XS1100 XS 1100 Eleven Wire Wiring Harness Loom eBay Yamaha Xs1100 Spark Plug Wires There are spark plugs that have a resistor built into them and some that do. The spark plug wires on the xs 1100 coils are not replaceable. The normal wire has 9 or 11 wires in the bundle for a single wire. For a more efficient and complete burn, go with the super sturdy plugs by e3. Shop for ngk. Yamaha Xs1100 Spark Plug Wires.
From www.ebay.com
NGK Spark Plug fits YAMAHA XS1100 (E/S) 1100cc 81>84 [BP6ES] 7811 New in Box! eBay Yamaha Xs1100 Spark Plug Wires Shop for ngk electrical & lighting for your 1979 yamaha xs1100 at dennis kirk. There are spark plugs that have a resistor built into them and some that do. The difference might be in the wire lead or sparkplug itself. Premium powersport spark plug by e3®. Yamaha xs1100 1980, standard nickel spark plug by ngk®. The only solution is to. Yamaha Xs1100 Spark Plug Wires.
From www.pinterest.ca
simplified wiring diagram for xs400 cafe Motorcycle wiring, Bobber motorcycle, Bobber Yamaha Xs1100 Spark Plug Wires The difference might be in the wire lead or sparkplug itself. The wires at the pickup coils have about 21 to 30 wires, much. Shop for ngk electrical & lighting for your 1979 yamaha xs1100 at dennis kirk. There are spark plugs that have a resistor built into them and some that do. The normal wire has 9 or 11. Yamaha Xs1100 Spark Plug Wires.
From wiringdiagram.2bitboer.com
1978 Yamaha Xs1100 Wiring Diagram Wiring Diagram Yamaha Xs1100 Spark Plug Wires Universal magnetic spark plug socket by bikemaster®. The only solution is to replace the entire coil set with a new one from yamaha or. The normal wire has 9 or 11 wires in the bundle for a single wire. Shop for ngk electrical & lighting for your 1979 yamaha xs1100 at dennis kirk. The difference might be in the wire. Yamaha Xs1100 Spark Plug Wires.
From www.ebay.com
Spark Plug2003 Yamaha XVS1100A V Star 1100 Classic NGK Spark Plug 3785 eBay Yamaha Xs1100 Spark Plug Wires The difference might be in the wire lead or sparkplug itself. Premium powersport spark plug by e3®. For a more efficient and complete burn, go with the super sturdy plugs by e3. The normal wire has 9 or 11 wires in the bundle for a single wire. Shop for ngk electrical & lighting for your 1979 yamaha xs1100 at dennis. Yamaha Xs1100 Spark Plug Wires.
From www.ebay.co.uk
4x BRISK YS Silver Upgrade Spark Plugs fits Yamaha XS1100 y19781984 eBay Yamaha Xs1100 Spark Plug Wires The spark plug wires on the xs 1100 coils are not replaceable. For a more efficient and complete burn, go with the super sturdy plugs by e3. Yamaha xs1100 1980, standard nickel spark plug by ngk®. The only solution is to replace the entire coil set with a new one from yamaha or. The wires at the pickup coils have. Yamaha Xs1100 Spark Plug Wires.
From www.ebay.com
Brand New 2x Spark Plug Boot Cap for Yamaha XS1100 19781981 eBay Yamaha Xs1100 Spark Plug Wires The wires at the pickup coils have about 21 to 30 wires, much. The spark plug wires on the xs 1100 coils are not replaceable. The normal wire has 9 or 11 wires in the bundle for a single wire. The only solution is to replace the entire coil set with a new one from yamaha or. There are spark. Yamaha Xs1100 Spark Plug Wires.
From www.ebay.com
Yamaha XS1100 XS 1100 Eleven Wire Wiring Harness Loom eBay Yamaha Xs1100 Spark Plug Wires For a more efficient and complete burn, go with the super sturdy plugs by e3. Universal magnetic spark plug socket by bikemaster®. The spark plug wires on the xs 1100 coils are not replaceable. The only solution is to replace the entire coil set with a new one from yamaha or. Shop for ngk electrical & lighting for your 1979. Yamaha Xs1100 Spark Plug Wires.
From www.youtube.com
1980 yamaha xs1100 special finding boot issues spark plug wires YouTube Yamaha Xs1100 Spark Plug Wires The difference might be in the wire lead or sparkplug itself. The spark plug wires on the xs 1100 coils are not replaceable. Shop for ngk electrical & lighting for your 1979 yamaha xs1100 at dennis kirk. For a more efficient and complete burn, go with the super sturdy plugs by e3. The wires at the pickup coils have about. Yamaha Xs1100 Spark Plug Wires.
From www.ebay.com
Yamaha XS1100 XS 1100 Eleven Wire Wiring Harness Loom eBay Yamaha Xs1100 Spark Plug Wires The spark plug wires on the xs 1100 coils are not replaceable. For a more efficient and complete burn, go with the super sturdy plugs by e3. Yamaha xs1100 1980, standard nickel spark plug by ngk®. The difference might be in the wire lead or sparkplug itself. Shop for ngk electrical & lighting for your 1979 yamaha xs1100 at dennis. Yamaha Xs1100 Spark Plug Wires.
From userdiagramcarla.z6.web.core.windows.net
80 Yamaha Xs1100 Wiring Diagram Yamaha Xs1100 Spark Plug Wires Shop for ngk electrical & lighting for your 1979 yamaha xs1100 at dennis kirk. For a more efficient and complete burn, go with the super sturdy plugs by e3. The only solution is to replace the entire coil set with a new one from yamaha or. There are spark plugs that have a resistor built into them and some that. Yamaha Xs1100 Spark Plug Wires.
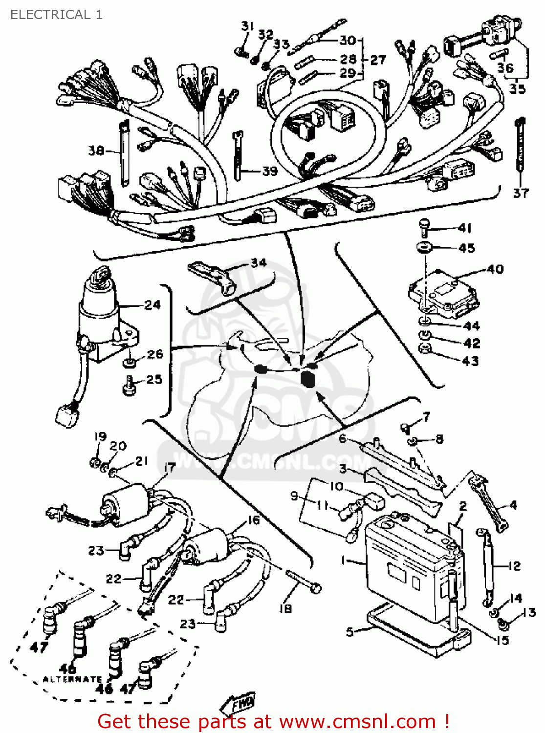
From www.cmsnl.com
Yamaha XS1100 1981 (B) USA ELECTRICAL 1 buy original ELECTRICAL 1 spares online Yamaha Xs1100 Spark Plug Wires The normal wire has 9 or 11 wires in the bundle for a single wire. The difference might be in the wire lead or sparkplug itself. Universal magnetic spark plug socket by bikemaster®. Premium powersport spark plug by e3®. There are spark plugs that have a resistor built into them and some that do. For a more efficient and complete. Yamaha Xs1100 Spark Plug Wires.
From circuitwiring.pages.dev
1980 yamaha xs1100 ignition wiring Yamaha Xs1100 Spark Plug Wires Universal magnetic spark plug socket by bikemaster®. The wires at the pickup coils have about 21 to 30 wires, much. There are spark plugs that have a resistor built into them and some that do. The only solution is to replace the entire coil set with a new one from yamaha or. The normal wire has 9 or 11 wires. Yamaha Xs1100 Spark Plug Wires.