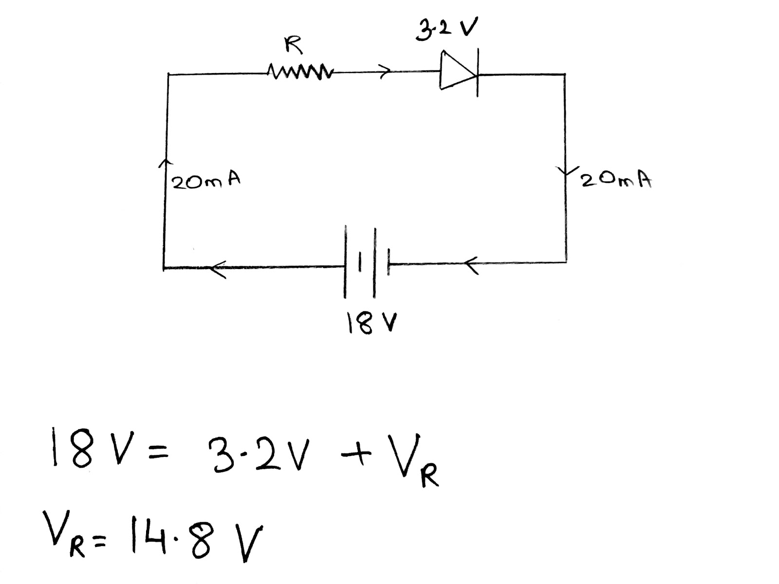
Current Limiting Resistor Equation . Led current limiting resistor formula. Equation 3 calculates the current. What current limiting resistor value should you use if you have one led and want to power it with a supply voltage of vs = 3.8v? Using the desired operating characteristics and led specs, solve the appropriate equations for the. The equation i'd use to do this is: There are four steps to selecting the proper current limiting resistor value(s): Learn how to select the right resistor value and. The equation can be represented as i = v/r. I'm trying to work out what value resistor to use in a led circuit. Seems logical, and makes complete sense. A current limiting resistor is often used to control the current going through an led.
from www.electricity-magnetism.org
There are four steps to selecting the proper current limiting resistor value(s): A current limiting resistor is often used to control the current going through an led. Using the desired operating characteristics and led specs, solve the appropriate equations for the. Led current limiting resistor formula. Seems logical, and makes complete sense. What current limiting resistor value should you use if you have one led and want to power it with a supply voltage of vs = 3.8v? I'm trying to work out what value resistor to use in a led circuit. The equation can be represented as i = v/r. Equation 3 calculates the current. Learn how to select the right resistor value and.
How do I calculate the value of a current limiting resistor?
Current Limiting Resistor Equation Equation 3 calculates the current. Equation 3 calculates the current. Seems logical, and makes complete sense. I'm trying to work out what value resistor to use in a led circuit. A current limiting resistor is often used to control the current going through an led. What current limiting resistor value should you use if you have one led and want to power it with a supply voltage of vs = 3.8v? Learn how to select the right resistor value and. Led current limiting resistor formula. The equation can be represented as i = v/r. The equation i'd use to do this is: Using the desired operating characteristics and led specs, solve the appropriate equations for the. There are four steps to selecting the proper current limiting resistor value(s):
From pedals-curiousmotor.blogspot.com
Current Limiting Resistors Current Limiting Resistor Equation The equation i'd use to do this is: What current limiting resistor value should you use if you have one led and want to power it with a supply voltage of vs = 3.8v? The equation can be represented as i = v/r. Learn how to select the right resistor value and. Led current limiting resistor formula. A current limiting. Current Limiting Resistor Equation.
From www.youtube.com
LED Current Limiting Resistor Values YouTube Current Limiting Resistor Equation There are four steps to selecting the proper current limiting resistor value(s): Equation 3 calculates the current. A current limiting resistor is often used to control the current going through an led. Seems logical, and makes complete sense. The equation i'd use to do this is: Using the desired operating characteristics and led specs, solve the appropriate equations for the.. Current Limiting Resistor Equation.
From www.seekic.com
CURRENT LIMITING RESISTOR CALCULATOR Basic_Circuit Circuit Diagram Current Limiting Resistor Equation Learn how to select the right resistor value and. A current limiting resistor is often used to control the current going through an led. What current limiting resistor value should you use if you have one led and want to power it with a supply voltage of vs = 3.8v? The equation i'd use to do this is: Equation 3. Current Limiting Resistor Equation.
From www.youtube.com
Current Limiting Resistors YouTube Current Limiting Resistor Equation Equation 3 calculates the current. Learn how to select the right resistor value and. The equation can be represented as i = v/r. There are four steps to selecting the proper current limiting resistor value(s): A current limiting resistor is often used to control the current going through an led. I'm trying to work out what value resistor to use. Current Limiting Resistor Equation.
From www.ourpcb.com
Current Limiting Resistor Protective Resistor for Regulating Current Current Limiting Resistor Equation What current limiting resistor value should you use if you have one led and want to power it with a supply voltage of vs = 3.8v? Led current limiting resistor formula. I'm trying to work out what value resistor to use in a led circuit. There are four steps to selecting the proper current limiting resistor value(s): Using the desired. Current Limiting Resistor Equation.
From www.jakelectronics.com
What is the Current Limiting Resistor and Its Function? Current Limiting Resistor Equation Led current limiting resistor formula. What current limiting resistor value should you use if you have one led and want to power it with a supply voltage of vs = 3.8v? Using the desired operating characteristics and led specs, solve the appropriate equations for the. A current limiting resistor is often used to control the current going through an led.. Current Limiting Resistor Equation.
From www.youtube.com
How to calculate currentlimiting resistor for Leds YouTube Current Limiting Resistor Equation The equation can be represented as i = v/r. There are four steps to selecting the proper current limiting resistor value(s): The equation i'd use to do this is: Using the desired operating characteristics and led specs, solve the appropriate equations for the. I'm trying to work out what value resistor to use in a led circuit. A current limiting. Current Limiting Resistor Equation.
From www.kallglow.com
RC04. How to calculate the current limit of a resistor? » KallGlow Current Limiting Resistor Equation Learn how to select the right resistor value and. Using the desired operating characteristics and led specs, solve the appropriate equations for the. The equation can be represented as i = v/r. Seems logical, and makes complete sense. Equation 3 calculates the current. Led current limiting resistor formula. The equation i'd use to do this is: I'm trying to work. Current Limiting Resistor Equation.
From www.pcba-manufacturers.com
Current Limiting Resistors Principles, Functionality and More PCBA Current Limiting Resistor Equation What current limiting resistor value should you use if you have one led and want to power it with a supply voltage of vs = 3.8v? A current limiting resistor is often used to control the current going through an led. The equation can be represented as i = v/r. Using the desired operating characteristics and led specs, solve the. Current Limiting Resistor Equation.
From www.build-electronic-circuits.com
Current Limiting Resistor Build Electronic Circuits Current Limiting Resistor Equation What current limiting resistor value should you use if you have one led and want to power it with a supply voltage of vs = 3.8v? I'm trying to work out what value resistor to use in a led circuit. A current limiting resistor is often used to control the current going through an led. The equation can be represented. Current Limiting Resistor Equation.
From www.ourpcb.com
Current Limiting Resistor Protective Resistor for Regulating Current Current Limiting Resistor Equation A current limiting resistor is often used to control the current going through an led. Using the desired operating characteristics and led specs, solve the appropriate equations for the. Seems logical, and makes complete sense. I'm trying to work out what value resistor to use in a led circuit. The equation i'd use to do this is: There are four. Current Limiting Resistor Equation.
From spiceman.net
LED Current Limiting Resistor Calculation Spiceman Current Limiting Resistor Equation Learn how to select the right resistor value and. Seems logical, and makes complete sense. Led current limiting resistor formula. There are four steps to selecting the proper current limiting resistor value(s): I'm trying to work out what value resistor to use in a led circuit. The equation i'd use to do this is: Equation 3 calculates the current. Using. Current Limiting Resistor Equation.
From www.ourpcb.com
Current Limiting Resistor Protective Resistor for Regulating Current Current Limiting Resistor Equation I'm trying to work out what value resistor to use in a led circuit. The equation i'd use to do this is: There are four steps to selecting the proper current limiting resistor value(s): Learn how to select the right resistor value and. Led current limiting resistor formula. What current limiting resistor value should you use if you have one. Current Limiting Resistor Equation.
From blog.gypsyengineer.com
Current limiting resistor for an LED The blog of a gypsy engineer Current Limiting Resistor Equation The equation can be represented as i = v/r. I'm trying to work out what value resistor to use in a led circuit. There are four steps to selecting the proper current limiting resistor value(s): Learn how to select the right resistor value and. A current limiting resistor is often used to control the current going through an led. Using. Current Limiting Resistor Equation.
From e2e.ti.com
OPA547 OPA547 OPAMP current limit (Ilim) resistor calculation Current Limiting Resistor Equation A current limiting resistor is often used to control the current going through an led. What current limiting resistor value should you use if you have one led and want to power it with a supply voltage of vs = 3.8v? Led current limiting resistor formula. There are four steps to selecting the proper current limiting resistor value(s): Equation 3. Current Limiting Resistor Equation.
From www.electricity-magnetism.org
How do I calculate the value of a current limiting resistor? Current Limiting Resistor Equation The equation can be represented as i = v/r. There are four steps to selecting the proper current limiting resistor value(s): Learn how to select the right resistor value and. The equation i'd use to do this is: Using the desired operating characteristics and led specs, solve the appropriate equations for the. Equation 3 calculates the current. What current limiting. Current Limiting Resistor Equation.
From eepower.com
Current Limiting Resistor Calculator Power Electronics Calculators Current Limiting Resistor Equation Seems logical, and makes complete sense. The equation i'd use to do this is: Led current limiting resistor formula. The equation can be represented as i = v/r. I'm trying to work out what value resistor to use in a led circuit. Learn how to select the right resistor value and. A current limiting resistor is often used to control. Current Limiting Resistor Equation.
From www.ourpcb.com
Current Limiting Resistor Protective Resistor for Regulating Current Current Limiting Resistor Equation What current limiting resistor value should you use if you have one led and want to power it with a supply voltage of vs = 3.8v? The equation can be represented as i = v/r. Learn how to select the right resistor value and. There are four steps to selecting the proper current limiting resistor value(s): The equation i'd use. Current Limiting Resistor Equation.
From www.youtube.com
Resistor as a current limiter Basic electronics Ohms Law YouTube Current Limiting Resistor Equation There are four steps to selecting the proper current limiting resistor value(s): Using the desired operating characteristics and led specs, solve the appropriate equations for the. I'm trying to work out what value resistor to use in a led circuit. The equation can be represented as i = v/r. A current limiting resistor is often used to control the current. Current Limiting Resistor Equation.
From www.eleccircuit.com
Current limiting resistor for LED or other loads Current Limiting Resistor Equation The equation can be represented as i = v/r. Learn how to select the right resistor value and. Using the desired operating characteristics and led specs, solve the appropriate equations for the. There are four steps to selecting the proper current limiting resistor value(s): Equation 3 calculates the current. Seems logical, and makes complete sense. The equation i'd use to. Current Limiting Resistor Equation.
From www.ourpcb.com
Current Limiting Resistor Protective Resistor for Regulating Current Current Limiting Resistor Equation Using the desired operating characteristics and led specs, solve the appropriate equations for the. What current limiting resistor value should you use if you have one led and want to power it with a supply voltage of vs = 3.8v? There are four steps to selecting the proper current limiting resistor value(s): A current limiting resistor is often used to. Current Limiting Resistor Equation.
From www.youtube.com
Optimum value of current limiting resistor YouTube Current Limiting Resistor Equation Equation 3 calculates the current. Using the desired operating characteristics and led specs, solve the appropriate equations for the. I'm trying to work out what value resistor to use in a led circuit. The equation i'd use to do this is: The equation can be represented as i = v/r. Learn how to select the right resistor value and. There. Current Limiting Resistor Equation.
From ohmmeterikoroku.blogspot.com
Ohmmeter Ohmmeter Current Limiting Resistor Formula Current Limiting Resistor Equation The equation i'd use to do this is: Equation 3 calculates the current. There are four steps to selecting the proper current limiting resistor value(s): What current limiting resistor value should you use if you have one led and want to power it with a supply voltage of vs = 3.8v? I'm trying to work out what value resistor to. Current Limiting Resistor Equation.
From pedals-curiousmotor.blogspot.com
Current Limiting Resistors Current Limiting Resistor Equation Led current limiting resistor formula. The equation can be represented as i = v/r. Seems logical, and makes complete sense. A current limiting resistor is often used to control the current going through an led. The equation i'd use to do this is: Using the desired operating characteristics and led specs, solve the appropriate equations for the. What current limiting. Current Limiting Resistor Equation.
From millianakauler.blogspot.com
Current Limiter Resistor Calculator Current Limiting Resistor Equation What current limiting resistor value should you use if you have one led and want to power it with a supply voltage of vs = 3.8v? There are four steps to selecting the proper current limiting resistor value(s): Equation 3 calculates the current. Learn how to select the right resistor value and. The equation can be represented as i =. Current Limiting Resistor Equation.
From electricalacademia.com
Series Circuit Definition Series Circuit Examples Electrical Academia Current Limiting Resistor Equation The equation can be represented as i = v/r. Equation 3 calculates the current. A current limiting resistor is often used to control the current going through an led. Seems logical, and makes complete sense. There are four steps to selecting the proper current limiting resistor value(s): I'm trying to work out what value resistor to use in a led. Current Limiting Resistor Equation.
From www.electricity-magnetism.org
How do I calculate the value of a current limiting resistor? Current Limiting Resistor Equation I'm trying to work out what value resistor to use in a led circuit. Using the desired operating characteristics and led specs, solve the appropriate equations for the. Led current limiting resistor formula. The equation i'd use to do this is: Learn how to select the right resistor value and. What current limiting resistor value should you use if you. Current Limiting Resistor Equation.
From electronicshacks.com
What Is a Current Limiting Resistor? ElectronicsHacks Current Limiting Resistor Equation Seems logical, and makes complete sense. Using the desired operating characteristics and led specs, solve the appropriate equations for the. What current limiting resistor value should you use if you have one led and want to power it with a supply voltage of vs = 3.8v? There are four steps to selecting the proper current limiting resistor value(s): Learn how. Current Limiting Resistor Equation.
From www.apogeeweb.net
What is the Current Limiting Resistor and Its Function? Current Limiting Resistor Equation Using the desired operating characteristics and led specs, solve the appropriate equations for the. What current limiting resistor value should you use if you have one led and want to power it with a supply voltage of vs = 3.8v? The equation can be represented as i = v/r. The equation i'd use to do this is: Led current limiting. Current Limiting Resistor Equation.
From www.nutsvolts.com
Calculating Current Limiting Resistor Values for LED Circuits Nuts Current Limiting Resistor Equation Learn how to select the right resistor value and. The equation i'd use to do this is: What current limiting resistor value should you use if you have one led and want to power it with a supply voltage of vs = 3.8v? The equation can be represented as i = v/r. I'm trying to work out what value resistor. Current Limiting Resistor Equation.
From www.chegg.com
Solved Determine the value of the current limiting resistor Current Limiting Resistor Equation Led current limiting resistor formula. The equation can be represented as i = v/r. Learn how to select the right resistor value and. What current limiting resistor value should you use if you have one led and want to power it with a supply voltage of vs = 3.8v? Seems logical, and makes complete sense. I'm trying to work out. Current Limiting Resistor Equation.
From learn.sparkfun.com
Resistors Current Limiting Resistor Equation I'm trying to work out what value resistor to use in a led circuit. A current limiting resistor is often used to control the current going through an led. Equation 3 calculates the current. Using the desired operating characteristics and led specs, solve the appropriate equations for the. The equation i'd use to do this is: Led current limiting resistor. Current Limiting Resistor Equation.
From www.eleccircuit.com
Current limiting resistor for LED or other loads Current Limiting Resistor Equation The equation can be represented as i = v/r. Seems logical, and makes complete sense. There are four steps to selecting the proper current limiting resistor value(s): I'm trying to work out what value resistor to use in a led circuit. The equation i'd use to do this is: Learn how to select the right resistor value and. What current. Current Limiting Resistor Equation.
From e2e.ti.com
OPA547 OPA547 OPAMP current limit (Ilim) resistor calculation Current Limiting Resistor Equation Led current limiting resistor formula. A current limiting resistor is often used to control the current going through an led. The equation i'd use to do this is: What current limiting resistor value should you use if you have one led and want to power it with a supply voltage of vs = 3.8v? Using the desired operating characteristics and. Current Limiting Resistor Equation.
From tangiblemedia.ca
Current Limiting Resistors for LEDs tangible Current Limiting Resistor Equation A current limiting resistor is often used to control the current going through an led. What current limiting resistor value should you use if you have one led and want to power it with a supply voltage of vs = 3.8v? Led current limiting resistor formula. Equation 3 calculates the current. Learn how to select the right resistor value and.. Current Limiting Resistor Equation.