Graco Sprayer 395 Parts . Machines covered in this category are ultra 395 pc, ultimate nova 395 pc, ultra 395 pc pro. Description qty 1 107434 bearing, thrust 1 2 117828 packing,. Please use only genuine graco replacement parts. Find the most common parts for your graco ultimate nova 395 pc. When you are searching for graco 395 sprayer parts you must. All graco 395 paint sprayers have parts that are made to last for a very long time.
from www.ereplacementparts.com
Find the most common parts for your graco ultimate nova 395 pc. Description qty 1 107434 bearing, thrust 1 2 117828 packing,. Machines covered in this category are ultra 395 pc, ultimate nova 395 pc, ultra 395 pc pro. When you are searching for graco 395 sprayer parts you must. All graco 395 paint sprayers have parts that are made to last for a very long time. Please use only genuine graco replacement parts.
Graco HiBoy Ultra 395 Paint Sprayer 233962
Graco Sprayer 395 Parts Find the most common parts for your graco ultimate nova 395 pc. All graco 395 paint sprayers have parts that are made to last for a very long time. Find the most common parts for your graco ultimate nova 395 pc. Machines covered in this category are ultra 395 pc, ultimate nova 395 pc, ultra 395 pc pro. Please use only genuine graco replacement parts. When you are searching for graco 395 sprayer parts you must. Description qty 1 107434 bearing, thrust 1 2 117828 packing,.
From www.portlandcompressor.com
Graco 395 PC HiBoy Parts Breakdown 17C317 Graco Sprayer 395 Parts Please use only genuine graco replacement parts. All graco 395 paint sprayers have parts that are made to last for a very long time. When you are searching for graco 395 sprayer parts you must. Machines covered in this category are ultra 395 pc, ultimate nova 395 pc, ultra 395 pc pro. Description qty 1 107434 bearing, thrust 1 2. Graco Sprayer 395 Parts.
From sprayersandparts.com
Graco Ultra 395 Electric Airless Sprayer Graco Sprayer 395 Parts Please use only genuine graco replacement parts. Description qty 1 107434 bearing, thrust 1 2 117828 packing,. All graco 395 paint sprayers have parts that are made to last for a very long time. When you are searching for graco 395 sprayer parts you must. Machines covered in this category are ultra 395 pc, ultimate nova 395 pc, ultra 395. Graco Sprayer 395 Parts.
From www.graco.com
FinishPro II 395 PC Electric AirAssisted Airless Sprayer Graco Sprayer 395 Parts Machines covered in this category are ultra 395 pc, ultimate nova 395 pc, ultra 395 pc pro. All graco 395 paint sprayers have parts that are made to last for a very long time. Description qty 1 107434 bearing, thrust 1 2 117828 packing,. Find the most common parts for your graco ultimate nova 395 pc. When you are searching. Graco Sprayer 395 Parts.
From sprayersandparts.com
Graco Ultra 395 PC Electric Airless Paint Sprayer Parts Graco Sprayer 395 Parts Machines covered in this category are ultra 395 pc, ultimate nova 395 pc, ultra 395 pc pro. When you are searching for graco 395 sprayer parts you must. All graco 395 paint sprayers have parts that are made to last for a very long time. Description qty 1 107434 bearing, thrust 1 2 117828 packing,. Please use only genuine graco. Graco Sprayer 395 Parts.
From www.ereplacementparts.com
Graco HiBoy Ultra 395 Paint Sprayer 233962 Graco Sprayer 395 Parts Machines covered in this category are ultra 395 pc, ultimate nova 395 pc, ultra 395 pc pro. Find the most common parts for your graco ultimate nova 395 pc. All graco 395 paint sprayers have parts that are made to last for a very long time. Please use only genuine graco replacement parts. When you are searching for graco 395. Graco Sprayer 395 Parts.
From www.thepumpoutlet.com
Graco 395 390 PC Paint Sprayer Piston Rod Repair Kit 24W617 Graco Sprayer 395 Parts Description qty 1 107434 bearing, thrust 1 2 117828 packing,. All graco 395 paint sprayers have parts that are made to last for a very long time. Machines covered in this category are ultra 395 pc, ultimate nova 395 pc, ultra 395 pc pro. When you are searching for graco 395 sprayer parts you must. Find the most common parts. Graco Sprayer 395 Parts.
From guidewiringhousehold.z14.web.core.windows.net
Graco Nova 395 Parts Manual Graco Sprayer 395 Parts Machines covered in this category are ultra 395 pc, ultimate nova 395 pc, ultra 395 pc pro. Find the most common parts for your graco ultimate nova 395 pc. When you are searching for graco 395 sprayer parts you must. All graco 395 paint sprayers have parts that are made to last for a very long time. Please use only. Graco Sprayer 395 Parts.
From www.paintsprayerslv.com
Graco Ultra 395PC Repair Parts (2nd Generation) Paint Sprayers Unlimited Graco Sprayer 395 Parts Description qty 1 107434 bearing, thrust 1 2 117828 packing,. Find the most common parts for your graco ultimate nova 395 pc. When you are searching for graco 395 sprayer parts you must. Please use only genuine graco replacement parts. All graco 395 paint sprayers have parts that are made to last for a very long time. Machines covered in. Graco Sprayer 395 Parts.
From www.portlandcompressor.com
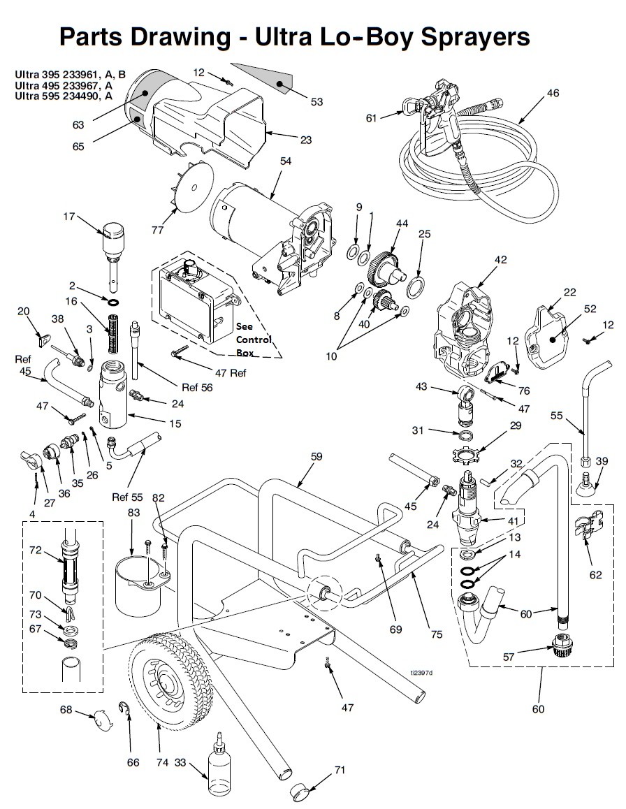
Graco 395 PC LoBoy Parts Breakdown 17C315 Graco Sprayer 395 Parts Machines covered in this category are ultra 395 pc, ultimate nova 395 pc, ultra 395 pc pro. When you are searching for graco 395 sprayer parts you must. Description qty 1 107434 bearing, thrust 1 2 117828 packing,. All graco 395 paint sprayers have parts that are made to last for a very long time. Find the most common parts. Graco Sprayer 395 Parts.
From sprayersandparts.com
Graco Ultra 395 PC Electric Airless Paint Sprayer Parts Graco Sprayer 395 Parts Machines covered in this category are ultra 395 pc, ultimate nova 395 pc, ultra 395 pc pro. When you are searching for graco 395 sprayer parts you must. All graco 395 paint sprayers have parts that are made to last for a very long time. Description qty 1 107434 bearing, thrust 1 2 117828 packing,. Please use only genuine graco. Graco Sprayer 395 Parts.
From sprayersandparts.com
Graco 395 ST Pro Airless Paint Sprayers Graco Sprayer 395 Parts Description qty 1 107434 bearing, thrust 1 2 117828 packing,. Machines covered in this category are ultra 395 pc, ultimate nova 395 pc, ultra 395 pc pro. Please use only genuine graco replacement parts. When you are searching for graco 395 sprayer parts you must. All graco 395 paint sprayers have parts that are made to last for a very. Graco Sprayer 395 Parts.
From sprayersandparts.com
Graco Ultra 395 PC Electric Airless Paint Sprayer Parts Graco Sprayer 395 Parts Description qty 1 107434 bearing, thrust 1 2 117828 packing,. Find the most common parts for your graco ultimate nova 395 pc. When you are searching for graco 395 sprayer parts you must. Please use only genuine graco replacement parts. All graco 395 paint sprayers have parts that are made to last for a very long time. Machines covered in. Graco Sprayer 395 Parts.
From sprayersandparts.com
Graco 395 Series Airless Sprayer Parts Graco Sprayer 395 Parts Description qty 1 107434 bearing, thrust 1 2 117828 packing,. When you are searching for graco 395 sprayer parts you must. All graco 395 paint sprayers have parts that are made to last for a very long time. Please use only genuine graco replacement parts. Machines covered in this category are ultra 395 pc, ultimate nova 395 pc, ultra 395. Graco Sprayer 395 Parts.
From www.paintsprayerslv.com
Graco Ultra 395 495 595 Repair Parts Paint Sprayers Unlimited Graco Sprayer 395 Parts Please use only genuine graco replacement parts. All graco 395 paint sprayers have parts that are made to last for a very long time. Description qty 1 107434 bearing, thrust 1 2 117828 packing,. When you are searching for graco 395 sprayer parts you must. Machines covered in this category are ultra 395 pc, ultimate nova 395 pc, ultra 395. Graco Sprayer 395 Parts.
From www.portlandcompressor.com
Graco Ultra 395, 495, 595 LoBoy Parts Breakdown Graco Sprayer 395 Parts Description qty 1 107434 bearing, thrust 1 2 117828 packing,. All graco 395 paint sprayers have parts that are made to last for a very long time. When you are searching for graco 395 sprayer parts you must. Find the most common parts for your graco ultimate nova 395 pc. Please use only genuine graco replacement parts. Machines covered in. Graco Sprayer 395 Parts.
From schempal.com
The Ultimate Guide to Understanding Graco 395 Parts Diagram Graco Sprayer 395 Parts When you are searching for graco 395 sprayer parts you must. All graco 395 paint sprayers have parts that are made to last for a very long time. Description qty 1 107434 bearing, thrust 1 2 117828 packing,. Machines covered in this category are ultra 395 pc, ultimate nova 395 pc, ultra 395 pc pro. Find the most common parts. Graco Sprayer 395 Parts.
From sprayersandparts.com
Graco Ultra 395 PC Electric Airless Paint Sprayer Parts Graco Sprayer 395 Parts Please use only genuine graco replacement parts. All graco 395 paint sprayers have parts that are made to last for a very long time. Find the most common parts for your graco ultimate nova 395 pc. Description qty 1 107434 bearing, thrust 1 2 117828 packing,. When you are searching for graco 395 sprayer parts you must. Machines covered in. Graco Sprayer 395 Parts.
From sprayersandparts.com
Graco 395 Series Airless Sprayer Parts Graco Sprayer 395 Parts Machines covered in this category are ultra 395 pc, ultimate nova 395 pc, ultra 395 pc pro. All graco 395 paint sprayers have parts that are made to last for a very long time. When you are searching for graco 395 sprayer parts you must. Description qty 1 107434 bearing, thrust 1 2 117828 packing,. Find the most common parts. Graco Sprayer 395 Parts.
From sprayersandparts.com
Graco Ultra 395 PC Electric Airless Paint Sprayer Parts Graco Sprayer 395 Parts Please use only genuine graco replacement parts. Find the most common parts for your graco ultimate nova 395 pc. Machines covered in this category are ultra 395 pc, ultimate nova 395 pc, ultra 395 pc pro. When you are searching for graco 395 sprayer parts you must. All graco 395 paint sprayers have parts that are made to last for. Graco Sprayer 395 Parts.
From sprayersandparts.com
Graco Ultra 395 PC Electric Airless Paint Sprayer Parts Graco Sprayer 395 Parts All graco 395 paint sprayers have parts that are made to last for a very long time. When you are searching for graco 395 sprayer parts you must. Machines covered in this category are ultra 395 pc, ultimate nova 395 pc, ultra 395 pc pro. Description qty 1 107434 bearing, thrust 1 2 117828 packing,. Please use only genuine graco. Graco Sprayer 395 Parts.
From sprayersandparts.com
Graco Ultra 395 PC Electric Airless Paint Sprayer Parts Graco Sprayer 395 Parts Find the most common parts for your graco ultimate nova 395 pc. All graco 395 paint sprayers have parts that are made to last for a very long time. Description qty 1 107434 bearing, thrust 1 2 117828 packing,. Machines covered in this category are ultra 395 pc, ultimate nova 395 pc, ultra 395 pc pro. When you are searching. Graco Sprayer 395 Parts.
From sprayersandparts.com
Shop Graco Electric Airless Paint Sprayers Parts Graco Sprayer 395 Parts When you are searching for graco 395 sprayer parts you must. Please use only genuine graco replacement parts. Machines covered in this category are ultra 395 pc, ultimate nova 395 pc, ultra 395 pc pro. Find the most common parts for your graco ultimate nova 395 pc. All graco 395 paint sprayers have parts that are made to last for. Graco Sprayer 395 Parts.
From sprayersandparts.com
Graco 395 ST Pro Airless Paint Sprayers Graco Sprayer 395 Parts Please use only genuine graco replacement parts. All graco 395 paint sprayers have parts that are made to last for a very long time. Find the most common parts for your graco ultimate nova 395 pc. Description qty 1 107434 bearing, thrust 1 2 117828 packing,. When you are searching for graco 395 sprayer parts you must. Machines covered in. Graco Sprayer 395 Parts.
From schempal.com
The Ultimate Guide to Understanding Graco 395 Parts Diagram Graco Sprayer 395 Parts Find the most common parts for your graco ultimate nova 395 pc. Please use only genuine graco replacement parts. All graco 395 paint sprayers have parts that are made to last for a very long time. Machines covered in this category are ultra 395 pc, ultimate nova 395 pc, ultra 395 pc pro. When you are searching for graco 395. Graco Sprayer 395 Parts.
From sprayersandparts.com
Graco 395 ST Pro Airless Paint Sprayers Graco Sprayer 395 Parts All graco 395 paint sprayers have parts that are made to last for a very long time. When you are searching for graco 395 sprayer parts you must. Description qty 1 107434 bearing, thrust 1 2 117828 packing,. Find the most common parts for your graco ultimate nova 395 pc. Please use only genuine graco replacement parts. Machines covered in. Graco Sprayer 395 Parts.
From schempal.com
The Ultimate Guide to Understanding Graco 395 Parts Diagram Graco Sprayer 395 Parts All graco 395 paint sprayers have parts that are made to last for a very long time. Find the most common parts for your graco ultimate nova 395 pc. Description qty 1 107434 bearing, thrust 1 2 117828 packing,. Machines covered in this category are ultra 395 pc, ultimate nova 395 pc, ultra 395 pc pro. Please use only genuine. Graco Sprayer 395 Parts.
From schempal.com
The Ultimate Guide to Understanding Graco 395 Parts Diagram Graco Sprayer 395 Parts All graco 395 paint sprayers have parts that are made to last for a very long time. Machines covered in this category are ultra 395 pc, ultimate nova 395 pc, ultra 395 pc pro. Description qty 1 107434 bearing, thrust 1 2 117828 packing,. Find the most common parts for your graco ultimate nova 395 pc. When you are searching. Graco Sprayer 395 Parts.
From sprayersandparts.com
Graco Ultra 395 PC Electric Airless Paint Sprayer Parts Graco Sprayer 395 Parts Find the most common parts for your graco ultimate nova 395 pc. All graco 395 paint sprayers have parts that are made to last for a very long time. Description qty 1 107434 bearing, thrust 1 2 117828 packing,. Machines covered in this category are ultra 395 pc, ultimate nova 395 pc, ultra 395 pc pro. When you are searching. Graco Sprayer 395 Parts.
From sprayersandparts.com
Graco Ultra 395 PC Electric Airless Paint Sprayer Parts Graco Sprayer 395 Parts Find the most common parts for your graco ultimate nova 395 pc. Description qty 1 107434 bearing, thrust 1 2 117828 packing,. Machines covered in this category are ultra 395 pc, ultimate nova 395 pc, ultra 395 pc pro. Please use only genuine graco replacement parts. When you are searching for graco 395 sprayer parts you must. All graco 395. Graco Sprayer 395 Parts.
From www.portlandcompressor.com
Graco 395 PC HiBoy Parts Breakdown 17C317 Graco Sprayer 395 Parts Machines covered in this category are ultra 395 pc, ultimate nova 395 pc, ultra 395 pc pro. Description qty 1 107434 bearing, thrust 1 2 117828 packing,. Find the most common parts for your graco ultimate nova 395 pc. Please use only genuine graco replacement parts. All graco 395 paint sprayers have parts that are made to last for a. Graco Sprayer 395 Parts.
From scheme360.net
Graco 395 Parts Diagram Graco Sprayer 395 Parts Please use only genuine graco replacement parts. When you are searching for graco 395 sprayer parts you must. Machines covered in this category are ultra 395 pc, ultimate nova 395 pc, ultra 395 pc pro. All graco 395 paint sprayers have parts that are made to last for a very long time. Description qty 1 107434 bearing, thrust 1 2. Graco Sprayer 395 Parts.
From www.portlandcompressor.com
Graco 395 PC Stand Parts Breakdown 17C314 Graco Sprayer 395 Parts All graco 395 paint sprayers have parts that are made to last for a very long time. Please use only genuine graco replacement parts. Find the most common parts for your graco ultimate nova 395 pc. Machines covered in this category are ultra 395 pc, ultimate nova 395 pc, ultra 395 pc pro. When you are searching for graco 395. Graco Sprayer 395 Parts.
From www.ereplacementparts.com
Graco 395 Parts List and Diagram (233980) Graco Sprayer 395 Parts Find the most common parts for your graco ultimate nova 395 pc. When you are searching for graco 395 sprayer parts you must. Machines covered in this category are ultra 395 pc, ultimate nova 395 pc, ultra 395 pc pro. Description qty 1 107434 bearing, thrust 1 2 117828 packing,. Please use only genuine graco replacement parts. All graco 395. Graco Sprayer 395 Parts.
From mybios.me
Graco Airless Paint Sprayer Parts Breakdown My Bios Graco Sprayer 395 Parts Machines covered in this category are ultra 395 pc, ultimate nova 395 pc, ultra 395 pc pro. Find the most common parts for your graco ultimate nova 395 pc. When you are searching for graco 395 sprayer parts you must. Please use only genuine graco replacement parts. All graco 395 paint sprayers have parts that are made to last for. Graco Sprayer 395 Parts.
From diagramlibraryschemer.z19.web.core.windows.net
Graco 395 St Pro Parts Diagram Graco Sprayer 395 Parts All graco 395 paint sprayers have parts that are made to last for a very long time. Machines covered in this category are ultra 395 pc, ultimate nova 395 pc, ultra 395 pc pro. When you are searching for graco 395 sprayer parts you must. Please use only genuine graco replacement parts. Description qty 1 107434 bearing, thrust 1 2. Graco Sprayer 395 Parts.