What Causes Hydraulics To Run Slow . The following troubleshooting guides cover five categories of hydraulic problems. Here we discuss the critical role that individual components play in hydraulics and why it may be that these components are causing the system. Contaminants such as dirt, debris, water, and air bubbles can compromise the performance and lifespan of the pump. When a pump is delivering some flow, but less than normal, here are nine possible culprits. Possible causes and remedies are. The most common causes of poor hydraulic performance are. Noise, elevated temperatures and slow or erratic operation are all signs of problems with your system. One of the most prevalent issues with hydraulic pumps is fluid contamination. The single, most common problem with a hydraulic system is that the actuator (cylinder or hydraulic motor) slows down progressively as the oil. Contaminated fluid can lead to increased wear and tear on pump components, reduced efficiency, and potential system failure. The most common complaint i hear equipment owners and users make about their hydraulic systems can be. Your situation is obviously one where an expected performance isn’t being met, or there was a sudden and dramatic slowdown of your.
from www.powermotiontech.com
Noise, elevated temperatures and slow or erratic operation are all signs of problems with your system. Your situation is obviously one where an expected performance isn’t being met, or there was a sudden and dramatic slowdown of your. When a pump is delivering some flow, but less than normal, here are nine possible culprits. Here we discuss the critical role that individual components play in hydraulics and why it may be that these components are causing the system. The single, most common problem with a hydraulic system is that the actuator (cylinder or hydraulic motor) slows down progressively as the oil. Contaminants such as dirt, debris, water, and air bubbles can compromise the performance and lifespan of the pump. The most common complaint i hear equipment owners and users make about their hydraulic systems can be. The following troubleshooting guides cover five categories of hydraulic problems. The most common causes of poor hydraulic performance are. Contaminated fluid can lead to increased wear and tear on pump components, reduced efficiency, and potential system failure.
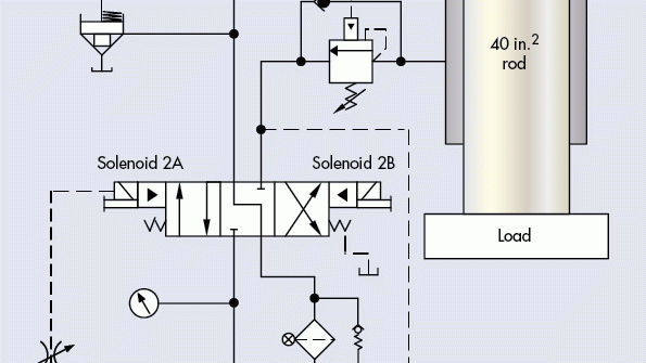
Troubleshooting Challenge Cylinder Speed Running Slow Power & Motion
What Causes Hydraulics To Run Slow Your situation is obviously one where an expected performance isn’t being met, or there was a sudden and dramatic slowdown of your. Your situation is obviously one where an expected performance isn’t being met, or there was a sudden and dramatic slowdown of your. Here we discuss the critical role that individual components play in hydraulics and why it may be that these components are causing the system. Possible causes and remedies are. The most common complaint i hear equipment owners and users make about their hydraulic systems can be. When a pump is delivering some flow, but less than normal, here are nine possible culprits. The single, most common problem with a hydraulic system is that the actuator (cylinder or hydraulic motor) slows down progressively as the oil. One of the most prevalent issues with hydraulic pumps is fluid contamination. The following troubleshooting guides cover five categories of hydraulic problems. Contaminants such as dirt, debris, water, and air bubbles can compromise the performance and lifespan of the pump. Contaminated fluid can lead to increased wear and tear on pump components, reduced efficiency, and potential system failure. The most common causes of poor hydraulic performance are. Noise, elevated temperatures and slow or erratic operation are all signs of problems with your system.
From www.youtube.com
How To Read Hydraulic Power Unit Schematics YouTube What Causes Hydraulics To Run Slow Contaminated fluid can lead to increased wear and tear on pump components, reduced efficiency, and potential system failure. The following troubleshooting guides cover five categories of hydraulic problems. The most common complaint i hear equipment owners and users make about their hydraulic systems can be. One of the most prevalent issues with hydraulic pumps is fluid contamination. The most common. What Causes Hydraulics To Run Slow.
From www.youtube.com
Hydraulic Pump Failure and Maintenance Tips YouTube What Causes Hydraulics To Run Slow Possible causes and remedies are. Noise, elevated temperatures and slow or erratic operation are all signs of problems with your system. Contaminants such as dirt, debris, water, and air bubbles can compromise the performance and lifespan of the pump. Here we discuss the critical role that individual components play in hydraulics and why it may be that these components are. What Causes Hydraulics To Run Slow.
From www.reddit.com
C/S Hydraulics are slow What Causes Hydraulics To Run Slow Noise, elevated temperatures and slow or erratic operation are all signs of problems with your system. Your situation is obviously one where an expected performance isn’t being met, or there was a sudden and dramatic slowdown of your. One of the most prevalent issues with hydraulic pumps is fluid contamination. The most common complaint i hear equipment owners and users. What Causes Hydraulics To Run Slow.
From magnom.com
CASE DRAIN FILTRATION, STOP HYDRAULIC MOTOR & PUMP FAILURE Magnom What Causes Hydraulics To Run Slow One of the most prevalent issues with hydraulic pumps is fluid contamination. The most common causes of poor hydraulic performance are. Noise, elevated temperatures and slow or erratic operation are all signs of problems with your system. Here we discuss the critical role that individual components play in hydraulics and why it may be that these components are causing the. What Causes Hydraulics To Run Slow.
From www.plm.automation.siemens.com
Introduction to the fundamentals of hydraulics What Causes Hydraulics To Run Slow The following troubleshooting guides cover five categories of hydraulic problems. Contaminants such as dirt, debris, water, and air bubbles can compromise the performance and lifespan of the pump. Contaminated fluid can lead to increased wear and tear on pump components, reduced efficiency, and potential system failure. Noise, elevated temperatures and slow or erratic operation are all signs of problems with. What Causes Hydraulics To Run Slow.
From fixfixbauer.z19.web.core.windows.net
Block Diagram Of Car Hydraulics What Causes Hydraulics To Run Slow The most common complaint i hear equipment owners and users make about their hydraulic systems can be. Your situation is obviously one where an expected performance isn’t being met, or there was a sudden and dramatic slowdown of your. The single, most common problem with a hydraulic system is that the actuator (cylinder or hydraulic motor) slows down progressively as. What Causes Hydraulics To Run Slow.
From www.whitetankandtruck.com
What Are Hydraulics Systems? White Tank & Truck Repair What Causes Hydraulics To Run Slow Contaminants such as dirt, debris, water, and air bubbles can compromise the performance and lifespan of the pump. Your situation is obviously one where an expected performance isn’t being met, or there was a sudden and dramatic slowdown of your. Contaminated fluid can lead to increased wear and tear on pump components, reduced efficiency, and potential system failure. One of. What Causes Hydraulics To Run Slow.
From www.scribd.com
Копија Датотеке FAR Slow Hydraulics PDF Tools Gases What Causes Hydraulics To Run Slow One of the most prevalent issues with hydraulic pumps is fluid contamination. The following troubleshooting guides cover five categories of hydraulic problems. Here we discuss the critical role that individual components play in hydraulics and why it may be that these components are causing the system. Contaminants such as dirt, debris, water, and air bubbles can compromise the performance and. What Causes Hydraulics To Run Slow.
From info.texasfinaldrive.com
What Causes Hydraulic Fluid to Overheat What Causes Hydraulics To Run Slow Your situation is obviously one where an expected performance isn’t being met, or there was a sudden and dramatic slowdown of your. The single, most common problem with a hydraulic system is that the actuator (cylinder or hydraulic motor) slows down progressively as the oil. The following troubleshooting guides cover five categories of hydraulic problems. The most common causes of. What Causes Hydraulics To Run Slow.
From blogs.bu.edu
What causes hydraulics to run slow? Kawasaki Hydraulic Pump What Causes Hydraulics To Run Slow One of the most prevalent issues with hydraulic pumps is fluid contamination. The following troubleshooting guides cover five categories of hydraulic problems. Possible causes and remedies are. Contaminants such as dirt, debris, water, and air bubbles can compromise the performance and lifespan of the pump. Your situation is obviously one where an expected performance isn’t being met, or there was. What Causes Hydraulics To Run Slow.
From dokumen.tips
(PPT) What are Hydraulics? DOKUMEN.TIPS What Causes Hydraulics To Run Slow Here we discuss the critical role that individual components play in hydraulics and why it may be that these components are causing the system. Noise, elevated temperatures and slow or erratic operation are all signs of problems with your system. Contaminated fluid can lead to increased wear and tear on pump components, reduced efficiency, and potential system failure. The most. What Causes Hydraulics To Run Slow.
From robsonforensic.com
Failures & Fundamentals Hydraulic Systems Expert Overview Robson What Causes Hydraulics To Run Slow Contaminated fluid can lead to increased wear and tear on pump components, reduced efficiency, and potential system failure. Contaminants such as dirt, debris, water, and air bubbles can compromise the performance and lifespan of the pump. The most common causes of poor hydraulic performance are. One of the most prevalent issues with hydraulic pumps is fluid contamination. The following troubleshooting. What Causes Hydraulics To Run Slow.
From flinthyd.blogspot.com
Flint Hydraulics, Inc. Resistance to flow causes pressure What Causes Hydraulics To Run Slow One of the most prevalent issues with hydraulic pumps is fluid contamination. Possible causes and remedies are. The most common complaint i hear equipment owners and users make about their hydraulic systems can be. Here we discuss the critical role that individual components play in hydraulics and why it may be that these components are causing the system. When a. What Causes Hydraulics To Run Slow.
From knowhowcommunity.org
What Does a Case Drain Do on a Hydraulic Motor Know How Community What Causes Hydraulics To Run Slow Contaminants such as dirt, debris, water, and air bubbles can compromise the performance and lifespan of the pump. The most common causes of poor hydraulic performance are. When a pump is delivering some flow, but less than normal, here are nine possible culprits. Possible causes and remedies are. The single, most common problem with a hydraulic system is that the. What Causes Hydraulics To Run Slow.
From nttinc.com
Troubleshooting Hydraulics What Do Your Workers Need to Know? NTT What Causes Hydraulics To Run Slow Possible causes and remedies are. The following troubleshooting guides cover five categories of hydraulic problems. When a pump is delivering some flow, but less than normal, here are nine possible culprits. Contaminated fluid can lead to increased wear and tear on pump components, reduced efficiency, and potential system failure. Noise, elevated temperatures and slow or erratic operation are all signs. What Causes Hydraulics To Run Slow.
From www.dreamstime.com
Hydraulics Pascal Principle Stock Illustration Illustration of What Causes Hydraulics To Run Slow When a pump is delivering some flow, but less than normal, here are nine possible culprits. The most common causes of poor hydraulic performance are. Your situation is obviously one where an expected performance isn’t being met, or there was a sudden and dramatic slowdown of your. Contaminated fluid can lead to increased wear and tear on pump components, reduced. What Causes Hydraulics To Run Slow.
From www.powermotiontech.com
Troubleshooting Challenge Cylinder Speed Running Slow Power & Motion What Causes Hydraulics To Run Slow Contaminants such as dirt, debris, water, and air bubbles can compromise the performance and lifespan of the pump. Noise, elevated temperatures and slow or erratic operation are all signs of problems with your system. Here we discuss the critical role that individual components play in hydraulics and why it may be that these components are causing the system. The most. What Causes Hydraulics To Run Slow.
From www.microscopio.pro
Cuáles Son Las Propiedades De Los Fluidos Hidráulicos What Causes Hydraulics To Run Slow The single, most common problem with a hydraulic system is that the actuator (cylinder or hydraulic motor) slows down progressively as the oil. One of the most prevalent issues with hydraulic pumps is fluid contamination. Possible causes and remedies are. The following troubleshooting guides cover five categories of hydraulic problems. Your situation is obviously one where an expected performance isn’t. What Causes Hydraulics To Run Slow.
From www.pinterest.com
Working Principle of Hydraulic Jack Hydraulic systems, Engineering What Causes Hydraulics To Run Slow Here we discuss the critical role that individual components play in hydraulics and why it may be that these components are causing the system. The most common complaint i hear equipment owners and users make about their hydraulic systems can be. The following troubleshooting guides cover five categories of hydraulic problems. The single, most common problem with a hydraulic system. What Causes Hydraulics To Run Slow.
From gohydraulics.ca
What Can Cause Hydraulics to Fail? Go Hydraulics What Causes Hydraulics To Run Slow Possible causes and remedies are. The following troubleshooting guides cover five categories of hydraulic problems. The most common complaint i hear equipment owners and users make about their hydraulic systems can be. Your situation is obviously one where an expected performance isn’t being met, or there was a sudden and dramatic slowdown of your. When a pump is delivering some. What Causes Hydraulics To Run Slow.
From www.linkedin.com
FPE Seals on LinkedIn What Causes Hydraulics Cylinders to Leak? FPE What Causes Hydraulics To Run Slow The following troubleshooting guides cover five categories of hydraulic problems. One of the most prevalent issues with hydraulic pumps is fluid contamination. Noise, elevated temperatures and slow or erratic operation are all signs of problems with your system. Contaminants such as dirt, debris, water, and air bubbles can compromise the performance and lifespan of the pump. The single, most common. What Causes Hydraulics To Run Slow.
From gobdp.com
What is a Hydraulic System? BlueDevil Products What Causes Hydraulics To Run Slow The following troubleshooting guides cover five categories of hydraulic problems. Contaminated fluid can lead to increased wear and tear on pump components, reduced efficiency, and potential system failure. The single, most common problem with a hydraulic system is that the actuator (cylinder or hydraulic motor) slows down progressively as the oil. Possible causes and remedies are. The most common causes. What Causes Hydraulics To Run Slow.
From www.slideserve.com
PPT Basic Introduction to Hydraulics just engineering PowerPoint What Causes Hydraulics To Run Slow Here we discuss the critical role that individual components play in hydraulics and why it may be that these components are causing the system. Contaminants such as dirt, debris, water, and air bubbles can compromise the performance and lifespan of the pump. The most common complaint i hear equipment owners and users make about their hydraulic systems can be. The. What Causes Hydraulics To Run Slow.
From www.linkedin.com
Casey May on LinkedIn 6 Common Causes of Hydraulics Overheating What Causes Hydraulics To Run Slow When a pump is delivering some flow, but less than normal, here are nine possible culprits. Your situation is obviously one where an expected performance isn’t being met, or there was a sudden and dramatic slowdown of your. The single, most common problem with a hydraulic system is that the actuator (cylinder or hydraulic motor) slows down progressively as the. What Causes Hydraulics To Run Slow.
From ar.inspiredpencil.com
Cylinders In Everyday Life What Causes Hydraulics To Run Slow Possible causes and remedies are. When a pump is delivering some flow, but less than normal, here are nine possible culprits. Noise, elevated temperatures and slow or erratic operation are all signs of problems with your system. The single, most common problem with a hydraulic system is that the actuator (cylinder or hydraulic motor) slows down progressively as the oil.. What Causes Hydraulics To Run Slow.
From phyicsform4elit.blogspot.com
Force And Pressure Physics Form 4 Force And Pressure What Causes Hydraulics To Run Slow Noise, elevated temperatures and slow or erratic operation are all signs of problems with your system. When a pump is delivering some flow, but less than normal, here are nine possible culprits. Contaminants such as dirt, debris, water, and air bubbles can compromise the performance and lifespan of the pump. Here we discuss the critical role that individual components play. What Causes Hydraulics To Run Slow.
From www.youtube.com
how to hook up auxiliary hydraulics skid steer auxiliary hydraulic What Causes Hydraulics To Run Slow Noise, elevated temperatures and slow or erratic operation are all signs of problems with your system. Possible causes and remedies are. The single, most common problem with a hydraulic system is that the actuator (cylinder or hydraulic motor) slows down progressively as the oil. The most common complaint i hear equipment owners and users make about their hydraulic systems can. What Causes Hydraulics To Run Slow.
From blogs.bu.edu
What causes hydraulics to run slow? Kawasaki Hydraulic Pump What Causes Hydraulics To Run Slow The most common complaint i hear equipment owners and users make about their hydraulic systems can be. The most common causes of poor hydraulic performance are. Here we discuss the critical role that individual components play in hydraulics and why it may be that these components are causing the system. Contaminated fluid can lead to increased wear and tear on. What Causes Hydraulics To Run Slow.
From hxeehncbp.blob.core.windows.net
What Causes Computer To Run Slow at Betty Sesco blog What Causes Hydraulics To Run Slow Here we discuss the critical role that individual components play in hydraulics and why it may be that these components are causing the system. Noise, elevated temperatures and slow or erratic operation are all signs of problems with your system. The most common complaint i hear equipment owners and users make about their hydraulic systems can be. The single, most. What Causes Hydraulics To Run Slow.
From kids.britannica.com
hydraulics Kids Britannica Kids Homework Help What Causes Hydraulics To Run Slow The following troubleshooting guides cover five categories of hydraulic problems. One of the most prevalent issues with hydraulic pumps is fluid contamination. The most common complaint i hear equipment owners and users make about their hydraulic systems can be. Your situation is obviously one where an expected performance isn’t being met, or there was a sudden and dramatic slowdown of. What Causes Hydraulics To Run Slow.
From yorkpmh.com
Most Common Causes of Hydraulic Systems Failure YorkPMH What Causes Hydraulics To Run Slow Contaminants such as dirt, debris, water, and air bubbles can compromise the performance and lifespan of the pump. The single, most common problem with a hydraulic system is that the actuator (cylinder or hydraulic motor) slows down progressively as the oil. Here we discuss the critical role that individual components play in hydraulics and why it may be that these. What Causes Hydraulics To Run Slow.
From www.slideserve.com
PPT Hydraulic J.C.B PowerPoint Presentation, free download ID3420576 What Causes Hydraulics To Run Slow Noise, elevated temperatures and slow or erratic operation are all signs of problems with your system. One of the most prevalent issues with hydraulic pumps is fluid contamination. Here we discuss the critical role that individual components play in hydraulics and why it may be that these components are causing the system. The most common complaint i hear equipment owners. What Causes Hydraulics To Run Slow.
From vtechhydraulic.com
Short Hydraulics Pump Life Unveiling Causes Vtech Hydraulics What Causes Hydraulics To Run Slow One of the most prevalent issues with hydraulic pumps is fluid contamination. Your situation is obviously one where an expected performance isn’t being met, or there was a sudden and dramatic slowdown of your. When a pump is delivering some flow, but less than normal, here are nine possible culprits. The single, most common problem with a hydraulic system is. What Causes Hydraulics To Run Slow.
From www.slideshare.net
Understanding a basic hydraulic circuit 01 What Causes Hydraulics To Run Slow Possible causes and remedies are. The most common complaint i hear equipment owners and users make about their hydraulic systems can be. Noise, elevated temperatures and slow or erratic operation are all signs of problems with your system. When a pump is delivering some flow, but less than normal, here are nine possible culprits. The following troubleshooting guides cover five. What Causes Hydraulics To Run Slow.
From www.acmoc.org
Hydraulics working slow ACMOC Bulletin Board Antique Caterpillar What Causes Hydraulics To Run Slow The single, most common problem with a hydraulic system is that the actuator (cylinder or hydraulic motor) slows down progressively as the oil. Noise, elevated temperatures and slow or erratic operation are all signs of problems with your system. Contaminated fluid can lead to increased wear and tear on pump components, reduced efficiency, and potential system failure. One of the. What Causes Hydraulics To Run Slow.