Electrical Current Sensor Working . In order to maintain the reliability of electrical systems and ensure proper current flow, current sensors are a vital component that must be used. The sensor works when the current conductor passes through a magnetically permeable core that concentrates the conductor's magnetic field. The hall effect device, which is mounted. The management of power and the safeguarding of. Typical applications that benefit from current sensing. The current sensor is a device that detects and converts current to get an output voltage, which is directly proportional to the current in the designed path. When current is passing through the circuit, a. It turns the current into a quantifiable output, such as a voltage, current, or digital signal, which may be. Current sensors are very useful in power metering, measurement of current supply, diagnosis of the control system, controlling loads. Current sensing is a fundamental requirement in a wide range of electronic applications. A current sensor detects and measures the electric current passing through a conductor.
from www.acrel-electric.co.in
The management of power and the safeguarding of. When current is passing through the circuit, a. Typical applications that benefit from current sensing. The current sensor is a device that detects and converts current to get an output voltage, which is directly proportional to the current in the designed path. The hall effect device, which is mounted. It turns the current into a quantifiable output, such as a voltage, current, or digital signal, which may be. A current sensor detects and measures the electric current passing through a conductor. In order to maintain the reliability of electrical systems and ensure proper current flow, current sensors are a vital component that must be used. Current sensors are very useful in power metering, measurement of current supply, diagnosis of the control system, controlling loads. Current sensing is a fundamental requirement in a wide range of electronic applications.
working voltage current measuring sensor split core current sensor 20a
Electrical Current Sensor Working Current sensing is a fundamental requirement in a wide range of electronic applications. When current is passing through the circuit, a. In order to maintain the reliability of electrical systems and ensure proper current flow, current sensors are a vital component that must be used. The management of power and the safeguarding of. A current sensor detects and measures the electric current passing through a conductor. The hall effect device, which is mounted. The current sensor is a device that detects and converts current to get an output voltage, which is directly proportional to the current in the designed path. The sensor works when the current conductor passes through a magnetically permeable core that concentrates the conductor's magnetic field. Typical applications that benefit from current sensing. Current sensors are very useful in power metering, measurement of current supply, diagnosis of the control system, controlling loads. Current sensing is a fundamental requirement in a wide range of electronic applications. It turns the current into a quantifiable output, such as a voltage, current, or digital signal, which may be.
From www.researchgate.net
Electrical wiring diagram. sensor, load current sensor and stator Electrical Current Sensor Working When current is passing through the circuit, a. The current sensor is a device that detects and converts current to get an output voltage, which is directly proportional to the current in the designed path. The management of power and the safeguarding of. In order to maintain the reliability of electrical systems and ensure proper current flow, current sensors are. Electrical Current Sensor Working.
From www.acrel-electric.co.in
working voltage current measuring sensor split core current sensor 20a Electrical Current Sensor Working The management of power and the safeguarding of. Typical applications that benefit from current sensing. It turns the current into a quantifiable output, such as a voltage, current, or digital signal, which may be. A current sensor detects and measures the electric current passing through a conductor. The hall effect device, which is mounted. The current sensor is a device. Electrical Current Sensor Working.
From www.youtube.com
How Do Current Sensors Work? YouTube Electrical Current Sensor Working In order to maintain the reliability of electrical systems and ensure proper current flow, current sensors are a vital component that must be used. Current sensors are very useful in power metering, measurement of current supply, diagnosis of the control system, controlling loads. Typical applications that benefit from current sensing. The sensor works when the current conductor passes through a. Electrical Current Sensor Working.
From ahqidian.en.made-in-china.com
Electrical Current Sensor Close Loop Current Voltage Transducer AC Electrical Current Sensor Working In order to maintain the reliability of electrical systems and ensure proper current flow, current sensors are a vital component that must be used. When current is passing through the circuit, a. Current sensors are very useful in power metering, measurement of current supply, diagnosis of the control system, controlling loads. Typical applications that benefit from current sensing. The hall. Electrical Current Sensor Working.
From evbn.org
All About Electrical Sensors Current and Voltage Sensors EUVietnam Electrical Current Sensor Working The sensor works when the current conductor passes through a magnetically permeable core that concentrates the conductor's magnetic field. In order to maintain the reliability of electrical systems and ensure proper current flow, current sensors are a vital component that must be used. The hall effect device, which is mounted. A current sensor detects and measures the electric current passing. Electrical Current Sensor Working.
From royalamerica.com
AC Current sensor single phase max 40A Royal America Electrical Current Sensor Working In order to maintain the reliability of electrical systems and ensure proper current flow, current sensors are a vital component that must be used. A current sensor detects and measures the electric current passing through a conductor. Current sensors are very useful in power metering, measurement of current supply, diagnosis of the control system, controlling loads. It turns the current. Electrical Current Sensor Working.
From www.hioki.com
AC/DC CURRENT SENSOR CT6877 Hioki Electrical Current Sensor Working Current sensing is a fundamental requirement in a wide range of electronic applications. The sensor works when the current conductor passes through a magnetically permeable core that concentrates the conductor's magnetic field. In order to maintain the reliability of electrical systems and ensure proper current flow, current sensors are a vital component that must be used. Current sensors are very. Electrical Current Sensor Working.
From electricalworkbook.com
What is Eddy Current Sensor? Working Principle, Diagram, Construction Electrical Current Sensor Working It turns the current into a quantifiable output, such as a voltage, current, or digital signal, which may be. In order to maintain the reliability of electrical systems and ensure proper current flow, current sensors are a vital component that must be used. The sensor works when the current conductor passes through a magnetically permeable core that concentrates the conductor's. Electrical Current Sensor Working.
From measure-current.com
DIY BYO Do It Yourself AC DC Hall Effect Current Sensor Transducer Electrical Current Sensor Working In order to maintain the reliability of electrical systems and ensure proper current flow, current sensors are a vital component that must be used. The current sensor is a device that detects and converts current to get an output voltage, which is directly proportional to the current in the designed path. The hall effect device, which is mounted. It turns. Electrical Current Sensor Working.
From www.hioki.com
Working Principle and Characteristics of Zero flux Current Sensors Hioki Electrical Current Sensor Working It turns the current into a quantifiable output, such as a voltage, current, or digital signal, which may be. Current sensors are very useful in power metering, measurement of current supply, diagnosis of the control system, controlling loads. Current sensing is a fundamental requirement in a wide range of electronic applications. The hall effect device, which is mounted. The current. Electrical Current Sensor Working.
From cexevwsi.blob.core.windows.net
Current Sensor With Arduino at Joyce Follmer blog Electrical Current Sensor Working The hall effect device, which is mounted. Current sensing is a fundamental requirement in a wide range of electronic applications. In order to maintain the reliability of electrical systems and ensure proper current flow, current sensors are a vital component that must be used. A current sensor detects and measures the electric current passing through a conductor. The current sensor. Electrical Current Sensor Working.
From www.researchgate.net
3D view of the designed eddy current sensor. Download Scientific Diagram Electrical Current Sensor Working The current sensor is a device that detects and converts current to get an output voltage, which is directly proportional to the current in the designed path. The hall effect device, which is mounted. The sensor works when the current conductor passes through a magnetically permeable core that concentrates the conductor's magnetic field. It turns the current into a quantifiable. Electrical Current Sensor Working.
From www.researchgate.net
(a) MR electrical current sensor arrangement. (b) Chip layout Electrical Current Sensor Working A current sensor detects and measures the electric current passing through a conductor. Current sensing is a fundamental requirement in a wide range of electronic applications. The management of power and the safeguarding of. The hall effect device, which is mounted. The current sensor is a device that detects and converts current to get an output voltage, which is directly. Electrical Current Sensor Working.
From www.slideserve.com
PPT Eddy Current Sensors PowerPoint Presentation, free download ID Electrical Current Sensor Working In order to maintain the reliability of electrical systems and ensure proper current flow, current sensors are a vital component that must be used. The management of power and the safeguarding of. A current sensor detects and measures the electric current passing through a conductor. Typical applications that benefit from current sensing. When current is passing through the circuit, a.. Electrical Current Sensor Working.
From mungfali.com
Current Sensor Schematic Electrical Current Sensor Working Current sensors are very useful in power metering, measurement of current supply, diagnosis of the control system, controlling loads. A current sensor detects and measures the electric current passing through a conductor. When current is passing through the circuit, a. The management of power and the safeguarding of. The hall effect device, which is mounted. It turns the current into. Electrical Current Sensor Working.
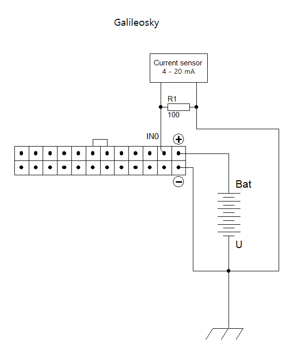
From base.galileosky.com
Articles Electrical Current Sensor Working The current sensor is a device that detects and converts current to get an output voltage, which is directly proportional to the current in the designed path. Current sensors are very useful in power metering, measurement of current supply, diagnosis of the control system, controlling loads. Typical applications that benefit from current sensing. The sensor works when the current conductor. Electrical Current Sensor Working.
From www.hioki.com
Current Sensor Working Principle & Characteristics Hioki Electrical Current Sensor Working Current sensors are very useful in power metering, measurement of current supply, diagnosis of the control system, controlling loads. When current is passing through the circuit, a. The hall effect device, which is mounted. Current sensing is a fundamental requirement in a wide range of electronic applications. The current sensor is a device that detects and converts current to get. Electrical Current Sensor Working.
From ip-mpls.com
IOT Sensor and Actuator Electrical Current Sensor Working The current sensor is a device that detects and converts current to get an output voltage, which is directly proportional to the current in the designed path. The hall effect device, which is mounted. It turns the current into a quantifiable output, such as a voltage, current, or digital signal, which may be. In order to maintain the reliability of. Electrical Current Sensor Working.
From cselectricalandelectronics.com
Different Types Of Current Sensors Used For Measuring Current Electrical Current Sensor Working When current is passing through the circuit, a. The management of power and the safeguarding of. The current sensor is a device that detects and converts current to get an output voltage, which is directly proportional to the current in the designed path. Typical applications that benefit from current sensing. It turns the current into a quantifiable output, such as. Electrical Current Sensor Working.
From amatrol.com
Smart Factory Electrical Current Sensor 87SN6S715 Siemens Learning Electrical Current Sensor Working Current sensors are very useful in power metering, measurement of current supply, diagnosis of the control system, controlling loads. It turns the current into a quantifiable output, such as a voltage, current, or digital signal, which may be. The sensor works when the current conductor passes through a magnetically permeable core that concentrates the conductor's magnetic field. The current sensor. Electrical Current Sensor Working.
From www.electricity-magnetism.org
MEMSbased current sensor How it works, Application & Advantages Electrical Current Sensor Working It turns the current into a quantifiable output, such as a voltage, current, or digital signal, which may be. In order to maintain the reliability of electrical systems and ensure proper current flow, current sensors are a vital component that must be used. The sensor works when the current conductor passes through a magnetically permeable core that concentrates the conductor's. Electrical Current Sensor Working.
From www.hioki.com
Principles of Current Sensors Hioki Electrical Current Sensor Working When current is passing through the circuit, a. It turns the current into a quantifiable output, such as a voltage, current, or digital signal, which may be. In order to maintain the reliability of electrical systems and ensure proper current flow, current sensors are a vital component that must be used. The current sensor is a device that detects and. Electrical Current Sensor Working.
From www.hioki.com
Principles of Current Sensors Hioki Electrical Current Sensor Working The sensor works when the current conductor passes through a magnetically permeable core that concentrates the conductor's magnetic field. When current is passing through the circuit, a. A current sensor detects and measures the electric current passing through a conductor. The hall effect device, which is mounted. The management of power and the safeguarding of. The current sensor is a. Electrical Current Sensor Working.
From base.galileosky.com
Articles Electrical Current Sensor Working The management of power and the safeguarding of. The sensor works when the current conductor passes through a magnetically permeable core that concentrates the conductor's magnetic field. The hall effect device, which is mounted. It turns the current into a quantifiable output, such as a voltage, current, or digital signal, which may be. Current sensing is a fundamental requirement in. Electrical Current Sensor Working.
From www.researchgate.net
Working principle of the photoelectric current sensor for diverse Electrical Current Sensor Working Current sensors are very useful in power metering, measurement of current supply, diagnosis of the control system, controlling loads. In order to maintain the reliability of electrical systems and ensure proper current flow, current sensors are a vital component that must be used. The sensor works when the current conductor passes through a magnetically permeable core that concentrates the conductor's. Electrical Current Sensor Working.
From www.ouicharcuterie.com
ACS712 Current Sensor Features, How It Works, Arduino, 51 OFF Electrical Current Sensor Working The hall effect device, which is mounted. Current sensors are very useful in power metering, measurement of current supply, diagnosis of the control system, controlling loads. Current sensing is a fundamental requirement in a wide range of electronic applications. The management of power and the safeguarding of. In order to maintain the reliability of electrical systems and ensure proper current. Electrical Current Sensor Working.
From www.hioki.com
Principles of Current Sensors Hioki Electrical Current Sensor Working It turns the current into a quantifiable output, such as a voltage, current, or digital signal, which may be. Current sensors are very useful in power metering, measurement of current supply, diagnosis of the control system, controlling loads. In order to maintain the reliability of electrical systems and ensure proper current flow, current sensors are a vital component that must. Electrical Current Sensor Working.
From www.hioki.com
Current Sensor Working Principle & Characteristics Hioki Electrical Current Sensor Working Current sensors are very useful in power metering, measurement of current supply, diagnosis of the control system, controlling loads. It turns the current into a quantifiable output, such as a voltage, current, or digital signal, which may be. In order to maintain the reliability of electrical systems and ensure proper current flow, current sensors are a vital component that must. Electrical Current Sensor Working.
From consolitechinc.com
What Are Current Sensors and How Do They Work? A Tech Blog Electrical Current Sensor Working Current sensing is a fundamental requirement in a wide range of electronic applications. In order to maintain the reliability of electrical systems and ensure proper current flow, current sensors are a vital component that must be used. Typical applications that benefit from current sensing. The sensor works when the current conductor passes through a magnetically permeable core that concentrates the. Electrical Current Sensor Working.
From www.electricity-magnetism.org
Splitcore current sensor How it works, Application & Advantages Electrical Current Sensor Working Current sensing is a fundamental requirement in a wide range of electronic applications. Current sensors are very useful in power metering, measurement of current supply, diagnosis of the control system, controlling loads. The sensor works when the current conductor passes through a magnetically permeable core that concentrates the conductor's magnetic field. It turns the current into a quantifiable output, such. Electrical Current Sensor Working.
From www.enrgtech.co.uk
Effective High Power Isolated Current Sensors Enrgtech LTD Electrical Current Sensor Working The hall effect device, which is mounted. Current sensing is a fundamental requirement in a wide range of electronic applications. In order to maintain the reliability of electrical systems and ensure proper current flow, current sensors are a vital component that must be used. It turns the current into a quantifiable output, such as a voltage, current, or digital signal,. Electrical Current Sensor Working.
From www.electricity-magnetism.org
Eddy current sensor How it works, Application & Advantages Electrical Current Sensor Working The management of power and the safeguarding of. The current sensor is a device that detects and converts current to get an output voltage, which is directly proportional to the current in the designed path. The hall effect device, which is mounted. The sensor works when the current conductor passes through a magnetically permeable core that concentrates the conductor's magnetic. Electrical Current Sensor Working.
From exomdmdpr.blob.core.windows.net
Current Sensor Working Principle at Joseph blog Electrical Current Sensor Working Current sensing is a fundamental requirement in a wide range of electronic applications. A current sensor detects and measures the electric current passing through a conductor. The management of power and the safeguarding of. It turns the current into a quantifiable output, such as a voltage, current, or digital signal, which may be. The current sensor is a device that. Electrical Current Sensor Working.
From www.makerguides.com
ACS712 Current Sensor And Arduino Electrical Current Sensor Working Current sensors are very useful in power metering, measurement of current supply, diagnosis of the control system, controlling loads. Current sensing is a fundamental requirement in a wide range of electronic applications. The management of power and the safeguarding of. The hall effect device, which is mounted. The current sensor is a device that detects and converts current to get. Electrical Current Sensor Working.
From www.scribd.com
Current Sensor Working Operation PDF Electrical Current Sensor Working The sensor works when the current conductor passes through a magnetically permeable core that concentrates the conductor's magnetic field. When current is passing through the circuit, a. The current sensor is a device that detects and converts current to get an output voltage, which is directly proportional to the current in the designed path. The management of power and the. Electrical Current Sensor Working.