Dowel Pin Alignment Tolerance . Dowel pin size chart machined asme ansi design for press and slip fit of dowel pins used for alignment of mating parts utilizing gd&t. For the 1,5x5 mm, m6 tolerance pins (spaced 20 mm apart) which would fit my application, h7 tolerance holes are suggested for a typical transition fit. Learn how to size dowel pin holes for precise alignment of parts. Learn about the different types, sizes and materials of dowel pins, and how to choose the right tolerance and fit for your application. Compare different standards, materials, sizes,. Learn everything you need to know about dowel pins, small cylindrical pins used to align and secure components. Learn about precision dowel pins, cylindrical rods with tight tolerances for accurate alignment and fit in assemblies. Compare ansi, din (iso) and mil. The other dowel pin engages a slot that lines up with the first hole. Learn how to choose the right dowel pin for your application based on size, tolerance, fit, end style, material and standard. See a chart of metric dowel pin sizes with tolerances and examples of press fit and slip fit joints. One dowel pin engages an accurate, round clearance hole.
from www.scribd.com
Learn everything you need to know about dowel pins, small cylindrical pins used to align and secure components. Learn about precision dowel pins, cylindrical rods with tight tolerances for accurate alignment and fit in assemblies. Compare different standards, materials, sizes,. Compare ansi, din (iso) and mil. The other dowel pin engages a slot that lines up with the first hole. Dowel pin size chart machined asme ansi design for press and slip fit of dowel pins used for alignment of mating parts utilizing gd&t. Learn about the different types, sizes and materials of dowel pins, and how to choose the right tolerance and fit for your application. Learn how to choose the right dowel pin for your application based on size, tolerance, fit, end style, material and standard. Learn how to size dowel pin holes for precise alignment of parts. One dowel pin engages an accurate, round clearance hole.
Dowel Pin Tolerances PDF PDF Engineering Tolerance Steel
Dowel Pin Alignment Tolerance Learn everything you need to know about dowel pins, small cylindrical pins used to align and secure components. Compare different standards, materials, sizes,. Learn about precision dowel pins, cylindrical rods with tight tolerances for accurate alignment and fit in assemblies. Dowel pin size chart machined asme ansi design for press and slip fit of dowel pins used for alignment of mating parts utilizing gd&t. The other dowel pin engages a slot that lines up with the first hole. Learn about the different types, sizes and materials of dowel pins, and how to choose the right tolerance and fit for your application. Learn how to size dowel pin holes for precise alignment of parts. Learn how to choose the right dowel pin for your application based on size, tolerance, fit, end style, material and standard. Learn everything you need to know about dowel pins, small cylindrical pins used to align and secure components. See a chart of metric dowel pin sizes with tolerances and examples of press fit and slip fit joints. One dowel pin engages an accurate, round clearance hole. For the 1,5x5 mm, m6 tolerance pins (spaced 20 mm apart) which would fit my application, h7 tolerance holes are suggested for a typical transition fit. Compare ansi, din (iso) and mil.
From www.chegg.com
Geometric Dimensioning and Tolerancing Consider the Dowel Pin Alignment Tolerance Compare different standards, materials, sizes,. For the 1,5x5 mm, m6 tolerance pins (spaced 20 mm apart) which would fit my application, h7 tolerance holes are suggested for a typical transition fit. One dowel pin engages an accurate, round clearance hole. Learn how to size dowel pin holes for precise alignment of parts. Compare ansi, din (iso) and mil. The other. Dowel Pin Alignment Tolerance.
From engineering.stackexchange.com
mechanical engineering Tolerances in a pinhole assembly Dowel Pin Alignment Tolerance Learn how to choose the right dowel pin for your application based on size, tolerance, fit, end style, material and standard. For the 1,5x5 mm, m6 tolerance pins (spaced 20 mm apart) which would fit my application, h7 tolerance holes are suggested for a typical transition fit. Compare ansi, din (iso) and mil. Learn about the different types, sizes and. Dowel Pin Alignment Tolerance.
From www.pipingmaterial.ae
ISO 8734 dowel pin dimensions, tolerance, standard and hardness Dowel Pin Alignment Tolerance See a chart of metric dowel pin sizes with tolerances and examples of press fit and slip fit joints. Learn about precision dowel pins, cylindrical rods with tight tolerances for accurate alignment and fit in assemblies. Compare ansi, din (iso) and mil. Dowel pin size chart machined asme ansi design for press and slip fit of dowel pins used for. Dowel Pin Alignment Tolerance.
From www.engineersedge.com
Dowel Pin Installation Design Tolerance Table Chart Dowel Pin Alignment Tolerance For the 1,5x5 mm, m6 tolerance pins (spaced 20 mm apart) which would fit my application, h7 tolerance holes are suggested for a typical transition fit. Compare ansi, din (iso) and mil. Learn how to size dowel pin holes for precise alignment of parts. Learn how to choose the right dowel pin for your application based on size, tolerance, fit,. Dowel Pin Alignment Tolerance.
From www.pipingmaterial.ae
ISO 8734 dowel pin dimensions, tolerance, standard and hardness Dowel Pin Alignment Tolerance The other dowel pin engages a slot that lines up with the first hole. Compare different standards, materials, sizes,. Compare ansi, din (iso) and mil. For the 1,5x5 mm, m6 tolerance pins (spaced 20 mm apart) which would fit my application, h7 tolerance holes are suggested for a typical transition fit. Learn about precision dowel pins, cylindrical rods with tight. Dowel Pin Alignment Tolerance.
From www.villageinframe.com
Metric Dowel Pin Hole Tolerance Chart A Pictures Of Hole 2018 Dowel Pin Alignment Tolerance For the 1,5x5 mm, m6 tolerance pins (spaced 20 mm apart) which would fit my application, h7 tolerance holes are suggested for a typical transition fit. Compare ansi, din (iso) and mil. Learn how to size dowel pin holes for precise alignment of parts. One dowel pin engages an accurate, round clearance hole. Learn about precision dowel pins, cylindrical rods. Dowel Pin Alignment Tolerance.
From www.villageinframe.com
Metric Dowel Pin Hole Tolerance Chart A Pictures Of Hole 2018 Dowel Pin Alignment Tolerance Compare different standards, materials, sizes,. Compare ansi, din (iso) and mil. Dowel pin size chart machined asme ansi design for press and slip fit of dowel pins used for alignment of mating parts utilizing gd&t. One dowel pin engages an accurate, round clearance hole. Learn how to size dowel pin holes for precise alignment of parts. Learn how to choose. Dowel Pin Alignment Tolerance.
From mungfali.com
Dowel Pin Size Chart Dowel Pin Alignment Tolerance Dowel pin size chart machined asme ansi design for press and slip fit of dowel pins used for alignment of mating parts utilizing gd&t. One dowel pin engages an accurate, round clearance hole. Compare different standards, materials, sizes,. The other dowel pin engages a slot that lines up with the first hole. Learn how to size dowel pin holes for. Dowel Pin Alignment Tolerance.
From mungfali.com
Dowel Pin Slip Fit Tolerance Chart Dowel Pin Alignment Tolerance Learn how to choose the right dowel pin for your application based on size, tolerance, fit, end style, material and standard. Learn how to size dowel pin holes for precise alignment of parts. One dowel pin engages an accurate, round clearance hole. Compare different standards, materials, sizes,. For the 1,5x5 mm, m6 tolerance pins (spaced 20 mm apart) which would. Dowel Pin Alignment Tolerance.
From library.ecosystem.build
5mm Dowel Pin Tolerance Sales USA library.ecosystem.build Dowel Pin Alignment Tolerance Learn how to choose the right dowel pin for your application based on size, tolerance, fit, end style, material and standard. For the 1,5x5 mm, m6 tolerance pins (spaced 20 mm apart) which would fit my application, h7 tolerance holes are suggested for a typical transition fit. Learn everything you need to know about dowel pins, small cylindrical pins used. Dowel Pin Alignment Tolerance.
From hxedsrvdo.blob.core.windows.net
Tolerance For Metric Dowel Pin Hole at Boykins blog Dowel Pin Alignment Tolerance Dowel pin size chart machined asme ansi design for press and slip fit of dowel pins used for alignment of mating parts utilizing gd&t. For the 1,5x5 mm, m6 tolerance pins (spaced 20 mm apart) which would fit my application, h7 tolerance holes are suggested for a typical transition fit. Compare different standards, materials, sizes,. The other dowel pin engages. Dowel Pin Alignment Tolerance.
From www.fictiv.com
Slip Fit Tolerances and Geometry Fictiv Dowel Pin Alignment Tolerance One dowel pin engages an accurate, round clearance hole. Dowel pin size chart machined asme ansi design for press and slip fit of dowel pins used for alignment of mating parts utilizing gd&t. The other dowel pin engages a slot that lines up with the first hole. Learn about the different types, sizes and materials of dowel pins, and how. Dowel Pin Alignment Tolerance.
From www.kadinsalyasam.com
Everything You Need To Know About M6 Dowel Hole Tolerance Dowel Pin Alignment Tolerance Learn about the different types, sizes and materials of dowel pins, and how to choose the right tolerance and fit for your application. Learn everything you need to know about dowel pins, small cylindrical pins used to align and secure components. Compare ansi, din (iso) and mil. See a chart of metric dowel pin sizes with tolerances and examples of. Dowel Pin Alignment Tolerance.
From www.vrogue.co
Press Fit Dowel Pin Tolerance Chart vrogue.co Dowel Pin Alignment Tolerance Dowel pin size chart machined asme ansi design for press and slip fit of dowel pins used for alignment of mating parts utilizing gd&t. Compare ansi, din (iso) and mil. Learn about the different types, sizes and materials of dowel pins, and how to choose the right tolerance and fit for your application. For the 1,5x5 mm, m6 tolerance pins. Dowel Pin Alignment Tolerance.
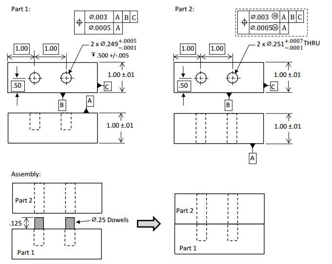
From www.chegg.com
Consider the assembly shown above. Two geometrically Dowel Pin Alignment Tolerance The other dowel pin engages a slot that lines up with the first hole. Learn how to size dowel pin holes for precise alignment of parts. Dowel pin size chart machined asme ansi design for press and slip fit of dowel pins used for alignment of mating parts utilizing gd&t. Compare ansi, din (iso) and mil. For the 1,5x5 mm,. Dowel Pin Alignment Tolerance.
From www.eng-tips.com
Determining Allowable Positional Tolerances for a Dowel Pin/Slot Dowel Pin Alignment Tolerance See a chart of metric dowel pin sizes with tolerances and examples of press fit and slip fit joints. Learn about the different types, sizes and materials of dowel pins, and how to choose the right tolerance and fit for your application. One dowel pin engages an accurate, round clearance hole. Dowel pin size chart machined asme ansi design for. Dowel Pin Alignment Tolerance.
From factorem.medium.com
Dowel Pin Tolerance and Fit Standards by Factorem Medium Dowel Pin Alignment Tolerance Learn about the different types, sizes and materials of dowel pins, and how to choose the right tolerance and fit for your application. The other dowel pin engages a slot that lines up with the first hole. For the 1,5x5 mm, m6 tolerance pins (spaced 20 mm apart) which would fit my application, h7 tolerance holes are suggested for a. Dowel Pin Alignment Tolerance.
From ar.inspiredpencil.com
Dowel Pin Hole Tolerance Chart Dowel Pin Alignment Tolerance Dowel pin size chart machined asme ansi design for press and slip fit of dowel pins used for alignment of mating parts utilizing gd&t. For the 1,5x5 mm, m6 tolerance pins (spaced 20 mm apart) which would fit my application, h7 tolerance holes are suggested for a typical transition fit. See a chart of metric dowel pin sizes with tolerances. Dowel Pin Alignment Tolerance.
From in.pinterest.com
Machine Dowel Pins Chart ANSI ASME Engineers Edge Holes, Types of Dowel Pin Alignment Tolerance Compare ansi, din (iso) and mil. Learn about the different types, sizes and materials of dowel pins, and how to choose the right tolerance and fit for your application. Learn everything you need to know about dowel pins, small cylindrical pins used to align and secure components. Learn how to size dowel pin holes for precise alignment of parts. One. Dowel Pin Alignment Tolerance.
From hxeiuvyrd.blob.core.windows.net
Dowel Pin Hole Tolerance Inch at Cedric Morales blog Dowel Pin Alignment Tolerance Compare different standards, materials, sizes,. Learn how to choose the right dowel pin for your application based on size, tolerance, fit, end style, material and standard. Learn how to size dowel pin holes for precise alignment of parts. Learn everything you need to know about dowel pins, small cylindrical pins used to align and secure components. Dowel pin size chart. Dowel Pin Alignment Tolerance.
From www.alibaba.com
Tolerance .0001 Inch Hight Precision Dowel Pin Asme/ansi B18.8.2 Buy Dowel Pin Alignment Tolerance Learn how to size dowel pin holes for precise alignment of parts. Learn how to choose the right dowel pin for your application based on size, tolerance, fit, end style, material and standard. One dowel pin engages an accurate, round clearance hole. Compare ansi, din (iso) and mil. For the 1,5x5 mm, m6 tolerance pins (spaced 20 mm apart) which. Dowel Pin Alignment Tolerance.
From hxeiuvyrd.blob.core.windows.net
Dowel Pin Hole Tolerance Inch at Cedric Morales blog Dowel Pin Alignment Tolerance Learn about precision dowel pins, cylindrical rods with tight tolerances for accurate alignment and fit in assemblies. Compare different standards, materials, sizes,. Compare ansi, din (iso) and mil. The other dowel pin engages a slot that lines up with the first hole. Learn everything you need to know about dowel pins, small cylindrical pins used to align and secure components.. Dowel Pin Alignment Tolerance.
From www.pinterest.ca
DOWEL PINS zero products inc. Dowels, Pins, Size chart Dowel Pin Alignment Tolerance The other dowel pin engages a slot that lines up with the first hole. Learn everything you need to know about dowel pins, small cylindrical pins used to align and secure components. Compare ansi, din (iso) and mil. Learn about precision dowel pins, cylindrical rods with tight tolerances for accurate alignment and fit in assemblies. Compare different standards, materials, sizes,.. Dowel Pin Alignment Tolerance.
From www.scribd.com
Dowel Pin Tolerances PDF PDF Engineering Tolerance Steel Dowel Pin Alignment Tolerance Learn about precision dowel pins, cylindrical rods with tight tolerances for accurate alignment and fit in assemblies. Learn how to size dowel pin holes for precise alignment of parts. For the 1,5x5 mm, m6 tolerance pins (spaced 20 mm apart) which would fit my application, h7 tolerance holes are suggested for a typical transition fit. Learn how to choose the. Dowel Pin Alignment Tolerance.
From mavink.com
Press Fit Dowel Pin Tolerance Chart Dowel Pin Alignment Tolerance Learn about the different types, sizes and materials of dowel pins, and how to choose the right tolerance and fit for your application. For the 1,5x5 mm, m6 tolerance pins (spaced 20 mm apart) which would fit my application, h7 tolerance holes are suggested for a typical transition fit. Dowel pin size chart machined asme ansi design for press and. Dowel Pin Alignment Tolerance.
From www.scribd.com
Catalog Dowels and Other Pins PDF Stainless Steel Engineering Dowel Pin Alignment Tolerance For the 1,5x5 mm, m6 tolerance pins (spaced 20 mm apart) which would fit my application, h7 tolerance holes are suggested for a typical transition fit. Compare ansi, din (iso) and mil. The other dowel pin engages a slot that lines up with the first hole. Learn how to choose the right dowel pin for your application based on size,. Dowel Pin Alignment Tolerance.
From www.villageinframe.com
Dowel Pin Hole Tolerance H7 A Pictures Of Hole 2018 Dowel Pin Alignment Tolerance Learn about the different types, sizes and materials of dowel pins, and how to choose the right tolerance and fit for your application. Compare different standards, materials, sizes,. Dowel pin size chart machined asme ansi design for press and slip fit of dowel pins used for alignment of mating parts utilizing gd&t. The other dowel pin engages a slot that. Dowel Pin Alignment Tolerance.
From mavink.com
Press Fit Dowel Pin Tolerance Chart Dowel Pin Alignment Tolerance Learn about precision dowel pins, cylindrical rods with tight tolerances for accurate alignment and fit in assemblies. Learn how to size dowel pin holes for precise alignment of parts. Compare different standards, materials, sizes,. See a chart of metric dowel pin sizes with tolerances and examples of press fit and slip fit joints. The other dowel pin engages a slot. Dowel Pin Alignment Tolerance.
From www.vrogue.co
Dowel Pin Installation Design Tolerance Table Chart vrogue.co Dowel Pin Alignment Tolerance The other dowel pin engages a slot that lines up with the first hole. Learn about the different types, sizes and materials of dowel pins, and how to choose the right tolerance and fit for your application. Learn how to size dowel pin holes for precise alignment of parts. Dowel pin size chart machined asme ansi design for press and. Dowel Pin Alignment Tolerance.
From www.alibaba.com
Metric Dowel Pin Press Fit Tolerances Screw In Dowel Pins Steel Dowel Dowel Pin Alignment Tolerance Dowel pin size chart machined asme ansi design for press and slip fit of dowel pins used for alignment of mating parts utilizing gd&t. See a chart of metric dowel pin sizes with tolerances and examples of press fit and slip fit joints. One dowel pin engages an accurate, round clearance hole. Learn about the different types, sizes and materials. Dowel Pin Alignment Tolerance.
From florencejsimso.blob.core.windows.net
Roll Pin Hole Chart at florencejsimso blog Dowel Pin Alignment Tolerance For the 1,5x5 mm, m6 tolerance pins (spaced 20 mm apart) which would fit my application, h7 tolerance holes are suggested for a typical transition fit. See a chart of metric dowel pin sizes with tolerances and examples of press fit and slip fit joints. The other dowel pin engages a slot that lines up with the first hole. Compare. Dowel Pin Alignment Tolerance.
From mavink.com
Dowel Hole Tolerance Chart Metric Dowel Pin Alignment Tolerance For the 1,5x5 mm, m6 tolerance pins (spaced 20 mm apart) which would fit my application, h7 tolerance holes are suggested for a typical transition fit. See a chart of metric dowel pin sizes with tolerances and examples of press fit and slip fit joints. Compare different standards, materials, sizes,. Learn how to choose the right dowel pin for your. Dowel Pin Alignment Tolerance.
From www.studocu.com
Daniel Meter Tube 3Section Features • Dowel pin alignment, close Dowel Pin Alignment Tolerance One dowel pin engages an accurate, round clearance hole. See a chart of metric dowel pin sizes with tolerances and examples of press fit and slip fit joints. Learn about the different types, sizes and materials of dowel pins, and how to choose the right tolerance and fit for your application. Learn everything you need to know about dowel pins,. Dowel Pin Alignment Tolerance.
From exozflqcl.blob.core.windows.net
Dowel Pin Hole Size Chart at Dorothy Frost blog Dowel Pin Alignment Tolerance Learn about the different types, sizes and materials of dowel pins, and how to choose the right tolerance and fit for your application. Dowel pin size chart machined asme ansi design for press and slip fit of dowel pins used for alignment of mating parts utilizing gd&t. Learn about precision dowel pins, cylindrical rods with tight tolerances for accurate alignment. Dowel Pin Alignment Tolerance.
From forums.autodesk.com
Solved Dowel Hole Inventor 2014 Autodesk Community Dowel Pin Alignment Tolerance Dowel pin size chart machined asme ansi design for press and slip fit of dowel pins used for alignment of mating parts utilizing gd&t. Learn how to choose the right dowel pin for your application based on size, tolerance, fit, end style, material and standard. The other dowel pin engages a slot that lines up with the first hole. Compare. Dowel Pin Alignment Tolerance.