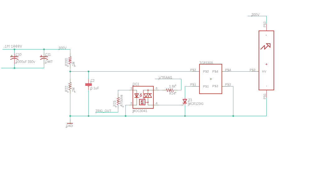
Xenon Lamp Trigger Circuit . A basic trigger circuit schematic is now included! The trigger transformer is usually matched to the tube. What may be considered as a basic circuit is given in figure 1. Method of triggering the flash tube. Flash lamps are connected with two different circuits: 1 the trigger circuit which operates in the trigger phase. A repetitive trigger circuit based on the 555 timer ic, useful for. In this circuit condenser c1 is. 2 the main discharge circuit which. This study attempted to implement the pulse power supply and ignition circuits of a xenon flash lamp in intense pulsed light (ipl). Make note of gate sensitivity.
from www.semanticscholar.org
Make note of gate sensitivity. Flash lamps are connected with two different circuits: What may be considered as a basic circuit is given in figure 1. 1 the trigger circuit which operates in the trigger phase. Method of triggering the flash tube. A basic trigger circuit schematic is now included! 2 the main discharge circuit which. The trigger transformer is usually matched to the tube. This study attempted to implement the pulse power supply and ignition circuits of a xenon flash lamp in intense pulsed light (ipl). In this circuit condenser c1 is.
[PDF] A Novel SeriesConnected Xenon Lamp Power Supply System Using a
Xenon Lamp Trigger Circuit What may be considered as a basic circuit is given in figure 1. What may be considered as a basic circuit is given in figure 1. 1 the trigger circuit which operates in the trigger phase. The trigger transformer is usually matched to the tube. A repetitive trigger circuit based on the 555 timer ic, useful for. In this circuit condenser c1 is. This study attempted to implement the pulse power supply and ignition circuits of a xenon flash lamp in intense pulsed light (ipl). 2 the main discharge circuit which. Make note of gate sensitivity. A basic trigger circuit schematic is now included! Method of triggering the flash tube. Flash lamps are connected with two different circuits:
From www.next.gr
xenon circuit Light Laser LED Circuits Next.gr Xenon Lamp Trigger Circuit 2 the main discharge circuit which. Make note of gate sensitivity. A repetitive trigger circuit based on the 555 timer ic, useful for. 1 the trigger circuit which operates in the trigger phase. Method of triggering the flash tube. This study attempted to implement the pulse power supply and ignition circuits of a xenon flash lamp in intense pulsed light. Xenon Lamp Trigger Circuit.
From schematicdbplottered.z14.web.core.windows.net
Xenon Arc Lamp Power Supply Circuit Diagram Xenon Lamp Trigger Circuit A basic trigger circuit schematic is now included! 2 the main discharge circuit which. What may be considered as a basic circuit is given in figure 1. Flash lamps are connected with two different circuits: In this circuit condenser c1 is. This study attempted to implement the pulse power supply and ignition circuits of a xenon flash lamp in intense. Xenon Lamp Trigger Circuit.
From www.seekic.com
AUDIO_DRIVEN_XENON_TUBE_FLASH_CIRCUIT Basic_Circuit Circuit Diagram Xenon Lamp Trigger Circuit A repetitive trigger circuit based on the 555 timer ic, useful for. This study attempted to implement the pulse power supply and ignition circuits of a xenon flash lamp in intense pulsed light (ipl). Method of triggering the flash tube. A basic trigger circuit schematic is now included! The trigger transformer is usually matched to the tube. What may be. Xenon Lamp Trigger Circuit.
From www.flickr.com
DIY Xenon Flash Circuit Diagram Trigger capacitor output v… Flickr Xenon Lamp Trigger Circuit This study attempted to implement the pulse power supply and ignition circuits of a xenon flash lamp in intense pulsed light (ipl). Flash lamps are connected with two different circuits: The trigger transformer is usually matched to the tube. 1 the trigger circuit which operates in the trigger phase. What may be considered as a basic circuit is given in. Xenon Lamp Trigger Circuit.
From electronics.stackexchange.com
high voltage Xenon Flash thyristor trigger Electrical Engineering Xenon Lamp Trigger Circuit A repetitive trigger circuit based on the 555 timer ic, useful for. Method of triggering the flash tube. What may be considered as a basic circuit is given in figure 1. This study attempted to implement the pulse power supply and ignition circuits of a xenon flash lamp in intense pulsed light (ipl). In this circuit condenser c1 is. The. Xenon Lamp Trigger Circuit.
From bristolwatch.com
Understanding Xenon Flash Tube Circuits Tutorial Xenon Lamp Trigger Circuit 2 the main discharge circuit which. Method of triggering the flash tube. What may be considered as a basic circuit is given in figure 1. In this circuit condenser c1 is. This study attempted to implement the pulse power supply and ignition circuits of a xenon flash lamp in intense pulsed light (ipl). Flash lamps are connected with two different. Xenon Lamp Trigger Circuit.
From www.ourpcb.com
Xenon flash tube circuit How To Build the Circuit Xenon Lamp Trigger Circuit What may be considered as a basic circuit is given in figure 1. Make note of gate sensitivity. Flash lamps are connected with two different circuits: 2 the main discharge circuit which. This study attempted to implement the pulse power supply and ignition circuits of a xenon flash lamp in intense pulsed light (ipl). 1 the trigger circuit which operates. Xenon Lamp Trigger Circuit.
From bristolwatch.com
Understanding Xenon Flash Tube Circuits Tutorial Xenon Lamp Trigger Circuit 2 the main discharge circuit which. Method of triggering the flash tube. Flash lamps are connected with two different circuits: This study attempted to implement the pulse power supply and ignition circuits of a xenon flash lamp in intense pulsed light (ipl). 1 the trigger circuit which operates in the trigger phase. A repetitive trigger circuit based on the 555. Xenon Lamp Trigger Circuit.
From slideplayer.com
Chapter 13 Chapter 13 Chapter 13 Chapter 13 Chapter 13 Chapter ppt download Xenon Lamp Trigger Circuit In this circuit condenser c1 is. 2 the main discharge circuit which. What may be considered as a basic circuit is given in figure 1. The trigger transformer is usually matched to the tube. Flash lamps are connected with two different circuits: Method of triggering the flash tube. Make note of gate sensitivity. A repetitive trigger circuit based on the. Xenon Lamp Trigger Circuit.
From electromacaco.blogspot.com
electromacaco CIRCUITO FLASH XENON Xenon Lamp Trigger Circuit 2 the main discharge circuit which. In this circuit condenser c1 is. This study attempted to implement the pulse power supply and ignition circuits of a xenon flash lamp in intense pulsed light (ipl). What may be considered as a basic circuit is given in figure 1. Flash lamps are connected with two different circuits: A basic trigger circuit schematic. Xenon Lamp Trigger Circuit.
From www.semanticscholar.org
[PDF] A Novel SeriesConnected Xenon Lamp Power Supply System Using a Xenon Lamp Trigger Circuit Make note of gate sensitivity. 1 the trigger circuit which operates in the trigger phase. A repetitive trigger circuit based on the 555 timer ic, useful for. What may be considered as a basic circuit is given in figure 1. Method of triggering the flash tube. A basic trigger circuit schematic is now included! Flash lamps are connected with two. Xenon Lamp Trigger Circuit.
From www.eleccircuit.com
Understand these About xenon flash circuit Before It’s Too Late Xenon Lamp Trigger Circuit A repetitive trigger circuit based on the 555 timer ic, useful for. In this circuit condenser c1 is. A basic trigger circuit schematic is now included! Method of triggering the flash tube. Make note of gate sensitivity. This study attempted to implement the pulse power supply and ignition circuits of a xenon flash lamp in intense pulsed light (ipl). What. Xenon Lamp Trigger Circuit.
From www.youtube.com
Trigger circuit for large xenon flash tubes YouTube Xenon Lamp Trigger Circuit 1 the trigger circuit which operates in the trigger phase. A repetitive trigger circuit based on the 555 timer ic, useful for. Make note of gate sensitivity. This study attempted to implement the pulse power supply and ignition circuits of a xenon flash lamp in intense pulsed light (ipl). What may be considered as a basic circuit is given in. Xenon Lamp Trigger Circuit.
From www.semanticscholar.org
[PDF] Comparative study of pulse trigger and DC trigger circuit for Xenon Lamp Trigger Circuit A basic trigger circuit schematic is now included! In this circuit condenser c1 is. 1 the trigger circuit which operates in the trigger phase. The trigger transformer is usually matched to the tube. What may be considered as a basic circuit is given in figure 1. Flash lamps are connected with two different circuits: A repetitive trigger circuit based on. Xenon Lamp Trigger Circuit.
From www.researchgate.net
Igniting and arc‐sustaining circuits of the xenon lamp Download Xenon Lamp Trigger Circuit The trigger transformer is usually matched to the tube. In this circuit condenser c1 is. 1 the trigger circuit which operates in the trigger phase. What may be considered as a basic circuit is given in figure 1. A basic trigger circuit schematic is now included! Method of triggering the flash tube. Flash lamps are connected with two different circuits:. Xenon Lamp Trigger Circuit.
From www.instructables.com
Xenon Flash Circuit Instructables Xenon Lamp Trigger Circuit Method of triggering the flash tube. The trigger transformer is usually matched to the tube. Flash lamps are connected with two different circuits: A repetitive trigger circuit based on the 555 timer ic, useful for. 2 the main discharge circuit which. 1 the trigger circuit which operates in the trigger phase. In this circuit condenser c1 is. Make note of. Xenon Lamp Trigger Circuit.
From www.semanticscholar.org
[PDF] Comparative study of pulse trigger and DC trigger circuit for Xenon Lamp Trigger Circuit The trigger transformer is usually matched to the tube. Flash lamps are connected with two different circuits: This study attempted to implement the pulse power supply and ignition circuits of a xenon flash lamp in intense pulsed light (ipl). A basic trigger circuit schematic is now included! Method of triggering the flash tube. 1 the trigger circuit which operates in. Xenon Lamp Trigger Circuit.
From www.semanticscholar.org
[PDF] Comparative study of pulse trigger and DC trigger circuit for Xenon Lamp Trigger Circuit What may be considered as a basic circuit is given in figure 1. A repetitive trigger circuit based on the 555 timer ic, useful for. Flash lamps are connected with two different circuits: Method of triggering the flash tube. 1 the trigger circuit which operates in the trigger phase. 2 the main discharge circuit which. This study attempted to implement. Xenon Lamp Trigger Circuit.
From www.circuitdiagram.co
Xenon Strobe Lamp Circuit Circuit Diagram Xenon Lamp Trigger Circuit 1 the trigger circuit which operates in the trigger phase. The trigger transformer is usually matched to the tube. Make note of gate sensitivity. A repetitive trigger circuit based on the 555 timer ic, useful for. Flash lamps are connected with two different circuits: A basic trigger circuit schematic is now included! This study attempted to implement the pulse power. Xenon Lamp Trigger Circuit.
From www.xenonflashtubes.com
10KV TC3302 Trigger Coil Transformers for Xenon Flash Tubes Lamps Xenon Lamp Trigger Circuit What may be considered as a basic circuit is given in figure 1. Method of triggering the flash tube. 2 the main discharge circuit which. A basic trigger circuit schematic is now included! A repetitive trigger circuit based on the 555 timer ic, useful for. In this circuit condenser c1 is. This study attempted to implement the pulse power supply. Xenon Lamp Trigger Circuit.
From www.semanticscholar.org
[PDF] Comparative study of pulse trigger and DC trigger circuit for Xenon Lamp Trigger Circuit The trigger transformer is usually matched to the tube. 1 the trigger circuit which operates in the trigger phase. This study attempted to implement the pulse power supply and ignition circuits of a xenon flash lamp in intense pulsed light (ipl). 2 the main discharge circuit which. What may be considered as a basic circuit is given in figure 1.. Xenon Lamp Trigger Circuit.
From www.semanticscholar.org
[PDF] A Novel SeriesConnected Xenon Lamp Power Supply System Using a Xenon Lamp Trigger Circuit A repetitive trigger circuit based on the 555 timer ic, useful for. In this circuit condenser c1 is. 2 the main discharge circuit which. 1 the trigger circuit which operates in the trigger phase. Method of triggering the flash tube. Flash lamps are connected with two different circuits: Make note of gate sensitivity. What may be considered as a basic. Xenon Lamp Trigger Circuit.
From www.semanticscholar.org
Figure 1 from Design and Implementation of Novel Series Trigger Circuit Xenon Lamp Trigger Circuit 2 the main discharge circuit which. Make note of gate sensitivity. In this circuit condenser c1 is. A repetitive trigger circuit based on the 555 timer ic, useful for. A basic trigger circuit schematic is now included! Method of triggering the flash tube. Flash lamps are connected with two different circuits: This study attempted to implement the pulse power supply. Xenon Lamp Trigger Circuit.
From www.youtube.com
WARNER POWER xenon lamp ballast test YouTube Xenon Lamp Trigger Circuit Make note of gate sensitivity. 1 the trigger circuit which operates in the trigger phase. This study attempted to implement the pulse power supply and ignition circuits of a xenon flash lamp in intense pulsed light (ipl). What may be considered as a basic circuit is given in figure 1. The trigger transformer is usually matched to the tube. In. Xenon Lamp Trigger Circuit.
From www.semanticscholar.org
[PDF] A Novel SeriesConnected Xenon Lamp Power Supply System Using a Xenon Lamp Trigger Circuit A repetitive trigger circuit based on the 555 timer ic, useful for. A basic trigger circuit schematic is now included! Make note of gate sensitivity. Flash lamps are connected with two different circuits: The trigger transformer is usually matched to the tube. This study attempted to implement the pulse power supply and ignition circuits of a xenon flash lamp in. Xenon Lamp Trigger Circuit.
From www.circuitdiagram.co
Xenon Strobe Lamp Circuit Circuit Diagram Xenon Lamp Trigger Circuit The trigger transformer is usually matched to the tube. What may be considered as a basic circuit is given in figure 1. Make note of gate sensitivity. This study attempted to implement the pulse power supply and ignition circuits of a xenon flash lamp in intense pulsed light (ipl). A basic trigger circuit schematic is now included! A repetitive trigger. Xenon Lamp Trigger Circuit.
From www.researchgate.net
Simplified driving circuit of xenon flash lamp Download Scientific Xenon Lamp Trigger Circuit The trigger transformer is usually matched to the tube. Flash lamps are connected with two different circuits: A basic trigger circuit schematic is now included! This study attempted to implement the pulse power supply and ignition circuits of a xenon flash lamp in intense pulsed light (ipl). What may be considered as a basic circuit is given in figure 1.. Xenon Lamp Trigger Circuit.
From www.semanticscholar.org
[PDF] A Novel SeriesConnected Xenon Lamp Power Supply System Using a Xenon Lamp Trigger Circuit This study attempted to implement the pulse power supply and ignition circuits of a xenon flash lamp in intense pulsed light (ipl). A repetitive trigger circuit based on the 555 timer ic, useful for. 2 the main discharge circuit which. In this circuit condenser c1 is. 1 the trigger circuit which operates in the trigger phase. The trigger transformer is. Xenon Lamp Trigger Circuit.
From www.gowanda.com
Trigger Transformer Theory Gowanda Xenon Lamp Trigger Circuit 1 the trigger circuit which operates in the trigger phase. The trigger transformer is usually matched to the tube. This study attempted to implement the pulse power supply and ignition circuits of a xenon flash lamp in intense pulsed light (ipl). What may be considered as a basic circuit is given in figure 1. 2 the main discharge circuit which.. Xenon Lamp Trigger Circuit.
From www.homemade-circuits.com
Xenon Strobe Light Control Circuit Homemade Circuit Projects Xenon Lamp Trigger Circuit The trigger transformer is usually matched to the tube. A repetitive trigger circuit based on the 555 timer ic, useful for. Flash lamps are connected with two different circuits: A basic trigger circuit schematic is now included! In this circuit condenser c1 is. Method of triggering the flash tube. What may be considered as a basic circuit is given in. Xenon Lamp Trigger Circuit.
From www.ourpcb.com
Xenon flash tube circuit How To Build the Circuit Xenon Lamp Trigger Circuit The trigger transformer is usually matched to the tube. What may be considered as a basic circuit is given in figure 1. Method of triggering the flash tube. 1 the trigger circuit which operates in the trigger phase. Flash lamps are connected with two different circuits: 2 the main discharge circuit which. A repetitive trigger circuit based on the 555. Xenon Lamp Trigger Circuit.
From www.xenonflashtubes.com
Xenon Flash Tubes PHOTOAR LAMPS Xenon Lamp Trigger Circuit A basic trigger circuit schematic is now included! A repetitive trigger circuit based on the 555 timer ic, useful for. Method of triggering the flash tube. In this circuit condenser c1 is. This study attempted to implement the pulse power supply and ignition circuits of a xenon flash lamp in intense pulsed light (ipl). What may be considered as a. Xenon Lamp Trigger Circuit.
From www.ourpcb.com
Xenon flash tube circuit How To Build the Circuit Xenon Lamp Trigger Circuit In this circuit condenser c1 is. 2 the main discharge circuit which. What may be considered as a basic circuit is given in figure 1. 1 the trigger circuit which operates in the trigger phase. Method of triggering the flash tube. A repetitive trigger circuit based on the 555 timer ic, useful for. Flash lamps are connected with two different. Xenon Lamp Trigger Circuit.
From www.next.gr
xenon circuit Light Laser LED Circuits Next.gr Xenon Lamp Trigger Circuit Make note of gate sensitivity. Flash lamps are connected with two different circuits: The trigger transformer is usually matched to the tube. 1 the trigger circuit which operates in the trigger phase. In this circuit condenser c1 is. This study attempted to implement the pulse power supply and ignition circuits of a xenon flash lamp in intense pulsed light (ipl).. Xenon Lamp Trigger Circuit.
From www.semanticscholar.org
[PDF] A Novel SeriesConnected Xenon Lamp Power Supply System Using a Xenon Lamp Trigger Circuit Flash lamps are connected with two different circuits: Make note of gate sensitivity. This study attempted to implement the pulse power supply and ignition circuits of a xenon flash lamp in intense pulsed light (ipl). In this circuit condenser c1 is. 1 the trigger circuit which operates in the trigger phase. A repetitive trigger circuit based on the 555 timer. Xenon Lamp Trigger Circuit.