If Two Capacitors Connected In Parallel Total Capacitance Is . If two or more capacitors are connected in parallel, the overall effect is. This is equivalent to having a single larger capacitor in the circuit. Each is connected directly to the voltage source just as if it were all alone, and so the total capacitance in parallel is just the sum of the. Total capacitance in parallel is simply the sum of the individual capacitances. Total capacitance in parallel is simply the sum of the individual capacitances. Capacitors can be arranged in two simple and common types of connections, known as series and parallel, for which we can easily calculate. Each is connected directly to the voltage source just as if it were all alone, and so the total capacitance in parallel is just the sum of the individual. When capacitors are connected in parallel, the total capacitance is equal to all of the values added up. In the following circuit the capacitors, c1, c2 and c3 are all connected together in a parallel branch between points a. (again the “…” indicates the expression is valid for any number of capacitors connected in parallel.) so, for. When capacitors are connected in parallel, the total capacitance is the sum of the individual capacitors’ capacitances. (again the “.” indicates the expression is valid for any.
from www.nagwa.com
(again the “…” indicates the expression is valid for any number of capacitors connected in parallel.) so, for. When capacitors are connected in parallel, the total capacitance is the sum of the individual capacitors’ capacitances. Each is connected directly to the voltage source just as if it were all alone, and so the total capacitance in parallel is just the sum of the. Capacitors can be arranged in two simple and common types of connections, known as series and parallel, for which we can easily calculate. If two or more capacitors are connected in parallel, the overall effect is. When capacitors are connected in parallel, the total capacitance is equal to all of the values added up. Each is connected directly to the voltage source just as if it were all alone, and so the total capacitance in parallel is just the sum of the individual. Total capacitance in parallel is simply the sum of the individual capacitances. Total capacitance in parallel is simply the sum of the individual capacitances. This is equivalent to having a single larger capacitor in the circuit.
Question Video Calculating Total Capacitance in a Parallel Circuit Nagwa
If Two Capacitors Connected In Parallel Total Capacitance Is Each is connected directly to the voltage source just as if it were all alone, and so the total capacitance in parallel is just the sum of the. Total capacitance in parallel is simply the sum of the individual capacitances. This is equivalent to having a single larger capacitor in the circuit. Total capacitance in parallel is simply the sum of the individual capacitances. Each is connected directly to the voltage source just as if it were all alone, and so the total capacitance in parallel is just the sum of the. (again the “…” indicates the expression is valid for any number of capacitors connected in parallel.) so, for. In the following circuit the capacitors, c1, c2 and c3 are all connected together in a parallel branch between points a. (again the “.” indicates the expression is valid for any. When capacitors are connected in parallel, the total capacitance is equal to all of the values added up. When capacitors are connected in parallel, the total capacitance is the sum of the individual capacitors’ capacitances. Capacitors can be arranged in two simple and common types of connections, known as series and parallel, for which we can easily calculate. Each is connected directly to the voltage source just as if it were all alone, and so the total capacitance in parallel is just the sum of the individual. If two or more capacitors are connected in parallel, the overall effect is.
From nerdytechy.com
Capacitors in Series, Parallel and Mixed Explained NerdyTechy If Two Capacitors Connected In Parallel Total Capacitance Is Each is connected directly to the voltage source just as if it were all alone, and so the total capacitance in parallel is just the sum of the individual. This is equivalent to having a single larger capacitor in the circuit. If two or more capacitors are connected in parallel, the overall effect is. (again the “…” indicates the expression. If Two Capacitors Connected In Parallel Total Capacitance Is.
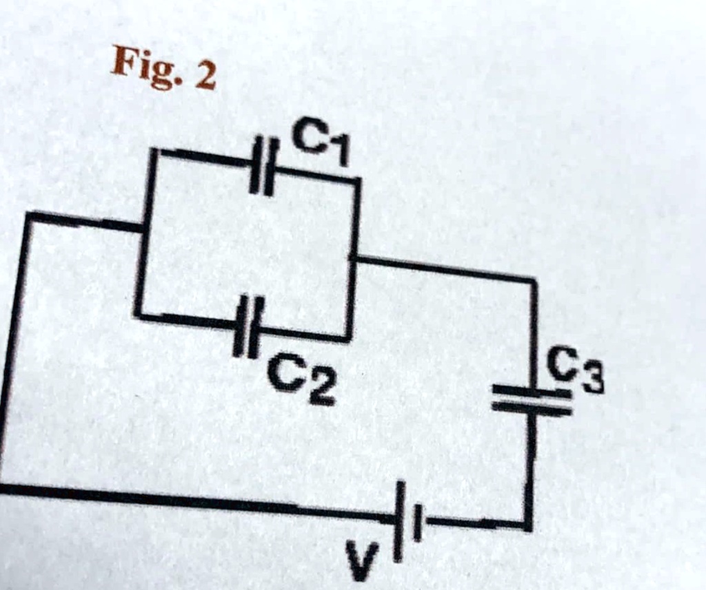
From brainly.in
derive an expression for equivalent capacitance for capacitors If Two Capacitors Connected In Parallel Total Capacitance Is Each is connected directly to the voltage source just as if it were all alone, and so the total capacitance in parallel is just the sum of the individual. In the following circuit the capacitors, c1, c2 and c3 are all connected together in a parallel branch between points a. Capacitors can be arranged in two simple and common types. If Two Capacitors Connected In Parallel Total Capacitance Is.
From www.nagwa.com
Question Video Calculating Total Capacitance in a Parallel Circuit Nagwa If Two Capacitors Connected In Parallel Total Capacitance Is Capacitors can be arranged in two simple and common types of connections, known as series and parallel, for which we can easily calculate. Total capacitance in parallel is simply the sum of the individual capacitances. Each is connected directly to the voltage source just as if it were all alone, and so the total capacitance in parallel is just the. If Two Capacitors Connected In Parallel Total Capacitance Is.
From brainly.in
three identical capacitor C1 C2 and C3 of capacitance 6uf each are If Two Capacitors Connected In Parallel Total Capacitance Is (again the “…” indicates the expression is valid for any number of capacitors connected in parallel.) so, for. This is equivalent to having a single larger capacitor in the circuit. If two or more capacitors are connected in parallel, the overall effect is. When capacitors are connected in parallel, the total capacitance is equal to all of the values added. If Two Capacitors Connected In Parallel Total Capacitance Is.
From byjus.com
A parallel plate capacitor of capacitance C is charged to a potential V If Two Capacitors Connected In Parallel Total Capacitance Is Each is connected directly to the voltage source just as if it were all alone, and so the total capacitance in parallel is just the sum of the. Total capacitance in parallel is simply the sum of the individual capacitances. When capacitors are connected in parallel, the total capacitance is equal to all of the values added up. If two. If Two Capacitors Connected In Parallel Total Capacitance Is.
From www.doubtnut.com
Derive an expression for the effective capacitance of three capacitors If Two Capacitors Connected In Parallel Total Capacitance Is Total capacitance in parallel is simply the sum of the individual capacitances. When capacitors are connected in parallel, the total capacitance is equal to all of the values added up. If two or more capacitors are connected in parallel, the overall effect is. When capacitors are connected in parallel, the total capacitance is the sum of the individual capacitors’ capacitances.. If Two Capacitors Connected In Parallel Total Capacitance Is.
From dxoeucvnj.blob.core.windows.net
Ac Capacitors In Parallel at Kathleen Reese blog If Two Capacitors Connected In Parallel Total Capacitance Is Total capacitance in parallel is simply the sum of the individual capacitances. (again the “…” indicates the expression is valid for any number of capacitors connected in parallel.) so, for. If two or more capacitors are connected in parallel, the overall effect is. When capacitors are connected in parallel, the total capacitance is the sum of the individual capacitors’ capacitances.. If Two Capacitors Connected In Parallel Total Capacitance Is.
From exozcbwin.blob.core.windows.net
Capacitors In Series Vs Parallel at Cynthia Reyes blog If Two Capacitors Connected In Parallel Total Capacitance Is Each is connected directly to the voltage source just as if it were all alone, and so the total capacitance in parallel is just the sum of the. Total capacitance in parallel is simply the sum of the individual capacitances. (again the “…” indicates the expression is valid for any number of capacitors connected in parallel.) so, for. When capacitors. If Two Capacitors Connected In Parallel Total Capacitance Is.
From www.numerade.com
SOLVED "Three capacitors of capacitances 2 pF, 3 pF and 4pF are If Two Capacitors Connected In Parallel Total Capacitance Is Total capacitance in parallel is simply the sum of the individual capacitances. Total capacitance in parallel is simply the sum of the individual capacitances. If two or more capacitors are connected in parallel, the overall effect is. Capacitors can be arranged in two simple and common types of connections, known as series and parallel, for which we can easily calculate.. If Two Capacitors Connected In Parallel Total Capacitance Is.
From www.youtube.com
Two capacitors give an equivalent capacitance of 9.00 pF when connected If Two Capacitors Connected In Parallel Total Capacitance Is If two or more capacitors are connected in parallel, the overall effect is. Each is connected directly to the voltage source just as if it were all alone, and so the total capacitance in parallel is just the sum of the. (again the “.” indicates the expression is valid for any. This is equivalent to having a single larger capacitor. If Two Capacitors Connected In Parallel Total Capacitance Is.
From www.electrical4u.net
What is Capacitance, Capacitor Series and Parallel Connection If Two Capacitors Connected In Parallel Total Capacitance Is (again the “.” indicates the expression is valid for any. If two or more capacitors are connected in parallel, the overall effect is. Total capacitance in parallel is simply the sum of the individual capacitances. Total capacitance in parallel is simply the sum of the individual capacitances. When capacitors are connected in parallel, the total capacitance is equal to all. If Two Capacitors Connected In Parallel Total Capacitance Is.
From www.numerade.com
SOLVED Three capacitors are connected to a battery as shown in the If Two Capacitors Connected In Parallel Total Capacitance Is Total capacitance in parallel is simply the sum of the individual capacitances. Each is connected directly to the voltage source just as if it were all alone, and so the total capacitance in parallel is just the sum of the individual. This is equivalent to having a single larger capacitor in the circuit. If two or more capacitors are connected. If Two Capacitors Connected In Parallel Total Capacitance Is.
From byjus.com
Two identical parallel plate capacitors are placed in series and If Two Capacitors Connected In Parallel Total Capacitance Is Each is connected directly to the voltage source just as if it were all alone, and so the total capacitance in parallel is just the sum of the. (again the “…” indicates the expression is valid for any number of capacitors connected in parallel.) so, for. When capacitors are connected in parallel, the total capacitance is equal to all of. If Two Capacitors Connected In Parallel Total Capacitance Is.
From pressbooks.online.ucf.edu
19.6 Capacitors in Series and Parallel College Physics If Two Capacitors Connected In Parallel Total Capacitance Is (again the “…” indicates the expression is valid for any number of capacitors connected in parallel.) so, for. In the following circuit the capacitors, c1, c2 and c3 are all connected together in a parallel branch between points a. If two or more capacitors are connected in parallel, the overall effect is. When capacitors are connected in parallel, the total. If Two Capacitors Connected In Parallel Total Capacitance Is.
From joiaiscwq.blob.core.windows.net
How Do You Solve Capacitors In Series And Parallel at Maryjane Rose blog If Two Capacitors Connected In Parallel Total Capacitance Is (again the “.” indicates the expression is valid for any. Total capacitance in parallel is simply the sum of the individual capacitances. Each is connected directly to the voltage source just as if it were all alone, and so the total capacitance in parallel is just the sum of the individual. Total capacitance in parallel is simply the sum of. If Two Capacitors Connected In Parallel Total Capacitance Is.
From byjus.com
Three identical capacitors C1, C2, C3 of capacitance 6 F each are If Two Capacitors Connected In Parallel Total Capacitance Is Total capacitance in parallel is simply the sum of the individual capacitances. Capacitors can be arranged in two simple and common types of connections, known as series and parallel, for which we can easily calculate. Total capacitance in parallel is simply the sum of the individual capacitances. In the following circuit the capacitors, c1, c2 and c3 are all connected. If Two Capacitors Connected In Parallel Total Capacitance Is.
From byjus.com
51.Two parallel plate capacitors having capacitance 6microfarad and If Two Capacitors Connected In Parallel Total Capacitance Is Total capacitance in parallel is simply the sum of the individual capacitances. In the following circuit the capacitors, c1, c2 and c3 are all connected together in a parallel branch between points a. (again the “.” indicates the expression is valid for any. Each is connected directly to the voltage source just as if it were all alone, and so. If Two Capacitors Connected In Parallel Total Capacitance Is.
From askfilo.com
The equivalent capacitance for two capacitors connected in parallel is gi.. If Two Capacitors Connected In Parallel Total Capacitance Is When capacitors are connected in parallel, the total capacitance is the sum of the individual capacitors’ capacitances. If two or more capacitors are connected in parallel, the overall effect is. Total capacitance in parallel is simply the sum of the individual capacitances. Total capacitance in parallel is simply the sum of the individual capacitances. Capacitors can be arranged in two. If Two Capacitors Connected In Parallel Total Capacitance Is.
From guideingerivasze.z4.web.core.windows.net
Wiring Capacitors In Series And Parallel If Two Capacitors Connected In Parallel Total Capacitance Is If two or more capacitors are connected in parallel, the overall effect is. This is equivalent to having a single larger capacitor in the circuit. Each is connected directly to the voltage source just as if it were all alone, and so the total capacitance in parallel is just the sum of the. Capacitors can be arranged in two simple. If Two Capacitors Connected In Parallel Total Capacitance Is.
From www.slideserve.com
PPT Capacitors in Series & Parallel PowerPoint Presentation, free If Two Capacitors Connected In Parallel Total Capacitance Is When capacitors are connected in parallel, the total capacitance is equal to all of the values added up. Each is connected directly to the voltage source just as if it were all alone, and so the total capacitance in parallel is just the sum of the. If two or more capacitors are connected in parallel, the overall effect is. (again. If Two Capacitors Connected In Parallel Total Capacitance Is.
From klasgzbam.blob.core.windows.net
Capacitors And Resistance In Parallel at Van Jacobsen blog If Two Capacitors Connected In Parallel Total Capacitance Is Each is connected directly to the voltage source just as if it were all alone, and so the total capacitance in parallel is just the sum of the individual. Capacitors can be arranged in two simple and common types of connections, known as series and parallel, for which we can easily calculate. (again the “…” indicates the expression is valid. If Two Capacitors Connected In Parallel Total Capacitance Is.
From joifbtnmr.blob.core.windows.net
When Capacitors Are Connected In Parallel The Current Is at Martin If Two Capacitors Connected In Parallel Total Capacitance Is Total capacitance in parallel is simply the sum of the individual capacitances. In the following circuit the capacitors, c1, c2 and c3 are all connected together in a parallel branch between points a. Each is connected directly to the voltage source just as if it were all alone, and so the total capacitance in parallel is just the sum of. If Two Capacitors Connected In Parallel Total Capacitance Is.
From byjus.com
TWO CAPACITOR HAVING CAPACITANCE C AND 2C ARE CHARGED TO POTENTIAL 4V If Two Capacitors Connected In Parallel Total Capacitance Is (again the “…” indicates the expression is valid for any number of capacitors connected in parallel.) so, for. This is equivalent to having a single larger capacitor in the circuit. Total capacitance in parallel is simply the sum of the individual capacitances. Capacitors can be arranged in two simple and common types of connections, known as series and parallel, for. If Two Capacitors Connected In Parallel Total Capacitance Is.
From sciencing.com
Capacitors in Series & Parallel What Is It, Formula, Voltage (w If Two Capacitors Connected In Parallel Total Capacitance Is Capacitors can be arranged in two simple and common types of connections, known as series and parallel, for which we can easily calculate. If two or more capacitors are connected in parallel, the overall effect is. When capacitors are connected in parallel, the total capacitance is the sum of the individual capacitors’ capacitances. Total capacitance in parallel is simply the. If Two Capacitors Connected In Parallel Total Capacitance Is.
From dxovaryfp.blob.core.windows.net
Capacitor Series Connection Formula at Florence Bustamante blog If Two Capacitors Connected In Parallel Total Capacitance Is Each is connected directly to the voltage source just as if it were all alone, and so the total capacitance in parallel is just the sum of the individual. Total capacitance in parallel is simply the sum of the individual capacitances. Total capacitance in parallel is simply the sum of the individual capacitances. Capacitors can be arranged in two simple. If Two Capacitors Connected In Parallel Total Capacitance Is.
From www.youtube.com
Find the equivalent capacitance between points a and b for the group of If Two Capacitors Connected In Parallel Total Capacitance Is Each is connected directly to the voltage source just as if it were all alone, and so the total capacitance in parallel is just the sum of the individual. If two or more capacitors are connected in parallel, the overall effect is. Each is connected directly to the voltage source just as if it were all alone, and so the. If Two Capacitors Connected In Parallel Total Capacitance Is.
From www.toppr.com
A capacitor of capacitance C1 = 1mu F charged upto a voltage V = 110V If Two Capacitors Connected In Parallel Total Capacitance Is (again the “.” indicates the expression is valid for any. Capacitors can be arranged in two simple and common types of connections, known as series and parallel, for which we can easily calculate. Total capacitance in parallel is simply the sum of the individual capacitances. Each is connected directly to the voltage source just as if it were all alone,. If Two Capacitors Connected In Parallel Total Capacitance Is.
From pressbooks.bccampus.ca
19.6 Capacitors in Series and Parallel College Physics OpenStax If Two Capacitors Connected In Parallel Total Capacitance Is Each is connected directly to the voltage source just as if it were all alone, and so the total capacitance in parallel is just the sum of the individual. This is equivalent to having a single larger capacitor in the circuit. In the following circuit the capacitors, c1, c2 and c3 are all connected together in a parallel branch between. If Two Capacitors Connected In Parallel Total Capacitance Is.
From www.numerade.com
SOLVED Three capacitors and a power supply (V) are connected in the If Two Capacitors Connected In Parallel Total Capacitance Is Total capacitance in parallel is simply the sum of the individual capacitances. If two or more capacitors are connected in parallel, the overall effect is. When capacitors are connected in parallel, the total capacitance is the sum of the individual capacitors’ capacitances. This is equivalent to having a single larger capacitor in the circuit. (again the “.” indicates the expression. If Two Capacitors Connected In Parallel Total Capacitance Is.
From www.chegg.com
Solved 4) Two capacitors of capacitance 6.00 uF and 8.00 uF If Two Capacitors Connected In Parallel Total Capacitance Is This is equivalent to having a single larger capacitor in the circuit. When capacitors are connected in parallel, the total capacitance is equal to all of the values added up. (again the “.” indicates the expression is valid for any. Each is connected directly to the voltage source just as if it were all alone, and so the total capacitance. If Two Capacitors Connected In Parallel Total Capacitance Is.
From byjus.com
29.Two capacitors C1 and C2 of unknown capacitance are connected first If Two Capacitors Connected In Parallel Total Capacitance Is If two or more capacitors are connected in parallel, the overall effect is. Total capacitance in parallel is simply the sum of the individual capacitances. (again the “…” indicates the expression is valid for any number of capacitors connected in parallel.) so, for. Each is connected directly to the voltage source just as if it were all alone, and so. If Two Capacitors Connected In Parallel Total Capacitance Is.
From dxoeucvnj.blob.core.windows.net
Ac Capacitors In Parallel at Kathleen Reese blog If Two Capacitors Connected In Parallel Total Capacitance Is (again the “…” indicates the expression is valid for any number of capacitors connected in parallel.) so, for. Each is connected directly to the voltage source just as if it were all alone, and so the total capacitance in parallel is just the sum of the individual. When capacitors are connected in parallel, the total capacitance is the sum of. If Two Capacitors Connected In Parallel Total Capacitance Is.
From www.toppr.com
Two capacitors of capacitance of 6 uF and 12 uF are connected in series If Two Capacitors Connected In Parallel Total Capacitance Is Each is connected directly to the voltage source just as if it were all alone, and so the total capacitance in parallel is just the sum of the. Total capacitance in parallel is simply the sum of the individual capacitances. When capacitors are connected in parallel, the total capacitance is equal to all of the values added up. Each is. If Two Capacitors Connected In Parallel Total Capacitance Is.
From brainly.in
Derive an expression for the effective capacitance of three parallel If Two Capacitors Connected In Parallel Total Capacitance Is If two or more capacitors are connected in parallel, the overall effect is. (again the “.” indicates the expression is valid for any. This is equivalent to having a single larger capacitor in the circuit. (again the “…” indicates the expression is valid for any number of capacitors connected in parallel.) so, for. When capacitors are connected in parallel, the. If Two Capacitors Connected In Parallel Total Capacitance Is.
From diagramlibvina37960rc.z13.web.core.windows.net
Wiring Capacitors In Parallel If Two Capacitors Connected In Parallel Total Capacitance Is When capacitors are connected in parallel, the total capacitance is equal to all of the values added up. This is equivalent to having a single larger capacitor in the circuit. Each is connected directly to the voltage source just as if it were all alone, and so the total capacitance in parallel is just the sum of the individual. When. If Two Capacitors Connected In Parallel Total Capacitance Is.