Power Window Only Goes Down . Broken lift cable, broken lift tape, broken idler. Car window problems can be electrical; The local switch on the rear passenger window moves it down only. Most likely the problem is the switch. The most common reason why power windows are not working is due to a broken window regulator or a broken window motor. Honda/acura use a polarity reversing ground at rest power window system, same as the door. It can also be caused by faulty wirings between your car’s body and the door, which is quite a common place for them to break. Either a bad switch, bad wiring or a bad power window motor. Whether your window is stuck halfway or refuses to budge at all, understanding how to diagnose and fix power window problems can save you time, money, and a headache. Or, they can be mechanical; Furthermore, the problem has gone away a.
from www.reddit.com
Furthermore, the problem has gone away a. The local switch on the rear passenger window moves it down only. It can also be caused by faulty wirings between your car’s body and the door, which is quite a common place for them to break. Broken lift cable, broken lift tape, broken idler. Whether your window is stuck halfway or refuses to budge at all, understanding how to diagnose and fix power window problems can save you time, money, and a headache. The most common reason why power windows are not working is due to a broken window regulator or a broken window motor. Honda/acura use a polarity reversing ground at rest power window system, same as the door. Car window problems can be electrical; Or, they can be mechanical; Either a bad switch, bad wiring or a bad power window motor.
Power windows only work from master switch fix. r/CherokeeXJ
Power Window Only Goes Down Broken lift cable, broken lift tape, broken idler. The local switch on the rear passenger window moves it down only. Most likely the problem is the switch. Or, they can be mechanical; Broken lift cable, broken lift tape, broken idler. It can also be caused by faulty wirings between your car’s body and the door, which is quite a common place for them to break. The most common reason why power windows are not working is due to a broken window regulator or a broken window motor. Either a bad switch, bad wiring or a bad power window motor. Furthermore, the problem has gone away a. Whether your window is stuck halfway or refuses to budge at all, understanding how to diagnose and fix power window problems can save you time, money, and a headache. Car window problems can be electrical; Honda/acura use a polarity reversing ground at rest power window system, same as the door.
From www.youtube.com
Slow Power Windows In Your Car! (HOW TO FIX) YouTube Power Window Only Goes Down Broken lift cable, broken lift tape, broken idler. Whether your window is stuck halfway or refuses to budge at all, understanding how to diagnose and fix power window problems can save you time, money, and a headache. Car window problems can be electrical; It can also be caused by faulty wirings between your car’s body and the door, which is. Power Window Only Goes Down.
From www.youtube.com
DIY Honda Civic Power Window Switch Fix How to fix a stuck window Power Window Only Goes Down Whether your window is stuck halfway or refuses to budge at all, understanding how to diagnose and fix power window problems can save you time, money, and a headache. Honda/acura use a polarity reversing ground at rest power window system, same as the door. Most likely the problem is the switch. Furthermore, the problem has gone away a. Car window. Power Window Only Goes Down.
From www.focusfanatics.com
2003 Driver Power Window Only Goes Up not down Page 2 Focus Power Window Only Goes Down Broken lift cable, broken lift tape, broken idler. The local switch on the rear passenger window moves it down only. The most common reason why power windows are not working is due to a broken window regulator or a broken window motor. Most likely the problem is the switch. Furthermore, the problem has gone away a. Either a bad switch,. Power Window Only Goes Down.
From www.v3cars.com
Power Windows Feature, Pros & Cons, Working Explained Power Window Only Goes Down Honda/acura use a polarity reversing ground at rest power window system, same as the door. Car window problems can be electrical; Most likely the problem is the switch. Broken lift cable, broken lift tape, broken idler. Whether your window is stuck halfway or refuses to budge at all, understanding how to diagnose and fix power window problems can save you. Power Window Only Goes Down.
From www.dubizzle.com
All About Power Windows History, Development & More Power Window Only Goes Down Furthermore, the problem has gone away a. Car window problems can be electrical; Honda/acura use a polarity reversing ground at rest power window system, same as the door. Broken lift cable, broken lift tape, broken idler. The most common reason why power windows are not working is due to a broken window regulator or a broken window motor. Or, they. Power Window Only Goes Down.
From poe.com
Why does my power window only go down and not up, even after replacing Power Window Only Goes Down Whether your window is stuck halfway or refuses to budge at all, understanding how to diagnose and fix power window problems can save you time, money, and a headache. It can also be caused by faulty wirings between your car’s body and the door, which is quite a common place for them to break. Broken lift cable, broken lift tape,. Power Window Only Goes Down.
From schematicgrisette.z13.web.core.windows.net
Manually Raise Power Window Power Window Only Goes Down Either a bad switch, bad wiring or a bad power window motor. Car window problems can be electrical; The most common reason why power windows are not working is due to a broken window regulator or a broken window motor. The local switch on the rear passenger window moves it down only. Or, they can be mechanical; Whether your window. Power Window Only Goes Down.
From www.focusfanatics.com
2003 Driver Power Window Only Goes Up not down Focus Fanatics Forum Power Window Only Goes Down Most likely the problem is the switch. Honda/acura use a polarity reversing ground at rest power window system, same as the door. Broken lift cable, broken lift tape, broken idler. Furthermore, the problem has gone away a. Either a bad switch, bad wiring or a bad power window motor. The most common reason why power windows are not working is. Power Window Only Goes Down.
From userdiagramlimings.z21.web.core.windows.net
Manually Raise Power Window Power Window Only Goes Down Either a bad switch, bad wiring or a bad power window motor. Whether your window is stuck halfway or refuses to budge at all, understanding how to diagnose and fix power window problems can save you time, money, and a headache. It can also be caused by faulty wirings between your car’s body and the door, which is quite a. Power Window Only Goes Down.
From exouhfvim.blob.core.windows.net
How To Get Power Window Down Manually at Carmen Grieve blog Power Window Only Goes Down Most likely the problem is the switch. Either a bad switch, bad wiring or a bad power window motor. Car window problems can be electrical; Honda/acura use a polarity reversing ground at rest power window system, same as the door. The most common reason why power windows are not working is due to a broken window regulator or a broken. Power Window Only Goes Down.
From garageerik88.z21.web.core.windows.net
Power Windows Not Working 2004 Ford F150 Power Window Only Goes Down Furthermore, the problem has gone away a. Or, they can be mechanical; The local switch on the rear passenger window moves it down only. Either a bad switch, bad wiring or a bad power window motor. Honda/acura use a polarity reversing ground at rest power window system, same as the door. It can also be caused by faulty wirings between. Power Window Only Goes Down.
From wirelistfenestras.z13.web.core.windows.net
Honda Power Window Wiring Diagram Power Window Only Goes Down It can also be caused by faulty wirings between your car’s body and the door, which is quite a common place for them to break. The local switch on the rear passenger window moves it down only. The most common reason why power windows are not working is due to a broken window regulator or a broken window motor. Broken. Power Window Only Goes Down.
From centrigibvyfixmachine.z13.web.core.windows.net
Honda Civic Window Wont Go Up Power Window Only Goes Down Most likely the problem is the switch. The most common reason why power windows are not working is due to a broken window regulator or a broken window motor. Broken lift cable, broken lift tape, broken idler. The local switch on the rear passenger window moves it down only. Furthermore, the problem has gone away a. Or, they can be. Power Window Only Goes Down.
From www.focusfanatics.com
2003 Driver Power Window Only Goes Up not down Page 2 Focus Power Window Only Goes Down It can also be caused by faulty wirings between your car’s body and the door, which is quite a common place for them to break. The most common reason why power windows are not working is due to a broken window regulator or a broken window motor. Furthermore, the problem has gone away a. Honda/acura use a polarity reversing ground. Power Window Only Goes Down.
From axleaddict.com
How to Raise a Stuck Power Window Manually in a Car AxleAddict Power Window Only Goes Down Car window problems can be electrical; Whether your window is stuck halfway or refuses to budge at all, understanding how to diagnose and fix power window problems can save you time, money, and a headache. Or, they can be mechanical; Either a bad switch, bad wiring or a bad power window motor. It can also be caused by faulty wirings. Power Window Only Goes Down.
From www.youtube.com
How to fix a car window that automatically goes up then down halfway Power Window Only Goes Down Broken lift cable, broken lift tape, broken idler. Furthermore, the problem has gone away a. It can also be caused by faulty wirings between your car’s body and the door, which is quite a common place for them to break. Whether your window is stuck halfway or refuses to budge at all, understanding how to diagnose and fix power window. Power Window Only Goes Down.
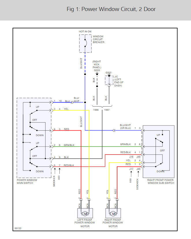
From www.2carpros.com
Power Windows I Have Wiring Diagram for the Window Circuit It Power Window Only Goes Down Or, they can be mechanical; Broken lift cable, broken lift tape, broken idler. Either a bad switch, bad wiring or a bad power window motor. Car window problems can be electrical; Most likely the problem is the switch. It can also be caused by faulty wirings between your car’s body and the door, which is quite a common place for. Power Window Only Goes Down.
From www.v3cars.com
Power Windows Feature, Pros & Cons, Working Explained Power Window Only Goes Down Broken lift cable, broken lift tape, broken idler. Whether your window is stuck halfway or refuses to budge at all, understanding how to diagnose and fix power window problems can save you time, money, and a headache. Honda/acura use a polarity reversing ground at rest power window system, same as the door. Or, they can be mechanical; Car window problems. Power Window Only Goes Down.
From carstechie.com
Power Window Problems 8 Common Causes and Their Solutions Power Window Only Goes Down Whether your window is stuck halfway or refuses to budge at all, understanding how to diagnose and fix power window problems can save you time, money, and a headache. Broken lift cable, broken lift tape, broken idler. Either a bad switch, bad wiring or a bad power window motor. The most common reason why power windows are not working is. Power Window Only Goes Down.
From www.reddit.com
Power windows only work from master switch fix. r/CherokeeXJ Power Window Only Goes Down The local switch on the rear passenger window moves it down only. Most likely the problem is the switch. Honda/acura use a polarity reversing ground at rest power window system, same as the door. Or, they can be mechanical; Broken lift cable, broken lift tape, broken idler. Furthermore, the problem has gone away a. It can also be caused by. Power Window Only Goes Down.
From www.justanswer.com
The passenger side power window only goes up a few inches, then stops Power Window Only Goes Down Most likely the problem is the switch. Honda/acura use a polarity reversing ground at rest power window system, same as the door. Whether your window is stuck halfway or refuses to budge at all, understanding how to diagnose and fix power window problems can save you time, money, and a headache. Broken lift cable, broken lift tape, broken idler. The. Power Window Only Goes Down.
From bmwe36walls.blogspot.com
Bmw E36 Coupe Window Problem BEST OF BMW E36 Power Window Only Goes Down Honda/acura use a polarity reversing ground at rest power window system, same as the door. It can also be caused by faulty wirings between your car’s body and the door, which is quite a common place for them to break. Whether your window is stuck halfway or refuses to budge at all, understanding how to diagnose and fix power window. Power Window Only Goes Down.
From www.focusfanatics.com
2003 Driver Power Window Only Goes Up not down Page 2 Focus Power Window Only Goes Down The most common reason why power windows are not working is due to a broken window regulator or a broken window motor. Furthermore, the problem has gone away a. Whether your window is stuck halfway or refuses to budge at all, understanding how to diagnose and fix power window problems can save you time, money, and a headache. It can. Power Window Only Goes Down.
From www.wiringdigital.com
Vt Power Window Wiring Diagram Wiring Digital and Schematic Power Window Only Goes Down Honda/acura use a polarity reversing ground at rest power window system, same as the door. The local switch on the rear passenger window moves it down only. It can also be caused by faulty wirings between your car’s body and the door, which is quite a common place for them to break. Furthermore, the problem has gone away a. The. Power Window Only Goes Down.
From www.wikihow.com
How to Manually Roll Up a Stuck Power Window 2 Easiest Methods Power Window Only Goes Down Furthermore, the problem has gone away a. The most common reason why power windows are not working is due to a broken window regulator or a broken window motor. Broken lift cable, broken lift tape, broken idler. Whether your window is stuck halfway or refuses to budge at all, understanding how to diagnose and fix power window problems can save. Power Window Only Goes Down.
From f4vn.com
Top 8 Car Window Won't Go Up Power Window Only Goes Down It can also be caused by faulty wirings between your car’s body and the door, which is quite a common place for them to break. Car window problems can be electrical; Broken lift cable, broken lift tape, broken idler. Most likely the problem is the switch. The local switch on the rear passenger window moves it down only. Or, they. Power Window Only Goes Down.
From b105country.com
If Your Power Window Won't Go Up On Your Car, This Trick May Save The Day Power Window Only Goes Down The local switch on the rear passenger window moves it down only. Or, they can be mechanical; Most likely the problem is the switch. It can also be caused by faulty wirings between your car’s body and the door, which is quite a common place for them to break. Honda/acura use a polarity reversing ground at rest power window system,. Power Window Only Goes Down.
From schematicguides.z21.web.core.windows.net
Manually Raise Power Window Power Window Only Goes Down Broken lift cable, broken lift tape, broken idler. The local switch on the rear passenger window moves it down only. It can also be caused by faulty wirings between your car’s body and the door, which is quite a common place for them to break. Either a bad switch, bad wiring or a bad power window motor. Honda/acura use a. Power Window Only Goes Down.
From la-nels.blogspot.com
Car Window Wont Go Up How To Test Window Motor On Car Window Does Not Power Window Only Goes Down Whether your window is stuck halfway or refuses to budge at all, understanding how to diagnose and fix power window problems can save you time, money, and a headache. Car window problems can be electrical; The local switch on the rear passenger window moves it down only. Either a bad switch, bad wiring or a bad power window motor. Most. Power Window Only Goes Down.
From e36bmw318is.blogspot.com
E36 BMW 318is Power Window Only Goes Up and Down in 1 inch Increments Power Window Only Goes Down Broken lift cable, broken lift tape, broken idler. It can also be caused by faulty wirings between your car’s body and the door, which is quite a common place for them to break. The local switch on the rear passenger window moves it down only. Either a bad switch, bad wiring or a bad power window motor. Or, they can. Power Window Only Goes Down.
From fixrepairglenn55.z13.web.core.windows.net
2006 Chevy Equinox Driver Window Not Working Power Window Only Goes Down Car window problems can be electrical; Broken lift cable, broken lift tape, broken idler. Or, they can be mechanical; Honda/acura use a polarity reversing ground at rest power window system, same as the door. The most common reason why power windows are not working is due to a broken window regulator or a broken window motor. Either a bad switch,. Power Window Only Goes Down.
From detoxicrecenze.com
Power Window Wiring Diagram My Wiring DIagram Power Window Only Goes Down Either a bad switch, bad wiring or a bad power window motor. Honda/acura use a polarity reversing ground at rest power window system, same as the door. Most likely the problem is the switch. The local switch on the rear passenger window moves it down only. Furthermore, the problem has gone away a. Or, they can be mechanical; It can. Power Window Only Goes Down.
From www.youtube.com
HOW TO REPLACE A POWER WINDOW MOTOR! YouTube Power Window Only Goes Down Furthermore, the problem has gone away a. It can also be caused by faulty wirings between your car’s body and the door, which is quite a common place for them to break. Either a bad switch, bad wiring or a bad power window motor. Or, they can be mechanical; The most common reason why power windows are not working is. Power Window Only Goes Down.
From cliosport.net
Renault Clio 2011 power window switch wiring help Power Window Only Goes Down Furthermore, the problem has gone away a. Honda/acura use a polarity reversing ground at rest power window system, same as the door. Either a bad switch, bad wiring or a bad power window motor. It can also be caused by faulty wirings between your car’s body and the door, which is quite a common place for them to break. The. Power Window Only Goes Down.
From www.youtube.com
Car Window Stuck Down How to Fix Power Window YouTube Power Window Only Goes Down The local switch on the rear passenger window moves it down only. Or, they can be mechanical; Honda/acura use a polarity reversing ground at rest power window system, same as the door. It can also be caused by faulty wirings between your car’s body and the door, which is quite a common place for them to break. Whether your window. Power Window Only Goes Down.