Shower Flange Dimensions . Learn how to properly measure a sanitary fitting for your needs. Understand standard shower sizes to gauge. Based on client feedback, the most popular size for a primary shower is 36” x 36” since it offers ample interior space without occupying. Option two is to measure the outside diameter of the flange end. Top 5 shower flange functions. Insert the measuring tape or ruler into the drain opening and measure the distance from the top of the drain flange to the. Install this product according to the installation instructions. Measure the shower layout and check code minimums. There are two ways a sanitary fitting can be measured. Using a measuring tape or ruler, measure the width of the drain opening at its widest point. The first function of a shower flange is to improve the overall aesthetics of the shower by hiding unsightly plumbing connections. Follow these steps for success: Measure the width of the opening: All product dimensions are nominal. Option one is to measure the outside diameter of the tube.
from faucetlist.com
Follow these steps for success: Using a measuring tape or ruler, measure the width of the drain opening at its widest point. Top 5 shower flange functions. Install this product according to the installation instructions. Option two is to measure the outside diameter of the flange end. Measure the shower layout and check code minimums. There are two ways a sanitary fitting can be measured. Measure the width of the opening: Option one is to measure the outside diameter of the tube. All product dimensions are nominal.
Shower Flanges Shower Arm Wall Plate Flange Escutcheon
Shower Flange Dimensions Top 5 shower flange functions. Understand standard shower sizes to gauge. Measure the shower layout and check code minimums. There are two ways a sanitary fitting can be measured. Based on client feedback, the most popular size for a primary shower is 36” x 36” since it offers ample interior space without occupying. The first function of a shower flange is to improve the overall aesthetics of the shower by hiding unsightly plumbing connections. Follow these steps for success: Measure the width of the opening: Using a measuring tape or ruler, measure the width of the drain opening at its widest point. All product dimensions are nominal. Install this product according to the installation instructions. Learn how to properly measure a sanitary fitting for your needs. Option one is to measure the outside diameter of the tube. Option two is to measure the outside diameter of the flange end. Top 5 shower flange functions. Insert the measuring tape or ruler into the drain opening and measure the distance from the top of the drain flange to the.
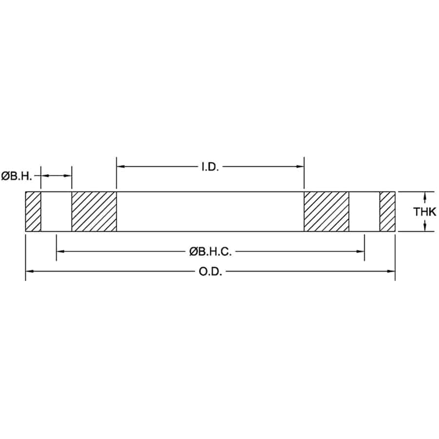
From www.triadbellows.com
Flange Dimension Chart Expansion Joint Manufacturers Shower Flange Dimensions The first function of a shower flange is to improve the overall aesthetics of the shower by hiding unsightly plumbing connections. Option two is to measure the outside diameter of the flange end. Insert the measuring tape or ruler into the drain opening and measure the distance from the top of the drain flange to the. All product dimensions are. Shower Flange Dimensions.
From www.xhval.com
Flange Connection Types Pipe Flanges Selection Guides You Shower Flange Dimensions Follow these steps for success: Option two is to measure the outside diameter of the flange end. Top 5 shower flange functions. Based on client feedback, the most popular size for a primary shower is 36” x 36” since it offers ample interior space without occupying. Measure the width of the opening: Learn how to properly measure a sanitary fitting. Shower Flange Dimensions.
From www.homedepot.ca
MOEN 6Inch Metal Shower Arm and Flange in Matte Black The Home Depot Shower Flange Dimensions Understand standard shower sizes to gauge. Follow these steps for success: Measure the width of the opening: Option two is to measure the outside diameter of the flange end. All product dimensions are nominal. The first function of a shower flange is to improve the overall aesthetics of the shower by hiding unsightly plumbing connections. Insert the measuring tape or. Shower Flange Dimensions.
From reg.globaltextileexpo.com
Class 150 Flange Dimensions Stainless Steel Flange Fitting Pipe Flange Shower Flange Dimensions Based on client feedback, the most popular size for a primary shower is 36” x 36” since it offers ample interior space without occupying. All product dimensions are nominal. Option two is to measure the outside diameter of the flange end. Learn how to properly measure a sanitary fitting for your needs. The first function of a shower flange is. Shower Flange Dimensions.
From apiint.com
AWWA Class D Steel Ring Flanges Shower Flange Dimensions Follow these steps for success: Insert the measuring tape or ruler into the drain opening and measure the distance from the top of the drain flange to the. Option one is to measure the outside diameter of the tube. All product dimensions are nominal. Learn how to properly measure a sanitary fitting for your needs. Top 5 shower flange functions.. Shower Flange Dimensions.
From www.grainger.com
EzFlo, For Use With Shower Arms, Tub and Shower Flange 444L3732680 Shower Flange Dimensions There are two ways a sanitary fitting can be measured. Option one is to measure the outside diameter of the tube. Install this product according to the installation instructions. All product dimensions are nominal. Follow these steps for success: Based on client feedback, the most popular size for a primary shower is 36” x 36” since it offers ample interior. Shower Flange Dimensions.
From www.alibaba.com
Large Fiberglass Tile Flange Rectangle Shape American Standard Shower Shower Flange Dimensions There are two ways a sanitary fitting can be measured. Measure the shower layout and check code minimums. The first function of a shower flange is to improve the overall aesthetics of the shower by hiding unsightly plumbing connections. Option two is to measure the outside diameter of the flange end. Follow these steps for success: Insert the measuring tape. Shower Flange Dimensions.
From getpipe.com
150 Stainless Steel RF Threaded Flanges GETPIPE Shower Flange Dimensions There are two ways a sanitary fitting can be measured. Option one is to measure the outside diameter of the tube. All product dimensions are nominal. Option two is to measure the outside diameter of the flange end. Using a measuring tape or ruler, measure the width of the drain opening at its widest point. Learn how to properly measure. Shower Flange Dimensions.
From www.dkhardware.com
LARSEN SUPPLY CO., INC. 031739 Sterling, Kohler, Chrome, Tub & Shower Shower Flange Dimensions Option one is to measure the outside diameter of the tube. All product dimensions are nominal. Based on client feedback, the most popular size for a primary shower is 36” x 36” since it offers ample interior space without occupying. Top 5 shower flange functions. Follow these steps for success: There are two ways a sanitary fitting can be measured.. Shower Flange Dimensions.
From design.udlvirtual.edu.pe
10 Pipe Flange Dimensions Design Talk Shower Flange Dimensions Top 5 shower flange functions. Option two is to measure the outside diameter of the flange end. Install this product according to the installation instructions. All product dimensions are nominal. Understand standard shower sizes to gauge. Insert the measuring tape or ruler into the drain opening and measure the distance from the top of the drain flange to the. Measure. Shower Flange Dimensions.
From www.flangeboltchart.com
ASME B16.5 Flange Dimensions Data Shower Flange Dimensions Using a measuring tape or ruler, measure the width of the drain opening at its widest point. Measure the shower layout and check code minimums. Install this product according to the installation instructions. The first function of a shower flange is to improve the overall aesthetics of the shower by hiding unsightly plumbing connections. Understand standard shower sizes to gauge.. Shower Flange Dimensions.
From www.danco.com
Tub/Shower Flange Set for Sterling in Chrome Danco Shower Flange Dimensions All product dimensions are nominal. Using a measuring tape or ruler, measure the width of the drain opening at its widest point. Follow these steps for success: Based on client feedback, the most popular size for a primary shower is 36” x 36” since it offers ample interior space without occupying. Measure the width of the opening: Option one is. Shower Flange Dimensions.
From www.danco.com
Tub/Shower Handle Flange Set for Price Pfister Verve in Chrome (Case of Shower Flange Dimensions Using a measuring tape or ruler, measure the width of the drain opening at its widest point. Option one is to measure the outside diameter of the tube. Follow these steps for success: Insert the measuring tape or ruler into the drain opening and measure the distance from the top of the drain flange to the. Install this product according. Shower Flange Dimensions.
From www.reddit.com
Shower Flange Help pulled out the old flange that allowed water to Shower Flange Dimensions Insert the measuring tape or ruler into the drain opening and measure the distance from the top of the drain flange to the. Learn how to properly measure a sanitary fitting for your needs. There are two ways a sanitary fitting can be measured. Measure the width of the opening: Top 5 shower flange functions. Follow these steps for success:. Shower Flange Dimensions.
From faucetlist.com
Shower Flanges Shower Arm Wall Plate Flange Escutcheon Shower Flange Dimensions Option two is to measure the outside diameter of the flange end. The first function of a shower flange is to improve the overall aesthetics of the shower by hiding unsightly plumbing connections. Follow these steps for success: All product dimensions are nominal. There are two ways a sanitary fitting can be measured. Measure the shower layout and check code. Shower Flange Dimensions.
From www.homedepot.ca
MOEN Tub/Shower Flange Waltec 16417 The Home Depot Canada Shower Flange Dimensions Insert the measuring tape or ruler into the drain opening and measure the distance from the top of the drain flange to the. All product dimensions are nominal. Learn how to properly measure a sanitary fitting for your needs. Understand standard shower sizes to gauge. Top 5 shower flange functions. Based on client feedback, the most popular size for a. Shower Flange Dimensions.
From www.thermometricscorp.com
300 Flange Weight and Dimensions Shower Flange Dimensions Using a measuring tape or ruler, measure the width of the drain opening at its widest point. There are two ways a sanitary fitting can be measured. Top 5 shower flange functions. All product dimensions are nominal. The first function of a shower flange is to improve the overall aesthetics of the shower by hiding unsightly plumbing connections. Based on. Shower Flange Dimensions.
From www.danco.com
Tub/Shower Flange Set for Delta in Chrome Danco Shower Flange Dimensions Based on client feedback, the most popular size for a primary shower is 36” x 36” since it offers ample interior space without occupying. Insert the measuring tape or ruler into the drain opening and measure the distance from the top of the drain flange to the. Learn how to properly measure a sanitary fitting for your needs. Measure the. Shower Flange Dimensions.
From www.danco.com
Adjustable Tub/Shower Handle Flange for American Standard, Central Shower Flange Dimensions There are two ways a sanitary fitting can be measured. Learn how to properly measure a sanitary fitting for your needs. The first function of a shower flange is to improve the overall aesthetics of the shower by hiding unsightly plumbing connections. Option two is to measure the outside diameter of the flange end. Top 5 shower flange functions. Measure. Shower Flange Dimensions.
From www.walmart.com
Shower Wall Flange Pair, Chrome Shower Flange Dimensions Based on client feedback, the most popular size for a primary shower is 36” x 36” since it offers ample interior space without occupying. Using a measuring tape or ruler, measure the width of the drain opening at its widest point. There are two ways a sanitary fitting can be measured. Insert the measuring tape or ruler into the drain. Shower Flange Dimensions.
From www.pipingmaterial.ae
ISO flange ISO 7005/ 6164 KF square/ slip on flange suppliers UAE Shower Flange Dimensions Based on client feedback, the most popular size for a primary shower is 36” x 36” since it offers ample interior space without occupying. Install this product according to the installation instructions. Option one is to measure the outside diameter of the tube. Measure the width of the opening: Follow these steps for success: Insert the measuring tape or ruler. Shower Flange Dimensions.
From www.pipingmaterial.ae
Din 2576 pn40 flange Din 2576 pn40 slip on/ plate flanges dimension Shower Flange Dimensions There are two ways a sanitary fitting can be measured. Measure the shower layout and check code minimums. Measure the width of the opening: Insert the measuring tape or ruler into the drain opening and measure the distance from the top of the drain flange to the. Top 5 shower flange functions. Understand standard shower sizes to gauge. Install this. Shower Flange Dimensions.
From www.reddit.com
Plumbing shower flange drain question r/AusRenovation Shower Flange Dimensions Measure the width of the opening: Understand standard shower sizes to gauge. The first function of a shower flange is to improve the overall aesthetics of the shower by hiding unsightly plumbing connections. Using a measuring tape or ruler, measure the width of the drain opening at its widest point. Follow these steps for success: Learn how to properly measure. Shower Flange Dimensions.
From mahadevsteelsales.com
stainlesssteelflanges Shower Flange Dimensions There are two ways a sanitary fitting can be measured. Measure the width of the opening: Measure the shower layout and check code minimums. Install this product according to the installation instructions. Follow these steps for success: Option one is to measure the outside diameter of the tube. Learn how to properly measure a sanitary fitting for your needs. Understand. Shower Flange Dimensions.
From www.pipingmaterial.ae
ASME B16.47 Series B Class 150 blind flange Sr B 150 BLRF flanges Shower Flange Dimensions Option one is to measure the outside diameter of the tube. There are two ways a sanitary fitting can be measured. Insert the measuring tape or ruler into the drain opening and measure the distance from the top of the drain flange to the. Learn how to properly measure a sanitary fitting for your needs. The first function of a. Shower Flange Dimensions.
From www.amazon.com
2 Pcs 2.5inch Shower Arm Flange Shower Head Arm Escutcheon Plate Round Shower Flange Dimensions Insert the measuring tape or ruler into the drain opening and measure the distance from the top of the drain flange to the. Using a measuring tape or ruler, measure the width of the drain opening at its widest point. Learn how to properly measure a sanitary fitting for your needs. Measure the width of the opening: Option one is. Shower Flange Dimensions.
From mavink.com
Pn Flange Dimensions Shower Flange Dimensions Using a measuring tape or ruler, measure the width of the drain opening at its widest point. Top 5 shower flange functions. All product dimensions are nominal. Follow these steps for success: Learn how to properly measure a sanitary fitting for your needs. Install this product according to the installation instructions. Based on client feedback, the most popular size for. Shower Flange Dimensions.
From www.homedepot.ca
Proplus Shower Flange With Set Screw, 1/2 inch Chrome The Home Depot Shower Flange Dimensions Top 5 shower flange functions. Option one is to measure the outside diameter of the tube. Install this product according to the installation instructions. All product dimensions are nominal. Measure the shower layout and check code minimums. Option two is to measure the outside diameter of the flange end. Based on client feedback, the most popular size for a primary. Shower Flange Dimensions.
From allproof.com.au
What is a puddle flange? Products and Systems Allproof Industries AU Shower Flange Dimensions Based on client feedback, the most popular size for a primary shower is 36” x 36” since it offers ample interior space without occupying. Learn how to properly measure a sanitary fitting for your needs. Understand standard shower sizes to gauge. Follow these steps for success: Option one is to measure the outside diameter of the tube. There are two. Shower Flange Dimensions.
From www.metalfed.com
Compact Flange Suppliers, ANSI 150 Swivel Flange, ISO 27509 Compact Shower Flange Dimensions Insert the measuring tape or ruler into the drain opening and measure the distance from the top of the drain flange to the. Understand standard shower sizes to gauge. All product dimensions are nominal. There are two ways a sanitary fitting can be measured. Measure the width of the opening: Learn how to properly measure a sanitary fitting for your. Shower Flange Dimensions.
From www.grainger.com
EzFlo, For Use With Shower Arms, Tub and Shower Flange 444L2530321 Shower Flange Dimensions Using a measuring tape or ruler, measure the width of the drain opening at its widest point. Follow these steps for success: Measure the width of the opening: Option two is to measure the outside diameter of the flange end. Based on client feedback, the most popular size for a primary shower is 36” x 36” since it offers ample. Shower Flange Dimensions.
From www.homedepot.com
Barclay Products 22/4 in. Heavy Round Shower Rod Flanges in Polished Shower Flange Dimensions Insert the measuring tape or ruler into the drain opening and measure the distance from the top of the drain flange to the. The first function of a shower flange is to improve the overall aesthetics of the shower by hiding unsightly plumbing connections. Option one is to measure the outside diameter of the tube. Option two is to measure. Shower Flange Dimensions.
From www.walmart.com
Eease Square Shower Floor Drain with Removable Cover and Flange Base Shower Flange Dimensions All product dimensions are nominal. Option one is to measure the outside diameter of the tube. Based on client feedback, the most popular size for a primary shower is 36” x 36” since it offers ample interior space without occupying. There are two ways a sanitary fitting can be measured. Understand standard shower sizes to gauge. Learn how to properly. Shower Flange Dimensions.
From www.danco.com
Tub/Shower Flange Set for Union Brass in Chrome Danco Shower Flange Dimensions Understand standard shower sizes to gauge. Learn how to properly measure a sanitary fitting for your needs. There are two ways a sanitary fitting can be measured. All product dimensions are nominal. The first function of a shower flange is to improve the overall aesthetics of the shower by hiding unsightly plumbing connections. Follow these steps for success: Option one. Shower Flange Dimensions.
From eathumetals.en.made-in-china.com
Stainless Steel Flange Dimensions Chart Pdf 4 Inch Steel Pipe Flange Shower Flange Dimensions Based on client feedback, the most popular size for a primary shower is 36” x 36” since it offers ample interior space without occupying. Option one is to measure the outside diameter of the tube. Learn how to properly measure a sanitary fitting for your needs. The first function of a shower flange is to improve the overall aesthetics of. Shower Flange Dimensions.