Craftsman Colormatic Arc Welder Parts . view and download craftsman 113.201392 owner's manual online. view and download craftsman 113.201892 owner's manual online. We also have installation guides, diagrams and manuals to help you. 295 amp dual range arc welder. Ac 230 amp/dc 140 amp triple range arc welder. This manual contains information such as the specific assembly information, welder duty cycle, welder open circuit. here are the diagrams and repair parts for official craftsman 113202450 ac arc welder, as well as links to manuals and error code. if this craftsman electric welder fails to perform properly, due to a defect in material or workmanship, within one year from the date of purchase, sears. page 36 isears i 230 amp dual range arc welder service now that you have purchased your 230 amp arc welder,. amp ac/140 amp dc arc welder.
from www.kmart.com
This manual contains information such as the specific assembly information, welder duty cycle, welder open circuit. amp ac/140 amp dc arc welder. view and download craftsman 113.201892 owner's manual online. view and download craftsman 113.201392 owner's manual online. if this craftsman electric welder fails to perform properly, due to a defect in material or workmanship, within one year from the date of purchase, sears. We also have installation guides, diagrams and manuals to help you. page 36 isears i 230 amp dual range arc welder service now that you have purchased your 230 amp arc welder,. here are the diagrams and repair parts for official craftsman 113202450 ac arc welder, as well as links to manuals and error code. Ac 230 amp/dc 140 amp triple range arc welder. 295 amp dual range arc welder.
Craftsman Arc 240 AC/180 DC Welder Tools Welding Equipment Stick
Craftsman Colormatic Arc Welder Parts Ac 230 amp/dc 140 amp triple range arc welder. Ac 230 amp/dc 140 amp triple range arc welder. here are the diagrams and repair parts for official craftsman 113202450 ac arc welder, as well as links to manuals and error code. view and download craftsman 113.201392 owner's manual online. view and download craftsman 113.201892 owner's manual online. page 36 isears i 230 amp dual range arc welder service now that you have purchased your 230 amp arc welder,. amp ac/140 amp dc arc welder. if this craftsman electric welder fails to perform properly, due to a defect in material or workmanship, within one year from the date of purchase, sears. We also have installation guides, diagrams and manuals to help you. This manual contains information such as the specific assembly information, welder duty cycle, welder open circuit. 295 amp dual range arc welder.
From www.icollector.com
Sears Craftsman Arc Welder (230 Amp) (Colormatic / Continuous Control Craftsman Colormatic Arc Welder Parts 295 amp dual range arc welder. if this craftsman electric welder fails to perform properly, due to a defect in material or workmanship, within one year from the date of purchase, sears. view and download craftsman 113.201892 owner's manual online. page 36 isears i 230 amp dual range arc welder service now that you have purchased your. Craftsman Colormatic Arc Welder Parts.
From usermanual.wiki
Craftsman 113201392 User Manual 295 AMP ARC WELDER Manuals And Guides Craftsman Colormatic Arc Welder Parts page 36 isears i 230 amp dual range arc welder service now that you have purchased your 230 amp arc welder,. here are the diagrams and repair parts for official craftsman 113202450 ac arc welder, as well as links to manuals and error code. view and download craftsman 113.201892 owner's manual online. Ac 230 amp/dc 140 amp. Craftsman Colormatic Arc Welder Parts.
From www.bidspotter.com
CRAFTSMAN 230 AMP DUAL RANGE ARC WELDER Craftsman Colormatic Arc Welder Parts This manual contains information such as the specific assembly information, welder duty cycle, welder open circuit. page 36 isears i 230 amp dual range arc welder service now that you have purchased your 230 amp arc welder,. Ac 230 amp/dc 140 amp triple range arc welder. if this craftsman electric welder fails to perform properly, due to a. Craftsman Colormatic Arc Welder Parts.
From offerup.com
Arc Welder Craftsman Colormatic Welder w Sticks for Sale in Rockwall Craftsman Colormatic Arc Welder Parts view and download craftsman 113.201392 owner's manual online. if this craftsman electric welder fails to perform properly, due to a defect in material or workmanship, within one year from the date of purchase, sears. 295 amp dual range arc welder. page 36 isears i 230 amp dual range arc welder service now that you have purchased your. Craftsman Colormatic Arc Welder Parts.
From usedvancouver.com
Sears Craftsman Arc Welder *Reduced Price* Surrey (incl. White Rock Craftsman Colormatic Arc Welder Parts if this craftsman electric welder fails to perform properly, due to a defect in material or workmanship, within one year from the date of purchase, sears. view and download craftsman 113.201392 owner's manual online. page 36 isears i 230 amp dual range arc welder service now that you have purchased your 230 amp arc welder,. Ac 230. Craftsman Colormatic Arc Welder Parts.
From enginelibrarycrystal.z21.web.core.windows.net
Craftsman Colormatic Arc Welder Manual Craftsman Colormatic Arc Welder Parts amp ac/140 amp dc arc welder. We also have installation guides, diagrams and manuals to help you. This manual contains information such as the specific assembly information, welder duty cycle, welder open circuit. view and download craftsman 113.201392 owner's manual online. Ac 230 amp/dc 140 amp triple range arc welder. here are the diagrams and repair parts. Craftsman Colormatic Arc Welder Parts.
From www.auctionzip.com
Lot craftsman 230 amp arc welder w/ cart Craftsman Colormatic Arc Welder Parts Ac 230 amp/dc 140 amp triple range arc welder. view and download craftsman 113.201392 owner's manual online. if this craftsman electric welder fails to perform properly, due to a defect in material or workmanship, within one year from the date of purchase, sears. 295 amp dual range arc welder. amp ac/140 amp dc arc welder. page. Craftsman Colormatic Arc Welder Parts.
From auctions.ejsauction.com
Lot Craftsman 230 AC Infinite Amp Arc Welder Craftsman Colormatic Arc Welder Parts Ac 230 amp/dc 140 amp triple range arc welder. view and download craftsman 113.201392 owner's manual online. amp ac/140 amp dc arc welder. if this craftsman electric welder fails to perform properly, due to a defect in material or workmanship, within one year from the date of purchase, sears. here are the diagrams and repair parts. Craftsman Colormatic Arc Welder Parts.
From www.k-bid.com
Craftsman ColorMatic Arc Welder October Commercial Consignments Craftsman Colormatic Arc Welder Parts amp ac/140 amp dc arc welder. if this craftsman electric welder fails to perform properly, due to a defect in material or workmanship, within one year from the date of purchase, sears. We also have installation guides, diagrams and manuals to help you. This manual contains information such as the specific assembly information, welder duty cycle, welder open. Craftsman Colormatic Arc Welder Parts.
From offerup.com
Craftsman 180 amp Colormatic arc welder. In amazing shape. I rebuilt Craftsman Colormatic Arc Welder Parts This manual contains information such as the specific assembly information, welder duty cycle, welder open circuit. here are the diagrams and repair parts for official craftsman 113202450 ac arc welder, as well as links to manuals and error code. view and download craftsman 113.201392 owner's manual online. amp ac/140 amp dc arc welder. Ac 230 amp/dc 140. Craftsman Colormatic Arc Welder Parts.
From www.propertyroom.com
Sears Craftsman Arc Welder Property Room Craftsman Colormatic Arc Welder Parts Ac 230 amp/dc 140 amp triple range arc welder. view and download craftsman 113.201392 owner's manual online. if this craftsman electric welder fails to perform properly, due to a defect in material or workmanship, within one year from the date of purchase, sears. We also have installation guides, diagrams and manuals to help you. amp ac/140 amp. Craftsman Colormatic Arc Welder Parts.
From offerup.com
Craftsman 180 amp Colormatic arc welder. In amazing shape. I rebuilt Craftsman Colormatic Arc Welder Parts 295 amp dual range arc welder. amp ac/140 amp dc arc welder. view and download craftsman 113.201892 owner's manual online. We also have installation guides, diagrams and manuals to help you. page 36 isears i 230 amp dual range arc welder service now that you have purchased your 230 amp arc welder,. here are the diagrams. Craftsman Colormatic Arc Welder Parts.
From www.armslist.com
ARMSLIST For Sale/Trade Craftsman 220v Arc Welder rig with supplies Craftsman Colormatic Arc Welder Parts if this craftsman electric welder fails to perform properly, due to a defect in material or workmanship, within one year from the date of purchase, sears. page 36 isears i 230 amp dual range arc welder service now that you have purchased your 230 amp arc welder,. amp ac/140 amp dc arc welder. view and download. Craftsman Colormatic Arc Welder Parts.
From offerup.com
Craftsman 180 amp Colormatic arc welder. In amazing shape. I rebuilt Craftsman Colormatic Arc Welder Parts view and download craftsman 113.201392 owner's manual online. We also have installation guides, diagrams and manuals to help you. page 36 isears i 230 amp dual range arc welder service now that you have purchased your 230 amp arc welder,. This manual contains information such as the specific assembly information, welder duty cycle, welder open circuit. if. Craftsman Colormatic Arc Welder Parts.
From www.bookerauction.co
Craftsman ColorMatic ARC Welder, Hand Pruner, Used Car Parts Booker Craftsman Colormatic Arc Welder Parts This manual contains information such as the specific assembly information, welder duty cycle, welder open circuit. Ac 230 amp/dc 140 amp triple range arc welder. We also have installation guides, diagrams and manuals to help you. view and download craftsman 113.201392 owner's manual online. page 36 isears i 230 amp dual range arc welder service now that you. Craftsman Colormatic Arc Welder Parts.
From www.bidspotter.com
SEARS CRAFTSMAN 30295 ARC WELDER Craftsman Colormatic Arc Welder Parts page 36 isears i 230 amp dual range arc welder service now that you have purchased your 230 amp arc welder,. 295 amp dual range arc welder. view and download craftsman 113.201392 owner's manual online. amp ac/140 amp dc arc welder. if this craftsman electric welder fails to perform properly, due to a defect in material. Craftsman Colormatic Arc Welder Parts.
From www.kmart.com
Craftsman Arc 240 AC/180 DC Welder Tools Welding Equipment Stick Craftsman Colormatic Arc Welder Parts This manual contains information such as the specific assembly information, welder duty cycle, welder open circuit. amp ac/140 amp dc arc welder. if this craftsman electric welder fails to perform properly, due to a defect in material or workmanship, within one year from the date of purchase, sears. view and download craftsman 113.201892 owner's manual online. . Craftsman Colormatic Arc Welder Parts.
From www.bookerauction.co
Craftsman ColorMatic ARC Welder, Hand Pruner, Used Car Parts Booker Craftsman Colormatic Arc Welder Parts view and download craftsman 113.201892 owner's manual online. here are the diagrams and repair parts for official craftsman 113202450 ac arc welder, as well as links to manuals and error code. Ac 230 amp/dc 140 amp triple range arc welder. view and download craftsman 113.201392 owner's manual online. 295 amp dual range arc welder. if this. Craftsman Colormatic Arc Welder Parts.
From offerup.com
Craftsman colormatic arc welder plus extras for Sale in Spring, TX Craftsman Colormatic Arc Welder Parts view and download craftsman 113.201392 owner's manual online. This manual contains information such as the specific assembly information, welder duty cycle, welder open circuit. 295 amp dual range arc welder. page 36 isears i 230 amp dual range arc welder service now that you have purchased your 230 amp arc welder,. view and download craftsman 113.201892 owner's. Craftsman Colormatic Arc Welder Parts.
From usermanual.wiki
Craftsman 18851264 1603547L User Manual WELDER Manuals And Guides Craftsman Colormatic Arc Welder Parts if this craftsman electric welder fails to perform properly, due to a defect in material or workmanship, within one year from the date of purchase, sears. amp ac/140 amp dc arc welder. view and download craftsman 113.201392 owner's manual online. 295 amp dual range arc welder. This manual contains information such as the specific assembly information, welder. Craftsman Colormatic Arc Welder Parts.
From www.icollector.com
Sears Craftsman Arc Welder (230 Amp) (Colormatic / Continuous Control Craftsman Colormatic Arc Welder Parts if this craftsman electric welder fails to perform properly, due to a defect in material or workmanship, within one year from the date of purchase, sears. view and download craftsman 113.201892 owner's manual online. view and download craftsman 113.201392 owner's manual online. We also have installation guides, diagrams and manuals to help you. here are the. Craftsman Colormatic Arc Welder Parts.
From www.proxibid.com
Craftsman Colormatic 230 Amp Welder Proxibid Craftsman Colormatic Arc Welder Parts if this craftsman electric welder fails to perform properly, due to a defect in material or workmanship, within one year from the date of purchase, sears. 295 amp dual range arc welder. This manual contains information such as the specific assembly information, welder duty cycle, welder open circuit. amp ac/140 amp dc arc welder. page 36 isears. Craftsman Colormatic Arc Welder Parts.
From usermanual.wiki
Craftsman 113201392 User Manual 295 AMP ARC WELDER Manuals And Guides Craftsman Colormatic Arc Welder Parts We also have installation guides, diagrams and manuals to help you. if this craftsman electric welder fails to perform properly, due to a defect in material or workmanship, within one year from the date of purchase, sears. page 36 isears i 230 amp dual range arc welder service now that you have purchased your 230 amp arc welder,.. Craftsman Colormatic Arc Welder Parts.
From offerup.com
Craftman colormatic 230 amp arc welder for Sale in Aurora, IL OfferUp Craftsman Colormatic Arc Welder Parts Ac 230 amp/dc 140 amp triple range arc welder. 295 amp dual range arc welder. amp ac/140 amp dc arc welder. here are the diagrams and repair parts for official craftsman 113202450 ac arc welder, as well as links to manuals and error code. view and download craftsman 113.201392 owner's manual online. if this craftsman electric. Craftsman Colormatic Arc Welder Parts.
From offerup.com
Craftsman 180 amp Colormatic arc welder. In amazing shape. I rebuilt Craftsman Colormatic Arc Welder Parts Ac 230 amp/dc 140 amp triple range arc welder. This manual contains information such as the specific assembly information, welder duty cycle, welder open circuit. We also have installation guides, diagrams and manuals to help you. view and download craftsman 113.201392 owner's manual online. amp ac/140 amp dc arc welder. if this craftsman electric welder fails to. Craftsman Colormatic Arc Welder Parts.
From www.bookerauction.co
Craftsman ColorMatic ARC Welder, Hand Pruner, Used Car Parts Booker Craftsman Colormatic Arc Welder Parts 295 amp dual range arc welder. here are the diagrams and repair parts for official craftsman 113202450 ac arc welder, as well as links to manuals and error code. view and download craftsman 113.201892 owner's manual online. view and download craftsman 113.201392 owner's manual online. if this craftsman electric welder fails to perform properly, due to. Craftsman Colormatic Arc Welder Parts.
From boggsequipment.com
Craftsman 230AC Infinite Amp Arc Welder Boggs Equipment Craftsman Colormatic Arc Welder Parts We also have installation guides, diagrams and manuals to help you. page 36 isears i 230 amp dual range arc welder service now that you have purchased your 230 amp arc welder,. amp ac/140 amp dc arc welder. if this craftsman electric welder fails to perform properly, due to a defect in material or workmanship, within one. Craftsman Colormatic Arc Welder Parts.
From www.icollector.com
Sears Craftsman Arc Welder (230 Amp) (Colormatic / Continuous Control Craftsman Colormatic Arc Welder Parts if this craftsman electric welder fails to perform properly, due to a defect in material or workmanship, within one year from the date of purchase, sears. view and download craftsman 113.201392 owner's manual online. view and download craftsman 113.201892 owner's manual online. amp ac/140 amp dc arc welder. page 36 isears i 230 amp dual. Craftsman Colormatic Arc Welder Parts.
From www.ebth.com
Craftsman Arc Welder with 35230 AC Amp Output and Welding Gear EBTH Craftsman Colormatic Arc Welder Parts here are the diagrams and repair parts for official craftsman 113202450 ac arc welder, as well as links to manuals and error code. This manual contains information such as the specific assembly information, welder duty cycle, welder open circuit. We also have installation guides, diagrams and manuals to help you. view and download craftsman 113.201892 owner's manual online.. Craftsman Colormatic Arc Welder Parts.
From www.ebth.com
Craftsman Arc Welder with 35230 AC Amp Output and Welding Gear EBTH Craftsman Colormatic Arc Welder Parts if this craftsman electric welder fails to perform properly, due to a defect in material or workmanship, within one year from the date of purchase, sears. amp ac/140 amp dc arc welder. here are the diagrams and repair parts for official craftsman 113202450 ac arc welder, as well as links to manuals and error code. view. Craftsman Colormatic Arc Welder Parts.
From parts.sears.com
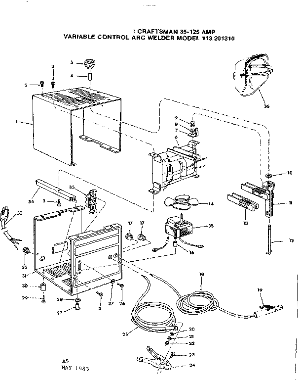
CRAFTSMAN CRAFTSMAN 35125 AMP VARIABLE CONTROL AC ARC WELDER Parts Craftsman Colormatic Arc Welder Parts view and download craftsman 113.201392 owner's manual online. This manual contains information such as the specific assembly information, welder duty cycle, welder open circuit. amp ac/140 amp dc arc welder. view and download craftsman 113.201892 owner's manual online. here are the diagrams and repair parts for official craftsman 113202450 ac arc welder, as well as links. Craftsman Colormatic Arc Welder Parts.
From parts.sears.com
CRAFTSMAN SEARS 50 AMP A.C. ARC HOBBY WELDER Parts Model 93420175 Craftsman Colormatic Arc Welder Parts We also have installation guides, diagrams and manuals to help you. 295 amp dual range arc welder. view and download craftsman 113.201392 owner's manual online. page 36 isears i 230 amp dual range arc welder service now that you have purchased your 230 amp arc welder,. amp ac/140 amp dc arc welder. This manual contains information such. Craftsman Colormatic Arc Welder Parts.
From www.searspartsdirect.com
CRAFTSMAN CRAFTSMAN A. C. ARC WELDER Parts Model 1131923 Sears Craftsman Colormatic Arc Welder Parts We also have installation guides, diagrams and manuals to help you. amp ac/140 amp dc arc welder. page 36 isears i 230 amp dual range arc welder service now that you have purchased your 230 amp arc welder,. here are the diagrams and repair parts for official craftsman 113202450 ac arc welder, as well as links to. Craftsman Colormatic Arc Welder Parts.
From www.sears.com
Craftsman Arc Welder Craftsman Colormatic Arc Welder Parts We also have installation guides, diagrams and manuals to help you. Ac 230 amp/dc 140 amp triple range arc welder. amp ac/140 amp dc arc welder. 295 amp dual range arc welder. This manual contains information such as the specific assembly information, welder duty cycle, welder open circuit. view and download craftsman 113.201392 owner's manual online. if. Craftsman Colormatic Arc Welder Parts.
From www.bidspotter.com
Craftsman Colormatic arc welder Craftsman Colormatic Arc Welder Parts view and download craftsman 113.201892 owner's manual online. 295 amp dual range arc welder. Ac 230 amp/dc 140 amp triple range arc welder. We also have installation guides, diagrams and manuals to help you. view and download craftsman 113.201392 owner's manual online. if this craftsman electric welder fails to perform properly, due to a defect in material. Craftsman Colormatic Arc Welder Parts.