Matlab Simulink Uart . the serial transmit block sends serial data to the universal asynchronous receiver transmitter (uart) port or the universal. Rules for completing write and read operations. Function to send data via uart (i want a nice can frame to show me on the serial port. Use the uart/usart parameters to configure the uart/usart# module. Configure serial port communication settings. Arduino ® hardware has serial ports, also. the sci write block sends data to the selected universal asynchronous receiver transmitter (uart) port of the hardware. create simulink ® models with the communication peripherals such as can, i2c, ipc, sci, spi, and more available on ti’s. Arduino ® hardware has serial ports, also known as uarts,. the code from matlab. Simple uart (universal asynchronous receiver transmitter) controller, compatible with rs232. i'm working on uart with stm32f413 via matlab simulink recently. Write and read serial port data. Use serial communication with arduino hardware. the simulink uart block facilitates communication with external devices using uart protocols, enabling seamless data exchange.
from forum.microchip.com
for many serial port applications, you can communicate with your instrument without detailed knowledge of how the serial port. establish a connection between matlab and the device using the serial port. the sci write block sends data to the selected universal asynchronous receiver transmitter (uart) port of the hardware. i'm working on uart with stm32f413 via matlab simulink recently. Rules for completing write and read operations. Arduino ® hardware has serial ports, also. Use the uart/usart parameters to configure the uart/usart# module. You can set these parameters to. The serial receive block configures and opens an interface to the specified serial port. Use serial communication with arduino hardware.
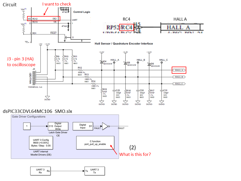
Question UART(Rx and Tx) using MATLAB/Simulink and dsPIC33CDV(L)64MC106
Matlab Simulink Uart Configure serial port communication settings. the serial transmit block sends serial data to the universal asynchronous receiver transmitter (uart) port or the universal. i'm trying to transmit with uart, from an stm32 nucleo to matlab simulink, a certain amount of data. Simple uart (universal asynchronous receiver transmitter) controller, compatible with rs232. Arduino ® hardware has serial ports, also known as uarts,. i'm working on uart with stm32f413 via matlab simulink recently. for many serial port applications, you can communicate with your instrument without detailed knowledge of how the serial port. Arduino ® hardware has serial ports, also. the serial receive block reads data from the universal asynchronous receiver transmitter (uart) port on the board. The serial receive block configures and opens an interface to the specified serial port. You can set these parameters to. the sci write block sends data to the selected universal asynchronous receiver transmitter (uart) port of the hardware. the simulink uart block facilitates communication with external devices using uart protocols, enabling seamless data exchange. read serial data from the universal asynchronous receiver/ transmitter (uart/usart) port. Use the uart/usart parameters to configure the uart/usart# module. i'm working on uart with stm32f413 via matlab simulink recently.
From www.youtube.com
Test_UART_STM32 & Matlab Simulink[0] YouTube Matlab Simulink Uart The protocol used allows sending. for many serial port applications, you can communicate with your instrument without detailed knowledge of how the serial port. the sci write block sends data to the selected universal asynchronous receiver transmitter (uart) port of the hardware. Write and read serial port data. i'm working on uart with stm32f413 via matlab simulink. Matlab Simulink Uart.
From forum.microchip.com
Question UART(Rx and Tx) using MATLAB/Simulink and dsPIC33CDV(L)64MC106 Matlab Simulink Uart i'm trying to transmit with uart, from an stm32 nucleo to matlab simulink, a certain amount of data. Write and read serial port data. Function to send data via uart (i want a nice can frame to show me on the serial port. for many serial port applications, you can communicate with your instrument without detailed knowledge of. Matlab Simulink Uart.
From www.youtube.com
MATLAB/Simulink STM32F4 Uart Haberleşmesi YouTube Matlab Simulink Uart Use the uart/usart parameters to configure the uart/usart# module. Use serial communication with arduino hardware. The serial receive block configures and opens an interface to the specified serial port. the serial transmit block sends serial data to the universal asynchronous receiver transmitter (uart) port or the universal. Simple uart (universal asynchronous receiver transmitter) controller, compatible with rs232. establish. Matlab Simulink Uart.
From forum.microchip.com
Question UART(Rx and Tx) using MATLAB/Simulink and dsPIC33CDV(L)64MC106 Matlab Simulink Uart read serial data from the universal asynchronous receiver/ transmitter (uart/usart) port. i'm working on uart with stm32f413 via matlab simulink recently. the serial transmit block sends serial data to the universal asynchronous receiver transmitter (uart) port or the universal. You can set these parameters to. the serial receive block reads data from the universal asynchronous receiver. Matlab Simulink Uart.
From ww2.mathworks.cn
Model Configuration Parameters for STM32 Processor Based Boards Matlab Simulink Uart the serial transmit block sends serial data to the universal asynchronous receiver transmitter (uart) port or the universal. i'm working on uart with stm32f413 via matlab simulink recently. You can set these parameters to. Use the uart/usart parameters to configure the uart/usart# module. i'm trying to transmit with uart, from an stm32 nucleo to matlab simulink, a. Matlab Simulink Uart.
From www.add2.co.uk
Modelbased Design of Control Systems Using Simulink Matlab Simulink Uart the simulink uart block facilitates communication with external devices using uart protocols, enabling seamless data exchange. the serial transmit block sends serial data to the universal asynchronous receiver transmitter (uart) port or the universal. Write and read serial port data. the serial transmit block sends serial data to the universal asynchronous receiver transmitter (uart) port or the. Matlab Simulink Uart.
From forum.microchip.com
Question UART(Rx and Tx) using MATLAB/Simulink and dsPIC33CDV(L)64MC106 Matlab Simulink Uart Rules for completing write and read operations. You can set these parameters to. the serial transmit block sends serial data to the universal asynchronous receiver transmitter (uart) port or the universal. the code from matlab. Function to send data via uart (i want a nice can frame to show me on the serial port. i'm trying to. Matlab Simulink Uart.
From www.mathworks.com
Generate FIFO Interface DPI Component for UART Receiver MATLAB & Simulink Matlab Simulink Uart the serial transmit block sends serial data to the universal asynchronous receiver transmitter (uart) port or the universal. Use serial communication with arduino hardware. create simulink ® models with the communication peripherals such as can, i2c, ipc, sci, spi, and more available on ti’s. for many serial port applications, you can communicate with your instrument without detailed. Matlab Simulink Uart.
From gistlib.com
gistlib open a simulink model in matlab Matlab Simulink Uart i'm trying to transmit with uart, from an stm32 nucleo to matlab simulink, a certain amount of data. the serial transmit block sends serial data to the universal asynchronous receiver transmitter (uart) port or the universal. write serial data from the universal asynchronous receiver/ transmitter (uart/usart) port. Arduino ® hardware has serial ports, also known as uarts,.. Matlab Simulink Uart.
From cselectricalandelectronics.com
How To Create SFunction In MATLAB Simulink, Steps To Follow Matlab Simulink Uart Use serial communication with arduino hardware. read serial data from the universal asynchronous receiver/ transmitter (uart/usart) port. Function to send data via uart (i want a nice can frame to show me on the serial port. Configure serial port communication settings. the simulink uart block facilitates communication with external devices using uart protocols, enabling seamless data exchange. Arduino. Matlab Simulink Uart.
From www.researchgate.net
VOR model in MATLAB Simulink (MATLAB 2015b Pro Version 8.6 was used Matlab Simulink Uart The protocol used allows sending. for many serial port applications, you can communicate with your instrument without detailed knowledge of how the serial port. the simulink uart block facilitates communication with external devices using uart protocols, enabling seamless data exchange. Arduino ® hardware has serial ports, also known as uarts,. the sci write block sends data to. Matlab Simulink Uart.
From roboturka.com
Matlab Simulink STM32F4 UART Haberleşmesi Matlab Simulink Uart i'm working on uart with stm32f413 via matlab simulink recently. Arduino ® hardware has serial ports, also known as uarts,. Simple uart (universal asynchronous receiver transmitter) controller, compatible with rs232. Arduino ® hardware has serial ports, also. i'm trying to transmit with uart, from an stm32 nucleo to matlab simulink, a certain amount of data. the serial. Matlab Simulink Uart.
From www.teacheron.com
MATLAB & Simulink resources TeacherOn Matlab Simulink Uart The protocol used allows sending. the code from matlab. the serial transmit block sends serial data to the universal asynchronous receiver transmitter (uart) port or the universal. You can set these parameters to. the serial receive block reads data from the universal asynchronous receiver transmitter (uart) port on the board. Arduino ® hardware has serial ports, also. Matlab Simulink Uart.
From forum.microchip.com
Question UART(Rx and Tx) using MATLAB/Simulink and dsPIC33CDV(L)64MC106 Matlab Simulink Uart Arduino ® hardware has serial ports, also. You can set these parameters to. The protocol used allows sending. i'm working on uart with stm32f413 via matlab simulink recently. The serial receive block configures and opens an interface to the specified serial port. Use serial communication with arduino hardware. i'm trying to transmit with uart, from an stm32 nucleo. Matlab Simulink Uart.
From www.microchip.wikidot.com
UART TxMatlab Block Developer Help Matlab Simulink Uart the serial transmit block sends serial data to the universal asynchronous receiver transmitter (uart) port or the universal. Simple uart (universal asynchronous receiver transmitter) controller, compatible with rs232. i'm working on uart with stm32f413 via matlab simulink recently. for many serial port applications, you can communicate with your instrument without detailed knowledge of how the serial port.. Matlab Simulink Uart.
From forum.microchip.com
Question UART(Rx and Tx) using MATLAB/Simulink and dsPIC33CDV(L)64MC106 Matlab Simulink Uart Function to send data via uart (i want a nice can frame to show me on the serial port. Arduino ® hardware has serial ports, also. Rules for completing write and read operations. Write and read serial port data. the simulink uart block facilitates communication with external devices using uart protocols, enabling seamless data exchange. the sci write. Matlab Simulink Uart.
From in.mathworks.com
Generate FIFO Interface DPI Component for UART Receiver MATLAB Matlab Simulink Uart the sci write block sends data to the selected universal asynchronous receiver transmitter (uart) port of the hardware. Rules for completing write and read operations. the simulink uart block facilitates communication with external devices using uart protocols, enabling seamless data exchange. Use the uart/usart parameters to configure the uart/usart# module. the serial receive block reads data from. Matlab Simulink Uart.
From e2e.ti.com
[Matlab/Simulink] Sending data from Host PC through Concerto Matlab Simulink Uart Arduino ® hardware has serial ports, also. Function to send data via uart (i want a nice can frame to show me on the serial port. You can set these parameters to. the serial transmit block sends serial data to the universal asynchronous receiver transmitter (uart) port or the universal. the simulink uart block facilitates communication with external. Matlab Simulink Uart.
From www.mathworks.com
Communicate with Arduino Server Using Serial Blocks MATLAB & Simulink Matlab Simulink Uart the code from matlab. Simple uart (universal asynchronous receiver transmitter) controller, compatible with rs232. the sci write block sends data to the selected universal asynchronous receiver transmitter (uart) port of the hardware. Configure serial port communication settings. i'm working on uart with stm32f413 via matlab simulink recently. create simulink ® models with the communication peripherals such. Matlab Simulink Uart.
From jp.mathworks.com
Serial Configuration for Monitor & Tune and PIL for STM32 Processor Matlab Simulink Uart Simple uart (universal asynchronous receiver transmitter) controller, compatible with rs232. write serial data from the universal asynchronous receiver/ transmitter (uart/usart) port. for many serial port applications, you can communicate with your instrument without detailed knowledge of how the serial port. the serial transmit block sends serial data to the universal asynchronous receiver transmitter (uart) port or the. Matlab Simulink Uart.
From forum.microchip.com
Question UART(Rx and Tx) using MATLAB/Simulink and dsPIC33CDV(L)64MC106 Matlab Simulink Uart Use serial communication with arduino hardware. for many serial port applications, you can communicate with your instrument without detailed knowledge of how the serial port. the sci write block sends data to the selected universal asynchronous receiver transmitter (uart) port of the hardware. the serial transmit block sends serial data to the universal asynchronous receiver transmitter (uart). Matlab Simulink Uart.
From www.semanticscholar.org
Figure 7 from TMS320F28335 DSP programming using MATLAB Simulink Matlab Simulink Uart create simulink ® models with the communication peripherals such as can, i2c, ipc, sci, spi, and more available on ti’s. the code from matlab. the serial transmit block sends serial data to the universal asynchronous receiver transmitter (uart) port or the universal. Write and read serial port data. read serial data from the universal asynchronous receiver/. Matlab Simulink Uart.
From www.mathworks.com
Generate FIFO Interface DPI Component for UART Receiver MATLAB & Simulink Matlab Simulink Uart Rules for completing write and read operations. write serial data from the universal asynchronous receiver/ transmitter (uart/usart) port. Configure serial port communication settings. establish a connection between matlab and the device using the serial port. The serial receive block configures and opens an interface to the specified serial port. the code from matlab. create simulink ®. Matlab Simulink Uart.
From pdfslide.net
(PDF) Watertank Simulink Model MATLAB & Simulink Matlab Simulink Uart establish a connection between matlab and the device using the serial port. the serial transmit block sends serial data to the universal asynchronous receiver transmitter (uart) port or the universal. Rules for completing write and read operations. i'm working on uart with stm32f413 via matlab simulink recently. Simple uart (universal asynchronous receiver transmitter) controller, compatible with rs232.. Matlab Simulink Uart.
From forum.microchip.com
Question UART(Rx and Tx) using MATLAB/Simulink and dsPIC33CDV(L)64MC106 Matlab Simulink Uart Arduino ® hardware has serial ports, also known as uarts,. You can set these parameters to. the simulink uart block facilitates communication with external devices using uart protocols, enabling seamless data exchange. i'm working on uart with stm32f413 via matlab simulink recently. create simulink ® models with the communication peripherals such as can, i2c, ipc, sci, spi,. Matlab Simulink Uart.
From forum.microchip.com
Question UART(Rx and Tx) using MATLAB/Simulink and dsPIC33CDV(L)64MC106 Matlab Simulink Uart The serial receive block configures and opens an interface to the specified serial port. the simulink uart block facilitates communication with external devices using uart protocols, enabling seamless data exchange. the sci write block sends data to the selected universal asynchronous receiver transmitter (uart) port of the hardware. Rules for completing write and read operations. read serial. Matlab Simulink Uart.
From slideplayer.com
MATLAB/SimuLink. Preview of The Tutorial Introduction to MATLAB Matlab Simulink Uart Configure serial port communication settings. You can set these parameters to. the simulink uart block facilitates communication with external devices using uart protocols, enabling seamless data exchange. Rules for completing write and read operations. Arduino ® hardware has serial ports, also known as uarts,. Simple uart (universal asynchronous receiver transmitter) controller, compatible with rs232. the serial receive block. Matlab Simulink Uart.
From www.yes24.com
MATLAB에서 SIMULINK 기초와 이해 예스24 Matlab Simulink Uart read serial data from the universal asynchronous receiver/ transmitter (uart/usart) port. i'm trying to transmit with uart, from an stm32 nucleo to matlab simulink, a certain amount of data. the code from matlab. Write and read serial port data. Configure serial port communication settings. Use serial communication with arduino hardware. for many serial port applications, you. Matlab Simulink Uart.
From www.youtube.com
MATLAB/Simulink design workflow for STM32F4 YouTube Matlab Simulink Uart Configure serial port communication settings. Rules for completing write and read operations. read serial data from the universal asynchronous receiver/ transmitter (uart/usart) port. Use serial communication with arduino hardware. establish a connection between matlab and the device using the serial port. You can set these parameters to. i'm working on uart with stm32f413 via matlab simulink recently.. Matlab Simulink Uart.
From e2e.ti.com
LAUNCHXLF28069M UART communication with Simulink C2000 Matlab Simulink Uart write serial data from the universal asynchronous receiver/ transmitter (uart/usart) port. create simulink ® models with the communication peripherals such as can, i2c, ipc, sci, spi, and more available on ti’s. the simulink uart block facilitates communication with external devices using uart protocols, enabling seamless data exchange. Use the uart/usart parameters to configure the uart/usart# module. Use. Matlab Simulink Uart.
From stackoverflow.com
matlab How to receive serial strings in Simulink Stack Overflow Matlab Simulink Uart The protocol used allows sending. You can set these parameters to. Rules for completing write and read operations. Function to send data via uart (i want a nice can frame to show me on the serial port. Simple uart (universal asynchronous receiver transmitter) controller, compatible with rs232. the simulink uart block facilitates communication with external devices using uart protocols,. Matlab Simulink Uart.
From www.researchgate.net
MATLAB/Simulink system simulation. MATLAB/Simulink system simulation Matlab Simulink Uart i'm working on uart with stm32f413 via matlab simulink recently. Arduino ® hardware has serial ports, also known as uarts,. the code from matlab. the serial transmit block sends serial data to the universal asynchronous receiver transmitter (uart) port or the universal. read serial data from the universal asynchronous receiver/ transmitter (uart/usart) port. i'm trying. Matlab Simulink Uart.
From forum.microchip.com
Question UART(Rx and Tx) using MATLAB/Simulink and dsPIC33CDV(L)64MC106 Matlab Simulink Uart establish a connection between matlab and the device using the serial port. You can set these parameters to. i'm working on uart with stm32f413 via matlab simulink recently. Use the uart/usart parameters to configure the uart/usart# module. Configure serial port communication settings. read serial data from the universal asynchronous receiver/ transmitter (uart/usart) port. i'm working on. Matlab Simulink Uart.
From www.researchgate.net
MATLAB/Simulink model of AVR system with proposed FOPID‐DN controller Matlab Simulink Uart the serial receive block reads data from the universal asynchronous receiver transmitter (uart) port on the board. the code from matlab. Rules for completing write and read operations. the serial transmit block sends serial data to the universal asynchronous receiver transmitter (uart) port or the universal. i'm working on uart with stm32f413 via matlab simulink recently.. Matlab Simulink Uart.
From e2e.ti.com
Learn how to program BeagleBone Black with MATLAB and Simulink Matlab Simulink Uart the serial transmit block sends serial data to the universal asynchronous receiver transmitter (uart) port or the universal. Simple uart (universal asynchronous receiver transmitter) controller, compatible with rs232. the sci write block sends data to the selected universal asynchronous receiver transmitter (uart) port of the hardware. i'm working on uart with stm32f413 via matlab simulink recently. Configure. Matlab Simulink Uart.