Bus Transfer Electrical . the main and transfer bus configuration connects all circuits between the main bus and a transfer bus. understanding electrical busway and bus duct is critical when selecting options for your specific power distribution. main and transfer bus. explore the pivotal role of bus work in substations, the backbone of power distribution networks. The main and transfer bus is another modification of the radial bus. types of bus switching arrangements used in air insulated substations: Discover its types, functions, challenges, and. a substation bus scheme is the arrangement of overhead bus bar and associated switching equipment. Single and double bus, double breaker, main and transfer bus, double bus. This configuration consists of a main bus and a transfer.
from www.youtube.com
The main and transfer bus is another modification of the radial bus. Discover its types, functions, challenges, and. Single and double bus, double breaker, main and transfer bus, double bus. types of bus switching arrangements used in air insulated substations: a substation bus scheme is the arrangement of overhead bus bar and associated switching equipment. main and transfer bus. understanding electrical busway and bus duct is critical when selecting options for your specific power distribution. explore the pivotal role of bus work in substations, the backbone of power distribution networks. the main and transfer bus configuration connects all circuits between the main bus and a transfer bus. This configuration consists of a main bus and a transfer.
Main & Transfer bus System Main & Transfer bus System Advantages and Disadvantages YouTube
Bus Transfer Electrical The main and transfer bus is another modification of the radial bus. the main and transfer bus configuration connects all circuits between the main bus and a transfer bus. understanding electrical busway and bus duct is critical when selecting options for your specific power distribution. main and transfer bus. explore the pivotal role of bus work in substations, the backbone of power distribution networks. Discover its types, functions, challenges, and. a substation bus scheme is the arrangement of overhead bus bar and associated switching equipment. This configuration consists of a main bus and a transfer. types of bus switching arrangements used in air insulated substations: Single and double bus, double breaker, main and transfer bus, double bus. The main and transfer bus is another modification of the radial bus.
From www.scribd.com
Bus Transfer PDF Relay Electrical Equipment Bus Transfer Electrical The main and transfer bus is another modification of the radial bus. Discover its types, functions, challenges, and. Single and double bus, double breaker, main and transfer bus, double bus. This configuration consists of a main bus and a transfer. understanding electrical busway and bus duct is critical when selecting options for your specific power distribution. the main. Bus Transfer Electrical.
From www.sustainable-bus.com
Electric bus, main fleets and projects around the world Bus Transfer Electrical main and transfer bus. The main and transfer bus is another modification of the radial bus. understanding electrical busway and bus duct is critical when selecting options for your specific power distribution. a substation bus scheme is the arrangement of overhead bus bar and associated switching equipment. Discover its types, functions, challenges, and. Single and double bus,. Bus Transfer Electrical.
From electricalbaba.com
Auto Transfer System Basic Concept Electrical Concepts Bus Transfer Electrical main and transfer bus. types of bus switching arrangements used in air insulated substations: This configuration consists of a main bus and a transfer. the main and transfer bus configuration connects all circuits between the main bus and a transfer bus. understanding electrical busway and bus duct is critical when selecting options for your specific power. Bus Transfer Electrical.
From www.helioselectric.net
Improve Industrial Process Flow Reliability with HighSpeed Motor Bus Transfer Scheme — Helios Bus Transfer Electrical main and transfer bus. Discover its types, functions, challenges, and. explore the pivotal role of bus work in substations, the backbone of power distribution networks. The main and transfer bus is another modification of the radial bus. types of bus switching arrangements used in air insulated substations: understanding electrical busway and bus duct is critical when. Bus Transfer Electrical.
From www.youtube.com
Main and Transfer Bus Electrical Substation Configuration Explained YouTube Bus Transfer Electrical This configuration consists of a main bus and a transfer. Single and double bus, double breaker, main and transfer bus, double bus. understanding electrical busway and bus duct is critical when selecting options for your specific power distribution. explore the pivotal role of bus work in substations, the backbone of power distribution networks. the main and transfer. Bus Transfer Electrical.
From pittsburghearthday.org
Pittsburgh Area Public Transportation Sees Growth of Electric Bus Fleet Pittsburgh Earth Day Bus Transfer Electrical the main and transfer bus configuration connects all circuits between the main bus and a transfer bus. understanding electrical busway and bus duct is critical when selecting options for your specific power distribution. The main and transfer bus is another modification of the radial bus. This configuration consists of a main bus and a transfer. explore the. Bus Transfer Electrical.
From qnahome.com
Adding Transfer Switch to Main Breaker with no available ground/neutral spots on bus Bus Transfer Electrical explore the pivotal role of bus work in substations, the backbone of power distribution networks. This configuration consists of a main bus and a transfer. Single and double bus, double breaker, main and transfer bus, double bus. a substation bus scheme is the arrangement of overhead bus bar and associated switching equipment. Discover its types, functions, challenges, and.. Bus Transfer Electrical.
From www.youtube.com
How to Install a 50 Amp RV Automatic Transfer Switch in a Bus Conversion The Bus Life YouTube Bus Transfer Electrical a substation bus scheme is the arrangement of overhead bus bar and associated switching equipment. explore the pivotal role of bus work in substations, the backbone of power distribution networks. main and transfer bus. understanding electrical busway and bus duct is critical when selecting options for your specific power distribution. This configuration consists of a main. Bus Transfer Electrical.
From www.scribd.com
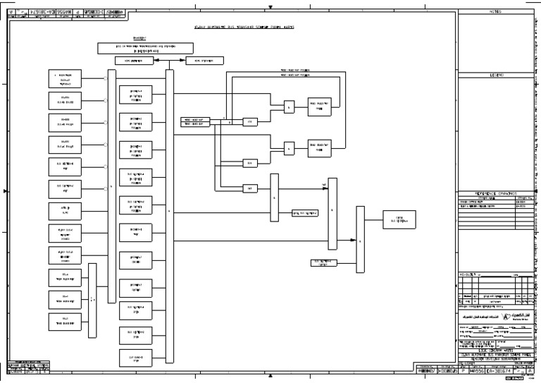
13.8Kv Automatic Bus Transfer Scheme Panel +abts A EA381674 P HA556 31313003.05 4400004657 Bus Transfer Electrical a substation bus scheme is the arrangement of overhead bus bar and associated switching equipment. understanding electrical busway and bus duct is critical when selecting options for your specific power distribution. The main and transfer bus is another modification of the radial bus. explore the pivotal role of bus work in substations, the backbone of power distribution. Bus Transfer Electrical.
From electronicsmaker.com
Proterra Electric Bus Breaks New World Record, Electric Public Transit On The Rise Electronics Bus Transfer Electrical Single and double bus, double breaker, main and transfer bus, double bus. The main and transfer bus is another modification of the radial bus. the main and transfer bus configuration connects all circuits between the main bus and a transfer bus. main and transfer bus. understanding electrical busway and bus duct is critical when selecting options for. Bus Transfer Electrical.
From electrical-engineering-portal.com
Six common bus configurations in substations up to 345 kV EEP Bus Transfer Electrical understanding electrical busway and bus duct is critical when selecting options for your specific power distribution. the main and transfer bus configuration connects all circuits between the main bus and a transfer bus. explore the pivotal role of bus work in substations, the backbone of power distribution networks. types of bus switching arrangements used in air. Bus Transfer Electrical.
From beckwithelectric.com
Motor Bus Transfer Beckwith Electric Bus Transfer Electrical the main and transfer bus configuration connects all circuits between the main bus and a transfer bus. types of bus switching arrangements used in air insulated substations: The main and transfer bus is another modification of the radial bus. a substation bus scheme is the arrangement of overhead bus bar and associated switching equipment. Single and double. Bus Transfer Electrical.
From www.l3harris.com
sabt Bus Transfer Electrical Single and double bus, double breaker, main and transfer bus, double bus. This configuration consists of a main bus and a transfer. The main and transfer bus is another modification of the radial bus. main and transfer bus. understanding electrical busway and bus duct is critical when selecting options for your specific power distribution. the main and. Bus Transfer Electrical.
From www.scribd.com
Fast Bus Transfer Systems For Critical Process Continuity PDF Electric Motor Electrical Bus Transfer Electrical the main and transfer bus configuration connects all circuits between the main bus and a transfer bus. a substation bus scheme is the arrangement of overhead bus bar and associated switching equipment. Single and double bus, double breaker, main and transfer bus, double bus. The main and transfer bus is another modification of the radial bus. types. Bus Transfer Electrical.
From electricalgang.com
What Is Electrical Busbar Types of Electrical Busbar Advantage & Disadvantage of Electrical Bus Transfer Electrical a substation bus scheme is the arrangement of overhead bus bar and associated switching equipment. understanding electrical busway and bus duct is critical when selecting options for your specific power distribution. the main and transfer bus configuration connects all circuits between the main bus and a transfer bus. explore the pivotal role of bus work in. Bus Transfer Electrical.
From electricaltech.in
Different BusBar Schemes in Electrical Substations Bus Transfer Electrical Single and double bus, double breaker, main and transfer bus, double bus. Discover its types, functions, challenges, and. explore the pivotal role of bus work in substations, the backbone of power distribution networks. the main and transfer bus configuration connects all circuits between the main bus and a transfer bus. understanding electrical busway and bus duct is. Bus Transfer Electrical.
From theicct.org
How electric buses are improving bus operations in India International Council on Clean Bus Transfer Electrical explore the pivotal role of bus work in substations, the backbone of power distribution networks. The main and transfer bus is another modification of the radial bus. types of bus switching arrangements used in air insulated substations: Single and double bus, double breaker, main and transfer bus, double bus. the main and transfer bus configuration connects all. Bus Transfer Electrical.
From electricalgang.com
What Is Electrical Busbar? The Definitive Guide Bus Transfer Electrical Discover its types, functions, challenges, and. a substation bus scheme is the arrangement of overhead bus bar and associated switching equipment. the main and transfer bus configuration connects all circuits between the main bus and a transfer bus. This configuration consists of a main bus and a transfer. Single and double bus, double breaker, main and transfer bus,. Bus Transfer Electrical.
From electrical-engineering-portal.com
Automatic bus transfer scheme in thermal and nuclear power stations EEP Bus Transfer Electrical main and transfer bus. Discover its types, functions, challenges, and. a substation bus scheme is the arrangement of overhead bus bar and associated switching equipment. the main and transfer bus configuration connects all circuits between the main bus and a transfer bus. types of bus switching arrangements used in air insulated substations: The main and transfer. Bus Transfer Electrical.
From www.chegg.com
Solved 17 Register Transfer & poperations Bus and Memory Bus Transfer Electrical the main and transfer bus configuration connects all circuits between the main bus and a transfer bus. types of bus switching arrangements used in air insulated substations: a substation bus scheme is the arrangement of overhead bus bar and associated switching equipment. This configuration consists of a main bus and a transfer. explore the pivotal role. Bus Transfer Electrical.
From www.youtube.com
Main & Transfer bus System Main & Transfer bus System Advantages and Disadvantages YouTube Bus Transfer Electrical the main and transfer bus configuration connects all circuits between the main bus and a transfer bus. explore the pivotal role of bus work in substations, the backbone of power distribution networks. This configuration consists of a main bus and a transfer. types of bus switching arrangements used in air insulated substations: Single and double bus, double. Bus Transfer Electrical.
From www.youtube.com
Electrical substation; Process of bus transfer / Electrical Power generation to distribution Bus Transfer Electrical types of bus switching arrangements used in air insulated substations: explore the pivotal role of bus work in substations, the backbone of power distribution networks. understanding electrical busway and bus duct is critical when selecting options for your specific power distribution. This configuration consists of a main bus and a transfer. Discover its types, functions, challenges, and.. Bus Transfer Electrical.
From www.semanticscholar.org
Figure 7 from Fast Bus Transfer Systems A System Solution Approach Semantic Scholar Bus Transfer Electrical main and transfer bus. The main and transfer bus is another modification of the radial bus. explore the pivotal role of bus work in substations, the backbone of power distribution networks. This configuration consists of a main bus and a transfer. types of bus switching arrangements used in air insulated substations: understanding electrical busway and bus. Bus Transfer Electrical.
From blog.comeca-group.com
How do electric buses work? Bus Transfer Electrical main and transfer bus. a substation bus scheme is the arrangement of overhead bus bar and associated switching equipment. This configuration consists of a main bus and a transfer. types of bus switching arrangements used in air insulated substations: explore the pivotal role of bus work in substations, the backbone of power distribution networks. The main. Bus Transfer Electrical.
From www.youtube.com
Double Bus Electrical Substation Configurations Explained YouTube Bus Transfer Electrical Discover its types, functions, challenges, and. a substation bus scheme is the arrangement of overhead bus bar and associated switching equipment. Single and double bus, double breaker, main and transfer bus, double bus. types of bus switching arrangements used in air insulated substations: main and transfer bus. explore the pivotal role of bus work in substations,. Bus Transfer Electrical.
From www.logisticsmiddleeast.com
Abu Dhabi rolls out emissionfree fleet of electric buses Roads, Electric Bus, Public Bus Transfer Electrical The main and transfer bus is another modification of the radial bus. Single and double bus, double breaker, main and transfer bus, double bus. a substation bus scheme is the arrangement of overhead bus bar and associated switching equipment. Discover its types, functions, challenges, and. This configuration consists of a main bus and a transfer. main and transfer. Bus Transfer Electrical.
From electricaltech.in
Different BusBar Schemes in Electrical Substations Bus Transfer Electrical types of bus switching arrangements used in air insulated substations: explore the pivotal role of bus work in substations, the backbone of power distribution networks. understanding electrical busway and bus duct is critical when selecting options for your specific power distribution. the main and transfer bus configuration connects all circuits between the main bus and a. Bus Transfer Electrical.
From www.scribd.com
Fast Bus Transfer Systems A System Solution Approach PDF Electrical Grid Electric Power Bus Transfer Electrical Discover its types, functions, challenges, and. explore the pivotal role of bus work in substations, the backbone of power distribution networks. The main and transfer bus is another modification of the radial bus. This configuration consists of a main bus and a transfer. understanding electrical busway and bus duct is critical when selecting options for your specific power. Bus Transfer Electrical.
From www.l3harris.com
MultiClass Static Automatic Bus Transfer L3Harris® Fast. Forward. Bus Transfer Electrical the main and transfer bus configuration connects all circuits between the main bus and a transfer bus. types of bus switching arrangements used in air insulated substations: understanding electrical busway and bus duct is critical when selecting options for your specific power distribution. Single and double bus, double breaker, main and transfer bus, double bus. explore. Bus Transfer Electrical.
From www.semanticscholar.org
Figure 1 from IEC 61850 Enabled Automatic Bus Transfer Scheme for Primary Distribution Bus Transfer Electrical the main and transfer bus configuration connects all circuits between the main bus and a transfer bus. explore the pivotal role of bus work in substations, the backbone of power distribution networks. This configuration consists of a main bus and a transfer. Discover its types, functions, challenges, and. The main and transfer bus is another modification of the. Bus Transfer Electrical.
From skm-eleksys.com
Electrical Systems Substation Bus Schemes Bus Transfer Electrical a substation bus scheme is the arrangement of overhead bus bar and associated switching equipment. Discover its types, functions, challenges, and. the main and transfer bus configuration connects all circuits between the main bus and a transfer bus. The main and transfer bus is another modification of the radial bus. types of bus switching arrangements used in. Bus Transfer Electrical.
From www.roammotors.com
Roam launches Roam Rapid, the first electric mass transit bus in Kenya Bus Transfer Electrical Single and double bus, double breaker, main and transfer bus, double bus. explore the pivotal role of bus work in substations, the backbone of power distribution networks. Discover its types, functions, challenges, and. understanding electrical busway and bus duct is critical when selecting options for your specific power distribution. types of bus switching arrangements used in air. Bus Transfer Electrical.
From www.electricalengineering.xyz
Power Systems 8 Types of Electrical Bus Bar Connections Bus Transfer Electrical Single and double bus, double breaker, main and transfer bus, double bus. understanding electrical busway and bus duct is critical when selecting options for your specific power distribution. types of bus switching arrangements used in air insulated substations: a substation bus scheme is the arrangement of overhead bus bar and associated switching equipment. The main and transfer. Bus Transfer Electrical.
From www.transitsystems.com.au
Electric Buses — Transit Systems Bus Network Public Transport Operator NSW SA WA NT Bus Transfer Electrical the main and transfer bus configuration connects all circuits between the main bus and a transfer bus. This configuration consists of a main bus and a transfer. Single and double bus, double breaker, main and transfer bus, double bus. a substation bus scheme is the arrangement of overhead bus bar and associated switching equipment. Discover its types, functions,. Bus Transfer Electrical.
From www.cte.tv
Battery Electric and Fuel Cell Electric Two Complementary Electric Bus OptionsCenter for Bus Transfer Electrical understanding electrical busway and bus duct is critical when selecting options for your specific power distribution. types of bus switching arrangements used in air insulated substations: a substation bus scheme is the arrangement of overhead bus bar and associated switching equipment. main and transfer bus. explore the pivotal role of bus work in substations, the. Bus Transfer Electrical.