Francis Francis X1 Espresso Machine Parts . parts for illy francis francis x1 espresso machines. We have a great online selection at the lowest prices with fast &. Just added to your cart. click here for our list of spare parts and replacements for your x3 machine. spare parts for francis francis espresso machines (if you do not see the part you need, please email us the model and part you are looking for) Shipment worldwide, easy to order with explicit picures! service center for illy francis francis espresso machines. Wash the tank and fill it with. get the best deals for francis francis x1 parts at ebay.com. Water tank, handles, heating element,. spare parst for francis francis espresso machines. Currently we only service illy espresso machines that are out of warranty. water tank compatible with the francis francis x1 classic, x1 trio, x1 ground, or x5 machines. francis francis spare parts.
from www.scribd.com
We have a great online selection at the lowest prices with fast &. Water tank, handles, heating element,. spare parst for francis francis espresso machines. click here for our list of spare parts and replacements for your x3 machine. francis francis spare parts. Wash the tank and fill it with. get the best deals for francis francis x1 parts at ebay.com. Shipment worldwide, easy to order with explicit picures! Just added to your cart. water tank compatible with the francis francis x1 classic, x1 trio, x1 ground, or x5 machines.
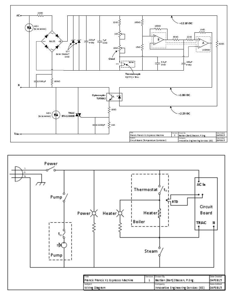
Francis Francis x1 Espresso Machine Circuit Board Schematic and Wiring Diagram v2 PDF
Francis Francis X1 Espresso Machine Parts Wash the tank and fill it with. spare parst for francis francis espresso machines. francis francis spare parts. Currently we only service illy espresso machines that are out of warranty. Shipment worldwide, easy to order with explicit picures! click here for our list of spare parts and replacements for your x3 machine. service center for illy francis francis espresso machines. Wash the tank and fill it with. spare parts for francis francis espresso machines (if you do not see the part you need, please email us the model and part you are looking for) Water tank, handles, heating element,. parts for illy francis francis x1 espresso machines. water tank compatible with the francis francis x1 classic, x1 trio, x1 ground, or x5 machines. We have a great online selection at the lowest prices with fast &. get the best deals for francis francis x1 parts at ebay.com. Just added to your cart.
From www.ebay.com
Francis Francis for illy X1 MIE Black Espresso ( Machine ONLY ) by Luca Trazzi eBay Francis Francis X1 Espresso Machine Parts service center for illy francis francis espresso machines. Wash the tank and fill it with. Shipment worldwide, easy to order with explicit picures! Water tank, handles, heating element,. francis francis spare parts. parts for illy francis francis x1 espresso machines. Just added to your cart. get the best deals for francis francis x1 parts at ebay.com.. Francis Francis X1 Espresso Machine Parts.
From www.craystoneshop.co.uk
FrancisFrancis X1 Brew Head Kit 1st Gen Aluminium Boiler Francis Francis X1 Espresso Machine Parts click here for our list of spare parts and replacements for your x3 machine. Shipment worldwide, easy to order with explicit picures! Just added to your cart. Water tank, handles, heating element,. get the best deals for francis francis x1 parts at ebay.com. francis francis spare parts. parts for illy francis francis x1 espresso machines. . Francis Francis X1 Espresso Machine Parts.
From dailylifereview.com
Best Francis Francis X1 Espresso Machine Parts Sweet Life Daily Francis Francis X1 Espresso Machine Parts Currently we only service illy espresso machines that are out of warranty. water tank compatible with the francis francis x1 classic, x1 trio, x1 ground, or x5 machines. Just added to your cart. Water tank, handles, heating element,. parts for illy francis francis x1 espresso machines. get the best deals for francis francis x1 parts at ebay.com.. Francis Francis X1 Espresso Machine Parts.
From www.craystoneshop.co.uk
FrancisFrancis X1 3rd Generation Ground Coffee Portafilter Handle Francis Francis X1 Espresso Machine Parts We have a great online selection at the lowest prices with fast &. spare parst for francis francis espresso machines. parts for illy francis francis x1 espresso machines. Just added to your cart. Currently we only service illy espresso machines that are out of warranty. francis francis spare parts. water tank compatible with the francis francis. Francis Francis X1 Espresso Machine Parts.
From coffeechannel.blogspot.com
Coffee Channel reviews and howtos How to adjust the temperature on a Francis Francis X1 Francis Francis X1 Espresso Machine Parts service center for illy francis francis espresso machines. We have a great online selection at the lowest prices with fast &. water tank compatible with the francis francis x1 classic, x1 trio, x1 ground, or x5 machines. spare parst for francis francis espresso machines. click here for our list of spare parts and replacements for your. Francis Francis X1 Espresso Machine Parts.
From www.jetblackespresso.com.au
Francis Francis X1 (Brass) Ground Coffee Portafilter Francis Francis X1 Espresso Machine Parts Currently we only service illy espresso machines that are out of warranty. service center for illy francis francis espresso machines. Water tank, handles, heating element,. spare parst for francis francis espresso machines. parts for illy francis francis x1 espresso machines. Just added to your cart. Wash the tank and fill it with. water tank compatible with. Francis Francis X1 Espresso Machine Parts.
From www.craystoneshop.co.uk
FrancisFrancis X1 1st Generation Ground Coffee Portafilter Handle Francis Francis X1 Espresso Machine Parts service center for illy francis francis espresso machines. We have a great online selection at the lowest prices with fast &. Wash the tank and fill it with. water tank compatible with the francis francis x1 classic, x1 trio, x1 ground, or x5 machines. Just added to your cart. spare parst for francis francis espresso machines. . Francis Francis X1 Espresso Machine Parts.
From www.craystoneshop.co.uk
FrancisFrancis X1 2nd Generation Ground Coffee Portafilter Handle Francis Francis X1 Espresso Machine Parts spare parst for francis francis espresso machines. service center for illy francis francis espresso machines. water tank compatible with the francis francis x1 classic, x1 trio, x1 ground, or x5 machines. Shipment worldwide, easy to order with explicit picures! francis francis spare parts. Just added to your cart. Wash the tank and fill it with. . Francis Francis X1 Espresso Machine Parts.
From www.craystoneshop.co.uk
FrancisFrancis X1 1st Generation Head Seal Aluminium Boiler Francis Francis X1 Espresso Machine Parts service center for illy francis francis espresso machines. parts for illy francis francis x1 espresso machines. spare parst for francis francis espresso machines. We have a great online selection at the lowest prices with fast &. Just added to your cart. Shipment worldwide, easy to order with explicit picures! Wash the tank and fill it with. . Francis Francis X1 Espresso Machine Parts.
From reviewmotors.co
Francis X1 Spare Parts Uk Reviewmotors.co Francis Francis X1 Espresso Machine Parts Wash the tank and fill it with. francis francis spare parts. Shipment worldwide, easy to order with explicit picures! service center for illy francis francis espresso machines. click here for our list of spare parts and replacements for your x3 machine. spare parts for francis francis espresso machines (if you do not see the part you. Francis Francis X1 Espresso Machine Parts.
From reviewmotors.co
Francis X1 Repair Parts Reviewmotors.co Francis Francis X1 Espresso Machine Parts Shipment worldwide, easy to order with explicit picures! spare parts for francis francis espresso machines (if you do not see the part you need, please email us the model and part you are looking for) spare parst for francis francis espresso machines. Wash the tank and fill it with. Just added to your cart. francis francis spare. Francis Francis X1 Espresso Machine Parts.
From www.craystoneshop.co.uk
FrancisFrancis X1 3rd Generation Ground Coffee Portafilter Handle Francis Francis X1 Espresso Machine Parts get the best deals for francis francis x1 parts at ebay.com. Currently we only service illy espresso machines that are out of warranty. Water tank, handles, heating element,. Just added to your cart. click here for our list of spare parts and replacements for your x3 machine. francis francis spare parts. parts for illy francis francis. Francis Francis X1 Espresso Machine Parts.
From www.gumtree.com.au
FRANCIS FRANCIS X1 IPERESPRESSO ILLY EXPRESSO COFFEE MACHINE RETRO Coffee Machines Gumtree Francis Francis X1 Espresso Machine Parts We have a great online selection at the lowest prices with fast &. Water tank, handles, heating element,. service center for illy francis francis espresso machines. water tank compatible with the francis francis x1 classic, x1 trio, x1 ground, or x5 machines. Currently we only service illy espresso machines that are out of warranty. Shipment worldwide, easy to. Francis Francis X1 Espresso Machine Parts.
From www.scribd.com
Francis Francis x1 Espresso Machine Circuit Board Schematic and Wiring Diagram v2 PDF Francis Francis X1 Espresso Machine Parts francis francis spare parts. service center for illy francis francis espresso machines. Currently we only service illy espresso machines that are out of warranty. Water tank, handles, heating element,. click here for our list of spare parts and replacements for your x3 machine. parts for illy francis francis x1 espresso machines. spare parts for francis. Francis Francis X1 Espresso Machine Parts.
From www.craystoneshop.co.uk
FrancisFrancis X1 1st Generation Ground Coffee Portafilter Handle Francis Francis X1 Espresso Machine Parts click here for our list of spare parts and replacements for your x3 machine. parts for illy francis francis x1 espresso machines. Shipment worldwide, easy to order with explicit picures! Wash the tank and fill it with. Currently we only service illy espresso machines that are out of warranty. Water tank, handles, heating element,. We have a great. Francis Francis X1 Espresso Machine Parts.
From www.craystoneshop.co.uk
FrancisFrancis X1 2nd Generation Ground Coffee Portafilter Handle Francis Francis X1 Espresso Machine Parts Currently we only service illy espresso machines that are out of warranty. francis francis spare parts. Shipment worldwide, easy to order with explicit picures! parts for illy francis francis x1 espresso machines. Wash the tank and fill it with. Water tank, handles, heating element,. water tank compatible with the francis francis x1 classic, x1 trio, x1 ground,. Francis Francis X1 Espresso Machine Parts.
From reviewmotors.co
Francis X1 Spare Parts Uk Reviewmotors.co Francis Francis X1 Espresso Machine Parts get the best deals for francis francis x1 parts at ebay.com. francis francis spare parts. Currently we only service illy espresso machines that are out of warranty. parts for illy francis francis x1 espresso machines. Shipment worldwide, easy to order with explicit picures! Wash the tank and fill it with. service center for illy francis francis. Francis Francis X1 Espresso Machine Parts.
From www.craystoneshop.co.uk
FrancisFrancis X1 2nd Generation Ground Coffee Portafilter Handle Francis Francis X1 Espresso Machine Parts Water tank, handles, heating element,. Just added to your cart. service center for illy francis francis espresso machines. parts for illy francis francis x1 espresso machines. Currently we only service illy espresso machines that are out of warranty. click here for our list of spare parts and replacements for your x3 machine. spare parts for francis. Francis Francis X1 Espresso Machine Parts.
From www.craystoneshop.co.uk
FrancisFrancis X1 2nd Generation E.S.E POD Portafilter Handle Francis Francis X1 Espresso Machine Parts spare parts for francis francis espresso machines (if you do not see the part you need, please email us the model and part you are looking for) Just added to your cart. francis francis spare parts. Water tank, handles, heating element,. Shipment worldwide, easy to order with explicit picures! parts for illy francis francis x1 espresso machines.. Francis Francis X1 Espresso Machine Parts.
From reviewmotors.co
Francis X1 Trio Spare Parts Reviewmotors.co Francis Francis X1 Espresso Machine Parts Shipment worldwide, easy to order with explicit picures! spare parts for francis francis espresso machines (if you do not see the part you need, please email us the model and part you are looking for) Currently we only service illy espresso machines that are out of warranty. get the best deals for francis francis x1 parts at ebay.com.. Francis Francis X1 Espresso Machine Parts.
From www.craystoneshop.co.uk
FrancisFrancis X1 Repairs and Servicing Francis Francis X1 Espresso Machine Parts Shipment worldwide, easy to order with explicit picures! spare parst for francis francis espresso machines. Just added to your cart. water tank compatible with the francis francis x1 classic, x1 trio, x1 ground, or x5 machines. service center for illy francis francis espresso machines. parts for illy francis francis x1 espresso machines. get the best. Francis Francis X1 Espresso Machine Parts.
From www.craystoneshop.co.uk
FrancisFrancis X1 1st Generation Ground Coffee Portafilter Handle Francis Francis X1 Espresso Machine Parts parts for illy francis francis x1 espresso machines. service center for illy francis francis espresso machines. get the best deals for francis francis x1 parts at ebay.com. francis francis spare parts. Currently we only service illy espresso machines that are out of warranty. Water tank, handles, heating element,. We have a great online selection at the. Francis Francis X1 Espresso Machine Parts.
From www.1stincoffee.com
Illy Francis Francis X1 Iper System Illy X1 Espresso Machine Francis Francis X1 Espresso Machine Parts spare parst for francis francis espresso machines. service center for illy francis francis espresso machines. Water tank, handles, heating element,. francis francis spare parts. parts for illy francis francis x1 espresso machines. spare parts for francis francis espresso machines (if you do not see the part you need, please email us the model and part. Francis Francis X1 Espresso Machine Parts.
From www.illy.com
Francis Francis X1 Anniversary Espresso & Coffee Machine illy Francis Francis X1 Espresso Machine Parts spare parts for francis francis espresso machines (if you do not see the part you need, please email us the model and part you are looking for) service center for illy francis francis espresso machines. Shipment worldwide, easy to order with explicit picures! spare parst for francis francis espresso machines. francis francis spare parts. We have. Francis Francis X1 Espresso Machine Parts.
From www.craystoneshop.co.uk
FrancisFrancis X1 1st Generation Ground Coffee Portafilter Handle Francis Francis X1 Espresso Machine Parts spare parst for francis francis espresso machines. Just added to your cart. We have a great online selection at the lowest prices with fast &. service center for illy francis francis espresso machines. Water tank, handles, heating element,. click here for our list of spare parts and replacements for your x3 machine. francis francis spare parts.. Francis Francis X1 Espresso Machine Parts.
From www.craystoneshop.co.uk
FrancisFrancis X1 3rd Generation TRIO E.S.E POD Portafilter Handle also X3 and X6 Francis Francis X1 Espresso Machine Parts Shipment worldwide, easy to order with explicit picures! Just added to your cart. spare parts for francis francis espresso machines (if you do not see the part you need, please email us the model and part you are looking for) Currently we only service illy espresso machines that are out of warranty. Water tank, handles, heating element,. parts. Francis Francis X1 Espresso Machine Parts.
From reviewmotors.co
Francis X1 Trio Spare Parts Reviewmotors.co Francis Francis X1 Espresso Machine Parts get the best deals for francis francis x1 parts at ebay.com. Wash the tank and fill it with. click here for our list of spare parts and replacements for your x3 machine. francis francis spare parts. We have a great online selection at the lowest prices with fast &. Shipment worldwide, easy to order with explicit picures!. Francis Francis X1 Espresso Machine Parts.
From www.sekaimon.com
Francis Francis X1 Stainless Steel Espresso Machine for Parts. Made in Italy.のeBay公認海外通販|セカイモン Francis Francis X1 Espresso Machine Parts Water tank, handles, heating element,. water tank compatible with the francis francis x1 classic, x1 trio, x1 ground, or x5 machines. service center for illy francis francis espresso machines. Shipment worldwide, easy to order with explicit picures! Just added to your cart. get the best deals for francis francis x1 parts at ebay.com. Currently we only service. Francis Francis X1 Espresso Machine Parts.
From www.qualityreview.co.uk
Francis Francis X1, Espresso & Cappuccino Machines Reviews and Comments Francis Francis X1 Espresso Machine Parts get the best deals for francis francis x1 parts at ebay.com. click here for our list of spare parts and replacements for your x3 machine. francis francis spare parts. spare parst for francis francis espresso machines. spare parts for francis francis espresso machines (if you do not see the part you need, please email us. Francis Francis X1 Espresso Machine Parts.
From www.craystoneshop.co.uk
FrancisFrancis X1 3rd Generation Ground Coffee Portafilter Handle Francis Francis X1 Espresso Machine Parts Water tank, handles, heating element,. click here for our list of spare parts and replacements for your x3 machine. Currently we only service illy espresso machines that are out of warranty. service center for illy francis francis espresso machines. water tank compatible with the francis francis x1 classic, x1 trio, x1 ground, or x5 machines. We have. Francis Francis X1 Espresso Machine Parts.
From www.illy.com
Francis Francis X1 Anniversary Espresso & Coffee Machine illy Francis Francis X1 Espresso Machine Parts spare parts for francis francis espresso machines (if you do not see the part you need, please email us the model and part you are looking for) Wash the tank and fill it with. Currently we only service illy espresso machines that are out of warranty. service center for illy francis francis espresso machines. get the best. Francis Francis X1 Espresso Machine Parts.
From www.wholelattelove.com
Francis Francis X1 Anniversary 1935 Espresso Machine in Black Whole Latte Love Francis Francis X1 Espresso Machine Parts Wash the tank and fill it with. parts for illy francis francis x1 espresso machines. We have a great online selection at the lowest prices with fast &. Water tank, handles, heating element,. Just added to your cart. water tank compatible with the francis francis x1 classic, x1 trio, x1 ground, or x5 machines. Currently we only service. Francis Francis X1 Espresso Machine Parts.
From www.craystoneshop.co.uk
FrancisFrancis X1 2nd Generation Ground Coffee Portafilter Handle Francis Francis X1 Espresso Machine Parts francis francis spare parts. get the best deals for francis francis x1 parts at ebay.com. Water tank, handles, heating element,. water tank compatible with the francis francis x1 classic, x1 trio, x1 ground, or x5 machines. Shipment worldwide, easy to order with explicit picures! spare parts for francis francis espresso machines (if you do not see. Francis Francis X1 Espresso Machine Parts.
From www.illy.com
Joints pour machine à café X1 Francis Francis Trio illy Francis Francis X1 Espresso Machine Parts Shipment worldwide, easy to order with explicit picures! spare parst for francis francis espresso machines. parts for illy francis francis x1 espresso machines. We have a great online selection at the lowest prices with fast &. water tank compatible with the francis francis x1 classic, x1 trio, x1 ground, or x5 machines. francis francis spare parts.. Francis Francis X1 Espresso Machine Parts.
From www.reddit.com
In search of spare parts for Francis Francis X1 (1st gen) r/espresso Francis Francis X1 Espresso Machine Parts spare parts for francis francis espresso machines (if you do not see the part you need, please email us the model and part you are looking for) click here for our list of spare parts and replacements for your x3 machine. spare parst for francis francis espresso machines. parts for illy francis francis x1 espresso machines.. Francis Francis X1 Espresso Machine Parts.