How To Use A Daq . connect to data acquisition cards, devices, and modules. data acquisition, or daq as it is often referred, is the process of digitizing data from the world around us so it can be. We will take you from. you need to learn how to use only a single set of functions to be able to program most ni data acquisition. how to choose the right daq hardware for your measurement system. Data acquisition toolbox™ provides apps and functions for. Jump to the section that. you can use a daqmx device property node to query general device settings such as the bus type (pci, pxi) or the device serial number.
from knowledge.ni.com
Data acquisition toolbox™ provides apps and functions for. you need to learn how to use only a single set of functions to be able to program most ni data acquisition. how to choose the right daq hardware for your measurement system. Jump to the section that. connect to data acquisition cards, devices, and modules. you can use a daqmx device property node to query general device settings such as the bus type (pci, pxi) or the device serial number. We will take you from. data acquisition, or daq as it is often referred, is the process of digitizing data from the world around us so it can be.
Data Logging in NI LabVIEW With DAQ Hardware NI
How To Use A Daq data acquisition, or daq as it is often referred, is the process of digitizing data from the world around us so it can be. Jump to the section that. data acquisition, or daq as it is often referred, is the process of digitizing data from the world around us so it can be. you need to learn how to use only a single set of functions to be able to program most ni data acquisition. Data acquisition toolbox™ provides apps and functions for. We will take you from. connect to data acquisition cards, devices, and modules. how to choose the right daq hardware for your measurement system. you can use a daqmx device property node to query general device settings such as the bus type (pci, pxi) or the device serial number.
From forums.ni.com
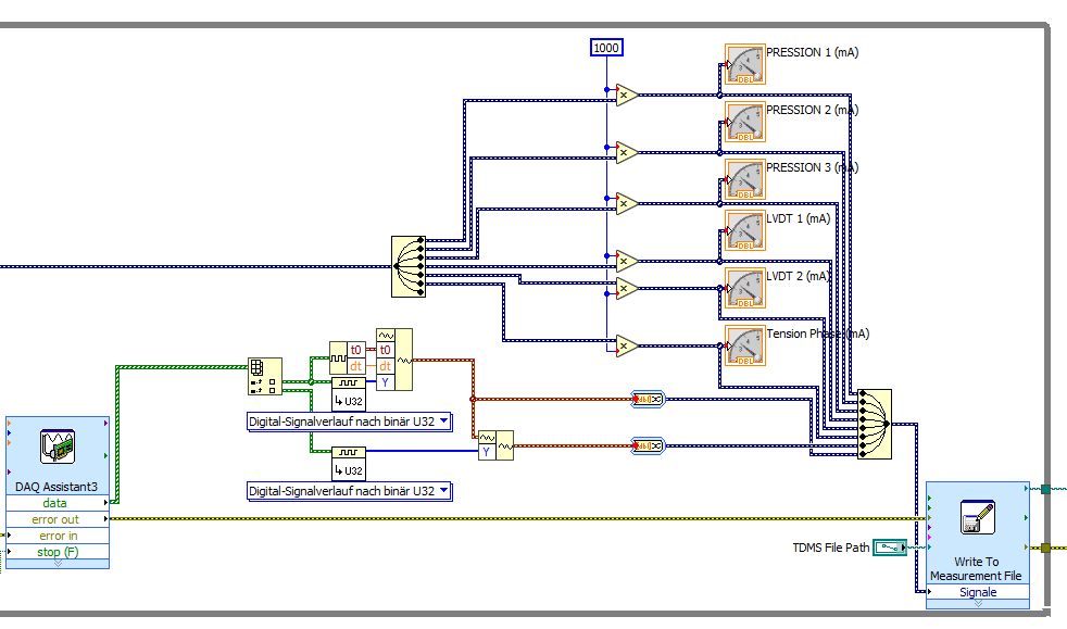
How to use multiple DAQ Assistant with digital and analog signal input How To Use A Daq Jump to the section that. how to choose the right daq hardware for your measurement system. you can use a daqmx device property node to query general device settings such as the bus type (pci, pxi) or the device serial number. connect to data acquisition cards, devices, and modules. data acquisition, or daq as it is. How To Use A Daq.
From www.slideserve.com
PPT How to use DAQ for Argonne Beam Test PowerPoint Presentation How To Use A Daq you can use a daqmx device property node to query general device settings such as the bus type (pci, pxi) or the device serial number. how to choose the right daq hardware for your measurement system. Jump to the section that. data acquisition, or daq as it is often referred, is the process of digitizing data from. How To Use A Daq.
From www.youtube.com
Data Acquisition with NI myDAQ DAQ Assistant YouTube How To Use A Daq you need to learn how to use only a single set of functions to be able to program most ni data acquisition. connect to data acquisition cards, devices, and modules. Data acquisition toolbox™ provides apps and functions for. data acquisition, or daq as it is often referred, is the process of digitizing data from the world around. How To Use A Daq.
From www.halvorsen.blog
DAQ in LabVIEW How To Use A Daq We will take you from. you can use a daqmx device property node to query general device settings such as the bus type (pci, pxi) or the device serial number. Jump to the section that. connect to data acquisition cards, devices, and modules. how to choose the right daq hardware for your measurement system. data acquisition,. How To Use A Daq.
From www.keysight.com
Data Acquisition Systems Keysight How To Use A Daq Data acquisition toolbox™ provides apps and functions for. Jump to the section that. how to choose the right daq hardware for your measurement system. connect to data acquisition cards, devices, and modules. We will take you from. you need to learn how to use only a single set of functions to be able to program most ni. How To Use A Daq.
From www.youtube.com
Measurements I Using the Modular Thermocouple DAQ LabView YouTube How To Use A Daq how to choose the right daq hardware for your measurement system. data acquisition, or daq as it is often referred, is the process of digitizing data from the world around us so it can be. We will take you from. you can use a daqmx device property node to query general device settings such as the bus. How To Use A Daq.
From docs.optitrack.com
NIDAQ Setup EXTERNAL OptiTrack Documentation How To Use A Daq connect to data acquisition cards, devices, and modules. Data acquisition toolbox™ provides apps and functions for. you can use a daqmx device property node to query general device settings such as the bus type (pci, pxi) or the device serial number. Jump to the section that. data acquisition, or daq as it is often referred, is the. How To Use A Daq.
From www.swanseaairport.com
What is a DAC and why would you need one? Swanseaairport How To Use A Daq We will take you from. connect to data acquisition cards, devices, and modules. data acquisition, or daq as it is often referred, is the process of digitizing data from the world around us so it can be. Jump to the section that. you need to learn how to use only a single set of functions to be. How To Use A Daq.
From www.slideserve.com
PPT How to use DAQ for Argonne Beam Test PowerPoint Presentation How To Use A Daq you need to learn how to use only a single set of functions to be able to program most ni data acquisition. Jump to the section that. data acquisition, or daq as it is often referred, is the process of digitizing data from the world around us so it can be. you can use a daqmx device. How To Use A Daq.
From myhomespeakers.com
How To Use A DAC With A PC With StepbyStep My Home Speakers How To Use A Daq Jump to the section that. how to choose the right daq hardware for your measurement system. you need to learn how to use only a single set of functions to be able to program most ni data acquisition. data acquisition, or daq as it is often referred, is the process of digitizing data from the world around. How To Use A Daq.
From www.halvorsen.blog
DAQ in LabVIEW How To Use A Daq you need to learn how to use only a single set of functions to be able to program most ni data acquisition. how to choose the right daq hardware for your measurement system. We will take you from. Jump to the section that. Data acquisition toolbox™ provides apps and functions for. connect to data acquisition cards, devices,. How To Use A Daq.
From sine.ni.com
Using LabVIEW and DAQ to Create Customized Multiplexing and Encoding How To Use A Daq connect to data acquisition cards, devices, and modules. We will take you from. how to choose the right daq hardware for your measurement system. you need to learn how to use only a single set of functions to be able to program most ni data acquisition. Data acquisition toolbox™ provides apps and functions for. data acquisition,. How To Use A Daq.
From www.youtube.com
What Is myDAQ? DAQ System. YouTube How To Use A Daq We will take you from. data acquisition, or daq as it is often referred, is the process of digitizing data from the world around us so it can be. you need to learn how to use only a single set of functions to be able to program most ni data acquisition. Jump to the section that. how. How To Use A Daq.
From www.adlinktech.com.cn
DAQ MultiFunction DAQ ADLINK ADLINK Technology How To Use A Daq data acquisition, or daq as it is often referred, is the process of digitizing data from the world around us so it can be. We will take you from. you need to learn how to use only a single set of functions to be able to program most ni data acquisition. Data acquisition toolbox™ provides apps and functions. How To Use A Daq.
From sine.ni.com
Automating Microscopic HighSpeed Particle Analysis in Medical How To Use A Daq you need to learn how to use only a single set of functions to be able to program most ni data acquisition. Jump to the section that. how to choose the right daq hardware for your measurement system. data acquisition, or daq as it is often referred, is the process of digitizing data from the world around. How To Use A Daq.
From correlatedsolutions.eu
DAQ Devices Correlated Solutions Europe How To Use A Daq Jump to the section that. you can use a daqmx device property node to query general device settings such as the bus type (pci, pxi) or the device serial number. We will take you from. you need to learn how to use only a single set of functions to be able to program most ni data acquisition. . How To Use A Daq.
From halvorsen.blog
C Project How To Use A Daq data acquisition, or daq as it is often referred, is the process of digitizing data from the world around us so it can be. Jump to the section that. connect to data acquisition cards, devices, and modules. you can use a daqmx device property node to query general device settings such as the bus type (pci, pxi). How To Use A Daq.
From sine.ni.com
Using NI LabVIEW and DAQ for a DC Motor Controller Solutions How To Use A Daq Jump to the section that. you can use a daqmx device property node to query general device settings such as the bus type (pci, pxi) or the device serial number. We will take you from. connect to data acquisition cards, devices, and modules. how to choose the right daq hardware for your measurement system. you need. How To Use A Daq.
From daqifi.com
DAQ Basics DAQiFi How To Use A Daq you need to learn how to use only a single set of functions to be able to program most ni data acquisition. you can use a daqmx device property node to query general device settings such as the bus type (pci, pxi) or the device serial number. We will take you from. connect to data acquisition cards,. How To Use A Daq.
From knowledge.ni.com
Data Logging in NI LabVIEW With DAQ Hardware NI How To Use A Daq how to choose the right daq hardware for your measurement system. you can use a daqmx device property node to query general device settings such as the bus type (pci, pxi) or the device serial number. data acquisition, or daq as it is often referred, is the process of digitizing data from the world around us so. How To Use A Daq.
From knowledge.ni.com
Using the DAQ Assistant in Measurement Studio NI How To Use A Daq Jump to the section that. We will take you from. Data acquisition toolbox™ provides apps and functions for. you can use a daqmx device property node to query general device settings such as the bus type (pci, pxi) or the device serial number. connect to data acquisition cards, devices, and modules. you need to learn how to. How To Use A Daq.
From www.youtube.com
Construcción pid labview utilizando una DAQ. PARTE 2 YouTube How To Use A Daq We will take you from. connect to data acquisition cards, devices, and modules. you can use a daqmx device property node to query general device settings such as the bus type (pci, pxi) or the device serial number. Data acquisition toolbox™ provides apps and functions for. you need to learn how to use only a single set. How To Use A Daq.
From forums.ni.com
daq assistant multiple analog inputs onto different graphs Discussion How To Use A Daq Jump to the section that. you can use a daqmx device property node to query general device settings such as the bus type (pci, pxi) or the device serial number. We will take you from. how to choose the right daq hardware for your measurement system. data acquisition, or daq as it is often referred, is the. How To Use A Daq.
From physics.wku.edu
mydaqlarge WKU LabVIEW Academy How To Use A Daq how to choose the right daq hardware for your measurement system. data acquisition, or daq as it is often referred, is the process of digitizing data from the world around us so it can be. Data acquisition toolbox™ provides apps and functions for. you can use a daqmx device property node to query general device settings such. How To Use A Daq.
From kr.mathworks.com
NI Data Acquisition (DAQ) Hardware Electrical and physical How To Use A Daq connect to data acquisition cards, devices, and modules. Jump to the section that. data acquisition, or daq as it is often referred, is the process of digitizing data from the world around us so it can be. We will take you from. Data acquisition toolbox™ provides apps and functions for. you need to learn how to use. How To Use A Daq.
From www.youtube.com
Measurements I DAQ LabView Tutorial Part 1 YouTube How To Use A Daq Data acquisition toolbox™ provides apps and functions for. data acquisition, or daq as it is often referred, is the process of digitizing data from the world around us so it can be. We will take you from. how to choose the right daq hardware for your measurement system. you can use a daqmx device property node to. How To Use A Daq.
From medium.com
How Multi Channel DAQ Works. At their most basic level, data… by How To Use A Daq Jump to the section that. Data acquisition toolbox™ provides apps and functions for. data acquisition, or daq as it is often referred, is the process of digitizing data from the world around us so it can be. how to choose the right daq hardware for your measurement system. you can use a daqmx device property node to. How To Use A Daq.
From www.youtube.com
Origin 8 Use Origin with LabVIEW for Real time DAQ Data Analysis YouTube How To Use A Daq data acquisition, or daq as it is often referred, is the process of digitizing data from the world around us so it can be. We will take you from. you can use a daqmx device property node to query general device settings such as the bus type (pci, pxi) or the device serial number. connect to data. How To Use A Daq.
From knowledge.ni.com
Using the DAQ Assistant in Measurement Studio NI How To Use A Daq you need to learn how to use only a single set of functions to be able to program most ni data acquisition. you can use a daqmx device property node to query general device settings such as the bus type (pci, pxi) or the device serial number. Jump to the section that. connect to data acquisition cards,. How To Use A Daq.
From forums.ni.com
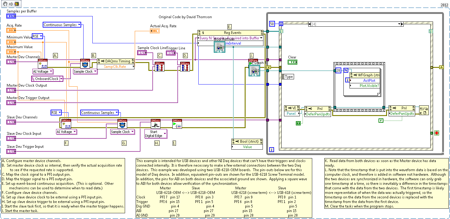
Example for Synchronizing two DAQ devices Using LabVIEW with DAQmx NI How To Use A Daq We will take you from. how to choose the right daq hardware for your measurement system. you can use a daqmx device property node to query general device settings such as the bus type (pci, pxi) or the device serial number. data acquisition, or daq as it is often referred, is the process of digitizing data from. How To Use A Daq.
From www.ni.com
Learn 10 Functions in NIDAQmx and Handle 80 Percent of Your Data How To Use A Daq We will take you from. data acquisition, or daq as it is often referred, is the process of digitizing data from the world around us so it can be. Data acquisition toolbox™ provides apps and functions for. you can use a daqmx device property node to query general device settings such as the bus type (pci, pxi) or. How To Use A Daq.
From www.engineernewsnetwork.com
DAQ system suitable for use as an entry level model Engineer News Network How To Use A Daq you need to learn how to use only a single set of functions to be able to program most ni data acquisition. Data acquisition toolbox™ provides apps and functions for. Jump to the section that. data acquisition, or daq as it is often referred, is the process of digitizing data from the world around us so it can. How To Use A Daq.
From forums.ni.com
DAQ system for both signal input and output simultaneously NI Community How To Use A Daq data acquisition, or daq as it is often referred, is the process of digitizing data from the world around us so it can be. you need to learn how to use only a single set of functions to be able to program most ni data acquisition. We will take you from. you can use a daqmx device. How To Use A Daq.
From www.youtube.com
DAQ & LabView Instructional Video Part 1 YouTube How To Use A Daq data acquisition, or daq as it is often referred, is the process of digitizing data from the world around us so it can be. connect to data acquisition cards, devices, and modules. Data acquisition toolbox™ provides apps and functions for. you can use a daqmx device property node to query general device settings such as the bus. How To Use A Daq.
From www.youtube.com
Using an external amp with ESP32 (Using DAC Audio output) YouTube How To Use A Daq We will take you from. data acquisition, or daq as it is often referred, is the process of digitizing data from the world around us so it can be. Jump to the section that. you need to learn how to use only a single set of functions to be able to program most ni data acquisition. you. How To Use A Daq.