Ryobi Sprayer Parts Australia . Tool spare parts now offers well over 250,000 individual machine and tool parts, including parts and accessories for ryobi petrol and pneumatic. We carry a huge range of ryobi power tool spare parts and accessories along with the latest range of tool. Need help with your ryobi garden sprayer? Seals on garden sprayers are consumables and need to be replaced periodically. Ryobi tools ows1880 complete parts list , repair information, exploded diagrams, free delivery*, same day dispatch. You can find your model number on the serial plate of the unit. Compatible with ryobi sprayer models ows1880, ows1870, r18spr12, ows1815, obs1815, r36bps10, r18spr130. To order new seals for your garden sprayer,. Yes, to order replacement parts, visit your local bunnings special orders desk with your unit’s model number. Fixing your ryobi power tools?
from www.partstree.com
Tool spare parts now offers well over 250,000 individual machine and tool parts, including parts and accessories for ryobi petrol and pneumatic. We carry a huge range of ryobi power tool spare parts and accessories along with the latest range of tool. Ryobi tools ows1880 complete parts list , repair information, exploded diagrams, free delivery*, same day dispatch. Seals on garden sprayers are consumables and need to be replaced periodically. Need help with your ryobi garden sprayer? To order new seals for your garden sprayer,. Compatible with ryobi sprayer models ows1880, ows1870, r18spr12, ows1815, obs1815, r36bps10, r18spr130. You can find your model number on the serial plate of the unit. Yes, to order replacement parts, visit your local bunnings special orders desk with your unit’s model number. Fixing your ryobi power tools?
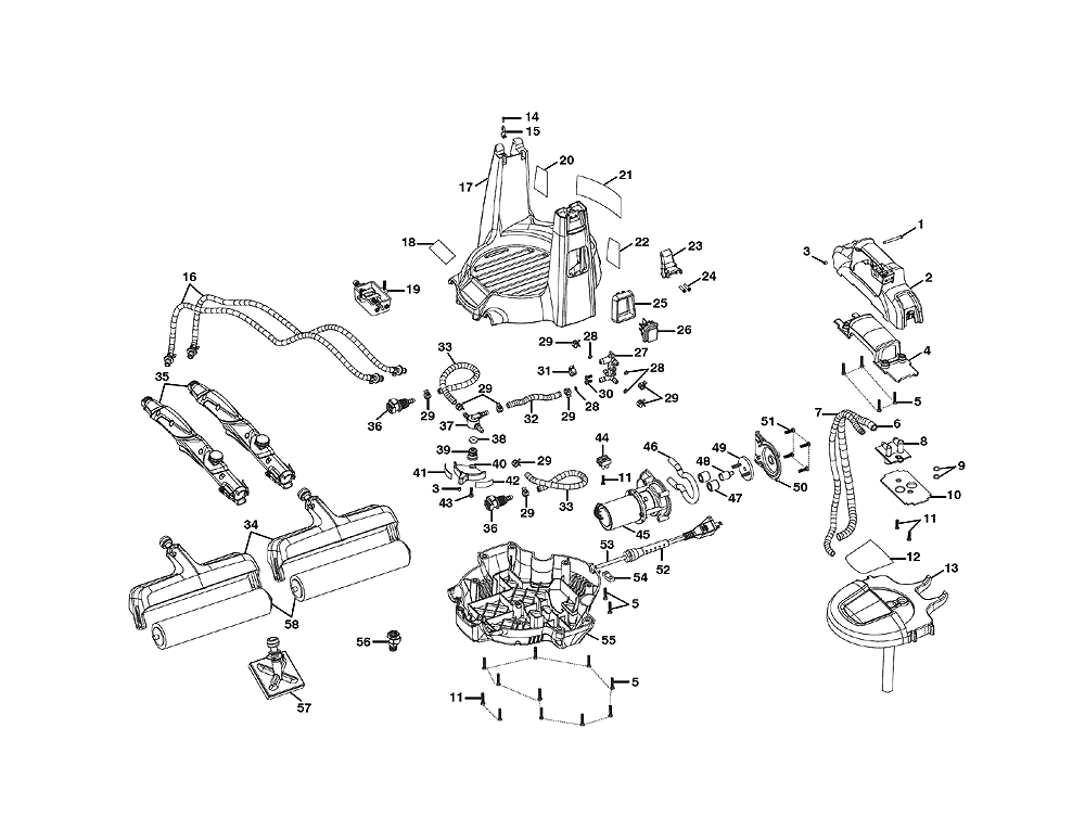
Ryobi P 2809 (107545001) Ryobi 18V Electrostatic Sprayer, Rev 04
Ryobi Sprayer Parts Australia Ryobi tools ows1880 complete parts list , repair information, exploded diagrams, free delivery*, same day dispatch. Need help with your ryobi garden sprayer? You can find your model number on the serial plate of the unit. Tool spare parts now offers well over 250,000 individual machine and tool parts, including parts and accessories for ryobi petrol and pneumatic. We carry a huge range of ryobi power tool spare parts and accessories along with the latest range of tool. Fixing your ryobi power tools? Compatible with ryobi sprayer models ows1880, ows1870, r18spr12, ows1815, obs1815, r36bps10, r18spr130. Seals on garden sprayers are consumables and need to be replaced periodically. Ryobi tools ows1880 complete parts list , repair information, exploded diagrams, free delivery*, same day dispatch. To order new seals for your garden sprayer,. Yes, to order replacement parts, visit your local bunnings special orders desk with your unit’s model number.
From www.ryobi.com.au
Sprayer Nozzle 2Pack RYOBI Ryobi Sprayer Parts Australia You can find your model number on the serial plate of the unit. Seals on garden sprayers are consumables and need to be replaced periodically. We carry a huge range of ryobi power tool spare parts and accessories along with the latest range of tool. To order new seals for your garden sprayer,. Need help with your ryobi garden sprayer?. Ryobi Sprayer Parts Australia.
From www.repairtoolparts.com
Ryobi FPR300 Parts List Ryobi FPR300 Repair Parts OEM Parts with Ryobi Sprayer Parts Australia Seals on garden sprayers are consumables and need to be replaced periodically. You can find your model number on the serial plate of the unit. Yes, to order replacement parts, visit your local bunnings special orders desk with your unit’s model number. Ryobi tools ows1880 complete parts list , repair information, exploded diagrams, free delivery*, same day dispatch. To order. Ryobi Sprayer Parts Australia.
From www.obsessedgarage.com
Ryobi Sprayer and Wand Upgrade Kit Obsessed Garage Ryobi Sprayer Parts Australia Seals on garden sprayers are consumables and need to be replaced periodically. Need help with your ryobi garden sprayer? Tool spare parts now offers well over 250,000 individual machine and tool parts, including parts and accessories for ryobi petrol and pneumatic. Ryobi tools ows1880 complete parts list , repair information, exploded diagrams, free delivery*, same day dispatch. Fixing your ryobi. Ryobi Sprayer Parts Australia.
From www.ereplacementparts.com
Ryobi Chemical Sprayer P640K Ryobi Sprayer Parts Australia Seals on garden sprayers are consumables and need to be replaced periodically. To order new seals for your garden sprayer,. Fixing your ryobi power tools? You can find your model number on the serial plate of the unit. We carry a huge range of ryobi power tool spare parts and accessories along with the latest range of tool. Yes, to. Ryobi Sprayer Parts Australia.
From www.partstree.com
Ryobi P 2804 (107370001) Ryobi Sprayer, Revision 04 (201807) General Ryobi Sprayer Parts Australia Fixing your ryobi power tools? Yes, to order replacement parts, visit your local bunnings special orders desk with your unit’s model number. To order new seals for your garden sprayer,. You can find your model number on the serial plate of the unit. Ryobi tools ows1880 complete parts list , repair information, exploded diagrams, free delivery*, same day dispatch. Seals. Ryobi Sprayer Parts Australia.
From www.toolpartspro.com
Buy Ryobi P2400 Replacement Tool Parts Ryobi P2400 Other tools in Ryobi Sprayer Parts Australia Fixing your ryobi power tools? We carry a huge range of ryobi power tool spare parts and accessories along with the latest range of tool. Compatible with ryobi sprayer models ows1880, ows1870, r18spr12, ows1815, obs1815, r36bps10, r18spr130. Yes, to order replacement parts, visit your local bunnings special orders desk with your unit’s model number. To order new seals for your. Ryobi Sprayer Parts Australia.
From www.walmart.com
Ryobi RY14122 Genuine 2 Pack of OEM Replacement Spray Wands 308494075 Ryobi Sprayer Parts Australia Ryobi tools ows1880 complete parts list , repair information, exploded diagrams, free delivery*, same day dispatch. To order new seals for your garden sprayer,. Yes, to order replacement parts, visit your local bunnings special orders desk with your unit’s model number. Tool spare parts now offers well over 250,000 individual machine and tool parts, including parts and accessories for ryobi. Ryobi Sprayer Parts Australia.
From www.direct-powertools.co.uk
Ryobi ONE+ Weed Sprayer 18V OWS1880120 2.0Ah Kit Ryobi Sprayer Parts Australia Seals on garden sprayers are consumables and need to be replaced periodically. We carry a huge range of ryobi power tool spare parts and accessories along with the latest range of tool. Yes, to order replacement parts, visit your local bunnings special orders desk with your unit’s model number. Need help with your ryobi garden sprayer? To order new seals. Ryobi Sprayer Parts Australia.
From www.amazon.com
Replacement Sprayer Wand for Ryobi,Stainless Steel Sprayer Ryobi Sprayer Parts Australia Ryobi tools ows1880 complete parts list , repair information, exploded diagrams, free delivery*, same day dispatch. Tool spare parts now offers well over 250,000 individual machine and tool parts, including parts and accessories for ryobi petrol and pneumatic. We carry a huge range of ryobi power tool spare parts and accessories along with the latest range of tool. Compatible with. Ryobi Sprayer Parts Australia.
From www.homedepot.com
RYOBI ONE+ 18V 1 Gal. Replacement Tank for Sprayers ACES09 The Home Depot Ryobi Sprayer Parts Australia To order new seals for your garden sprayer,. Ryobi tools ows1880 complete parts list , repair information, exploded diagrams, free delivery*, same day dispatch. Fixing your ryobi power tools? Seals on garden sprayers are consumables and need to be replaced periodically. Tool spare parts now offers well over 250,000 individual machine and tool parts, including parts and accessories for ryobi. Ryobi Sprayer Parts Australia.
From www.scribd.com
Ryobi 18 Volt Chemical Sprayer Replacement Parts List and Diagram PDF Ryobi Sprayer Parts Australia We carry a huge range of ryobi power tool spare parts and accessories along with the latest range of tool. Ryobi tools ows1880 complete parts list , repair information, exploded diagrams, free delivery*, same day dispatch. Fixing your ryobi power tools? Compatible with ryobi sprayer models ows1880, ows1870, r18spr12, ows1815, obs1815, r36bps10, r18spr130. Seals on garden sprayers are consumables and. Ryobi Sprayer Parts Australia.
From design1systems.com
Exploring the Comprehensive Ryobi Ry253ss Parts Diagram A Handy Guide Ryobi Sprayer Parts Australia Yes, to order replacement parts, visit your local bunnings special orders desk with your unit’s model number. Seals on garden sprayers are consumables and need to be replaced periodically. We carry a huge range of ryobi power tool spare parts and accessories along with the latest range of tool. Fixing your ryobi power tools? Ryobi tools ows1880 complete parts list. Ryobi Sprayer Parts Australia.
From www.partstree.com
Ryobi P 2800 (107270001) Ryobi 18V Sprayer, Rev 04 (202108) General Ryobi Sprayer Parts Australia We carry a huge range of ryobi power tool spare parts and accessories along with the latest range of tool. Seals on garden sprayers are consumables and need to be replaced periodically. You can find your model number on the serial plate of the unit. To order new seals for your garden sprayer,. Yes, to order replacement parts, visit your. Ryobi Sprayer Parts Australia.
From www.toolpartspro.com
Buy Ryobi P650K Replacement Tool Parts Ryobi P650K Other tools in Ryobi Sprayer Parts Australia To order new seals for your garden sprayer,. Ryobi tools ows1880 complete parts list , repair information, exploded diagrams, free delivery*, same day dispatch. Compatible with ryobi sprayer models ows1880, ows1870, r18spr12, ows1815, obs1815, r36bps10, r18spr130. Yes, to order replacement parts, visit your local bunnings special orders desk with your unit’s model number. Need help with your ryobi garden sprayer?. Ryobi Sprayer Parts Australia.
From www.toolpartspro.com
Buy Ryobi P640K Replacement Tool Parts Ryobi P640K Other tools in Ryobi Sprayer Parts Australia Need help with your ryobi garden sprayer? Compatible with ryobi sprayer models ows1880, ows1870, r18spr12, ows1815, obs1815, r36bps10, r18spr130. To order new seals for your garden sprayer,. Yes, to order replacement parts, visit your local bunnings special orders desk with your unit’s model number. We carry a huge range of ryobi power tool spare parts and accessories along with the. Ryobi Sprayer Parts Australia.
From www.homedepot.com
RYOBI ONE+ 18V 1 Gal. Replacement Tank for Sprayers (2Pack) ACES092 Ryobi Sprayer Parts Australia Seals on garden sprayers are consumables and need to be replaced periodically. Ryobi tools ows1880 complete parts list , repair information, exploded diagrams, free delivery*, same day dispatch. To order new seals for your garden sprayer,. Fixing your ryobi power tools? Yes, to order replacement parts, visit your local bunnings special orders desk with your unit’s model number. Need help. Ryobi Sprayer Parts Australia.
From www.cbspowertools.com
Ryobi ONE+ Backpack Sprayer Starter Kit RY18BPSA150 Ryobi Sprayer Parts Australia Fixing your ryobi power tools? We carry a huge range of ryobi power tool spare parts and accessories along with the latest range of tool. You can find your model number on the serial plate of the unit. Need help with your ryobi garden sprayer? Tool spare parts now offers well over 250,000 individual machine and tool parts, including parts. Ryobi Sprayer Parts Australia.
From www.ebay.com
NEW GENUINE RYOBI TRIGGER WAND & HOSE 307479001 FOR P2800 P2810 P2803 Ryobi Sprayer Parts Australia Compatible with ryobi sprayer models ows1880, ows1870, r18spr12, ows1815, obs1815, r36bps10, r18spr130. Tool spare parts now offers well over 250,000 individual machine and tool parts, including parts and accessories for ryobi petrol and pneumatic. Yes, to order replacement parts, visit your local bunnings special orders desk with your unit’s model number. Need help with your ryobi garden sprayer? You can. Ryobi Sprayer Parts Australia.
From www.toolpartspro.com
Buy Ryobi FPR200 Replacement Tool Parts Ryobi FPR200 Other tools in Ryobi Sprayer Parts Australia Compatible with ryobi sprayer models ows1880, ows1870, r18spr12, ows1815, obs1815, r36bps10, r18spr130. Need help with your ryobi garden sprayer? To order new seals for your garden sprayer,. Seals on garden sprayers are consumables and need to be replaced periodically. You can find your model number on the serial plate of the unit. Yes, to order replacement parts, visit your local. Ryobi Sprayer Parts Australia.
From www.sears.com
Ryobi SSP100 Paint Sprayer 5 Pack Atomizer Valve Assembly 3032650045PK Ryobi Sprayer Parts Australia Yes, to order replacement parts, visit your local bunnings special orders desk with your unit’s model number. Compatible with ryobi sprayer models ows1880, ows1870, r18spr12, ows1815, obs1815, r36bps10, r18spr130. Seals on garden sprayers are consumables and need to be replaced periodically. Tool spare parts now offers well over 250,000 individual machine and tool parts, including parts and accessories for ryobi. Ryobi Sprayer Parts Australia.
From www.toolpartspro.com
Buy Ryobi SSP0501 Replacement Tool Parts Ryobi SSP0501 Diagram Ryobi Sprayer Parts Australia You can find your model number on the serial plate of the unit. Seals on garden sprayers are consumables and need to be replaced periodically. Yes, to order replacement parts, visit your local bunnings special orders desk with your unit’s model number. Tool spare parts now offers well over 250,000 individual machine and tool parts, including parts and accessories for. Ryobi Sprayer Parts Australia.
From www.bunnings.com.au
Ryobi One+ 18V 3.5L Weed Sprayer Skin Only Bunnings Australia Ryobi Sprayer Parts Australia To order new seals for your garden sprayer,. Fixing your ryobi power tools? Need help with your ryobi garden sprayer? Yes, to order replacement parts, visit your local bunnings special orders desk with your unit’s model number. Ryobi tools ows1880 complete parts list , repair information, exploded diagrams, free delivery*, same day dispatch. Tool spare parts now offers well over. Ryobi Sprayer Parts Australia.
From reviewmotors.co
Ryobi Australia Spare Parts Reviewmotors.co Ryobi Sprayer Parts Australia Fixing your ryobi power tools? Compatible with ryobi sprayer models ows1880, ows1870, r18spr12, ows1815, obs1815, r36bps10, r18spr130. We carry a huge range of ryobi power tool spare parts and accessories along with the latest range of tool. Ryobi tools ows1880 complete parts list , repair information, exploded diagrams, free delivery*, same day dispatch. Need help with your ryobi garden sprayer?. Ryobi Sprayer Parts Australia.
From www.partstree.com
Ryobi P 2800 (107270001) Ryobi 18V Sprayer General Assembly Parts Ryobi Sprayer Parts Australia Yes, to order replacement parts, visit your local bunnings special orders desk with your unit’s model number. Seals on garden sprayers are consumables and need to be replaced periodically. We carry a huge range of ryobi power tool spare parts and accessories along with the latest range of tool. Need help with your ryobi garden sprayer? You can find your. Ryobi Sprayer Parts Australia.
From www.mastertoolrepair.com
RYOBI Paint Sprayer Parts RAP200B, RYOBI Parts Ryobi Sprayer Parts Australia You can find your model number on the serial plate of the unit. Ryobi tools ows1880 complete parts list , repair information, exploded diagrams, free delivery*, same day dispatch. Fixing your ryobi power tools? Tool spare parts now offers well over 250,000 individual machine and tool parts, including parts and accessories for ryobi petrol and pneumatic. Yes, to order replacement. Ryobi Sprayer Parts Australia.
From www.obsessedgarage.com
Ryobi Sprayer and Wand Upgrade Kit Obsessed Garage Ryobi Sprayer Parts Australia To order new seals for your garden sprayer,. Compatible with ryobi sprayer models ows1880, ows1870, r18spr12, ows1815, obs1815, r36bps10, r18spr130. Tool spare parts now offers well over 250,000 individual machine and tool parts, including parts and accessories for ryobi petrol and pneumatic. Seals on garden sprayers are consumables and need to be replaced periodically. Need help with your ryobi garden. Ryobi Sprayer Parts Australia.
From www.partstree.com
Ryobi P 2804 (107370001) Ryobi 18V Backpack Sprayer, Rev 07 (201811 Ryobi Sprayer Parts Australia Fixing your ryobi power tools? Need help with your ryobi garden sprayer? Seals on garden sprayers are consumables and need to be replaced periodically. Compatible with ryobi sprayer models ows1880, ows1870, r18spr12, ows1815, obs1815, r36bps10, r18spr130. Yes, to order replacement parts, visit your local bunnings special orders desk with your unit’s model number. Tool spare parts now offers well over. Ryobi Sprayer Parts Australia.
From www.walmart.com
Ryobi Sprayer Parts Ryobi Sprayer Parts Australia You can find your model number on the serial plate of the unit. To order new seals for your garden sprayer,. Yes, to order replacement parts, visit your local bunnings special orders desk with your unit’s model number. Fixing your ryobi power tools? Ryobi tools ows1880 complete parts list , repair information, exploded diagrams, free delivery*, same day dispatch. Compatible. Ryobi Sprayer Parts Australia.
From www.partstree.com
Ryobi P 2800 (107270001) Ryobi 18V Sprayer Wiring Diagram Parts Ryobi Sprayer Parts Australia Tool spare parts now offers well over 250,000 individual machine and tool parts, including parts and accessories for ryobi petrol and pneumatic. Need help with your ryobi garden sprayer? Ryobi tools ows1880 complete parts list , repair information, exploded diagrams, free delivery*, same day dispatch. Fixing your ryobi power tools? Seals on garden sprayers are consumables and need to be. Ryobi Sprayer Parts Australia.
From www.toolpartspro.com
Buy Ryobi P2800(107270001) 18V ONE+™ 1 Gallon Chemical Sprayer WITH 1 Ryobi Sprayer Parts Australia Ryobi tools ows1880 complete parts list , repair information, exploded diagrams, free delivery*, same day dispatch. We carry a huge range of ryobi power tool spare parts and accessories along with the latest range of tool. Compatible with ryobi sprayer models ows1880, ows1870, r18spr12, ows1815, obs1815, r36bps10, r18spr130. Yes, to order replacement parts, visit your local bunnings special orders desk. Ryobi Sprayer Parts Australia.
From fixpartreinhardt.z6.web.core.windows.net
Ryobi P2810 Sprayer Parts Ryobi Sprayer Parts Australia Ryobi tools ows1880 complete parts list , repair information, exploded diagrams, free delivery*, same day dispatch. Fixing your ryobi power tools? We carry a huge range of ryobi power tool spare parts and accessories along with the latest range of tool. You can find your model number on the serial plate of the unit. Compatible with ryobi sprayer models ows1880,. Ryobi Sprayer Parts Australia.
From www.walmart.com
Ryobi P2804 Genuine OEM Replacement Spray Wand 313969001 Ryobi Sprayer Parts Australia Yes, to order replacement parts, visit your local bunnings special orders desk with your unit’s model number. Fixing your ryobi power tools? Compatible with ryobi sprayer models ows1880, ows1870, r18spr12, ows1815, obs1815, r36bps10, r18spr130. Ryobi tools ows1880 complete parts list , repair information, exploded diagrams, free delivery*, same day dispatch. We carry a huge range of ryobi power tool spare. Ryobi Sprayer Parts Australia.
From www.bunnings.com.au
Ryobi 18V ONE+ 2Ah 3.5L Garden Sprayer Kit Bunnings Australia Ryobi Sprayer Parts Australia Seals on garden sprayers are consumables and need to be replaced periodically. Need help with your ryobi garden sprayer? Yes, to order replacement parts, visit your local bunnings special orders desk with your unit’s model number. Tool spare parts now offers well over 250,000 individual machine and tool parts, including parts and accessories for ryobi petrol and pneumatic. We carry. Ryobi Sprayer Parts Australia.
From www.partstree.com
Ryobi P 2809 (107545001) Ryobi 18V Electrostatic Sprayer, Rev 04 Ryobi Sprayer Parts Australia Ryobi tools ows1880 complete parts list , repair information, exploded diagrams, free delivery*, same day dispatch. Tool spare parts now offers well over 250,000 individual machine and tool parts, including parts and accessories for ryobi petrol and pneumatic. Yes, to order replacement parts, visit your local bunnings special orders desk with your unit’s model number. We carry a huge range. Ryobi Sprayer Parts Australia.
From www.walmart.com
Ryobi RY14122 Replacement Spray Wand 308494065 Ryobi Sprayer Parts Australia Tool spare parts now offers well over 250,000 individual machine and tool parts, including parts and accessories for ryobi petrol and pneumatic. Fixing your ryobi power tools? Compatible with ryobi sprayer models ows1880, ows1870, r18spr12, ows1815, obs1815, r36bps10, r18spr130. We carry a huge range of ryobi power tool spare parts and accessories along with the latest range of tool. Need. Ryobi Sprayer Parts Australia.