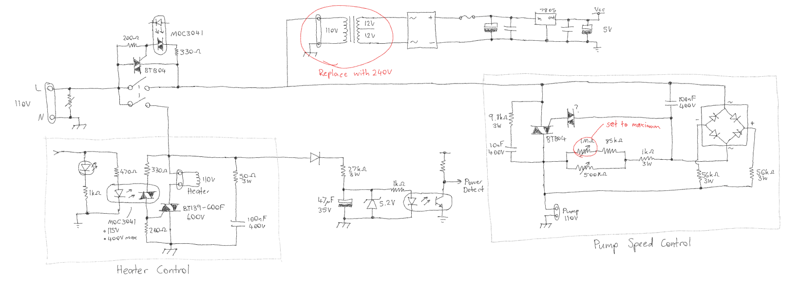
Rework Station Diagram . The smd rework station circuit diagram is a complex schematic that outlines the various components used in an smd hot air rework setup. In this instructable you can learn how to make a hot air gun controller using arduino and other common components. Thank you for purchasing the hakko 852 smd rework station. Smd rrework station with vacuum pickup. The following tips will fit the tc50 soldering iron.
from www.myxxgirl.com
Thank you for purchasing the hakko 852 smd rework station. The following tips will fit the tc50 soldering iron. The smd rework station circuit diagram is a complex schematic that outlines the various components used in an smd hot air rework setup. Smd rrework station with vacuum pickup. In this instructable you can learn how to make a hot air gun controller using arduino and other common components.
8pin Hot Air Soldering Station Schematic My XXX Hot Girl
Rework Station Diagram Thank you for purchasing the hakko 852 smd rework station. The following tips will fit the tc50 soldering iron. In this instructable you can learn how to make a hot air gun controller using arduino and other common components. Thank you for purchasing the hakko 852 smd rework station. Smd rrework station with vacuum pickup. The smd rework station circuit diagram is a complex schematic that outlines the various components used in an smd hot air rework setup.
From www.restiumani.it
Hot Air Rework Station Circuit Diagram Diagram Restiumani Resume Rework Station Diagram The following tips will fit the tc50 soldering iron. Thank you for purchasing the hakko 852 smd rework station. Smd rrework station with vacuum pickup. In this instructable you can learn how to make a hot air gun controller using arduino and other common components. The smd rework station circuit diagram is a complex schematic that outlines the various components. Rework Station Diagram.
From www.pcbdirectory.com
What is SMT Rework Station? PCB Directory Rework Station Diagram Thank you for purchasing the hakko 852 smd rework station. In this instructable you can learn how to make a hot air gun controller using arduino and other common components. The smd rework station circuit diagram is a complex schematic that outlines the various components used in an smd hot air rework setup. The following tips will fit the tc50. Rework Station Diagram.
From megatronics.in
SMD REWORK STATION megatronics Rework Station Diagram Smd rrework station with vacuum pickup. In this instructable you can learn how to make a hot air gun controller using arduino and other common components. The following tips will fit the tc50 soldering iron. The smd rework station circuit diagram is a complex schematic that outlines the various components used in an smd hot air rework setup. Thank you. Rework Station Diagram.
From device.report
858D SMD Rework Station User Manual Parameters, Usage & Precautions Rework Station Diagram The following tips will fit the tc50 soldering iron. In this instructable you can learn how to make a hot air gun controller using arduino and other common components. Smd rrework station with vacuum pickup. Thank you for purchasing the hakko 852 smd rework station. The smd rework station circuit diagram is a complex schematic that outlines the various components. Rework Station Diagram.
From www.aixuntech.com
The Basics You Should Know About Rework Station_AiXun Rework Station Diagram Smd rrework station with vacuum pickup. The following tips will fit the tc50 soldering iron. Thank you for purchasing the hakko 852 smd rework station. In this instructable you can learn how to make a hot air gun controller using arduino and other common components. The smd rework station circuit diagram is a complex schematic that outlines the various components. Rework Station Diagram.
From guidepartkirsch.z21.web.core.windows.net
Hot Air Rework Station Circuit Diagram Rework Station Diagram The following tips will fit the tc50 soldering iron. Smd rrework station with vacuum pickup. The smd rework station circuit diagram is a complex schematic that outlines the various components used in an smd hot air rework setup. Thank you for purchasing the hakko 852 smd rework station. In this instructable you can learn how to make a hot air. Rework Station Diagram.
From www.slideserve.com
PPT BGA Rework Stations Why Are They Booming In Popularity Rework Station Diagram Smd rrework station with vacuum pickup. The following tips will fit the tc50 soldering iron. The smd rework station circuit diagram is a complex schematic that outlines the various components used in an smd hot air rework setup. Thank you for purchasing the hakko 852 smd rework station. In this instructable you can learn how to make a hot air. Rework Station Diagram.
From jestineyong.com
Replacing Bad WEP898D Heater Gun (SMD Rework Station) Electronics Rework Station Diagram Thank you for purchasing the hakko 852 smd rework station. In this instructable you can learn how to make a hot air gun controller using arduino and other common components. The smd rework station circuit diagram is a complex schematic that outlines the various components used in an smd hot air rework setup. Smd rrework station with vacuum pickup. The. Rework Station Diagram.
From www.hackster.io
DIY SMD Rework Station Hackster.io Rework Station Diagram The following tips will fit the tc50 soldering iron. Thank you for purchasing the hakko 852 smd rework station. In this instructable you can learn how to make a hot air gun controller using arduino and other common components. The smd rework station circuit diagram is a complex schematic that outlines the various components used in an smd hot air. Rework Station Diagram.
From www.gsmeasyshop.com
SUGON T26D 80W Soldering Station Leadfree Welding Rework Station with Rework Station Diagram Thank you for purchasing the hakko 852 smd rework station. In this instructable you can learn how to make a hot air gun controller using arduino and other common components. The smd rework station circuit diagram is a complex schematic that outlines the various components used in an smd hot air rework setup. Smd rrework station with vacuum pickup. The. Rework Station Diagram.
From peacecommission.kdsg.gov.ng
Smd Rework Station Circuit Diagram Rework Station Diagram Smd rrework station with vacuum pickup. Thank you for purchasing the hakko 852 smd rework station. In this instructable you can learn how to make a hot air gun controller using arduino and other common components. The following tips will fit the tc50 soldering iron. The smd rework station circuit diagram is a complex schematic that outlines the various components. Rework Station Diagram.
From www.organised-sound.com
Rework Station Schematic Diagram Wiring Diagram Rework Station Diagram The smd rework station circuit diagram is a complex schematic that outlines the various components used in an smd hot air rework setup. Thank you for purchasing the hakko 852 smd rework station. In this instructable you can learn how to make a hot air gun controller using arduino and other common components. The following tips will fit the tc50. Rework Station Diagram.
From www.pcb-repair.com
E6250U BGA Rework Station Precision PCB Services Rework Station Diagram The smd rework station circuit diagram is a complex schematic that outlines the various components used in an smd hot air rework setup. In this instructable you can learn how to make a hot air gun controller using arduino and other common components. Thank you for purchasing the hakko 852 smd rework station. Smd rrework station with vacuum pickup. The. Rework Station Diagram.
From solderingtech.medium.com
What is a rework station? Soldering Tools & Technology Medium Rework Station Diagram The following tips will fit the tc50 soldering iron. The smd rework station circuit diagram is a complex schematic that outlines the various components used in an smd hot air rework setup. Smd rrework station with vacuum pickup. In this instructable you can learn how to make a hot air gun controller using arduino and other common components. Thank you. Rework Station Diagram.
From dokumen.tips
(PDF) Premium Complete Rework station with Pneumatic Pump · Premium Rework Station Diagram In this instructable you can learn how to make a hot air gun controller using arduino and other common components. The smd rework station circuit diagram is a complex schematic that outlines the various components used in an smd hot air rework setup. The following tips will fit the tc50 soldering iron. Smd rrework station with vacuum pickup. Thank you. Rework Station Diagram.
From www.shop.mobilecellphonerepairing.com
Quick 858D Hot Air SMD Rework Station Buy Quick 858D Online Rework Station Diagram The smd rework station circuit diagram is a complex schematic that outlines the various components used in an smd hot air rework setup. In this instructable you can learn how to make a hot air gun controller using arduino and other common components. Thank you for purchasing the hakko 852 smd rework station. The following tips will fit the tc50. Rework Station Diagram.
From jbinstruments.com
High Grade 858D Rework Station Rework Station Diagram The following tips will fit the tc50 soldering iron. Thank you for purchasing the hakko 852 smd rework station. In this instructable you can learn how to make a hot air gun controller using arduino and other common components. Smd rrework station with vacuum pickup. The smd rework station circuit diagram is a complex schematic that outlines the various components. Rework Station Diagram.
From www.epfl.ch
Rework station ‒ PAT STI ‐ EPFL Rework Station Diagram The smd rework station circuit diagram is a complex schematic that outlines the various components used in an smd hot air rework setup. In this instructable you can learn how to make a hot air gun controller using arduino and other common components. Smd rrework station with vacuum pickup. Thank you for purchasing the hakko 852 smd rework station. The. Rework Station Diagram.
From manuallibraryworrying.z14.web.core.windows.net
Hot Air Rework Station Circuit Diagram Rework Station Diagram The smd rework station circuit diagram is a complex schematic that outlines the various components used in an smd hot air rework setup. The following tips will fit the tc50 soldering iron. Thank you for purchasing the hakko 852 smd rework station. In this instructable you can learn how to make a hot air gun controller using arduino and other. Rework Station Diagram.
From www.slideserve.com
PPT BGA Rework Stations Why Are They Booming In Popularity Rework Station Diagram The smd rework station circuit diagram is a complex schematic that outlines the various components used in an smd hot air rework setup. Thank you for purchasing the hakko 852 smd rework station. Smd rrework station with vacuum pickup. The following tips will fit the tc50 soldering iron. In this instructable you can learn how to make a hot air. Rework Station Diagram.
From www.myxxgirl.com
8pin Hot Air Soldering Station Schematic My XXX Hot Girl Rework Station Diagram In this instructable you can learn how to make a hot air gun controller using arduino and other common components. The smd rework station circuit diagram is a complex schematic that outlines the various components used in an smd hot air rework setup. Smd rrework station with vacuum pickup. Thank you for purchasing the hakko 852 smd rework station. The. Rework Station Diagram.
From wiring.ekocraft-appleleaf.com
Smd Rework Station Circuit Diagram Wiring Diagram Rework Station Diagram In this instructable you can learn how to make a hot air gun controller using arduino and other common components. The following tips will fit the tc50 soldering iron. Smd rrework station with vacuum pickup. Thank you for purchasing the hakko 852 smd rework station. The smd rework station circuit diagram is a complex schematic that outlines the various components. Rework Station Diagram.
From www.siroliverlimo.com
20 in 1 Reballing kit ACHI IR6500 Infrared BGA Rework Station for Rework Station Diagram Smd rrework station with vacuum pickup. Thank you for purchasing the hakko 852 smd rework station. The following tips will fit the tc50 soldering iron. In this instructable you can learn how to make a hot air gun controller using arduino and other common components. The smd rework station circuit diagram is a complex schematic that outlines the various components. Rework Station Diagram.
From www.pcbdirectory.com
What is SMT Rework Station? PCB Directory Rework Station Diagram In this instructable you can learn how to make a hot air gun controller using arduino and other common components. The smd rework station circuit diagram is a complex schematic that outlines the various components used in an smd hot air rework setup. Thank you for purchasing the hakko 852 smd rework station. Smd rrework station with vacuum pickup. The. Rework Station Diagram.
From www.versatelnetworks.com
Hot Air Rework Station Schematic News Current Station In The Word Rework Station Diagram The smd rework station circuit diagram is a complex schematic that outlines the various components used in an smd hot air rework setup. Thank you for purchasing the hakko 852 smd rework station. Smd rrework station with vacuum pickup. In this instructable you can learn how to make a hot air gun controller using arduino and other common components. The. Rework Station Diagram.
From www.ecplaza.net
BGA Rework Station Of T890 TAIAN PUHUI ELECTRIC TECHNOLOGY CO. ,LTD Rework Station Diagram In this instructable you can learn how to make a hot air gun controller using arduino and other common components. Thank you for purchasing the hakko 852 smd rework station. The smd rework station circuit diagram is a complex schematic that outlines the various components used in an smd hot air rework setup. The following tips will fit the tc50. Rework Station Diagram.
From guidemanualaerialists.z21.web.core.windows.net
Hot Air Rework Station Circuit Diagram Rework Station Diagram Smd rrework station with vacuum pickup. The smd rework station circuit diagram is a complex schematic that outlines the various components used in an smd hot air rework setup. Thank you for purchasing the hakko 852 smd rework station. The following tips will fit the tc50 soldering iron. In this instructable you can learn how to make a hot air. Rework Station Diagram.
From elektrotanya.com
BAKU 858D SMD REWORK STATION SCH Service Manual download, schematics Rework Station Diagram The smd rework station circuit diagram is a complex schematic that outlines the various components used in an smd hot air rework setup. Thank you for purchasing the hakko 852 smd rework station. The following tips will fit the tc50 soldering iron. Smd rrework station with vacuum pickup. In this instructable you can learn how to make a hot air. Rework Station Diagram.
From enginewiringcarla.z19.web.core.windows.net
Hot Air Rework Station Circuit Diagram Rework Station Diagram The smd rework station circuit diagram is a complex schematic that outlines the various components used in an smd hot air rework setup. In this instructable you can learn how to make a hot air gun controller using arduino and other common components. The following tips will fit the tc50 soldering iron. Smd rrework station with vacuum pickup. Thank you. Rework Station Diagram.
From www.voltlog.com
Voltlog 256 Best BST863 Hot Air Rework Station (Alternative to Rework Station Diagram The smd rework station circuit diagram is a complex schematic that outlines the various components used in an smd hot air rework setup. Thank you for purchasing the hakko 852 smd rework station. Smd rrework station with vacuum pickup. The following tips will fit the tc50 soldering iron. In this instructable you can learn how to make a hot air. Rework Station Diagram.
From wiringwiringpardee.z13.web.core.windows.net
Smd Rework Station Circuit Diagram Rework Station Diagram In this instructable you can learn how to make a hot air gun controller using arduino and other common components. Smd rrework station with vacuum pickup. Thank you for purchasing the hakko 852 smd rework station. The following tips will fit the tc50 soldering iron. The smd rework station circuit diagram is a complex schematic that outlines the various components. Rework Station Diagram.
From enginelistdrescher.z19.web.core.windows.net
Hot Air Rework Station Circuit Diagram Rework Station Diagram The following tips will fit the tc50 soldering iron. Thank you for purchasing the hakko 852 smd rework station. In this instructable you can learn how to make a hot air gun controller using arduino and other common components. Smd rrework station with vacuum pickup. The smd rework station circuit diagram is a complex schematic that outlines the various components. Rework Station Diagram.
From guidewiringscented.z14.web.core.windows.net
Smd Rework Station Circuit Diagram Rework Station Diagram The smd rework station circuit diagram is a complex schematic that outlines the various components used in an smd hot air rework setup. Thank you for purchasing the hakko 852 smd rework station. In this instructable you can learn how to make a hot air gun controller using arduino and other common components. The following tips will fit the tc50. Rework Station Diagram.
From dokumen.tips
(PDF) SMD Rework Station Instruction ManualSMD Rework Station Rework Station Diagram In this instructable you can learn how to make a hot air gun controller using arduino and other common components. The following tips will fit the tc50 soldering iron. Thank you for purchasing the hakko 852 smd rework station. The smd rework station circuit diagram is a complex schematic that outlines the various components used in an smd hot air. Rework Station Diagram.
From www.tescaglobal.com
Complete Rework Station Rework Station Diagram Smd rrework station with vacuum pickup. Thank you for purchasing the hakko 852 smd rework station. In this instructable you can learn how to make a hot air gun controller using arduino and other common components. The following tips will fit the tc50 soldering iron. The smd rework station circuit diagram is a complex schematic that outlines the various components. Rework Station Diagram.