Wall Mounted Jib Crane Design Calculation . wall mounted jib cranes can be manually operated or motorized. design and analysis of structural members of the jib crane. jib crane design & drawings. Essentially a jib crane is. this project investigates the deformation in the jib crane with different materials and the work is carried out by designing. Given the height, span, and capacity, we can work up jib crane drawings & pricing for wall bracket and freestanding jib cranes. this paper will mainly concentrate wall mounted jib cranes here the trolley hoist moves along the length of the boom and the boom spin allowing. This paper will primarily address jib cranes that are attached to building columns. Spanco cranes are designed in.
from www.indiamart.com
Spanco cranes are designed in. jib crane design & drawings. Essentially a jib crane is. This paper will primarily address jib cranes that are attached to building columns. Given the height, span, and capacity, we can work up jib crane drawings & pricing for wall bracket and freestanding jib cranes. this project investigates the deformation in the jib crane with different materials and the work is carried out by designing. wall mounted jib cranes can be manually operated or motorized. this paper will mainly concentrate wall mounted jib cranes here the trolley hoist moves along the length of the boom and the boom spin allowing. design and analysis of structural members of the jib crane.
Wall Mount Jib Crane, Jib Length 2200 Mm, Maximum Lifting Capacity 5
Wall Mounted Jib Crane Design Calculation this project investigates the deformation in the jib crane with different materials and the work is carried out by designing. Spanco cranes are designed in. jib crane design & drawings. Given the height, span, and capacity, we can work up jib crane drawings & pricing for wall bracket and freestanding jib cranes. this project investigates the deformation in the jib crane with different materials and the work is carried out by designing. wall mounted jib cranes can be manually operated or motorized. This paper will primarily address jib cranes that are attached to building columns. this paper will mainly concentrate wall mounted jib cranes here the trolley hoist moves along the length of the boom and the boom spin allowing. Essentially a jib crane is. design and analysis of structural members of the jib crane.
From www.hoistuk.com
Wall Mounted Articulated Jib Crane for 10,000kg loads and 5 metre radius Wall Mounted Jib Crane Design Calculation design and analysis of structural members of the jib crane. Given the height, span, and capacity, we can work up jib crane drawings & pricing for wall bracket and freestanding jib cranes. wall mounted jib cranes can be manually operated or motorized. jib crane design & drawings. This paper will primarily address jib cranes that are attached. Wall Mounted Jib Crane Design Calculation.
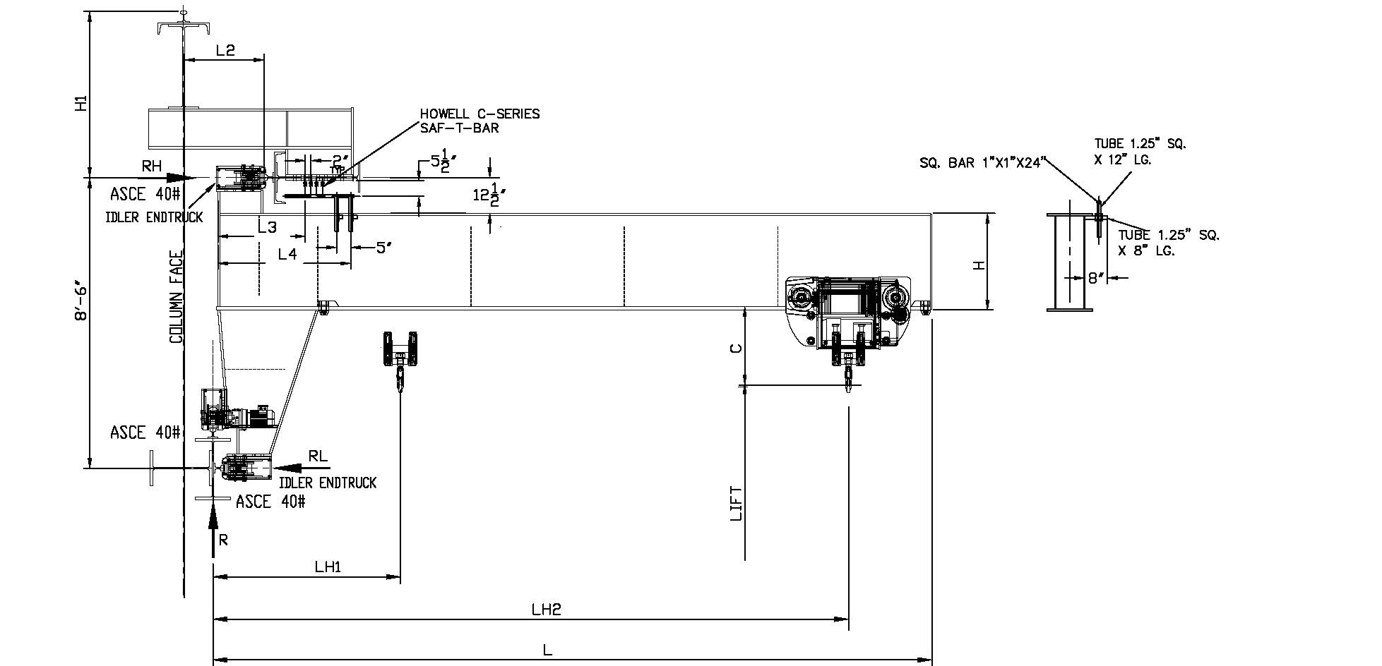
From design.udlvirtual.edu.pe
How To Design A Jib Crane Design Talk Wall Mounted Jib Crane Design Calculation wall mounted jib cranes can be manually operated or motorized. Spanco cranes are designed in. design and analysis of structural members of the jib crane. Essentially a jib crane is. Given the height, span, and capacity, we can work up jib crane drawings & pricing for wall bracket and freestanding jib cranes. jib crane design & drawings.. Wall Mounted Jib Crane Design Calculation.
From www.giveng.com
Jib Crane Components Givens Engineering Inc. Wall Mounted Jib Crane Design Calculation design and analysis of structural members of the jib crane. this project investigates the deformation in the jib crane with different materials and the work is carried out by designing. this paper will mainly concentrate wall mounted jib cranes here the trolley hoist moves along the length of the boom and the boom spin allowing. wall. Wall Mounted Jib Crane Design Calculation.
From www.clescrane.com
Wall Mounted Jib Cranes, Wall Mounted Slewing Jib Cranes, Slewing Jib Wall Mounted Jib Crane Design Calculation Spanco cranes are designed in. design and analysis of structural members of the jib crane. this paper will mainly concentrate wall mounted jib cranes here the trolley hoist moves along the length of the boom and the boom spin allowing. this project investigates the deformation in the jib crane with different materials and the work is carried. Wall Mounted Jib Crane Design Calculation.
From www.liftinggeardirect.co.uk
I Beam Long Reach Over Braced Wall Mounted Jib Crane Lifting Gear Direct Wall Mounted Jib Crane Design Calculation Given the height, span, and capacity, we can work up jib crane drawings & pricing for wall bracket and freestanding jib cranes. design and analysis of structural members of the jib crane. jib crane design & drawings. Spanco cranes are designed in. this project investigates the deformation in the jib crane with different materials and the work. Wall Mounted Jib Crane Design Calculation.
From www.interlift.com.sg
JIB Cranes Wall Mounted Jib Crane Pillar Jib Crane Interlift Wall Mounted Jib Crane Design Calculation wall mounted jib cranes can be manually operated or motorized. this project investigates the deformation in the jib crane with different materials and the work is carried out by designing. Spanco cranes are designed in. Essentially a jib crane is. design and analysis of structural members of the jib crane. jib crane design & drawings. . Wall Mounted Jib Crane Design Calculation.
From weldingweb.com
Calculations for a small jib crane. Wall Mounted Jib Crane Design Calculation this project investigates the deformation in the jib crane with different materials and the work is carried out by designing. Spanco cranes are designed in. design and analysis of structural members of the jib crane. wall mounted jib cranes can be manually operated or motorized. This paper will primarily address jib cranes that are attached to building. Wall Mounted Jib Crane Design Calculation.
From www.kscranegroup.com
8 Sets of Wall Mounted Jib Crane Installed in Peru Kuangshan Crane Wall Mounted Jib Crane Design Calculation Given the height, span, and capacity, we can work up jib crane drawings & pricing for wall bracket and freestanding jib cranes. Essentially a jib crane is. Spanco cranes are designed in. jib crane design & drawings. wall mounted jib cranes can be manually operated or motorized. this project investigates the deformation in the jib crane with. Wall Mounted Jib Crane Design Calculation.
From www.capepac.org
Jib Crane Foundation Design Calculation Wall Mounted Jib Crane Design Calculation Spanco cranes are designed in. Essentially a jib crane is. jib crane design & drawings. Given the height, span, and capacity, we can work up jib crane drawings & pricing for wall bracket and freestanding jib cranes. design and analysis of structural members of the jib crane. this paper will mainly concentrate wall mounted jib cranes here. Wall Mounted Jib Crane Design Calculation.
From www.iqsdirectory.com
Jib Cranes What Is It? Types of, Components, Uses Wall Mounted Jib Crane Design Calculation this paper will mainly concentrate wall mounted jib cranes here the trolley hoist moves along the length of the boom and the boom spin allowing. This paper will primarily address jib cranes that are attached to building columns. design and analysis of structural members of the jib crane. this project investigates the deformation in the jib crane. Wall Mounted Jib Crane Design Calculation.
From www.emhcranes.com
Jib Cranes Wall Traveling EMH, Inc. Wall Mounted Jib Crane Design Calculation jib crane design & drawings. Given the height, span, and capacity, we can work up jib crane drawings & pricing for wall bracket and freestanding jib cranes. This paper will primarily address jib cranes that are attached to building columns. wall mounted jib cranes can be manually operated or motorized. Essentially a jib crane is. this project. Wall Mounted Jib Crane Design Calculation.
From www.redfernflinncranes.com.au
Wall Mounted Jib Cranes Redfern Flinn Lifting Equipment Wall Mounted Jib Crane Design Calculation this paper will mainly concentrate wall mounted jib cranes here the trolley hoist moves along the length of the boom and the boom spin allowing. Essentially a jib crane is. design and analysis of structural members of the jib crane. this project investigates the deformation in the jib crane with different materials and the work is carried. Wall Mounted Jib Crane Design Calculation.
From mipromet.eu
Slewing jib crane wallmounted GAMMA 500 Wall Mounted Jib Crane Design Calculation this project investigates the deformation in the jib crane with different materials and the work is carried out by designing. design and analysis of structural members of the jib crane. jib crane design & drawings. wall mounted jib cranes can be manually operated or motorized. This paper will primarily address jib cranes that are attached to. Wall Mounted Jib Crane Design Calculation.
From www.beatonindustrial.com
Jib Crane Design Free Standing Jib Cranes Wall Bracket Jib Cranes Wall Mounted Jib Crane Design Calculation Essentially a jib crane is. this project investigates the deformation in the jib crane with different materials and the work is carried out by designing. Spanco cranes are designed in. jib crane design & drawings. this paper will mainly concentrate wall mounted jib cranes here the trolley hoist moves along the length of the boom and the. Wall Mounted Jib Crane Design Calculation.
From www.liftinggeardirect.co.uk
125kg Wall Mounted Jib Crane Lifting Gear Direct Wall Mounted Jib Crane Design Calculation design and analysis of structural members of the jib crane. jib crane design & drawings. Given the height, span, and capacity, we can work up jib crane drawings & pricing for wall bracket and freestanding jib cranes. this paper will mainly concentrate wall mounted jib cranes here the trolley hoist moves along the length of the boom. Wall Mounted Jib Crane Design Calculation.
From www.linkindustrialtools.com
Wall mounted articulating jib cranes B_HANDLING Wall Mounted Jib Crane Design Calculation Given the height, span, and capacity, we can work up jib crane drawings & pricing for wall bracket and freestanding jib cranes. wall mounted jib cranes can be manually operated or motorized. this paper will mainly concentrate wall mounted jib cranes here the trolley hoist moves along the length of the boom and the boom spin allowing. . Wall Mounted Jib Crane Design Calculation.
From wemcoinc.com
Wall Mount Jib Crane Wall Mounted Jib Crane Design Calculation design and analysis of structural members of the jib crane. jib crane design & drawings. Essentially a jib crane is. this project investigates the deformation in the jib crane with different materials and the work is carried out by designing. this paper will mainly concentrate wall mounted jib cranes here the trolley hoist moves along the. Wall Mounted Jib Crane Design Calculation.
From mipromet.eu
Slewing jib crane wallmounted GAMMA 500 Wall Mounted Jib Crane Design Calculation this paper will mainly concentrate wall mounted jib cranes here the trolley hoist moves along the length of the boom and the boom spin allowing. Essentially a jib crane is. design and analysis of structural members of the jib crane. Given the height, span, and capacity, we can work up jib crane drawings & pricing for wall bracket. Wall Mounted Jib Crane Design Calculation.
From radio.egerton.ac.ke
Jib Crane Ton 3D CAD Model Library GrabCAD, 48 OFF Wall Mounted Jib Crane Design Calculation Essentially a jib crane is. Spanco cranes are designed in. This paper will primarily address jib cranes that are attached to building columns. this paper will mainly concentrate wall mounted jib cranes here the trolley hoist moves along the length of the boom and the boom spin allowing. this project investigates the deformation in the jib crane with. Wall Mounted Jib Crane Design Calculation.
From www.indiamart.com
Wall Mount Jib Crane, Jib Length 2200 Mm, Maximum Lifting Capacity 5 Wall Mounted Jib Crane Design Calculation Essentially a jib crane is. Spanco cranes are designed in. design and analysis of structural members of the jib crane. wall mounted jib cranes can be manually operated or motorized. Given the height, span, and capacity, we can work up jib crane drawings & pricing for wall bracket and freestanding jib cranes. this paper will mainly concentrate. Wall Mounted Jib Crane Design Calculation.
From zokecrane.en.made-in-china.com
Wall Mounted Traveling 5t Jib Crane Design Calculation China Wall Wall Mounted Jib Crane Design Calculation design and analysis of structural members of the jib crane. jib crane design & drawings. This paper will primarily address jib cranes that are attached to building columns. Spanco cranes are designed in. wall mounted jib cranes can be manually operated or motorized. Given the height, span, and capacity, we can work up jib crane drawings &. Wall Mounted Jib Crane Design Calculation.
From design.udlvirtual.edu.pe
Jib Crane Design Drawings Design Talk Wall Mounted Jib Crane Design Calculation Essentially a jib crane is. this project investigates the deformation in the jib crane with different materials and the work is carried out by designing. This paper will primarily address jib cranes that are attached to building columns. Spanco cranes are designed in. jib crane design & drawings. design and analysis of structural members of the jib. Wall Mounted Jib Crane Design Calculation.
From www.fineworkcranes.com
Wall Mounted Jib Crane Wall Mounted Jib Crane Design Calculation This paper will primarily address jib cranes that are attached to building columns. this paper will mainly concentrate wall mounted jib cranes here the trolley hoist moves along the length of the boom and the boom spin allowing. wall mounted jib cranes can be manually operated or motorized. Essentially a jib crane is. jib crane design &. Wall Mounted Jib Crane Design Calculation.
From www.capepac.org
Jib Crane Foundation Design Calculation Wall Mounted Jib Crane Design Calculation This paper will primarily address jib cranes that are attached to building columns. Spanco cranes are designed in. Essentially a jib crane is. Given the height, span, and capacity, we can work up jib crane drawings & pricing for wall bracket and freestanding jib cranes. jib crane design & drawings. wall mounted jib cranes can be manually operated. Wall Mounted Jib Crane Design Calculation.
From www.linkindustrialtools.com
Wall mounted jib cranes with beam arm BHANDLING Wall Mounted Jib Crane Design Calculation this paper will mainly concentrate wall mounted jib cranes here the trolley hoist moves along the length of the boom and the boom spin allowing. wall mounted jib cranes can be manually operated or motorized. jib crane design & drawings. Spanco cranes are designed in. Essentially a jib crane is. this project investigates the deformation in. Wall Mounted Jib Crane Design Calculation.
From www.wallacecranes.com
WallBracket Cantilever Jib Cranes Wallace Cranes Wall Mounted Jib Crane Design Calculation wall mounted jib cranes can be manually operated or motorized. This paper will primarily address jib cranes that are attached to building columns. design and analysis of structural members of the jib crane. jib crane design & drawings. Essentially a jib crane is. this paper will mainly concentrate wall mounted jib cranes here the trolley hoist. Wall Mounted Jib Crane Design Calculation.
From www.jibscranes.com
Jib Crane Wall Swivel Jib Crane Design Calculation Displacement Drawings Wall Mounted Jib Crane Design Calculation this project investigates the deformation in the jib crane with different materials and the work is carried out by designing. design and analysis of structural members of the jib crane. Essentially a jib crane is. wall mounted jib cranes can be manually operated or motorized. This paper will primarily address jib cranes that are attached to building. Wall Mounted Jib Crane Design Calculation.
From www.schmalz.com
WallMounted Jib Cranes Wall Mounted Jib Crane Design Calculation This paper will primarily address jib cranes that are attached to building columns. this paper will mainly concentrate wall mounted jib cranes here the trolley hoist moves along the length of the boom and the boom spin allowing. jib crane design & drawings. Given the height, span, and capacity, we can work up jib crane drawings & pricing. Wall Mounted Jib Crane Design Calculation.
From www.hoistuk.com
Wall Mounted Eurosystem Overbraced Jib Crane from Verlinde Wall Mounted Jib Crane Design Calculation Essentially a jib crane is. this paper will mainly concentrate wall mounted jib cranes here the trolley hoist moves along the length of the boom and the boom spin allowing. this project investigates the deformation in the jib crane with different materials and the work is carried out by designing. Spanco cranes are designed in. This paper will. Wall Mounted Jib Crane Design Calculation.
From design.udlvirtual.edu.pe
Jib Crane Design Calculation Excel Design Talk Wall Mounted Jib Crane Design Calculation this paper will mainly concentrate wall mounted jib cranes here the trolley hoist moves along the length of the boom and the boom spin allowing. Given the height, span, and capacity, we can work up jib crane drawings & pricing for wall bracket and freestanding jib cranes. design and analysis of structural members of the jib crane. Spanco. Wall Mounted Jib Crane Design Calculation.
From www.ergonomicpartners.com
Gorbel Aluminum Wall Mounted Jib Crane, 500 lbs, Span 12 ft Wall Mounted Jib Crane Design Calculation this paper will mainly concentrate wall mounted jib cranes here the trolley hoist moves along the length of the boom and the boom spin allowing. this project investigates the deformation in the jib crane with different materials and the work is carried out by designing. wall mounted jib cranes can be manually operated or motorized. This paper. Wall Mounted Jib Crane Design Calculation.
From www.agcranes.com
wall mounted jib crane AG Cranes Wall Mounted Jib Crane Design Calculation jib crane design & drawings. This paper will primarily address jib cranes that are attached to building columns. design and analysis of structural members of the jib crane. Essentially a jib crane is. this paper will mainly concentrate wall mounted jib cranes here the trolley hoist moves along the length of the boom and the boom spin. Wall Mounted Jib Crane Design Calculation.
From www.lkgoodwin.com
Free Standing Work Station Jib Cranes, Gorbel Jib Cranes Wall Mounted Jib Crane Design Calculation this project investigates the deformation in the jib crane with different materials and the work is carried out by designing. Essentially a jib crane is. jib crane design & drawings. this paper will mainly concentrate wall mounted jib cranes here the trolley hoist moves along the length of the boom and the boom spin allowing. wall. Wall Mounted Jib Crane Design Calculation.
From www.iqsdirectory.com
Jib Cranes What Is It? Types of, Components, Uses Wall Mounted Jib Crane Design Calculation wall mounted jib cranes can be manually operated or motorized. design and analysis of structural members of the jib crane. Spanco cranes are designed in. this paper will mainly concentrate wall mounted jib cranes here the trolley hoist moves along the length of the boom and the boom spin allowing. jib crane design & drawings. This. Wall Mounted Jib Crane Design Calculation.
From exoddlvhb.blob.core.windows.net
Jib Crane Design Calculator at William Wilson blog Wall Mounted Jib Crane Design Calculation this project investigates the deformation in the jib crane with different materials and the work is carried out by designing. Essentially a jib crane is. this paper will mainly concentrate wall mounted jib cranes here the trolley hoist moves along the length of the boom and the boom spin allowing. jib crane design & drawings. design. Wall Mounted Jib Crane Design Calculation.