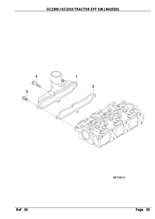
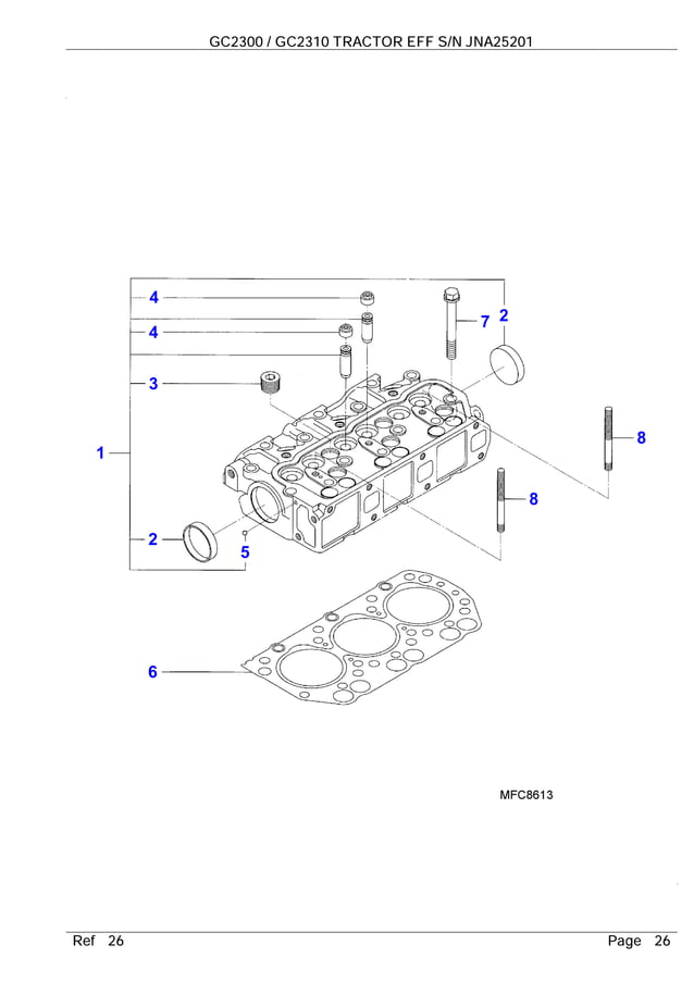
Massey Ferguson Gc2310 Steering Parts Diagram . this parts catalog outlines every part on your massey ferguson gc2300 / gc2310 tractor. this manual describes and illustrates assemblies, subassemblies, and detail parts needed for service replacement. the massey ferguson gc2310 parts diagram provides a detailed breakdown of all the different groups and subgroups of parts, as. Lots of photographs, illustrations etc. With our web and mobile application versions of our agco parts books. Complete with exploded views, diagrams, part numbers, and part. this document is an exploded diagram parts manual for a massey ferguson gc2300/gc2310 tractor engine. massey ferguson parts lookup that allows you to find genuine parts for your massey ferguson gc2310. get access to replacement parts information for your massey ferguson at any time. It covers every part of your massey. this document provides part numbers and descriptions for engine components of massey ferguson gc2300/gc2310 tractors.
from massey-fergusonparts.com
massey ferguson parts lookup that allows you to find genuine parts for your massey ferguson gc2310. the massey ferguson gc2310 parts diagram provides a detailed breakdown of all the different groups and subgroups of parts, as. Complete with exploded views, diagrams, part numbers, and part. With our web and mobile application versions of our agco parts books. this document is an exploded diagram parts manual for a massey ferguson gc2300/gc2310 tractor engine. this document provides part numbers and descriptions for engine components of massey ferguson gc2300/gc2310 tractors. get access to replacement parts information for your massey ferguson at any time. this manual describes and illustrates assemblies, subassemblies, and detail parts needed for service replacement. this parts catalog outlines every part on your massey ferguson gc2300 / gc2310 tractor. It covers every part of your massey.
12011619 MasseyFerguson Power Steering Cylinder MasseyFerguson Parts
Massey Ferguson Gc2310 Steering Parts Diagram get access to replacement parts information for your massey ferguson at any time. this parts catalog outlines every part on your massey ferguson gc2300 / gc2310 tractor. massey ferguson parts lookup that allows you to find genuine parts for your massey ferguson gc2310. With our web and mobile application versions of our agco parts books. Complete with exploded views, diagrams, part numbers, and part. Lots of photographs, illustrations etc. It covers every part of your massey. this document provides part numbers and descriptions for engine components of massey ferguson gc2300/gc2310 tractors. this manual describes and illustrates assemblies, subassemblies, and detail parts needed for service replacement. get access to replacement parts information for your massey ferguson at any time. the massey ferguson gc2310 parts diagram provides a detailed breakdown of all the different groups and subgroups of parts, as. this document is an exploded diagram parts manual for a massey ferguson gc2300/gc2310 tractor engine.
From www.autocd.biz
Massey Ferguson Compact Tractors GC2300 series, Service Manual for Massey Ferguson Massey Ferguson Gc2310 Steering Parts Diagram this parts catalog outlines every part on your massey ferguson gc2300 / gc2310 tractor. massey ferguson parts lookup that allows you to find genuine parts for your massey ferguson gc2310. the massey ferguson gc2310 parts diagram provides a detailed breakdown of all the different groups and subgroups of parts, as. this document provides part numbers and. Massey Ferguson Gc2310 Steering Parts Diagram.
From www.agcopubs.com
AGCO Technical Publications Massey Ferguson 8300102 Quick Hitch & Subframe Massey Ferguson Gc2310 Steering Parts Diagram It covers every part of your massey. this parts catalog outlines every part on your massey ferguson gc2300 / gc2310 tractor. this document is an exploded diagram parts manual for a massey ferguson gc2300/gc2310 tractor engine. get access to replacement parts information for your massey ferguson at any time. this document provides part numbers and descriptions. Massey Ferguson Gc2310 Steering Parts Diagram.
From www.partstree.com
Massey Ferguson 2718 H (1694004) Massey Ferguson 50" Garden Tractor, 18hp Steering Group Massey Ferguson Gc2310 Steering Parts Diagram this document provides part numbers and descriptions for engine components of massey ferguson gc2300/gc2310 tractors. With our web and mobile application versions of our agco parts books. It covers every part of your massey. this manual describes and illustrates assemblies, subassemblies, and detail parts needed for service replacement. Lots of photographs, illustrations etc. Complete with exploded views, diagrams,. Massey Ferguson Gc2310 Steering Parts Diagram.
From clementecolby.blogspot.com
massey ferguson gc2300 parts manual pdf Clemente Colby Massey Ferguson Gc2310 Steering Parts Diagram It covers every part of your massey. this document provides part numbers and descriptions for engine components of massey ferguson gc2300/gc2310 tractors. the massey ferguson gc2310 parts diagram provides a detailed breakdown of all the different groups and subgroups of parts, as. this document is an exploded diagram parts manual for a massey ferguson gc2300/gc2310 tractor engine.. Massey Ferguson Gc2310 Steering Parts Diagram.
From resolutionsforyou.com
Beginner's Guide to Understanding the Massey Ferguson 235 Power Steering Diagram Massey Ferguson Gc2310 Steering Parts Diagram massey ferguson parts lookup that allows you to find genuine parts for your massey ferguson gc2310. Complete with exploded views, diagrams, part numbers, and part. this parts catalog outlines every part on your massey ferguson gc2300 / gc2310 tractor. With our web and mobile application versions of our agco parts books. this document is an exploded diagram. Massey Ferguson Gc2310 Steering Parts Diagram.
From schempro.com
Exploring the Massey Ferguson GC2310 Parts Diagram in Detail Massey Ferguson Gc2310 Steering Parts Diagram this parts catalog outlines every part on your massey ferguson gc2300 / gc2310 tractor. this document provides part numbers and descriptions for engine components of massey ferguson gc2300/gc2310 tractors. massey ferguson parts lookup that allows you to find genuine parts for your massey ferguson gc2310. this document is an exploded diagram parts manual for a massey. Massey Ferguson Gc2310 Steering Parts Diagram.
From enginemanualschweizer.z6.web.core.windows.net
Mf 135 Parts Manual Massey Ferguson Gc2310 Steering Parts Diagram It covers every part of your massey. this document provides part numbers and descriptions for engine components of massey ferguson gc2300/gc2310 tractors. this parts catalog outlines every part on your massey ferguson gc2300 / gc2310 tractor. massey ferguson parts lookup that allows you to find genuine parts for your massey ferguson gc2310. Complete with exploded views, diagrams,. Massey Ferguson Gc2310 Steering Parts Diagram.
From www.partstree.com
Massey Ferguson 2516 H (1693104) Massey Ferguson Lawn Tractor, 16hp Steering Parts Lookup with Massey Ferguson Gc2310 Steering Parts Diagram massey ferguson parts lookup that allows you to find genuine parts for your massey ferguson gc2310. this manual describes and illustrates assemblies, subassemblies, and detail parts needed for service replacement. With our web and mobile application versions of our agco parts books. the massey ferguson gc2310 parts diagram provides a detailed breakdown of all the different groups. Massey Ferguson Gc2310 Steering Parts Diagram.
From galvinconanstuart.blogspot.com
Massey Ferguson To35 Parts Diagram General Wiring Diagram Massey Ferguson Gc2310 Steering Parts Diagram this manual describes and illustrates assemblies, subassemblies, and detail parts needed for service replacement. With our web and mobile application versions of our agco parts books. Complete with exploded views, diagrams, part numbers, and part. It covers every part of your massey. get access to replacement parts information for your massey ferguson at any time. Lots of photographs,. Massey Ferguson Gc2310 Steering Parts Diagram.
From www.slideshare.net
Massey ferguson gc2310 tractor (eff sn jna25201) parts catalogue manual PDF Massey Ferguson Gc2310 Steering Parts Diagram this manual describes and illustrates assemblies, subassemblies, and detail parts needed for service replacement. this document provides part numbers and descriptions for engine components of massey ferguson gc2300/gc2310 tractors. Lots of photographs, illustrations etc. this parts catalog outlines every part on your massey ferguson gc2300 / gc2310 tractor. the massey ferguson gc2310 parts diagram provides a. Massey Ferguson Gc2310 Steering Parts Diagram.
From www.qtponline.de
LenkhilfeUmbausatz Quality Tractor Parts LTD. Massey Ferguson Gc2310 Steering Parts Diagram With our web and mobile application versions of our agco parts books. this document is an exploded diagram parts manual for a massey ferguson gc2300/gc2310 tractor engine. the massey ferguson gc2310 parts diagram provides a detailed breakdown of all the different groups and subgroups of parts, as. Lots of photographs, illustrations etc. Complete with exploded views, diagrams, part. Massey Ferguson Gc2310 Steering Parts Diagram.
From drivenheisenberg.blogspot.com
Massey Ferguson Gc2300 Parts Diagram Drivenheisenberg Massey Ferguson Gc2310 Steering Parts Diagram massey ferguson parts lookup that allows you to find genuine parts for your massey ferguson gc2310. this document provides part numbers and descriptions for engine components of massey ferguson gc2300/gc2310 tractors. the massey ferguson gc2310 parts diagram provides a detailed breakdown of all the different groups and subgroups of parts, as. this parts catalog outlines every. Massey Ferguson Gc2310 Steering Parts Diagram.
From sparepartsholland.com
3401553M92 Power Steering Cylinder for Massey Ferguson MF 240 253 360 362 Sparepartsholland Massey Ferguson Gc2310 Steering Parts Diagram massey ferguson parts lookup that allows you to find genuine parts for your massey ferguson gc2310. Complete with exploded views, diagrams, part numbers, and part. It covers every part of your massey. With our web and mobile application versions of our agco parts books. get access to replacement parts information for your massey ferguson at any time. . Massey Ferguson Gc2310 Steering Parts Diagram.
From massey-fergusonparts.com
12011619 MasseyFerguson Power Steering Cylinder MasseyFerguson Parts Massey Ferguson Gc2310 Steering Parts Diagram massey ferguson parts lookup that allows you to find genuine parts for your massey ferguson gc2310. this parts catalog outlines every part on your massey ferguson gc2300 / gc2310 tractor. With our web and mobile application versions of our agco parts books. this manual describes and illustrates assemblies, subassemblies, and detail parts needed for service replacement. . Massey Ferguson Gc2310 Steering Parts Diagram.
From www.partstree.com
Massey Ferguson 2920 H (1692506) Massey Ferguson 60" Garden Tractor, 20hp Steering Group Parts Massey Ferguson Gc2310 Steering Parts Diagram this document is an exploded diagram parts manual for a massey ferguson gc2300/gc2310 tractor engine. It covers every part of your massey. With our web and mobile application versions of our agco parts books. get access to replacement parts information for your massey ferguson at any time. Lots of photographs, illustrations etc. this manual describes and illustrates. Massey Ferguson Gc2310 Steering Parts Diagram.
From autoctrls.com
StepbyStep Guide Massey Ferguson 135 Power Steering Parts Diagram Massey Ferguson Gc2310 Steering Parts Diagram this document is an exploded diagram parts manual for a massey ferguson gc2300/gc2310 tractor engine. Lots of photographs, illustrations etc. this parts catalog outlines every part on your massey ferguson gc2300 / gc2310 tractor. Complete with exploded views, diagrams, part numbers, and part. massey ferguson parts lookup that allows you to find genuine parts for your massey. Massey Ferguson Gc2310 Steering Parts Diagram.
From www.partstree.com
Massey Ferguson 2723 H (1693815) Massey Ferguson Garden Tractor, 23hp Steering Group Power Massey Ferguson Gc2310 Steering Parts Diagram this parts catalog outlines every part on your massey ferguson gc2300 / gc2310 tractor. It covers every part of your massey. massey ferguson parts lookup that allows you to find genuine parts for your massey ferguson gc2310. With our web and mobile application versions of our agco parts books. this manual describes and illustrates assemblies, subassemblies, and. Massey Ferguson Gc2310 Steering Parts Diagram.
From www.partstree.com
Massey Ferguson 2516 (1693948) Massey Ferguson Lawn Tractor, 16hp Steering Group Parts Lookup Massey Ferguson Gc2310 Steering Parts Diagram this document is an exploded diagram parts manual for a massey ferguson gc2300/gc2310 tractor engine. the massey ferguson gc2310 parts diagram provides a detailed breakdown of all the different groups and subgroups of parts, as. this manual describes and illustrates assemblies, subassemblies, and detail parts needed for service replacement. Lots of photographs, illustrations etc. Complete with exploded. Massey Ferguson Gc2310 Steering Parts Diagram.
From www.increa.com
Massey Ferguson GC2310 TLB Repair Massey Ferguson Gc2310 Steering Parts Diagram this document is an exploded diagram parts manual for a massey ferguson gc2300/gc2310 tractor engine. this document provides part numbers and descriptions for engine components of massey ferguson gc2300/gc2310 tractors. With our web and mobile application versions of our agco parts books. this manual describes and illustrates assemblies, subassemblies, and detail parts needed for service replacement. Lots. Massey Ferguson Gc2310 Steering Parts Diagram.
From www.agcopubs.com
AGCO Technical Publications Massey Ferguson, GC2300 / GC2310 Compact Tractor Massey Ferguson Gc2310 Steering Parts Diagram this parts catalog outlines every part on your massey ferguson gc2300 / gc2310 tractor. this manual describes and illustrates assemblies, subassemblies, and detail parts needed for service replacement. With our web and mobile application versions of our agco parts books. massey ferguson parts lookup that allows you to find genuine parts for your massey ferguson gc2310. Complete. Massey Ferguson Gc2310 Steering Parts Diagram.
From www.increa.com
Massey Ferguson GC2310 TLB Repair Massey Ferguson Gc2310 Steering Parts Diagram this manual describes and illustrates assemblies, subassemblies, and detail parts needed for service replacement. Lots of photographs, illustrations etc. It covers every part of your massey. this parts catalog outlines every part on your massey ferguson gc2300 / gc2310 tractor. the massey ferguson gc2310 parts diagram provides a detailed breakdown of all the different groups and subgroups. Massey Ferguson Gc2310 Steering Parts Diagram.
From www.tractorbynet.com
Massey Ferguson GC 2300 bent steering box brackets ( Massey Ferguson Gc2310 Steering Parts Diagram this document provides part numbers and descriptions for engine components of massey ferguson gc2300/gc2310 tractors. Complete with exploded views, diagrams, part numbers, and part. massey ferguson parts lookup that allows you to find genuine parts for your massey ferguson gc2310. get access to replacement parts information for your massey ferguson at any time. this manual describes. Massey Ferguson Gc2310 Steering Parts Diagram.
From ironsearch.com
2005 Massey Ferguson GC2310 Tractor Loader Backhoe for sale in New Hampton, NY IronSearch Massey Ferguson Gc2310 Steering Parts Diagram Lots of photographs, illustrations etc. massey ferguson parts lookup that allows you to find genuine parts for your massey ferguson gc2310. Complete with exploded views, diagrams, part numbers, and part. this parts catalog outlines every part on your massey ferguson gc2300 / gc2310 tractor. this manual describes and illustrates assemblies, subassemblies, and detail parts needed for service. Massey Ferguson Gc2310 Steering Parts Diagram.
From massey-fergusonparts.com
12011619 MasseyFerguson Power Steering Cylinder MasseyFerguson Parts Massey Ferguson Gc2310 Steering Parts Diagram the massey ferguson gc2310 parts diagram provides a detailed breakdown of all the different groups and subgroups of parts, as. Lots of photographs, illustrations etc. With our web and mobile application versions of our agco parts books. this document provides part numbers and descriptions for engine components of massey ferguson gc2300/gc2310 tractors. this parts catalog outlines every. Massey Ferguson Gc2310 Steering Parts Diagram.
From schempro.com
Exploring the Massey Ferguson GC2310 Parts Diagram in Detail Massey Ferguson Gc2310 Steering Parts Diagram this document is an exploded diagram parts manual for a massey ferguson gc2300/gc2310 tractor engine. the massey ferguson gc2310 parts diagram provides a detailed breakdown of all the different groups and subgroups of parts, as. massey ferguson parts lookup that allows you to find genuine parts for your massey ferguson gc2310. this parts catalog outlines every. Massey Ferguson Gc2310 Steering Parts Diagram.
From reviewmotors.co
Massey Ferguson 230 Tractor Parts Diagram Reviewmotors.co Massey Ferguson Gc2310 Steering Parts Diagram Lots of photographs, illustrations etc. With our web and mobile application versions of our agco parts books. this manual describes and illustrates assemblies, subassemblies, and detail parts needed for service replacement. this parts catalog outlines every part on your massey ferguson gc2300 / gc2310 tractor. massey ferguson parts lookup that allows you to find genuine parts for. Massey Ferguson Gc2310 Steering Parts Diagram.
From asone.jp
RH Inner Tie Track Rod end Massey Ferguson 275 285 290 565 590 690 50B Tractor Vehicle Parts Massey Ferguson Gc2310 Steering Parts Diagram this parts catalog outlines every part on your massey ferguson gc2300 / gc2310 tractor. It covers every part of your massey. the massey ferguson gc2310 parts diagram provides a detailed breakdown of all the different groups and subgroups of parts, as. this manual describes and illustrates assemblies, subassemblies, and detail parts needed for service replacement. this. Massey Ferguson Gc2310 Steering Parts Diagram.
From stewart-switch.com
Massey Ferguson Gc2300 Steering Parts Diagram Massey Ferguson Gc2310 Steering Parts Diagram With our web and mobile application versions of our agco parts books. It covers every part of your massey. this manual describes and illustrates assemblies, subassemblies, and detail parts needed for service replacement. get access to replacement parts information for your massey ferguson at any time. this document provides part numbers and descriptions for engine components of. Massey Ferguson Gc2310 Steering Parts Diagram.
From massey-fergusonparts.com
12011619 MasseyFerguson Power Steering Cylinder MasseyFerguson Parts Massey Ferguson Gc2310 Steering Parts Diagram With our web and mobile application versions of our agco parts books. the massey ferguson gc2310 parts diagram provides a detailed breakdown of all the different groups and subgroups of parts, as. this manual describes and illustrates assemblies, subassemblies, and detail parts needed for service replacement. Complete with exploded views, diagrams, part numbers, and part. this document. Massey Ferguson Gc2310 Steering Parts Diagram.
From www.slideshare.net
Massey ferguson gc2310 tractor (eff sn jna25201) parts catalogue manual Massey Ferguson Gc2310 Steering Parts Diagram Lots of photographs, illustrations etc. the massey ferguson gc2310 parts diagram provides a detailed breakdown of all the different groups and subgroups of parts, as. Complete with exploded views, diagrams, part numbers, and part. massey ferguson parts lookup that allows you to find genuine parts for your massey ferguson gc2310. this document provides part numbers and descriptions. Massey Ferguson Gc2310 Steering Parts Diagram.
From www.slideshare.net
Massey ferguson gc2310 tractor (eff sn jna25201) parts catalogue manu… Massey Ferguson Gc2310 Steering Parts Diagram this document provides part numbers and descriptions for engine components of massey ferguson gc2300/gc2310 tractors. massey ferguson parts lookup that allows you to find genuine parts for your massey ferguson gc2310. With our web and mobile application versions of our agco parts books. It covers every part of your massey. Lots of photographs, illustrations etc. get access. Massey Ferguson Gc2310 Steering Parts Diagram.
From massey-fergusonparts.com
12011102 MasseyFerguson Steering Motor MasseyFerguson Parts Massey Ferguson Gc2310 Steering Parts Diagram this parts catalog outlines every part on your massey ferguson gc2300 / gc2310 tractor. get access to replacement parts information for your massey ferguson at any time. this document is an exploded diagram parts manual for a massey ferguson gc2300/gc2310 tractor engine. the massey ferguson gc2310 parts diagram provides a detailed breakdown of all the different. Massey Ferguson Gc2310 Steering Parts Diagram.
From kdi-ppi.com
Massey Ferguson 265 Steering Parts Diagram Your Complete Guide Massey Ferguson Gc2310 Steering Parts Diagram this document is an exploded diagram parts manual for a massey ferguson gc2300/gc2310 tractor engine. massey ferguson parts lookup that allows you to find genuine parts for your massey ferguson gc2310. Complete with exploded views, diagrams, part numbers, and part. the massey ferguson gc2310 parts diagram provides a detailed breakdown of all the different groups and subgroups. Massey Ferguson Gc2310 Steering Parts Diagram.
From design1systems.com
Diving into the Massey Ferguson 245 Steering Parts Diagram Everything You Need to Know! Massey Ferguson Gc2310 Steering Parts Diagram Complete with exploded views, diagrams, part numbers, and part. With our web and mobile application versions of our agco parts books. get access to replacement parts information for your massey ferguson at any time. massey ferguson parts lookup that allows you to find genuine parts for your massey ferguson gc2310. this parts catalog outlines every part on. Massey Ferguson Gc2310 Steering Parts Diagram.
From tractorguide.net
Massey Ferguson 135 Power Steering Parts Diagram Picture Massey Ferguson Gc2310 Steering Parts Diagram massey ferguson parts lookup that allows you to find genuine parts for your massey ferguson gc2310. the massey ferguson gc2310 parts diagram provides a detailed breakdown of all the different groups and subgroups of parts, as. this document is an exploded diagram parts manual for a massey ferguson gc2300/gc2310 tractor engine. get access to replacement parts. Massey Ferguson Gc2310 Steering Parts Diagram.