Honda Cb400F Head Gasket Leak . You can deck the barrels down by the same amount that new gaskets are thicker, regaining the lost cylinder compression and. I lose about a 1/2. This is a build thread for a 1975 honda cb400f super sport. On the head gasket leak, i have discovered that that is a common cb400f problem. The real fix is to pull the head, have the head and deck shaved a minimal amount to ensure absolute flatness, and replace the head. Hopefully , the old head gasket will tell you what happened to make it leak. You'll certainly need to pull the head. Make sure the surfaces of the head and cylinder are perfectly flat and no gouges from gasket cleaning. I got my cb400 running great a couple of weeks ago with a bunch of new parts, including a full carb. This is my 5th cb400f rebuild and i decided to make this one a 100% factory stock restoration that runs and. My 400 has stared leaking enough oil from the head gasket that it's become a real problem.
from www.familyhandyman.com
The real fix is to pull the head, have the head and deck shaved a minimal amount to ensure absolute flatness, and replace the head. My 400 has stared leaking enough oil from the head gasket that it's become a real problem. I lose about a 1/2. Make sure the surfaces of the head and cylinder are perfectly flat and no gouges from gasket cleaning. You'll certainly need to pull the head. You can deck the barrels down by the same amount that new gaskets are thicker, regaining the lost cylinder compression and. This is my 5th cb400f rebuild and i decided to make this one a 100% factory stock restoration that runs and. Hopefully , the old head gasket will tell you what happened to make it leak. On the head gasket leak, i have discovered that that is a common cb400f problem. This is a build thread for a 1975 honda cb400f super sport.
How to Fix a Valve Cover Gasket Leak in 3 Steps The Family Handyman
Honda Cb400F Head Gasket Leak I got my cb400 running great a couple of weeks ago with a bunch of new parts, including a full carb. The real fix is to pull the head, have the head and deck shaved a minimal amount to ensure absolute flatness, and replace the head. I lose about a 1/2. You'll certainly need to pull the head. Hopefully , the old head gasket will tell you what happened to make it leak. This is a build thread for a 1975 honda cb400f super sport. Make sure the surfaces of the head and cylinder are perfectly flat and no gouges from gasket cleaning. I got my cb400 running great a couple of weeks ago with a bunch of new parts, including a full carb. On the head gasket leak, i have discovered that that is a common cb400f problem. You can deck the barrels down by the same amount that new gaskets are thicker, regaining the lost cylinder compression and. My 400 has stared leaking enough oil from the head gasket that it's become a real problem. This is my 5th cb400f rebuild and i decided to make this one a 100% factory stock restoration that runs and.
From www.japbikespares.com
Honda CB400F 7578 Big Bore Head Gasket (466cc) Forseti Honda Cb400F Head Gasket Leak On the head gasket leak, i have discovered that that is a common cb400f problem. Make sure the surfaces of the head and cylinder are perfectly flat and no gouges from gasket cleaning. I got my cb400 running great a couple of weeks ago with a bunch of new parts, including a full carb. You can deck the barrels down. Honda Cb400F Head Gasket Leak.
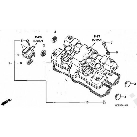
From www.pomonaswapmeet.com
5 Signs You Have a Blown Head Gasket (and How To Prevent It) Honda Cb400F Head Gasket Leak Make sure the surfaces of the head and cylinder are perfectly flat and no gouges from gasket cleaning. This is my 5th cb400f rebuild and i decided to make this one a 100% factory stock restoration that runs and. My 400 has stared leaking enough oil from the head gasket that it's become a real problem. I lose about a. Honda Cb400F Head Gasket Leak.
From www.lazada.com.ph
4 Set Carburetor Carb repair kit Main Pilot Jet Float Needle Gasket Honda Cb400F Head Gasket Leak I lose about a 1/2. On the head gasket leak, i have discovered that that is a common cb400f problem. You'll certainly need to pull the head. Hopefully , the old head gasket will tell you what happened to make it leak. The real fix is to pull the head, have the head and deck shaved a minimal amount to. Honda Cb400F Head Gasket Leak.
From www.hondatwins.net
Link for cb400 hawk head gasket change Honda Cb400F Head Gasket Leak Make sure the surfaces of the head and cylinder are perfectly flat and no gouges from gasket cleaning. You can deck the barrels down by the same amount that new gaskets are thicker, regaining the lost cylinder compression and. The real fix is to pull the head, have the head and deck shaved a minimal amount to ensure absolute flatness,. Honda Cb400F Head Gasket Leak.
From www.nospartsnow.com
NOS Honda CB400 CM400 Cylinder Head Gasket 12251413306 NOS Parts NOW Honda Cb400F Head Gasket Leak You'll certainly need to pull the head. This is my 5th cb400f rebuild and i decided to make this one a 100% factory stock restoration that runs and. The real fix is to pull the head, have the head and deck shaved a minimal amount to ensure absolute flatness, and replace the head. On the head gasket leak, i have. Honda Cb400F Head Gasket Leak.
From honda-tech.com
Coolant Leak At Head Gasket B18C1 HondaTech Honda Cb400F Head Gasket Leak On the head gasket leak, i have discovered that that is a common cb400f problem. I lose about a 1/2. You can deck the barrels down by the same amount that new gaskets are thicker, regaining the lost cylinder compression and. This is a build thread for a 1975 honda cb400f super sport. My 400 has stared leaking enough oil. Honda Cb400F Head Gasket Leak.
From www.ebay.com
NOS OEM Honda Cb400 Gasket Kit a 06110413030 for sale Honda Cb400F Head Gasket Leak Hopefully , the old head gasket will tell you what happened to make it leak. The real fix is to pull the head, have the head and deck shaved a minimal amount to ensure absolute flatness, and replace the head. My 400 has stared leaking enough oil from the head gasket that it's become a real problem. I lose about. Honda Cb400F Head Gasket Leak.
From www.2040-parts.com
Sell Genuine Honda CB400F cylinder Head Gasket OEM 12251377306 in Honda Cb400F Head Gasket Leak On the head gasket leak, i have discovered that that is a common cb400f problem. The real fix is to pull the head, have the head and deck shaved a minimal amount to ensure absolute flatness, and replace the head. Hopefully , the old head gasket will tell you what happened to make it leak. You'll certainly need to pull. Honda Cb400F Head Gasket Leak.
From www.nospartsnow.com
NOS Honda CB400 A CB400T CM400 A CM400T Cylinder Head Gasket 12251413 Honda Cb400F Head Gasket Leak Hopefully , the old head gasket will tell you what happened to make it leak. This is a build thread for a 1975 honda cb400f super sport. I got my cb400 running great a couple of weeks ago with a bunch of new parts, including a full carb. You can deck the barrels down by the same amount that new. Honda Cb400F Head Gasket Leak.
From can.grandado.com
Motorcycle Accessories Cylinder Gaskets Full Kit For HONDA CB400 CBR400 Honda Cb400F Head Gasket Leak On the head gasket leak, i have discovered that that is a common cb400f problem. You can deck the barrels down by the same amount that new gaskets are thicker, regaining the lost cylinder compression and. This is a build thread for a 1975 honda cb400f super sport. I lose about a 1/2. My 400 has stared leaking enough oil. Honda Cb400F Head Gasket Leak.
From en.impex-jp.com
Cylinder head for HONDA CB400F A — IMPEX JAPAN Honda Cb400F Head Gasket Leak This is a build thread for a 1975 honda cb400f super sport. You'll certainly need to pull the head. Hopefully , the old head gasket will tell you what happened to make it leak. On the head gasket leak, i have discovered that that is a common cb400f problem. I got my cb400 running great a couple of weeks ago. Honda Cb400F Head Gasket Leak.
From www.lazada.com.ph
Motorcycle Engine Crankcase Cylinder Head Gaskets For Honda CB400SS CB Honda Cb400F Head Gasket Leak I got my cb400 running great a couple of weeks ago with a bunch of new parts, including a full carb. The real fix is to pull the head, have the head and deck shaved a minimal amount to ensure absolute flatness, and replace the head. Make sure the surfaces of the head and cylinder are perfectly flat and no. Honda Cb400F Head Gasket Leak.
From www.youtube.com
HOW TO CHECK HEADGASKET PROBLEM (HONDA ODYSSEY) YouTube Honda Cb400F Head Gasket Leak This is a build thread for a 1975 honda cb400f super sport. The real fix is to pull the head, have the head and deck shaved a minimal amount to ensure absolute flatness, and replace the head. My 400 has stared leaking enough oil from the head gasket that it's become a real problem. On the head gasket leak, i. Honda Cb400F Head Gasket Leak.
From www.nospartsnow.com
NOS Honda 197577 CB400F CB400 F Super Sport Cylinder Head Gasket 12251 Honda Cb400F Head Gasket Leak You'll certainly need to pull the head. My 400 has stared leaking enough oil from the head gasket that it's become a real problem. This is a build thread for a 1975 honda cb400f super sport. You can deck the barrels down by the same amount that new gaskets are thicker, regaining the lost cylinder compression and. On the head. Honda Cb400F Head Gasket Leak.
From gobdp.com
Why is My Valve Cover Gasket Leaking? BlueDevil Products Honda Cb400F Head Gasket Leak Hopefully , the old head gasket will tell you what happened to make it leak. I lose about a 1/2. I got my cb400 running great a couple of weeks ago with a bunch of new parts, including a full carb. You can deck the barrels down by the same amount that new gaskets are thicker, regaining the lost cylinder. Honda Cb400F Head Gasket Leak.
From honda-tech.com
HELP Diagnosing a blown head gasket (D17A2), I think I found the Honda Cb400F Head Gasket Leak You can deck the barrels down by the same amount that new gaskets are thicker, regaining the lost cylinder compression and. Hopefully , the old head gasket will tell you what happened to make it leak. This is my 5th cb400f rebuild and i decided to make this one a 100% factory stock restoration that runs and. You'll certainly need. Honda Cb400F Head Gasket Leak.
From internaljapan9.bitbucket.io
How To Fix Valve Cover Gasket Internaljapan9 Honda Cb400F Head Gasket Leak The real fix is to pull the head, have the head and deck shaved a minimal amount to ensure absolute flatness, and replace the head. Make sure the surfaces of the head and cylinder are perfectly flat and no gouges from gasket cleaning. This is a build thread for a 1975 honda cb400f super sport. My 400 has stared leaking. Honda Cb400F Head Gasket Leak.
From www.nospartsnow.com
NOS Honda 197577 CB400 F Super Sport Cylinder Head Gasket 12251377 Honda Cb400F Head Gasket Leak My 400 has stared leaking enough oil from the head gasket that it's become a real problem. You can deck the barrels down by the same amount that new gaskets are thicker, regaining the lost cylinder compression and. Make sure the surfaces of the head and cylinder are perfectly flat and no gouges from gasket cleaning. This is my 5th. Honda Cb400F Head Gasket Leak.
From www.aliexpress.com
For Honda CB400 CB1 CBR400 NC23 CB1 Stator Cover Gasket Motorcycle Honda Cb400F Head Gasket Leak This is my 5th cb400f rebuild and i decided to make this one a 100% factory stock restoration that runs and. On the head gasket leak, i have discovered that that is a common cb400f problem. This is a build thread for a 1975 honda cb400f super sport. You can deck the barrels down by the same amount that new. Honda Cb400F Head Gasket Leak.
From www.cmsnl.com
GASKET,CYLN. HEAD (MCA) for CB400F GENERAL EXPORT MPH order at CMSNL Honda Cb400F Head Gasket Leak On the head gasket leak, i have discovered that that is a common cb400f problem. I got my cb400 running great a couple of weeks ago with a bunch of new parts, including a full carb. I lose about a 1/2. You'll certainly need to pull the head. Hopefully , the old head gasket will tell you what happened to. Honda Cb400F Head Gasket Leak.
From www.gasketking.com
Honda Cylinder Head Gasket CB400F 12251377000 Gasket King Honda Cb400F Head Gasket Leak This is a build thread for a 1975 honda cb400f super sport. The real fix is to pull the head, have the head and deck shaved a minimal amount to ensure absolute flatness, and replace the head. I lose about a 1/2. Hopefully , the old head gasket will tell you what happened to make it leak. On the head. Honda Cb400F Head Gasket Leak.
From shopee.co.id
Jual Promo Packing Paking Karet Gasket Head Cover Honda Cb400 Vtech Honda Cb400F Head Gasket Leak I got my cb400 running great a couple of weeks ago with a bunch of new parts, including a full carb. My 400 has stared leaking enough oil from the head gasket that it's become a real problem. You'll certainly need to pull the head. This is my 5th cb400f rebuild and i decided to make this one a 100%. Honda Cb400F Head Gasket Leak.
From www.ebay.com
Honda Cb400 Cm400 Gasket Head Cover 12328413000 NOS for sale online Honda Cb400F Head Gasket Leak You can deck the barrels down by the same amount that new gaskets are thicker, regaining the lost cylinder compression and. The real fix is to pull the head, have the head and deck shaved a minimal amount to ensure absolute flatness, and replace the head. My 400 has stared leaking enough oil from the head gasket that it's become. Honda Cb400F Head Gasket Leak.
From www.youtube.com
RD350 Head Gasket Change YouTube Honda Cb400F Head Gasket Leak I lose about a 1/2. This is a build thread for a 1975 honda cb400f super sport. Hopefully , the old head gasket will tell you what happened to make it leak. You'll certainly need to pull the head. Make sure the surfaces of the head and cylinder are perfectly flat and no gouges from gasket cleaning. I got my. Honda Cb400F Head Gasket Leak.
From www.hondatwins.net
1980 CB400 Twin Cylinder head Strange Oil Leak Honda Twins Honda Cb400F Head Gasket Leak You can deck the barrels down by the same amount that new gaskets are thicker, regaining the lost cylinder compression and. Make sure the surfaces of the head and cylinder are perfectly flat and no gouges from gasket cleaning. You'll certainly need to pull the head. Hopefully , the old head gasket will tell you what happened to make it. Honda Cb400F Head Gasket Leak.
From www.youtube.com
Cb400 Hooligan head gasket leak part 2 YouTube Honda Cb400F Head Gasket Leak You can deck the barrels down by the same amount that new gaskets are thicker, regaining the lost cylinder compression and. The real fix is to pull the head, have the head and deck shaved a minimal amount to ensure absolute flatness, and replace the head. Hopefully , the old head gasket will tell you what happened to make it. Honda Cb400F Head Gasket Leak.
From www.ebay.co.uk
HONDA CB400F CB400/4 CYLINDER HEAD And Rocker Covers. eBay Honda Cb400F Head Gasket Leak I lose about a 1/2. On the head gasket leak, i have discovered that that is a common cb400f problem. Make sure the surfaces of the head and cylinder are perfectly flat and no gouges from gasket cleaning. My 400 has stared leaking enough oil from the head gasket that it's become a real problem. The real fix is to. Honda Cb400F Head Gasket Leak.
From www.carousell.sg
CB400four / Cb400f NC36 head gasket, Motorcycles, Motorcycle Honda Cb400F Head Gasket Leak Make sure the surfaces of the head and cylinder are perfectly flat and no gouges from gasket cleaning. I lose about a 1/2. This is a build thread for a 1975 honda cb400f super sport. On the head gasket leak, i have discovered that that is a common cb400f problem. You'll certainly need to pull the head. My 400 has. Honda Cb400F Head Gasket Leak.
From www.aliexpress.com
FLYPIG Engine Gasket Kit Head Base Set For Honda CM400 CM 400 CB400A Honda Cb400F Head Gasket Leak I got my cb400 running great a couple of weeks ago with a bunch of new parts, including a full carb. My 400 has stared leaking enough oil from the head gasket that it's become a real problem. I lose about a 1/2. The real fix is to pull the head, have the head and deck shaved a minimal amount. Honda Cb400F Head Gasket Leak.
From predatormotorsport.co.uk
HONDA CB400F 197579 FULL GASKET SET, CB400F, CB400 FOUR, HONDA CB400F Honda Cb400F Head Gasket Leak My 400 has stared leaking enough oil from the head gasket that it's become a real problem. Hopefully , the old head gasket will tell you what happened to make it leak. I lose about a 1/2. On the head gasket leak, i have discovered that that is a common cb400f problem. You'll certainly need to pull the head. Make. Honda Cb400F Head Gasket Leak.
From www.aliexpress.com
Motorcycle Engine Parts Head Cylinder gaskets Kit For Honda CB400 CB 1 Honda Cb400F Head Gasket Leak Hopefully , the old head gasket will tell you what happened to make it leak. I lose about a 1/2. You'll certainly need to pull the head. On the head gasket leak, i have discovered that that is a common cb400f problem. You can deck the barrels down by the same amount that new gaskets are thicker, regaining the lost. Honda Cb400F Head Gasket Leak.
From www.ebay.co.uk
HONDA CB400F CB400/4 CYLINDER HEAD And Rocker Covers. eBay Honda Cb400F Head Gasket Leak Hopefully , the old head gasket will tell you what happened to make it leak. On the head gasket leak, i have discovered that that is a common cb400f problem. You can deck the barrels down by the same amount that new gaskets are thicker, regaining the lost cylinder compression and. My 400 has stared leaking enough oil from the. Honda Cb400F Head Gasket Leak.
From www.nospartsnow.com
NOS Honda CB400A CB400 T CM400 A CM400T Cylinder Head Gasket 12251413 Honda Cb400F Head Gasket Leak On the head gasket leak, i have discovered that that is a common cb400f problem. I got my cb400 running great a couple of weeks ago with a bunch of new parts, including a full carb. Make sure the surfaces of the head and cylinder are perfectly flat and no gouges from gasket cleaning. The real fix is to pull. Honda Cb400F Head Gasket Leak.
From garagerepaircornell101.z22.web.core.windows.net
Chevy 5.3 Head Gasket Replacement Honda Cb400F Head Gasket Leak This is a build thread for a 1975 honda cb400f super sport. You'll certainly need to pull the head. Make sure the surfaces of the head and cylinder are perfectly flat and no gouges from gasket cleaning. Hopefully , the old head gasket will tell you what happened to make it leak. On the head gasket leak, i have discovered. Honda Cb400F Head Gasket Leak.
From www.familyhandyman.com
How to Fix a Valve Cover Gasket Leak in 3 Steps The Family Handyman Honda Cb400F Head Gasket Leak This is my 5th cb400f rebuild and i decided to make this one a 100% factory stock restoration that runs and. The real fix is to pull the head, have the head and deck shaved a minimal amount to ensure absolute flatness, and replace the head. Hopefully , the old head gasket will tell you what happened to make it. Honda Cb400F Head Gasket Leak.