Innova Split Air Conditioner Manual . user manual u i s 2.7 mode mode list of possible air conditioner management modes en the air conditioner operating mode can. innova 2.0 air conditioner pdf user manuals. to guarantee the unit work normally, please read the manual carefully before installation, and try to. By following the suggestions contained in this manual, the product you have purchased will operate. View online or download innova 2.0 air conditioner user manual, installation manual Ehpoca geo ww, 3in1 geo ww incasso.
from www.yumpu.com
to guarantee the unit work normally, please read the manual carefully before installation, and try to. Ehpoca geo ww, 3in1 geo ww incasso. innova 2.0 air conditioner pdf user manuals. By following the suggestions contained in this manual, the product you have purchased will operate. user manual u i s 2.7 mode mode list of possible air conditioner management modes en the air conditioner operating mode can. View online or download innova 2.0 air conditioner user manual, installation manual
technical & service manual split system air conditioner
Innova Split Air Conditioner Manual user manual u i s 2.7 mode mode list of possible air conditioner management modes en the air conditioner operating mode can. Ehpoca geo ww, 3in1 geo ww incasso. user manual u i s 2.7 mode mode list of possible air conditioner management modes en the air conditioner operating mode can. to guarantee the unit work normally, please read the manual carefully before installation, and try to. By following the suggestions contained in this manual, the product you have purchased will operate. View online or download innova 2.0 air conditioner user manual, installation manual innova 2.0 air conditioner pdf user manuals.
From enginedbharper77.z19.web.core.windows.net
Della Split Air Conditioner Manual Innova Split Air Conditioner Manual innova 2.0 air conditioner pdf user manuals. Ehpoca geo ww, 3in1 geo ww incasso. By following the suggestions contained in this manual, the product you have purchased will operate. to guarantee the unit work normally, please read the manual carefully before installation, and try to. user manual u i s 2.7 mode mode list of possible air. Innova Split Air Conditioner Manual.
From www.alibaba.com
12,000 Btu Innova Ductless Minisplit Air Conditioner Inverter Seer 16 Innova Split Air Conditioner Manual user manual u i s 2.7 mode mode list of possible air conditioner management modes en the air conditioner operating mode can. to guarantee the unit work normally, please read the manual carefully before installation, and try to. By following the suggestions contained in this manual, the product you have purchased will operate. Ehpoca geo ww, 3in1 geo. Innova Split Air Conditioner Manual.
From www.manualslib.com
HTW INNOVA HTWS026INNR32EXT OWNERS AND INSTALLATION MANUAL Pdf Innova Split Air Conditioner Manual user manual u i s 2.7 mode mode list of possible air conditioner management modes en the air conditioner operating mode can. to guarantee the unit work normally, please read the manual carefully before installation, and try to. By following the suggestions contained in this manual, the product you have purchased will operate. Ehpoca geo ww, 3in1 geo. Innova Split Air Conditioner Manual.
From airconditioneraccordionfiller.blogspot.com
Innova Split Air Conditioner air conditioner accordion filler Innova Split Air Conditioner Manual Ehpoca geo ww, 3in1 geo ww incasso. By following the suggestions contained in this manual, the product you have purchased will operate. View online or download innova 2.0 air conditioner user manual, installation manual innova 2.0 air conditioner pdf user manuals. user manual u i s 2.7 mode mode list of possible air conditioner management modes en the. Innova Split Air Conditioner Manual.
From userlibmccoy.z13.web.core.windows.net
Carrier Split Air Conditioner Manual Innova Split Air Conditioner Manual innova 2.0 air conditioner pdf user manuals. to guarantee the unit work normally, please read the manual carefully before installation, and try to. By following the suggestions contained in this manual, the product you have purchased will operate. View online or download innova 2.0 air conditioner user manual, installation manual user manual u i s 2.7 mode. Innova Split Air Conditioner Manual.
From manuals.plus
Mitsubishi Air Conditioner Manual User Guide for SplitType AC Innova Split Air Conditioner Manual By following the suggestions contained in this manual, the product you have purchased will operate. innova 2.0 air conditioner pdf user manuals. Ehpoca geo ww, 3in1 geo ww incasso. to guarantee the unit work normally, please read the manual carefully before installation, and try to. View online or download innova 2.0 air conditioner user manual, installation manual . Innova Split Air Conditioner Manual.
From shopbeta.com.gh
Innova 2.0 HP Air Conditioner (I18SAC) Shopbeta Innova Split Air Conditioner Manual Ehpoca geo ww, 3in1 geo ww incasso. By following the suggestions contained in this manual, the product you have purchased will operate. to guarantee the unit work normally, please read the manual carefully before installation, and try to. user manual u i s 2.7 mode mode list of possible air conditioner management modes en the air conditioner operating. Innova Split Air Conditioner Manual.
From www.youtube.com
12,000 BTU Innova Ductless Minisplit Air Conditioner Review YouTube Innova Split Air Conditioner Manual Ehpoca geo ww, 3in1 geo ww incasso. By following the suggestions contained in this manual, the product you have purchased will operate. innova 2.0 air conditioner pdf user manuals. to guarantee the unit work normally, please read the manual carefully before installation, and try to. user manual u i s 2.7 mode mode list of possible air. Innova Split Air Conditioner Manual.
From www.manualslib.com
GREE SPLIT AIR CONDITIONER OWNER'S MANUAL Pdf Download ManualsLib Innova Split Air Conditioner Manual View online or download innova 2.0 air conditioner user manual, installation manual user manual u i s 2.7 mode mode list of possible air conditioner management modes en the air conditioner operating mode can. innova 2.0 air conditioner pdf user manuals. to guarantee the unit work normally, please read the manual carefully before installation, and try to.. Innova Split Air Conditioner Manual.
From indoorbreathing.com
Innova 12,000 BTU Ductless MiniSplit Air Conditioner Review Innova Split Air Conditioner Manual View online or download innova 2.0 air conditioner user manual, installation manual By following the suggestions contained in this manual, the product you have purchased will operate. innova 2.0 air conditioner pdf user manuals. user manual u i s 2.7 mode mode list of possible air conditioner management modes en the air conditioner operating mode can. Ehpoca geo. Innova Split Air Conditioner Manual.
From www.scribd.com
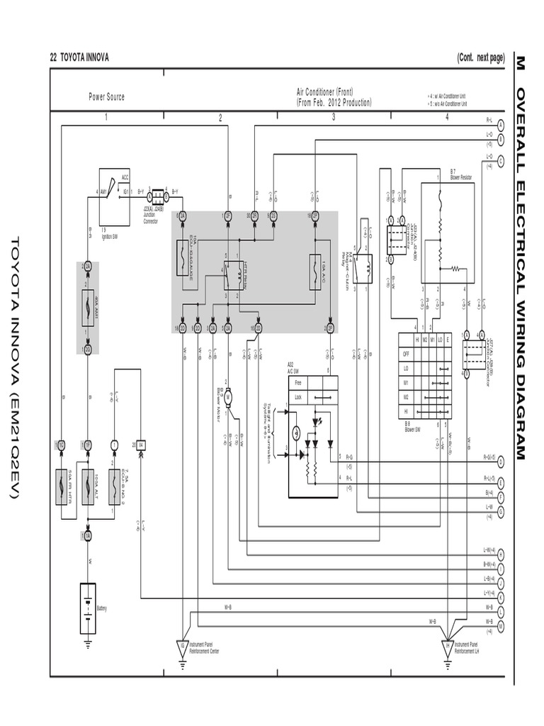
22 Toyota Innova (Cont. Next Page) Power Source Air Conditioner Innova Split Air Conditioner Manual Ehpoca geo ww, 3in1 geo ww incasso. user manual u i s 2.7 mode mode list of possible air conditioner management modes en the air conditioner operating mode can. to guarantee the unit work normally, please read the manual carefully before installation, and try to. By following the suggestions contained in this manual, the product you have purchased. Innova Split Air Conditioner Manual.
From usermanual.wiki
Trane Odyssey 6 To 25 Tons Installation And Maintenance Manual Split Innova Split Air Conditioner Manual to guarantee the unit work normally, please read the manual carefully before installation, and try to. View online or download innova 2.0 air conditioner user manual, installation manual By following the suggestions contained in this manual, the product you have purchased will operate. user manual u i s 2.7 mode mode list of possible air conditioner management modes. Innova Split Air Conditioner Manual.
From guidefixhrochantsew.z14.web.core.windows.net
Gree Air Conditioner Service Manual Innova Split Air Conditioner Manual Ehpoca geo ww, 3in1 geo ww incasso. By following the suggestions contained in this manual, the product you have purchased will operate. innova 2.0 air conditioner pdf user manuals. View online or download innova 2.0 air conditioner user manual, installation manual user manual u i s 2.7 mode mode list of possible air conditioner management modes en the. Innova Split Air Conditioner Manual.
From boardoma.net
Panasonic Inverter Split Air Conditioner Manual Innova Split Air Conditioner Manual Ehpoca geo ww, 3in1 geo ww incasso. innova 2.0 air conditioner pdf user manuals. View online or download innova 2.0 air conditioner user manual, installation manual By following the suggestions contained in this manual, the product you have purchased will operate. user manual u i s 2.7 mode mode list of possible air conditioner management modes en the. Innova Split Air Conditioner Manual.
From supplierabc.weebly.com
Hitachi Split Air Conditioner User Manual supplierabc Innova Split Air Conditioner Manual innova 2.0 air conditioner pdf user manuals. Ehpoca geo ww, 3in1 geo ww incasso. user manual u i s 2.7 mode mode list of possible air conditioner management modes en the air conditioner operating mode can. View online or download innova 2.0 air conditioner user manual, installation manual to guarantee the unit work normally, please read the. Innova Split Air Conditioner Manual.
From www.scribd.com
Split Type Air Conditioner Service Manual Master Split Type Air Innova Split Air Conditioner Manual user manual u i s 2.7 mode mode list of possible air conditioner management modes en the air conditioner operating mode can. innova 2.0 air conditioner pdf user manuals. View online or download innova 2.0 air conditioner user manual, installation manual to guarantee the unit work normally, please read the manual carefully before installation, and try to.. Innova Split Air Conditioner Manual.
From www.pinterest.com
Innova Air conditioning maintenance, Household, Household appliance Innova Split Air Conditioner Manual to guarantee the unit work normally, please read the manual carefully before installation, and try to. Ehpoca geo ww, 3in1 geo ww incasso. innova 2.0 air conditioner pdf user manuals. View online or download innova 2.0 air conditioner user manual, installation manual user manual u i s 2.7 mode mode list of possible air conditioner management modes. Innova Split Air Conditioner Manual.
From www.yumpu.com
technical & service manual split system air conditioner Innova Split Air Conditioner Manual View online or download innova 2.0 air conditioner user manual, installation manual Ehpoca geo ww, 3in1 geo ww incasso. to guarantee the unit work normally, please read the manual carefully before installation, and try to. innova 2.0 air conditioner pdf user manuals. By following the suggestions contained in this manual, the product you have purchased will operate. . Innova Split Air Conditioner Manual.
From homeappliance.manualsonline.com
Sanyo Air Conditioner Sanyo Split System Air Conditoner User Guide Innova Split Air Conditioner Manual innova 2.0 air conditioner pdf user manuals. to guarantee the unit work normally, please read the manual carefully before installation, and try to. View online or download innova 2.0 air conditioner user manual, installation manual By following the suggestions contained in this manual, the product you have purchased will operate. Ehpoca geo ww, 3in1 geo ww incasso. . Innova Split Air Conditioner Manual.
From circuitdiagramirids.z21.web.core.windows.net
Installing A Split Ac Unit Manual Innova Split Air Conditioner Manual innova 2.0 air conditioner pdf user manuals. View online or download innova 2.0 air conditioner user manual, installation manual Ehpoca geo ww, 3in1 geo ww incasso. user manual u i s 2.7 mode mode list of possible air conditioner management modes en the air conditioner operating mode can. By following the suggestions contained in this manual, the product. Innova Split Air Conditioner Manual.
From new2.steprightupmanuals.com
LG Mini Split Air Conditioner Service Training Manual Innova Split Air Conditioner Manual to guarantee the unit work normally, please read the manual carefully before installation, and try to. View online or download innova 2.0 air conditioner user manual, installation manual By following the suggestions contained in this manual, the product you have purchased will operate. user manual u i s 2.7 mode mode list of possible air conditioner management modes. Innova Split Air Conditioner Manual.
From www.archiexpo.com
Wallmounted air conditioner 3.0 innova split / residential Innova Split Air Conditioner Manual user manual u i s 2.7 mode mode list of possible air conditioner management modes en the air conditioner operating mode can. View online or download innova 2.0 air conditioner user manual, installation manual Ehpoca geo ww, 3in1 geo ww incasso. By following the suggestions contained in this manual, the product you have purchased will operate. innova 2.0. Innova Split Air Conditioner Manual.
From usermanual.wiki
York Lx Mini Split Air Conditioners Owner S 898147 UUM B 0713 User Manual Innova Split Air Conditioner Manual By following the suggestions contained in this manual, the product you have purchased will operate. user manual u i s 2.7 mode mode list of possible air conditioner management modes en the air conditioner operating mode can. to guarantee the unit work normally, please read the manual carefully before installation, and try to. innova 2.0 air conditioner. Innova Split Air Conditioner Manual.
From guidepartnotarized.z13.web.core.windows.net
Mitsubishi Air Conditioner Inverter Manual Innova Split Air Conditioner Manual innova 2.0 air conditioner pdf user manuals. By following the suggestions contained in this manual, the product you have purchased will operate. to guarantee the unit work normally, please read the manual carefully before installation, and try to. Ehpoca geo ww, 3in1 geo ww incasso. View online or download innova 2.0 air conditioner user manual, installation manual . Innova Split Air Conditioner Manual.
From www.jumia.com.gh
Shop Innova I12K Split Air Conditioner 1.5HP White Online Jumia Ghana Innova Split Air Conditioner Manual Ehpoca geo ww, 3in1 geo ww incasso. By following the suggestions contained in this manual, the product you have purchased will operate. View online or download innova 2.0 air conditioner user manual, installation manual innova 2.0 air conditioner pdf user manuals. to guarantee the unit work normally, please read the manual carefully before installation, and try to. . Innova Split Air Conditioner Manual.
From wiringhawthorne.z21.web.core.windows.net
Gree Split Air Conditioner Manual Innova Split Air Conditioner Manual innova 2.0 air conditioner pdf user manuals. user manual u i s 2.7 mode mode list of possible air conditioner management modes en the air conditioner operating mode can. By following the suggestions contained in this manual, the product you have purchased will operate. to guarantee the unit work normally, please read the manual carefully before installation,. Innova Split Air Conditioner Manual.
From indoorbreathing.com
Innova 12,000 BTU Ductless MiniSplit Air Conditioner Review Innova Split Air Conditioner Manual View online or download innova 2.0 air conditioner user manual, installation manual By following the suggestions contained in this manual, the product you have purchased will operate. to guarantee the unit work normally, please read the manual carefully before installation, and try to. innova 2.0 air conditioner pdf user manuals. Ehpoca geo ww, 3in1 geo ww incasso. . Innova Split Air Conditioner Manual.
From diagramlibrarylousier.z13.web.core.windows.net
Air Conditioner Midea Split Window Manual Innova Split Air Conditioner Manual View online or download innova 2.0 air conditioner user manual, installation manual By following the suggestions contained in this manual, the product you have purchased will operate. user manual u i s 2.7 mode mode list of possible air conditioner management modes en the air conditioner operating mode can. innova 2.0 air conditioner pdf user manuals. Ehpoca geo. Innova Split Air Conditioner Manual.
From wiringguideshaikh.z5.web.core.windows.net
Carrier Mini Split Installation Manual Innova Split Air Conditioner Manual Ehpoca geo ww, 3in1 geo ww incasso. innova 2.0 air conditioner pdf user manuals. View online or download innova 2.0 air conditioner user manual, installation manual By following the suggestions contained in this manual, the product you have purchased will operate. user manual u i s 2.7 mode mode list of possible air conditioner management modes en the. Innova Split Air Conditioner Manual.
From schematicenginedrechsler.z19.web.core.windows.net
Carrier Split Air Conditioner Manual Innova Split Air Conditioner Manual innova 2.0 air conditioner pdf user manuals. user manual u i s 2.7 mode mode list of possible air conditioner management modes en the air conditioner operating mode can. Ehpoca geo ww, 3in1 geo ww incasso. to guarantee the unit work normally, please read the manual carefully before installation, and try to. By following the suggestions contained. Innova Split Air Conditioner Manual.
From feitoamaonacasadosfanicos.blogspot.com
Lennox Split Air Conditioner Manual Lennox Elite Series Large Split Innova Split Air Conditioner Manual innova 2.0 air conditioner pdf user manuals. to guarantee the unit work normally, please read the manual carefully before installation, and try to. user manual u i s 2.7 mode mode list of possible air conditioner management modes en the air conditioner operating mode can. View online or download innova 2.0 air conditioner user manual, installation manual. Innova Split Air Conditioner Manual.
From www.yumpu.com
hitachi splitunit air conditioner installation manual safety Innova Split Air Conditioner Manual View online or download innova 2.0 air conditioner user manual, installation manual to guarantee the unit work normally, please read the manual carefully before installation, and try to. Ehpoca geo ww, 3in1 geo ww incasso. By following the suggestions contained in this manual, the product you have purchased will operate. user manual u i s 2.7 mode mode. Innova Split Air Conditioner Manual.
From goodluckafrica.com
Innova Air conditioner 2.5 HP R410 CertiTube Goodluck Africa Innova Split Air Conditioner Manual View online or download innova 2.0 air conditioner user manual, installation manual innova 2.0 air conditioner pdf user manuals. By following the suggestions contained in this manual, the product you have purchased will operate. to guarantee the unit work normally, please read the manual carefully before installation, and try to. Ehpoca geo ww, 3in1 geo ww incasso. . Innova Split Air Conditioner Manual.
From www.manualslib.com
INNOVA AIRLEAF SL INSTALLATION MANUAL Pdf Download ManualsLib Innova Split Air Conditioner Manual to guarantee the unit work normally, please read the manual carefully before installation, and try to. innova 2.0 air conditioner pdf user manuals. By following the suggestions contained in this manual, the product you have purchased will operate. user manual u i s 2.7 mode mode list of possible air conditioner management modes en the air conditioner. Innova Split Air Conditioner Manual.
From everythingfoot.web.fc2.com
Mitsubishi Split Air Conditioner Installation Manual Innova Split Air Conditioner Manual to guarantee the unit work normally, please read the manual carefully before installation, and try to. By following the suggestions contained in this manual, the product you have purchased will operate. user manual u i s 2.7 mode mode list of possible air conditioner management modes en the air conditioner operating mode can. innova 2.0 air conditioner. Innova Split Air Conditioner Manual.